板模板(轮扣式)技术交底.docx

上传人:p** 文档编号:634362 上传时间:2023-12-15 格式:DOCX 页数:5 大小:56.39KB
下载 相关 举报
板模板(轮扣式)技术交底.docx_第1页
第1页 / 共5页
板模板(轮扣式)技术交底.docx_第2页
第2页 / 共5页
板模板(轮扣式)技术交底.docx_第3页
第3页 / 共5页
板模板(轮扣式)技术交底.docx_第4页
第4页 / 共5页
板模板(轮扣式)技术交底.docx_第5页
第5页 / 共5页
亲,该文档总共5页,全部预览完了,如果喜欢就下载吧!
资源描述

《板模板(轮扣式)技术交底.docx》由会员分享,可在线阅读,更多相关《板模板(轮扣式)技术交底.docx(5页珍藏版)》请在第壹文秘上搜索。

1、板模板(轮扣式)技术交底工程名称妙庄王府施工单位中国十九冶集团有限公司分项工程名称板模板工程交底部位板模板内支撑交底时间交底内容新浇混凝土楼板板厚IoOmm.架体横向长度3m,架体纵向长度4m.模板支架高度为3m;立杆型号为48x3,纵距900mm,横距1200mm,水平拉杆步距140Omm;主要参数面板为|5mm覆面木胶合板;小梁为60x8Omm矩形木楞.间距200mm.最大悬挑长度IoOmm;主梁为483,主梁布置方式为平行立杆纵向方向,可调托座内主梁根数为2根,可调托座承载力容许值N=30kN,.”,“;,“,,.fe.,,3一1广,,.,.MYUXrYlBu*u*uwv、/*、/*,-

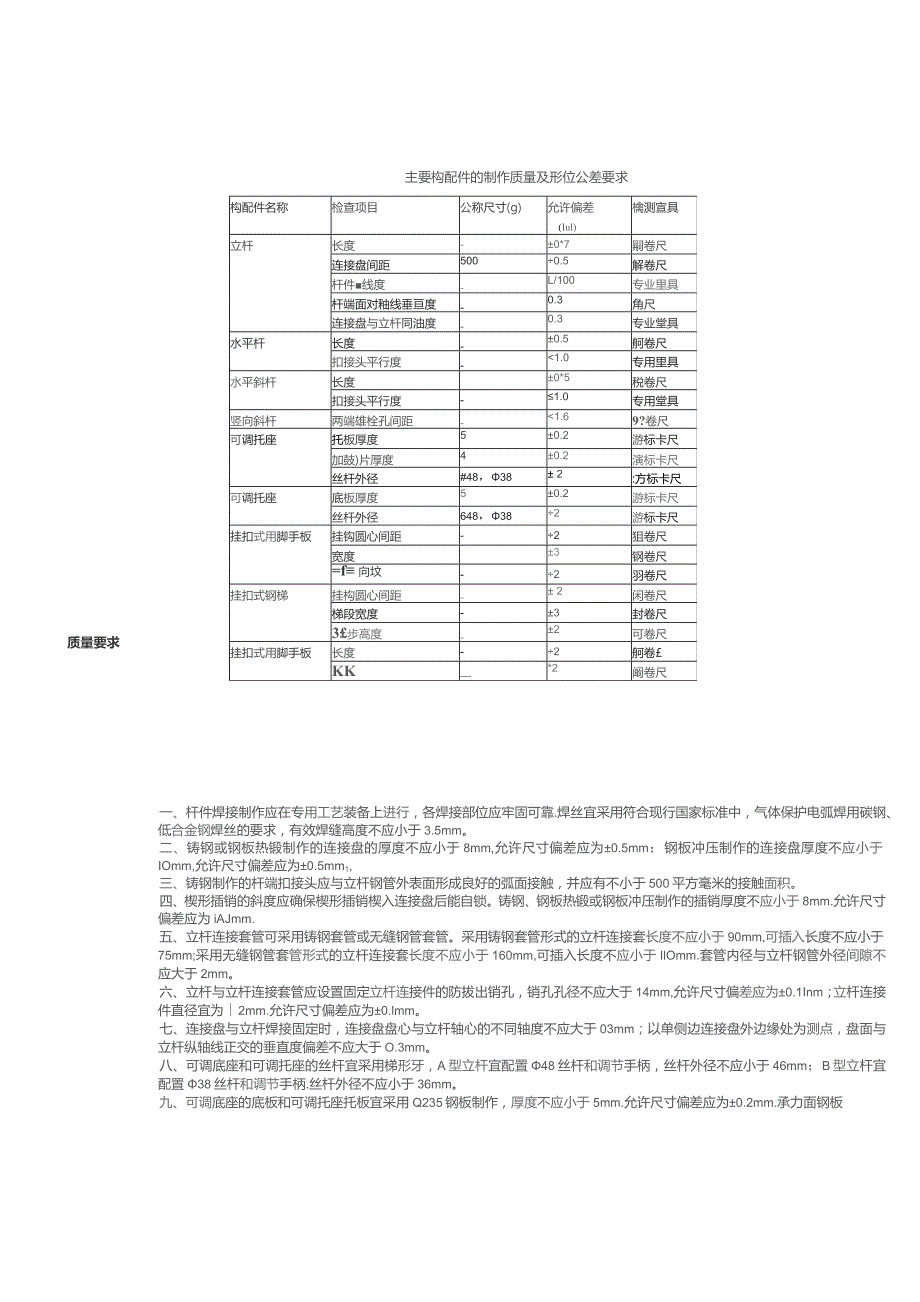
2、.,.,.UCX.二二安装TF意史I1200板模板安装施工流程:施工工艺流程弹出板轴线及水平线并进行复核一搭设板模板支架-安装板底主梁和小梁T安装板底模板T板底起拱一绑扎钢筋一复核板模尺寸、位置一与相邻模板连接牢固T办预检质量要求构配件名称检查项目公称尺寸(g)允许偏差(Iul)檎测宣具立杆长度-0*7嗣卷尺连接盘间距5000.5解卷尺杆件线度-L/100专业里具杆端面对釉线垂亘度-0.3角尺连接盘与立杆同油度-0.3专业堂具水平杆长度-0.5舸卷尺扣接头平行度-1.0专用里具水平斜杆长度0*5税卷尺扣接头平行度-1.0专用堂具竖向斜杆两端雄栓孔间距-1.69?卷尺可调托座托板厚度50.2游标

3、卡尺加鼓)片厚度40.2演标卡尺丝杆外径#48,38 2:方标卡尺可调托座底板厚度50.2游标卡尺丝杆外径648,382游标卡尺挂扣式用脚手板挂钩圆心间距-2狙卷尺宽度3钢卷尺=f 向坟-2羽卷尺挂扣式钢梯挂构圆心间距- 2闲卷尺梯段宽度-3封卷尺3步高度-2可卷尺挂扣式用脚手板长度-2舸卷KK*2阚卷尺主要构配件的制作质量及形位公差要求一、杆件焊接制作应在专用工艺装备上进行,各焊接部位应牢固可靠.焊丝宜采用符合现行国家标准中,气体保护电弧焊用碳钢、低合金钢焊丝的要求,有效焊缝高度不应小于3.5mm。二、铸钢或钢板热锻制作的连接盘的厚度不应小于8mm,允许尺寸偏差应为0.5mm;钢板冲压制作的

4、连接盘厚度不应小于IOmm,允许尺寸偏差应为0.5mm1,三、铸钢制作的杆端扣接头应与立杆钢管外表面形成良好的弧面接触,并应有不小于500平方毫米的接触面积。四、楔形插销的斜度应确保楔形插销楔入连接盘后能自锁。铸钢、钢板热锻或钢板冲压制作的插销厚度不应小于8mm.允许尺寸偏差应为iAJmm.五、立杆连接套管可采用铸钢套管或无缝钢管套管。采用铸钢套管形式的立杆连接套长度不应小于90mm,可插入长度不应小于75mm;采用无缝钢管套管形式的立杆连接套长度不应小于160mm,可插入长度不应小于IlOmm.套管内径与立杆钢管外径间隙不应大于2mm。六、立杆与立杆连接套管应设置固定立杆连接件的防拔出销孔,

5、销孔孔径不应大于14mm,允许尺寸偏差应为0.1Inm;立杆连接件直径宜为2mm.允许尺寸偏差应为0.lmm。七、连接盘与立杆焊接固定时,连接盘盘心与立杆轴心的不同轴度不应大于03mm;以单侧边连接盘外边缘处为测点,盘面与立杆纵轴线正交的垂直度偏差不应大于O.3mm。八、可调底座和可调托座的丝杆宜采用梯形牙,A型立杆宜配置48丝杆和调节手柄,丝杆外径不应小于46mm;B型立杆宜配置38丝杆和调节手柄.丝杆外径不应小于36mm。九、可调底座的底板和可调托座托板宜采用Q235钢板制作,厚度不应小于5mm.允许尺寸偏差应为0.2mm.承力面钢板长度和宽度均不应小于15Onln1;承力面钢板与丝杆应采

6、用环焊,并应设置加劲片或加劲拱度;可调托座托板应设置开口挡板,挡板高度不应小于40mmu十、可调底座及可调托座丝杆与螺母旋合长度不得小于5扣,螺母厚度不得小于30mm,可调托座和可调底座插入立杆内的长度应符合规范规定。十一、主要构配件的制作质量及形位公差要求,应符合规范规定。十二、可调托座、可调底座承载力,应符合规范规定。十三、挂扣式钢脚手板承载力,应符合本规范的规定。十四、构配件外观质量应符合要求:1、钢管应无裂纹、凹陷、锈蚀,不得采用对接焊接钢管;2、钢管应平直.直线度允许偏差应为管长的I/500,两端面应平整,不得有斜口、毛刺;3、铸件表面应光滑,不得有砂眼、缩孔、裂纹、浇胃口残余等缺陷

7、.表面粘砂应清除干净;4、冲压件不得有毛刺、裂纹、氧化皮等缺陷;5、各焊缝有效高度应符合规定,焊缝应饱满,焊药应清除干净,不得有未焊透、夹渣、咬肉、裂纹等缺陷;6、可调底座和可调托座表面宜浸漆或冷镀锌,涂层应均匀、牢固;架体杆件及其他构配件表面应热镀锌,表面应光滑.在连接处不得有毛刺、滴瘤和多余结块;7、主要构配件上的生产厂标识应清晰质量保证措施1、把好施工质量关(1)认真仔细地学习和阅读施工图纸,吃透和领会施工图的要求,及时提出不明之处.遇工程变更或其他技术措施.均以施工联系单和签证手续为依据,施工前认真做好各项技术交底工作,严格按国家颁行混凝土结构工程施工质量验收规范GB50204和其它有

8、关规定施工和验收,并随时接受业主、总包单位、监理单位和质监站对本工程的质量监督和指导。(2)认真做好各道工序的检查、验收关,对各工种的交接工作严格把关.做到环环扣紧,并实行奖罚措施。出了质量问题,无论是管理上的或是施工上的,均必须严肃处理.分析质量情况,加强检查验收.找出影响质量的薄弱环节,提出改进措施,把质量问题控制在萌芽状态。2、严格落实班组自检、互检、交接检及项目中质检四检”制度.确保模板安装质量。3、混凝土浇筑过程中应派专人23名看模.严格控制模板的位移和稳定性.一旦产生移位应及时调整.加固支撑,4、对变形及损坏的模板及配件,应按规范要求及时修理校正,维修质量不合格的模板和配件不得发放

9、使用。5、为防止模底烂根,放线后应用水泥砂浆找平并加垫海绵.6、所有柱子模板拼缝、梁与柱、柱与梁等节点处均用海绵胶带贴缝,楼板缝用胶带纸贴缝.以确保混凝土不漏浆。7,模板安装应严格控制轴线、平面位置、标高、断面尺寸、垂直度和平整度,模板接缝隙宽度、高度、脱模剂刷涂及预留洞口、门洞口断面尺寸等的准确性。严格控制预期拼模板精度.8、严格执行预留洞口的定位控制,预留洞口时.木工严格按照墨线留洞。9、每层主轴线和分部轴线放线后,规定负责测量记录人员及时记录平面尺寸测量数据.并要及时记录墙、柱、成品尺寸,目的是通过数据分析梁体和柱子的垂直度误差。并根据数据分析原因,将问题及时反馈到有关生产负责人.及时进

10、行整改和纠正。10、所有竖向结构的阴、阳角均须加设橡胶海绵条于拼缝中.拼缝要牢固。11、阴、阳角模必须严格按照模板设计图进行加固处理。安全保证措施1、模板安装高度在2m及以上时.应符合现行国家标准建筑施工高处作业安全技术规范JGJ80的有关规定。2、模板及其支撑系统在安装过程中必须设置防倾覆的可靠临时设施。3、登高作业时,各种配件应放在工具箱或工具袋中严禁散放在模板或脚手板上.各种工具应系挂在操作人员身上或放在工具袋中,不得掉落。4、安装模板时,上下应有人接应,随装随运.严禁抛掷C且不得将模板支搭在门窗框上,也不得将脚手板支搭在模板上,并严禁将模板与上料井架及有车辆运行的脚手架或操作平台支成一

11、体。5、当模板安装高度超过3.0m时,必须搭设脚手架,除操作人员外,脚手架下不得站其他人。高处作业时,操作人员应佩戴安全帽、系安全带、穿防滑鞋。安全帽和安全带应定期检查,不合格者严禁使用。6、作业人员严禁攀登模板、斜撑杆、拉条或绳索等,不得在高处的墙顶、独立梁或在其模板上行走。7、吊运大块或整体模板时,当垂直吊运时,应采取不少于两个吊点,水平吊运应采取不少于四个吊点。吊运必须使用卡环连接,并应稳起稳落,待模板就位连接牢固后,方可摘除卡环。8、模板及其配件进场应有出厂合格证或当年的检验报告.安装前应对所有部件进行认真检查,不符合要求者不得使用。9、在高处安装和拆除模板时.周围应设安全网或搭脚手架

12、,并应加设防护栏杆。在临街面及交通要道地区.尚应设警示牌.派专人看管U10、施工现场的用电、应符合国家现行标准施工现场临时用电安全技术规范JGJ46的有关规定。11、搭设应由专业持证人员安装,安全责任人应向作业人员进行安全技术交底.并做好记录及签证。12、模板拆除时,混凝土强度必须达到规定的要求,严禁混凝土未达到设计强度的规定要求时拆除模板。13、每根立柱底部应设置底座及垫板.垫板厚度不小于50mm。当立柱底部不在同一高度时,高处的纵向扫地杆应向低处延长不少于2跨,高低差不得大于1m,立柱距边坡上方边缘不得小于0.5m。14、立柱接长严禁搭接,必须用对接扣件连接,相邻两立柱的对接接头不得位于同

13、步内,且对接接头沿竖向错开距离不宜小于500mm.各接头中心距主节点不宜大于步距的1/3。15、上段钢管的立柱不得与下段钢管立柱错开固定在水平杆上,模板工程安装前准备工作I、模板拼装模板组装要严格按照模板图尺寸拼装成整体,并控制模板的偏差在规范允许的范围内.拼装好模板后要求逐块检查其背楞是否符合模板设计,模板的编号与所用的部位是否一致。2、模板的基准定位工作首先引测建筑的边柱或者墙轴线.并以该轴线为起点,引出每条轴线,并根据轴线与施工图用墨线弹出模板的内线、边线以及外侧控制线,施工前5线必须到位,以便于模板的安装和校正。3、标高测量利用水准仪将建筑物水平标高根据实际要求.直接引测到模板的安装位置。4、竖向模板的支设应根据模板支设图。5、已经破损或者不符合模板设计图的零配件以及面板不得投入使用。6、支模前对前一道工序的标高、尺寸预留孔等位置按设计图纸做好技术复核工作。应注意的质量问题I、梁、板底不平、下挠;梁侧模板不平直,梁上下日涨模.防治的方法是粱、板底模板的龙骨、支柱的截面尺寸及间距应通过设计计算决定,使模板的支撑系统有足够的强度和刚度,作业中应认真执行设计要求,以防止混凝土浇筑时模板变形。模板支柱应立在垫有通长木板的坚实的地面上

展开阅读全文
相关资源
猜你喜欢
相关搜索

当前位置:首页 > 建筑/环境 > 设计及方案

copyright@ 2008-2023 1wenmi网站版权所有

经营许可证编号:宁ICP备2022001189号-1

本站为文档C2C交易模式,即用户上传的文档直接被用户下载,本站只是中间服务平台,本站所有文档下载所得的收益归上传人(含作者)所有。第壹文秘仅提供信息存储空间,仅对用户上传内容的表现方式做保护处理,对上载内容本身不做任何修改或编辑。若文档所含内容侵犯了您的版权或隐私,请立即通知第壹文秘网,我们立即给予删除!