表气瓶使用安全检查表.docx

上传人:p** 文档编号:645831 上传时间:2024-01-02 格式:DOCX 页数:1 大小:13.92KB
下载 相关 举报
表气瓶使用安全检查表.docx_第1页
第1页 / 共1页
亲,该文档总共1页,全部预览完了,如果喜欢就下载吧!
资源描述

《表气瓶使用安全检查表.docx》由会员分享,可在线阅读,更多相关《表气瓶使用安全检查表.docx(1页珍藏版)》请在第壹文秘上搜索。

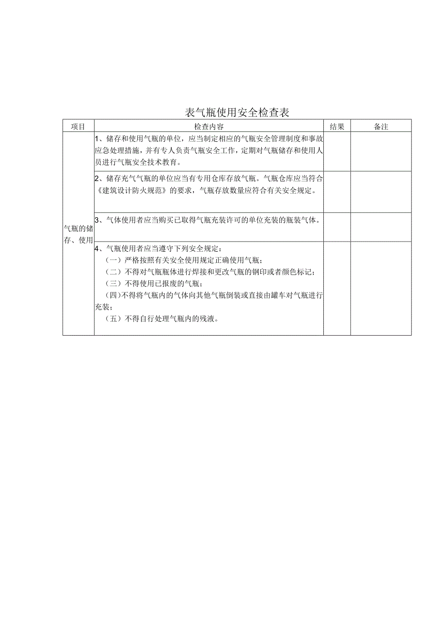
表气瓶使用安全检查表项目检查内容结果备注气瓶的储存、使用1、储存和使用气瓶的单位,应当制定相应的气瓶安全管理制度和事故应急处理措施,并有专人负责气瓶安全工作,定期对气瓶储存和使用人员进行气瓶安全技术教育。2、储存充气气瓶的单位应当有专用仓库存放气瓶。气瓶仓库应当符合建筑设计防火规范的要求,气瓶存放数量应符合有关安全规定。3、气体使用者应当购买已取得气瓶充装许可的单位充装的瓶装气体。4、气瓶使用者应当遵守下列安全规定:(一)严格按照有关安全使用规定正确使用气瓶;(二)不得对气瓶瓶体进行焊接和更改气瓶的钢印或者颜色标记;(三)不得使用已报废的气瓶;(四)不得将气瓶内的气体向其他气瓶倒装或直接由罐车对气瓶进行充装;(五)不得自行处理气瓶内的残液。

展开阅读全文
相关资源
猜你喜欢
相关搜索

当前位置:首页 > 办公文档 > 统计图表

copyright@ 2008-2023 1wenmi网站版权所有

经营许可证编号:宁ICP备2022001189号-1

本站为文档C2C交易模式,即用户上传的文档直接被用户下载,本站只是中间服务平台,本站所有文档下载所得的收益归上传人(含作者)所有。第壹文秘仅提供信息存储空间,仅对用户上传内容的表现方式做保护处理,对上载内容本身不做任何修改或编辑。若文档所含内容侵犯了您的版权或隐私,请立即通知第壹文秘网,我们立即给予删除!