雅安至叶城国家高速公路康定过境段康新高速K1-LM项目水稳、油面劳务合作划分、工程规模、工期统计表.docx

上传人:p** 文档编号:646231 上传时间:2024-01-02 格式:DOCX 页数:4 大小:25.68KB
下载 相关 举报
雅安至叶城国家高速公路康定过境段康新高速K1-LM项目水稳、油面劳务合作划分、工程规模、工期统计表.docx_第1页
第1页 / 共4页
雅安至叶城国家高速公路康定过境段康新高速K1-LM项目水稳、油面劳务合作划分、工程规模、工期统计表.docx_第2页
第2页 / 共4页
雅安至叶城国家高速公路康定过境段康新高速K1-LM项目水稳、油面劳务合作划分、工程规模、工期统计表.docx_第3页
第3页 / 共4页
雅安至叶城国家高速公路康定过境段康新高速K1-LM项目水稳、油面劳务合作划分、工程规模、工期统计表.docx_第4页
第4页 / 共4页
亲,该文档总共4页,全部预览完了,如果喜欢就下载吧!
资源描述

《雅安至叶城国家高速公路康定过境段康新高速K1-LM项目水稳、油面劳务合作划分、工程规模、工期统计表.docx》由会员分享,可在线阅读,更多相关《雅安至叶城国家高速公路康定过境段康新高速K1-LM项目水稳、油面劳务合作划分、工程规模、工期统计表.docx(4页珍藏版)》请在第壹文秘上搜索。

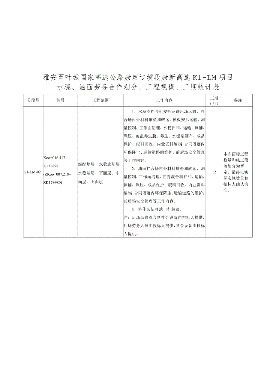
1、雅安至叶城国家高速公路康定过境段康新高速Kl-LM项目水稳、油面劳务合作划分、工程规模、工期统计表分段号桩号工程范围工作内容工期(月)备注K1-LM-02Koo+016.417K17+898(ZKoo+007.218ZK17+980)级配垫层、水稔底基层水稳基层、下面层、中面层、上面层1、水稳冷拌合机安拆及进出场运输、拌合场内外材料堆垒和转运、模板安拆运输、测量控制、工作面清理、水稳拌和、运输、摊铺、碾压、覆盖养生膜、养生、水泥浆洒布、成品保护、废料回收、内业资料编制;合同段落内环保降尘、运输道路的维护,前后场安全管理等工作内容。2、油面拌合场内外材料堆垒和转运、测量控制、工作面清理、沥青混合

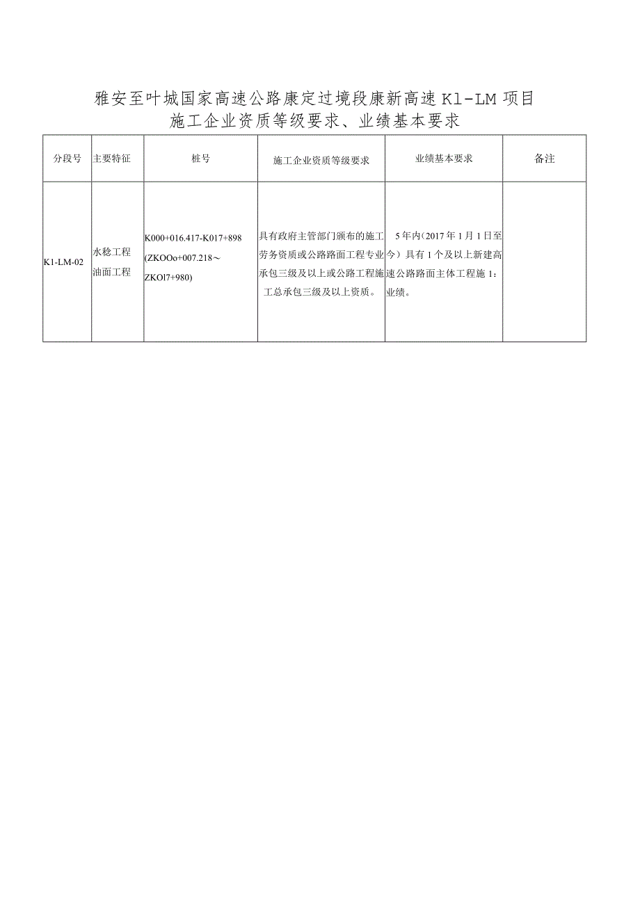
2、料拌和、运输、摊铺、碾压、成品保护、废料回收、内业资料编制;合同段落内环保降尘、运输道路的维护,前后场安全管理等工作内容。3、协作队伍驻地自行解决。注:后场沥青混合料拌合设备由招标人提供,后场劳务人员由投标人提供,其余设备由投标人提供。12本次招标工程数量和施工段落划分为暂定,最终以实际实施数量和招标人确认为准。雅安至叶城国家高速公路康定过境段康新高速Kl-LM项目施工企业资质等级要求、业绩基本要求分段号主要特征桩号施工企业资质等级要求业绩基本要求备注K1-LM-02水稔工程油面工程K000+016.417-K017+898(ZKOOo+007.218ZKOl7+980)具有政府主管部门颁布的

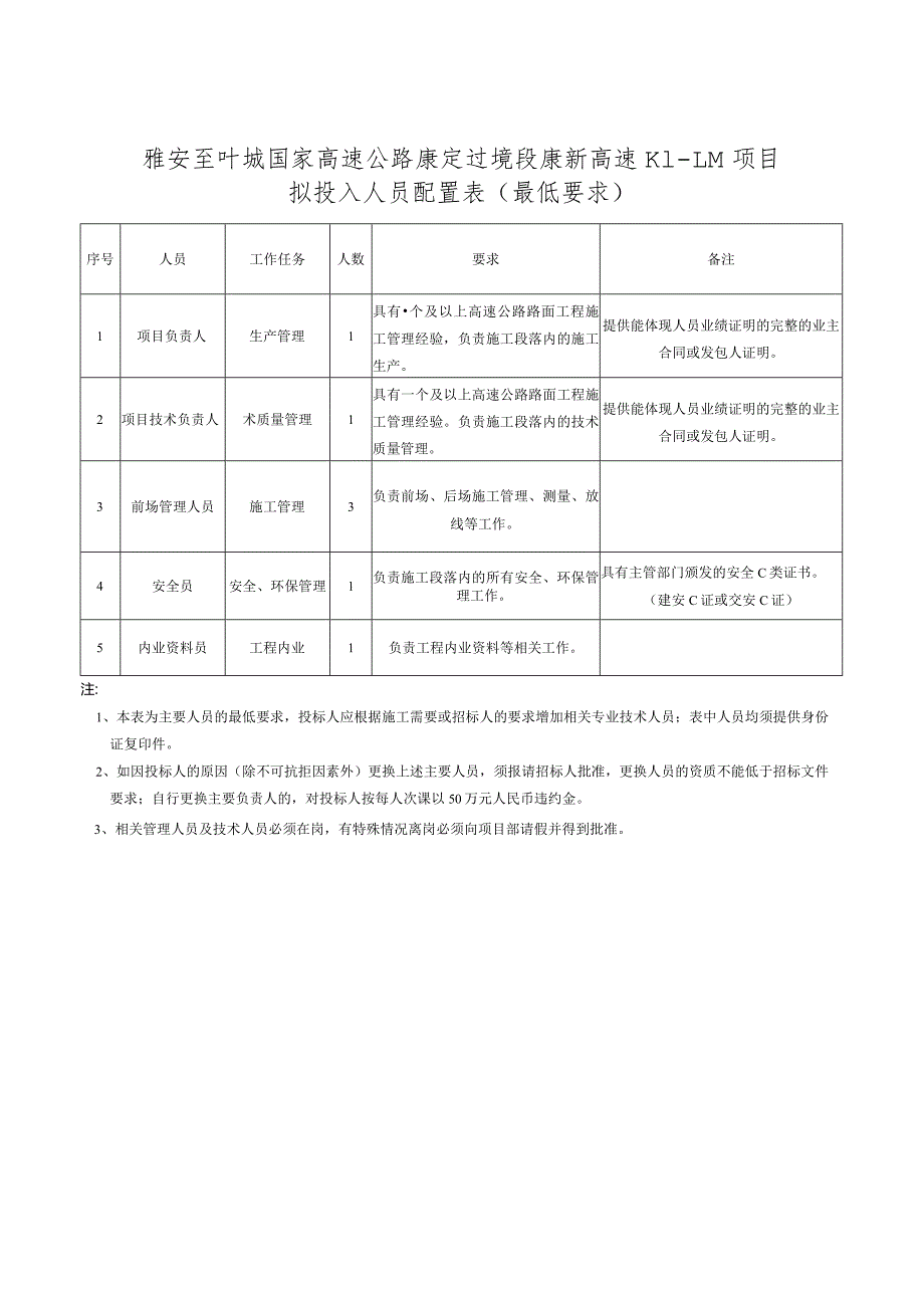
3、施工劳务资质或公路路面工程专业承包三级及以上或公路工程施工总承包三级及以上资质。5年内(2017年1月1日至今)具有1个及以上新建高速公路路面主体工程施1:业绩。雅安至叶城国家高速公路康定过境段康新高速Kl-LM项目拟投入人员配置表(最低要求)序号人员工作任务人数要求备注1项目负责人生产管理1具有个及以上高速公路路面工程施工管理经验,负责施工段落内的施工生产。提供能体现人员业绩证明的完整的业主合同或发包人证明。2项目技术负责人术质量管理1具有一个及以上高速公路路面工程施工管理经验。负责施工段落内的技术质量管理。提供能体现人员业绩证明的完整的业主合同或发包人证明。3前场管理人员施工管理3负责前场

4、、后场施工管理、测量、放线等工作。4安全员安全、环保管理1负责施工段落内的所有安全、环保管理工作。具有主管部门颁发的安全C类证书。(建安C证或交安C证)5内业资料员工程内业1负责工程内业资料等相关工作。注:1、本表为主要人员的最低要求,投标人应根据施工需要或招标人的要求增加相关专业技术人员;表中人员均须提供身份证复印件。2、如因投标人的原因(除不可抗拒因素外)更换上述主要人员,须报请招标人批准,更换人员的资质不能低于招标文件要求;自行更换主要负责人的,对投标人按每人次课以50万元人民币违约金。3、相关管理人员及技术人员必须在岗,有特殊情况离岗必须向项目部请假并得到批准。雅安至叶城国家高速公路康

5、定过境段康新高速Kl-LM项目拟投入设备配置表(最低要求)序J机械设备名称规格、型号单位基本要求每增加一台自有设备加分值加分上限备注总数量自有设备1冷拌机WBC600(双拌缸)套10.40.41、设备购买时限2019年1月1日至今:2、自有设备需提供真实有效的购买发票;3、冷拌机设备的水泥罐满足一次性储存600吨的要求;4、其他小型设备根据施工需要配置。2装载机50型台510.20.63水稳摊铺机1600型及以上台10.50.54油面直板摊铺机(沃尔沃8820、福格勒、中大)及以上台115伸缩摊铺机台16单钢轮压路机22T及以上台420.517平地机185Kw及以上台10.50.58双钢轮压路

6、机12T及以上(含两台振荡式)台529胶轮压路机26T及以上台420.5110洒水车10m3辆311模板转运车辆112加油车辆113客车辆214清扫车台215水泥净浆洒布车辆116小型压路机2T台117运输车3轴辆1818板框压滤机20T/H套219污水一体化处理设备20m/天套12016米120T地磅套221拖车辆123发电机IOKW台124平板夯或2T小型压路机台125太阳灯台126通风设备套2注,1、若监理工程师或托标人认为投标人配备的机机t设备7E能满足现场施工的需W%或不能保证工程J费:和进度时,招标人有权要求投标人增加。2、本表中的总数置为承包人中标后向发包人承诺的投入最低设备要求,并以书面形式纳入合同附件。3、设备需具备施工能力满足实际施工需要,自有设备以购买方发票或公证机关出具的公证书为准.

展开阅读全文
相关资源
猜你喜欢
相关搜索

当前位置:首页 > 建筑/环境 > 环保行业

copyright@ 2008-2023 1wenmi网站版权所有

经营许可证编号:宁ICP备2022001189号-1

本站为文档C2C交易模式,即用户上传的文档直接被用户下载,本站只是中间服务平台,本站所有文档下载所得的收益归上传人(含作者)所有。第壹文秘仅提供信息存储空间,仅对用户上传内容的表现方式做保护处理,对上载内容本身不做任何修改或编辑。若文档所含内容侵犯了您的版权或隐私,请立即通知第壹文秘网,我们立即给予删除!