黑龙江省安全帽、安全绳产品质量省级监督抽查实施细则2021年版.docx

上传人:p** 文档编号:649053 上传时间:2024-01-02 格式:DOCX 页数:3 大小:20.06KB
下载 相关 举报
黑龙江省安全帽、安全绳产品质量省级监督抽查实施细则2021年版.docx_第1页
第1页 / 共3页
黑龙江省安全帽、安全绳产品质量省级监督抽查实施细则2021年版.docx_第2页
第2页 / 共3页
黑龙江省安全帽、安全绳产品质量省级监督抽查实施细则2021年版.docx_第3页
第3页 / 共3页
亲,该文档总共3页,全部预览完了,如果喜欢就下载吧!
资源描述

《黑龙江省安全帽、安全绳产品质量省级监督抽查实施细则2021年版.docx》由会员分享,可在线阅读,更多相关《黑龙江省安全帽、安全绳产品质量省级监督抽查实施细则2021年版.docx(3页珍藏版)》请在第壹文秘上搜索。

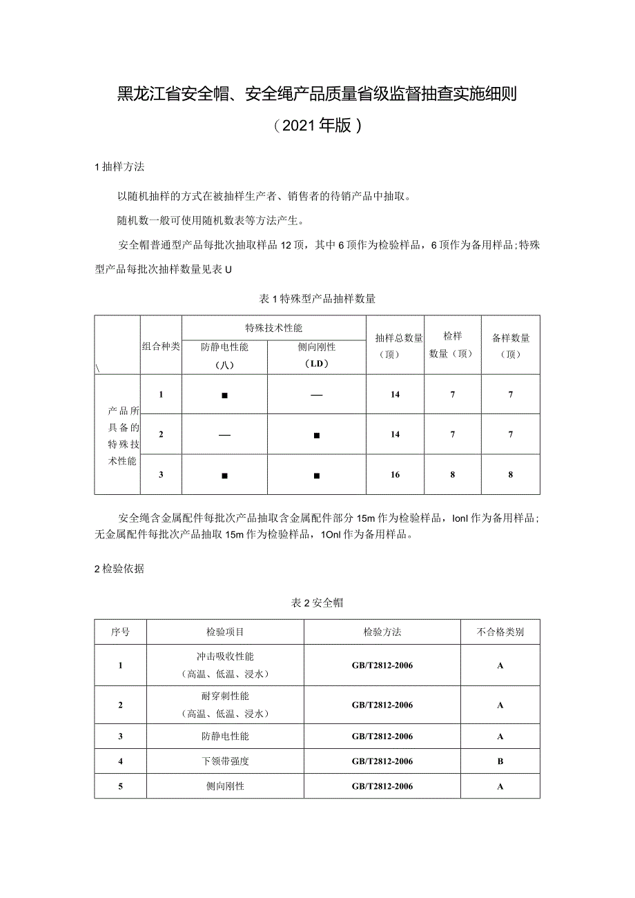
1、黑龙江省安全帽、安全绳产品质量省级监督抽查实施细则(2021年版)1抽样方法以随机抽样的方式在被抽样生产者、销售者的待销产品中抽取。随机数一般可使用随机数表等方法产生。安全帽普通型产品每批次抽取样品12顶,其中6顶作为检验样品,6顶作为备用样品;特殊型产品每批次抽样数量见表U表1特殊型产品抽样数量组合种类特殊技术性能抽样总数量(顶)检样数量(顶)备样数量(顶)防静电性能(八)侧向刚性(LD)产品所具备的特殊技术性能114772147731688安全绳含金属配件每批次产品抽取含金属配件部分15m作为检验样品,IonI作为备用样品;无金属配件每批次产品抽取15m作为检验样品,1Onl作为备用样品。

2、2检验依据表2安全帽序号检验项目检验方法不合格类别1冲击吸收性能(高温、低温、浸水)GB/T2812-2006A2耐穿刺性能(高温、低温、浸水)GB/T2812-2006A3防静电性能GB/T2812-2006A4下领带强度GB/T2812-2006B5侧向刚性GB/T2812-2006A表3安全绳序号检验项目检验方法不合格类别1调节滑移性能GB24543-2009A2静态力学性能GB24543-2009A3动态力学性能GB24543-2009A4耐腐蚀性能GB/T10125-2012A执行企业标准、团体标准、地方标准的产品,检验项目参照上述内容执行。凡是注日期的文件,其随后所有的修改单(不包

3、括勘误的内容)或修订版不适用于本细则。凡是不注口期的文件,其最新版本适用于本细则。3判定规则3.1依据标准GB24543-2009坠落防护安全绳GB2811-2019头部防护安全帽GB2811-2007安全帽现行有效的企业标准、团体标准、地方标准及产品明示质量要求注:当抽查的安全帽产品生产日期为2020年6月30日时(新标准实施前),依据GB2811-2007检验,否则安全帽产品依据标准GB2811-2019检验。3.2判定原则经检验,检验项目全部符合质量要求,表明被抽查产品所检项目未发现不合格项;参与判定的检验项目中任一项A类不合格,有两项B类不合格,判定为被抽查产品不合格。若被检产品明示的

4、质量要求高于本细则中检验项目依据的标准要求时,应按被检产品明示的质量要求判定。若被检产品明示的质量要求低于本细则中检验项目依据的强制性标准要求时,应按照强制性标准要求判定。若被检产品明示的质量要求低于或包含本细则中检验项目依据的推荐性标准要求时,应以被检产品明示的质量要求判定。若被检产品明示的质量要求缺少本细则中检验项目依据的强制性标准要求时,应按照强制性标准要求判定。若被检产品明示的质量要求缺少本细则中检验项目依据的推荐性标准要求时,该项目不参与判定,但应在检验报告备注中进行说明。4检验注意事项4.1安全帽安全帽不具有防静电性能或侧向刚性特殊功能,不做此项。防静电性能根据GB2811-200

5、7标准是选择项,不具有防静电性能安全帽不做此项,防静电安全帽表面电阻率不大于1X109。防静电性能根据GB2811-2019标准是选择项,不具有防静电性能安全帽不做此项,防静电安全帽表面电阻应为IXlOSQIxlOIDQ。侧向刚性根据GB2811-2007标准是选择项,不具有侧向刚性安全帽不做此项,侧向刚性安全帽最大变形不超过40mm,残余变形不超过15mm,帽壳不得有碎片脱落。侧向刚性根据GB2811-2019标准是选择项,不具有侧向刚性安全帽不做此项,侧向刚性安全帽最大变形不应大于40mm,残余变形不应大于15mm,帽壳不得有碎片脱落。4.2安全绳调节扣滑移性能根据GB24543-2009标准是选择项,非可调安全绳不做此项。可调安全绳调节扣滑移不应大于25mm。动态力学性能根据GB24543-2009标准是选择项,非坠落悬挂可调安全绳不做此项。坠落悬挂可调安全绳应无撕裂和破断。耐腐蚀性能根据GB24543-2009标准是选择项,无金属件不做此项。金属件上应无肉眼可见铁锈或其他明显腐蚀痕迹,允许有白斑。

展开阅读全文
相关资源
猜你喜欢
相关搜索

当前位置:首页 > 行业资料 > 国内外标准规范

copyright@ 2008-2023 1wenmi网站版权所有

经营许可证编号:宁ICP备2022001189号-1

本站为文档C2C交易模式,即用户上传的文档直接被用户下载,本站只是中间服务平台,本站所有文档下载所得的收益归上传人(含作者)所有。第壹文秘仅提供信息存储空间,仅对用户上传内容的表现方式做保护处理,对上载内容本身不做任何修改或编辑。若文档所含内容侵犯了您的版权或隐私,请立即通知第壹文秘网,我们立即给予删除!