分布式光伏发电典型设计方案.docx

上传人:p** 文档编号:687009 上传时间:2024-01-12 格式:DOCX 页数:8 大小:125.32KB
下载 相关 举报
分布式光伏发电典型设计方案.docx_第1页
第1页 / 共8页
分布式光伏发电典型设计方案.docx_第2页
第2页 / 共8页
分布式光伏发电典型设计方案.docx_第3页
第3页 / 共8页
分布式光伏发电典型设计方案.docx_第4页
第4页 / 共8页
分布式光伏发电典型设计方案.docx_第5页
第5页 / 共8页
分布式光伏发电典型设计方案.docx_第6页
第6页 / 共8页
分布式光伏发电典型设计方案.docx_第7页
第7页 / 共8页
分布式光伏发电典型设计方案.docx_第8页
第8页 / 共8页
亲,该文档总共8页,全部预览完了,如果喜欢就下载吧!
资源描述

《分布式光伏发电典型设计方案.docx》由会员分享,可在线阅读,更多相关《分布式光伏发电典型设计方案.docx(8页珍藏版)》请在第壹文秘上搜索。

1、分布式光伏发电典型设计方案分布式项目的接入方案由电网公司免费提供。为此,国家电网完成了分布式项目的典型方案设计。1、设计范围及内容分布式光伏发电接入系统典型设计(以下简称典型设计)设计范围为:IOkV及以下电压等级接入电网,且单个并网点总装机容量小于6兆瓦。典型设计根据接入电压等级、运营模式和接入点不同,共划分8个单点接入系统方案,5个多点接入系统方案。每个典型设计方案内容包括接入系统一次、系统继电保护及安全自动装置、系统调度自动化、系统通信、计量与结算的相关方案设计。2、设计思路1、单点接入方案划分按照接入电压等级,分为接入IokV、380/220V两类。按照接入位置,分为接入变电站/配电室

2、/箱变、开闭站/配电箱、环网柜和线路四类。按照接入方式,分为专线接入和T接两类。按照接入产权,分为接入用户电网和接入公共电网两类。2、多点接入方案组合考虑单个项目多点接入用户电网,或多个项目汇集接入公共电网情况,设计多点接入组合方案。按照接入电压等级,分为多点接入380V组合方案、多点接入IOkV组合方案、多点接入IokV/38OV组合方案三类。按照接入产权,分为接入单一用户组合方案、接入公共电网组合方案两类。3、计量点设置对于接入用户电网,计量点设置分为两类,一是装设双向关口计量电能表,用户上、下网电量分别计量;另一类装设发电量计量电能表,用于发电量和电价补贴计量。对于接入公共电网,计量点设

3、置在产权分界点处,装设发电量计量电能表,用于电量计量和电价补偿。4、防孤岛检测和保护分布式光伏发电系统逆变器必须具备快速主动检测孤岛,检测到孤岛后立即断开与电网连接的功能。接入IOkV的分布式光伏发电项目,形成双重检测和保护策略。380V电压等级由逆变器实现防孤岛检测和保护功能,但在并网点应安装易操作,具有明显开断指示的开断设备。5、通信方式根据配电网区域发展差异,按照降低接入系统投资和满足配网智能化发展的要求考虑通信方式。优先利用现有配网自动化系统和营销集抄系统通信。6、发电系统信息采集接入IOkV的项目,采集电源并网状态、电流、电压、有功、无功、发电量等电气运行工况。接入380V的项目,暂

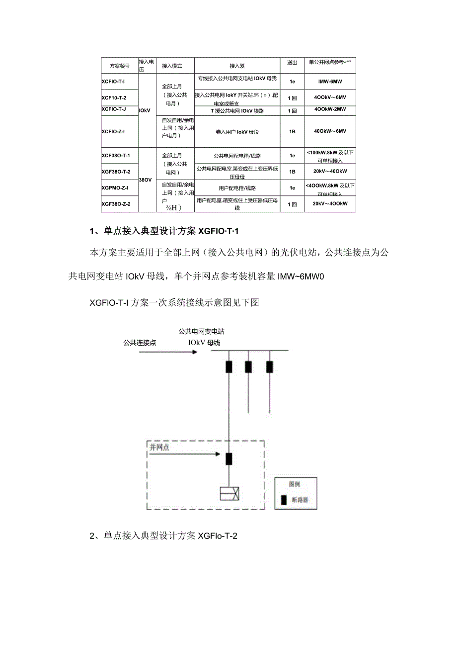
4、只采集电能信息,预留并网点断路器工位等信息采集的能力。3、设计方案(一)单点接入方案方案餐号接入电压接入模式接入笈送出单公并网点参考*XCFlO-T-IIOkV全部上月(接入公共电月)专线接入公共电网支电站IOkV母我1eIMW-6MWXCF10-T-2接入公共电网IokY开关站.环().配电室或籍支1回4OOkV6MVXCFIO-T-JT援公共电网IOkV埃路1回4OOkW-2MWXCFlO-Z-I自发自用/余电上同(接入用户电月)卷入用户IokV母段1B40OkW6MVXCF38O-T-138OV全部上月(接入公共电网)公共电网配电箱/线路1e100kW.8kW及以下可单相接入XGF38O

5、-T-2公共电网配电室.第变或在上变压界低压母母1B20kV40OkWXGPMO-Z-I自发自用/余电上网(接入用户H)用户配电箝/线路1e4OOkW.8kW及以下可单相接入XGF38O-Z-2用户配电篁.箱变或住上受压器低压母线1回20kV4OOkW1、单点接入典型设计方案XGFlOT1本方案主要适用于全部上网(接入公共电网)的光伏电站,公共连接点为公共电网变电站IOkV母线,单个并网点参考装机容量IMW6MW0XGFlO-T-I方案一次系统接线示意图见下图公共电网变电站公共连接点IOkV母线2、单点接入典型设计方案XGFlo-T-2本方案主要适用于全部上网(接入公共电网)的光伏电站,公共连

6、接点为公共电网开关站、环网室(箱)、配电室或箱变IOkV母线,单个并网点参考装机容量400kW-6MWoXGF10-T-2方案一次系统接线示意图见下图公m皂is,修Lt!IIHaI3、单点接入典型设计方案XGFlO-T-3本方案主要适用于全部上网(接入公共电网)的光伏电站、公共连接点为公共电网IOkV线路T接点,单个并网点参考装机容量40OkWGMWoXGF10-T-3方案一次系统接线示意图见下图公共电M变电站IQ啤线公共电网1Q线珞主干线公共连接点并网点a4、单点接入典型设计方案XGFlO-Z-I本方案主要适用于自发自用/余量上网(接入用户电网)的光伏电站,单个并网点参考装机容量40OkW6

7、MW。XGFlO-Z-I方案一次系统有两个子方案。子方案一接线示意图见公共连接点公共电网支电站I0kVf*5忸户内部负荷一并网点;b用户进线开关用户IokV开关站、环网本(箱)、配电室或箱变图例g融路器断路;B/负荷开关子方案二接线示意图见图5、单点接入典型设计方案XGF380-T-l本方案主要适用于全部上网(接入公共电网)的光伏电站,公共连接点为公共电网配电箱或线路,单个并网点参考装机容量不大于100kW,采用三相接入;装机容量8kW及以下,可采用单相接入。XGF380-T-1方案一次系统接线示意图见下图本方案主要适用于全部上网(接入公共电网)的光伏电站,公共连接点为公共电网配电室、箱变或柱

8、上变压器低压母线,单个并网点参考装机容量20kW400kW0XGF380-T-2方案一次系统接线示意图见下图公共连接点.公共电网配电箱380V母线并网点并网逆变器II图例断路器口断路器作处主7、单点接入典型设计方案XGF380-Z-1方案一接线示意图方案二接线示意图本方案主要适用于自发自用/余量上网(接入用户电网)的光伏电站,单个并网点参考装机容量不大于400kW,采用三相接入;装机容量8kW及以下,可采用单相接入。XGF380-Z-1方案一次系统有两个方案8、单点接入典型设计方案XGF380-Z-2本方案主要适用于接入用户电网的光伏电站,单个并网点参考装机容量20kW400kW0XGF380-Z-2方案一次系统接线示意图

展开阅读全文
相关资源
猜你喜欢
相关搜索

当前位置:首页 > 建筑/环境 > 设计及方案

copyright@ 2008-2023 1wenmi网站版权所有

经营许可证编号:宁ICP备2022001189号-1

本站为文档C2C交易模式,即用户上传的文档直接被用户下载,本站只是中间服务平台,本站所有文档下载所得的收益归上传人(含作者)所有。第壹文秘仅提供信息存储空间,仅对用户上传内容的表现方式做保护处理,对上载内容本身不做任何修改或编辑。若文档所含内容侵犯了您的版权或隐私,请立即通知第壹文秘网,我们立即给予删除!