大门施工技术交底.docx

上传人:p** 文档编号:687598 上传时间:2024-01-12 格式:DOCX 页数:3 大小:62.26KB
下载 相关 举报
大门施工技术交底.docx_第1页
第1页 / 共3页
大门施工技术交底.docx_第2页
第2页 / 共3页
大门施工技术交底.docx_第3页
第3页 / 共3页
亲,该文档总共3页,全部预览完了,如果喜欢就下载吧!
资源描述

《大门施工技术交底.docx》由会员分享,可在线阅读,更多相关《大门施工技术交底.docx(3页珍藏版)》请在第壹文秘上搜索。

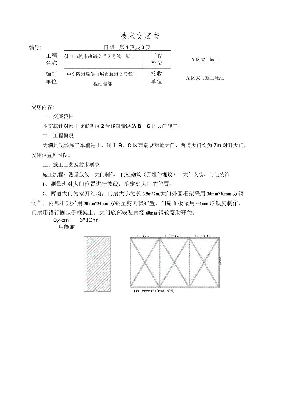
1、技术交底书编号:日期:第1页共3页工程名称佛山市城市轨道交通2号线一期工程部位A区大门施工编制单位中交隧道局佛山城市轨道2号线工程经理部接收单位A区大门施工班组交底内容:一、交底范围本交底针对佛山城市轨道2号线魁奇路站B、C区大门施工。二、工程概况为满足现场施工车辆进出,现于B、C区西端设两道大门,两道大门均为7m对开大门,安装位置见附图。三、施工工艺及技术要求施工流程:测量放线一大门制作一门柱砌筑(预埋件埋设)一大门安装、门柱装饰1、测量班对大门位置进行放线,确定好大门的位置。2、两道大门为双开结构,门扇大小为长3.5m*2m,大门外圈框架采用30mm*30mm方钢制作,内部框架采用30mm

2、*30mm方钢呈剪刀状布置,门扇面板采用0.4mm厚铁皮制作,门扇用锚钉固定于框架上,大门底部安装直径60mm钢轮帮助开关。0,4cm3*3Cnn用能旅zzzzzz33+3cm 方制1, Ccm1 ?CCm1,C)Cm .Eoooz技术交底书编号:日期:第2页共3页工程名称佛山市城市轨道交通2号线一期工程工程部位A区大门施工制位编单中交隧道局佛山城市轨道2号线工程经理部接收单位A区大门施工班组交底内容:4、大门门柱截面尺寸为400X400mm,高为220Omnb采用砖砌结构,砌筑时必须保证水平度和垂直度,门柱内预埋Iomm厚钢板,钢板上安装门轴。门轴预埋示意图技术交底书编号:日期:第3页共3页工程名称佛山市城市轨道交通2号线一期工程工程部位A区大门施工制位编单中交隧道局佛山城市轨道2号线工程经理部接收单位A区大门施工班组交底内容:5、大门安装好后,对所有焊点处进行防腐处理,刷防锈漆三遍,对大门进行清理,清理干净后,对大门的面层、反面按照要求进行蓝色喷漆装饰。门柱采用用水泥砂浆抹面后粉刷白色涂料,抹面应光滑、洁净、接搓平整。四、质量控制措施1、所有材料均应有合格证及检验报告。2、大门安装应保证垂直度与水平位置。3、砖砌体砌筑时保证上下错缝,无通缝。4、大门门扇平整美观。交底人复核审核接收人

展开阅读全文
相关资源
猜你喜欢
相关搜索

当前位置:首页 > 建筑/环境 > 施工组织

copyright@ 2008-2023 1wenmi网站版权所有

经营许可证编号:宁ICP备2022001189号-1

本站为文档C2C交易模式,即用户上传的文档直接被用户下载,本站只是中间服务平台,本站所有文档下载所得的收益归上传人(含作者)所有。第壹文秘仅提供信息存储空间,仅对用户上传内容的表现方式做保护处理,对上载内容本身不做任何修改或编辑。若文档所含内容侵犯了您的版权或隐私,请立即通知第壹文秘网,我们立即给予删除!