实验力学实验报告.docx

上传人:p** 文档编号:687911 上传时间:2024-01-12 格式:DOCX 页数:7 大小:84.59KB
下载 相关 举报
实验力学实验报告.docx_第1页
第1页 / 共7页
实验力学实验报告.docx_第2页
第2页 / 共7页
实验力学实验报告.docx_第3页
第3页 / 共7页
实验力学实验报告.docx_第4页
第4页 / 共7页
实验力学实验报告.docx_第5页
第5页 / 共7页
实验力学实验报告.docx_第6页
第6页 / 共7页
实验力学实验报告.docx_第7页
第7页 / 共7页
亲,该文档总共7页,全部预览完了,如果喜欢就下载吧!
资源描述

《实验力学实验报告.docx》由会员分享,可在线阅读,更多相关《实验力学实验报告.docx(7页珍藏版)》请在第壹文秘上搜索。

1、实验力学实验报告姓名:耿臻岑学号:130875指导老师:郭应征实验一薄壁圆管弯扭组合应力测定实验一、实验目的1、用应变花测定薄壁圆管在弯扭条件下一点处的主应力和主方向2、测定薄壁圆管在弯扭组合条件下的弯矩、扭矩和剪力等内力3、进一步熟悉和掌握不同的桥路接线方法4、初步了解在组合变形情况下测量某一内力对应应变的方法二、实验设备1、电阻应变仪YJ-282、薄壁圆管弯扭组合装置,见图1-1本次实验以铝合金薄壁圆管EC为测试对象,圆管一段固定,另一端连接与之垂直的伸臂AC,通过旋转家里手柄将集中荷载施加在伸臂的另一端,由力传感器测出力的大小。荷载作用在伸臂外端,其作用点距圆通形心为b,圆通在荷载F作用

2、下发生弯扭组合变形。要测取圆筒上B截面(它到荷载F作用面距离为L)处各测点的主应力大小和方向。试样弹性模量E=72GPa,泊松比P=O.33,详细尺寸如表1-1图1-1薄壁圆筒弯扭组合装置表1-1试样参数表外径D(mm)内径d(mm)b(mm)L(mm)4034200300三、实验原理1、确定主应力和主方向平面应力状态下任一点的应力有三个未知数(主应力大小及方向应用电阻应变仪应变花可测的一点沿不同方向的三个应变值,如图12所示的三个方向的应变。根据这三个应变值可以计算出主应变的大小和方向。因而主应力的方向也可确定(与主应变方向重合)图1-2应变花示意图图13B、D点贴片位置示意图2、测定弯矩在

3、靠近固定端的下外表D上,粘一个与点B相同的应变花,如图13所示。将B点的应变片和D点的应变片,采用双臂测量接线法(自补偿半桥接线法),得:图1-4测点A贴片位置示意图3、测定扭矩当圆管受扭转时,A点的应变片和C点的应变片中45和-45都沿主应力方向,示意图如图1-4,但两点的主应力大小却不相同,由于圆管是薄壁结构,不能忽略由剪力产生的弯曲切应力。A点的应变片扭转切应力与弯曲切应力的方向相同,故切应力相加;C点的应变片扭转切应力与弯曲切应力的方向相反,故切应力相减。由应力-应变关系(按四臂测量接线法)可以得到:4、测定剪力原理与测扭矩相同,也采用A、C点的应变片,由应力-应变关系得到:四、实验数

4、据1、A点的主应力测量应变载荷AA-45O045-45O045P(N)AP(N)C(赋)(附C(e)(e)(e)()(e)c(M)C(限)Ae(e)50000000100772-73762-72150772-73762-72100771-72781-742501543-1451543-146100771-73761-713502314-2182304-217100772-71772-724503086-2893076-289AC幽(网772、C点的主应力测量应变戴荷、CC-45O045-45O045P(N)P(N)(闽(从)(国()(M)(N)(陶(阈(附(c)()5000000010045-

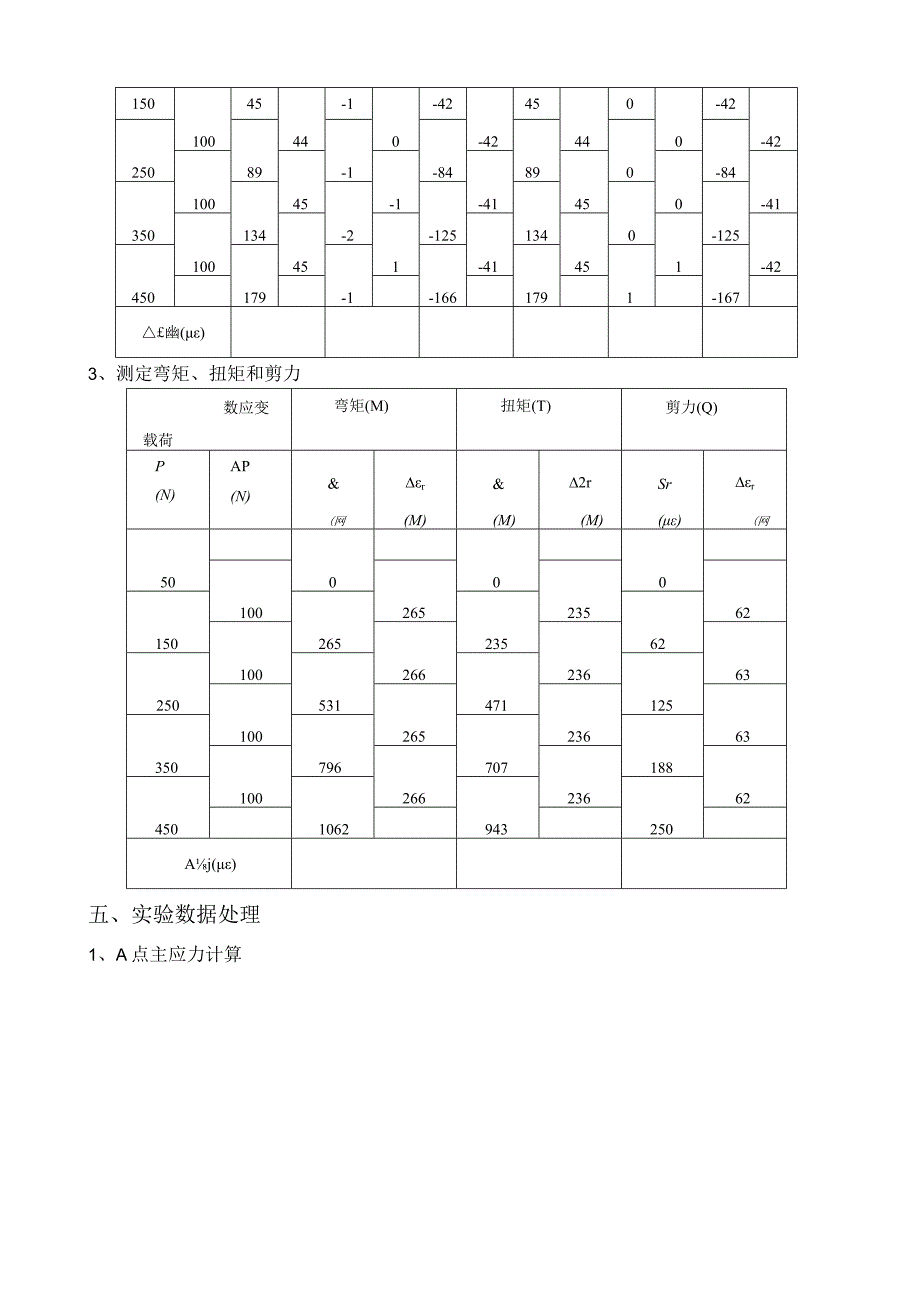
5、1-42450-421501004544-10-42-42454400-42-4225089-1-84890-8410045-1-41450-41350134-2-1251340-125100451-41451-42450179-1-1661791-167幽()3、测定弯矩、扭矩和剪力数应变载荷弯矩(M)扭矩(T)剪力(Q)P(N)AP(N)&(网r(M)&(M)2r(M)Sr()r(网5000010026523562150265235621002662366325053147112510026523663350796707188100266236624501062943250Aj()五、实验

6、数据处理1、A点主应力计算综 f = 76.88 J2.25 +当却76.88-1.5)? + (-72.25 -1.5 76.88-0 )2 = 7688-72.25 一显X J(76.88-1.5)、+ (-72.25-1.5)? -72.25tan 2an =zfcO fc45-72.25-76.88 (2x1.5-76.88 + 72.25-459L5% a 44.97E /、72109105=匚/(4+2)= 0.33E f、7210910%=可(i)=I).2、C点主应力计算(76.88 - 0.33 72.25) 429MPax(-72.25 + 0.33x76.88) -3.7

7、9MPa-454 1q )2 = -41 6; 44.8 + 与X (44.8-0)2+(-41.6-0)2 44.83 )2 =4l6 + 44.8 WXJ(44 8-0f+(-4L6-0)2 -41.63tan 20 =Ie-f zo ,-416-448 273、弯晨 20-44.8 + 41.6a0 43.94=rJ 佃+邑)=%=rJ(+与)=1一721091061-0.33272x1091061-0.33?(44.83-0.33 41.63) 2.51 Mpa(-41.63 + 0.33 44.83)-2.1 IMpa矩、扭矩和剪力计算六、误差分析1、理论解A点:C占.B点:D点:2

8、、实验值与理论值比拟比拟内容实验值理论值相对误差()A点主应力C点主应力弯矩30扭矩20剪力100经计算发现,主应力、弯矩和扭矩的测量结果与理论值相近,误差较小。而剪力的误差较大,误差可能由以下几个方面的原因引起:(1)加载不均匀,造成读书误差(2)实验前电桥不平衡,仪器长时间使用,使电桥电压稳定性下降,影响精度(3)贴片角度偏差和位置偏差(4)系统误差,如应变片灵敏系数误差等。实验二应变片的粘贴技术实验一、实验目的1、了解应变片的结构、规格、用途等2、学会设计布置应变片方案3、掌握选片、打磨、粘贴、接线、固定、防护等操作工艺和技术二、实验设备及器材试件、应变片、砂布、镜子、丙酮、药棉、502

9、胶水、玻璃纸等三、实验原理1、电阻应变片工作原理是基于金属导体的应变效应,即金属导体在外力作用下发生机械变形时,其电阻值随着所受机械变形(伸长或缩短)的变化而发生变化。2、当试件受力在该处沿电阻丝方向发生线变形时,电阻丝也随着一起变形(伸长或缩短),因而使电阻丝的电阻发生改变(增大或缩小)。四、实验步骤1、对被测量试件进行打磨:实验目确实定后,对该试样测量点进行外表处理,用砂布打磨,打磨方向为轴向45度十字交叉,目的是增加贴片粘接强度,要求测量点平整光滑,无凹凸现象。2、清洗:构件打磨后,需要进一步清理外表灰尘,用棉球沾酒精或丙酮进行清洗,到达构件外表无灰、无油、无锈、无斑点。3、画线:测量位

10、置点确定后,用划针画出定位线,画线位置的准确度,直接和贴片、数据采集紧密相连。4、筛选:应变片的筛选在桥路中起着重要的作用。无论是全桥、半桥还是并联或串联在桥路中,要满足电桥的平衡条件,提高数据测量精度,贴片之前对应变片的电阻阻值,灵敏系数要认真筛选,一般常用的应变片为120QQ。5、上胶:应变片粘贴技术在电测实验中是非常重要的环节,片子粘贴质量的上下,直接和实验测量结果紧密相连。特别是通过验证性实验,可以检验出贴片技术水平的能力,因此,贴片技术在电测中起着重要的作用。6、粘贴:将事先选择好的应变片按画线要求指定的位置粘贴应变片,要求到达胶层薄面均匀,并且要粘贴牢固。用拇指按一个方向滚压应变片

11、,把多余的胶及气泡挤压出来,然后保压两分钟,自然枯燥24小时即可使用。7、绝缘:焊接应变片之前,应变片的引线与试样之间要进行绝缘,采用绝缘胶带或其他绝缘材料。8、焊接:焊接应变片之前,应变片的引线与试样之间要进行绝缘,采用绝缘胶带或其他绝缘材料。在焊接导线过程中,手动作要轻,焊接速度要快,焊接点小,要光滑,防止虚焊,确保质量。五、实验考前须知1、在选电阻片和粘贴的过程中,不要用手接触片身,要用镜子夹取引线。2、清洗后的被测点不要用手接触,已防粘上油渍和汗渍。3、固化的电阻片及引线要用防潮剂(石蜡、松香)或胶布防护。实验三冲击应力及动荷系数一、实验目的在工程实践中经常会遇到动荷载问题,在动荷载作

12、用下构件各点的应力应变与静载荷作时有很大的不同。按照加载速度的不同,动载荷形式也不同,在极短的时间内以很大的速度作用在构件的载荷,成为冲击载荷,它是一种常见的动载荷形式。由冲击载荷作用而产生的应力成为冲击应力,它比静应力大得多。因此,对于锻造、冲击、凿岩等承受冲击力的构件,冲击应力是设计中应考虑的主要问题。本实验就是运用实验的方法测得冲击应力及动荷系数,同时学习了解应力的电测原理、方法及仪器使用,学习动态电阻应变仪和计算机数据采集系统的使用方法和动态测量数据的分析方法。二、实验设备1、落锤式冲击实验装置,动态电阻应变仪,计算机数据采集系统2、动态电阻应变仪、Nl数据采集系统3、等强度梁及重物冲击实验装置4、游标卡尺和卷尺三、实验原理及装置本实验采用等强度梁,在等强度梁端部受到重物m在高度H处自由落下的冲击作用。由理论可知发生冲击弯曲时,最大动载应力,按下式确定Ga=K,%max,其中动荷系数Kd为K=+J+y不考虑梁的质量)图1-1等强度梁尺寸在等强度梁上下外表贴上互为补偿的四片应变片,用导线接入动态电阻应变仪及计算机数据采集系统。将重物m静止放在梁上可测到同一点的静应变盯。重物m从H高度落下冲击等强度梁时,测点的动应变为皿将通过动态电阻应变仪和NI数据采集系统记录下来。动荷系数实测值为KdCe=%图12实验装置图四、实验步骤1、记录等强度梁的几何尺寸、材料的弹性模

展开阅读全文
相关资源
猜你喜欢
相关搜索

当前位置:首页 > 高等教育 > 工学

copyright@ 2008-2023 1wenmi网站版权所有

经营许可证编号:宁ICP备2022001189号-1

本站为文档C2C交易模式,即用户上传的文档直接被用户下载,本站只是中间服务平台,本站所有文档下载所得的收益归上传人(含作者)所有。第壹文秘仅提供信息存储空间,仅对用户上传内容的表现方式做保护处理,对上载内容本身不做任何修改或编辑。若文档所含内容侵犯了您的版权或隐私,请立即通知第壹文秘网,我们立即给予删除!