05CuPCrNi耐候钢性能、成分分析.docx

上传人:p** 文档编号:693220 上传时间:2024-01-16 格式:DOCX 页数:1 大小:6.92KB
下载 相关 举报
05CuPCrNi耐候钢性能、成分分析.docx_第1页
第1页 / 共1页
亲,该文档总共1页,全部预览完了,如果喜欢就下载吧!
资源描述

《05CuPCrNi耐候钢性能、成分分析.docx》由会员分享,可在线阅读,更多相关《05CuPCrNi耐候钢性能、成分分析.docx(1页珍藏版)》请在第壹文秘上搜索。

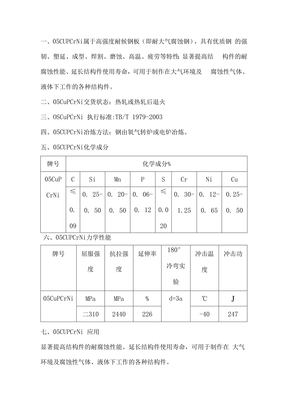
一、05CUPCrNi属于高强度耐候钢板(即耐大气腐蚀钢),具有优质钢 的强韧、塑延、成型、焊割、磨蚀、高温、疲劳等特性;显著提高结 构件的耐腐蚀性能、延长结构件使用寿命,可用于制作在大气环境及 腐蚀性气体、液体下工作的各种结构件。二、05CuPCrNi交货状态:热轧或热轧后退火三、OSCuPCrNi 执行标准:TB/T 1979-2003四、05CUPCrNi冶炼方法:钢由氧气转炉或电炉冶炼。五、05CUPCrNi化学成分牌号化学成分%05CuPCrNiCSiMnPSCrNiCu0.090. 25-0. 500. 20-0. 500. 06-0. 120.0200. 30-1.250. 12-0. 650.25-0. 50六、05CUPCrNi力学性能牌号屈服强度抗拉强度延伸率180冷弯实验冲击温度冲击功05CuPCrNiMPaMPa%d=3aJ二3102440226-40247七、05CUPCrNi 应用显著提高结构件的耐腐蚀性能、延长结构件使用寿命,可用于制作在 大气环境及腐蚀性气体、液体下工作的各种结构件。

展开阅读全文
相关资源
猜你喜欢
相关搜索

当前位置:首页 > 汽车/机械/制造 > 工程材料

copyright@ 2008-2023 1wenmi网站版权所有

经营许可证编号:宁ICP备2022001189号-1

本站为文档C2C交易模式,即用户上传的文档直接被用户下载,本站只是中间服务平台,本站所有文档下载所得的收益归上传人(含作者)所有。第壹文秘仅提供信息存储空间,仅对用户上传内容的表现方式做保护处理,对上载内容本身不做任何修改或编辑。若文档所含内容侵犯了您的版权或隐私,请立即通知第壹文秘网,我们立即给予删除!