1,3丁二烯的安全技术说明书.docx

上传人:p** 文档编号:693324 上传时间:2024-01-16 格式:DOCX 页数:4 大小:14.78KB
下载 相关 举报
1,3丁二烯的安全技术说明书.docx_第1页
第1页 / 共4页
1,3丁二烯的安全技术说明书.docx_第2页
第2页 / 共4页
1,3丁二烯的安全技术说明书.docx_第3页
第3页 / 共4页
1,3丁二烯的安全技术说明书.docx_第4页
第4页 / 共4页
亲,该文档总共4页,全部预览完了,如果喜欢就下载吧!
资源描述

《1,3丁二烯的安全技术说明书.docx》由会员分享,可在线阅读,更多相关《1,3丁二烯的安全技术说明书.docx(4页珍藏版)》请在第壹文秘上搜索。

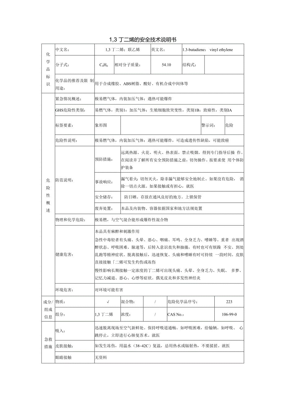
1、1,3 丁二烯的安全技术说明书化 学 品 标 识中文名:1,3 丁二烯;联乙烯英文名:1.3-butadiene: vinyl ethylene分子式:C4H6相对分子质量:54.10结构式:化学品的推荐及限 制用途:用于合成橡胶、ABS树脂、酸好、有机合成中间体等危 险 性 概 述紧急情况概述:极易燃气体,内装加压气体:遇热可能爆炸GHS危险性类别:易燃气体,类别1:加压气体;生殖细胞致突变性,类别1B;致癌性,类别IA标签要素:象形图警示词:危险危险性说明:极易燃气体,内装加压气体:遇热可能爆炸,可造成遗传性缺陷,可能致癌防范说明:预防措施:远离热源、火花、明火、热表面。禁止吸烟。得到专门

2、指导后操 作。在阅读并了解所有安全预防措施之前,切勿操作。按要求使 用个体防护装备事故响应:漏气着火:切勿灭火,除非漏气能够安全地制止。如果没有危险, 消除一切点火源。如果接触或有担心,就医安全储存:防日晒。存放在通风良好的地方。上锁保管废弃处置:本品及内装物、容器依据国家和地方法规处置物理和化学危险:极易燃,与空气混合能形成爆炸性混合物健康危害:本品具有麻醉和刺激作用急性中毒轻者有头痛、头晕、恶心、咽痛、耳鸣、全身乏力、嗜睡等。重者 出现酒醉状态、呼吸困难、脉速等,后转入意识丧失和抽搐,有时也可有烦躁 不安、到处乱跑等精神症状。脱离接触后,迅速恢复。头痛和嗜睡有时可持续 一段时间。皮肤直接接

3、触二烯可发生灼伤或冻伤慢性影响长期接触一定浓度的丁二烯可出现头痛、头晕、全身乏力、失眠、 多梦、记忆力减退、恶心、心悸等症状。偶见皮炎和多发性神经炎环境危害:对环境可能有害成分/ 组成 信息物质:混合物:/危险化学品序号:223组分:1,3 丁二烯浓度:/CAS No.:106-99-0急救 措施吸入:迅速脱离现场至空气新鲜处。保持呼吸道通畅。如呼吸困难,给输辆。如呼吸、 心跳停止,立即进行心肺复苏术。就医皮肤接触:如发生冻伤,用温水(3842C)复温,忌用热水或辐射热,不要揉搓。就医眼睛接触无资料食入:无资料对保护施救者的忠 告:根据需要使用个人防护设备对医生的特别提示:对症处理消防 措施灭

4、火剂:灭火剂用雾状水、泡沫、二氧化碳、干粉灭火特别危险性:遇高热,可发生聚合反应,放出大量热量而引起容器破裂和爆炸事故。气体比 空气重,沿地面扩散并易积存于低洼处,遇火源会着火回燃。燃烧生成有害的 一氧化碳灭火注意事项及防 护措施:切断气源。若不能切断气源,则不允许熄灭泄漏处的火焰。消防人员必须佩蛾 空气呼吸器、穿全身防火防毒服,在上风向灭火。尽可能直至灭火结束泄漏 应急 处理作业人员防护措施、 防护装备和应急处 置程序:消除所有点火源。根据气体的影响区域划定警戒区,无关人员从侧风、上风向 撤离至安全区。建议应急处理人员戴正压自给式呼吸器,穿防静电服。作业时 使用的所有设备应接地。尽可能切断泄

5、漏源。喷雾状水抑制蒸气或改变蒸气云 流向,避免水流接触泄漏物。禁止用水直接冲击泄漏物或泄漏源环境保护措施:防止气体通过下水道、通风系统和有限空间扩散泄漏化学品的收容、 清除方法及所使用 的处置材料:隔离泄漏区直至气体散尽操作 处置与储 存操作注意事项:密闭操作,全面通风。操作人员必须经过专门培训,严格遵守操作规程。建议 操作人员佩戴自吸过滤式防毒面具(半面罩),戴化学安全防护眼镜,穿防静 电工作服。远离火种、热源。工作场所严禁吸烟。使用防爆型的通风系统和设 备。防止气体泄漏到工作场所空气中。避免与氧化剂、卤素接触。在传送过程 中,钢瓶和容器必须接地和跨接,防止产生静电。搬运时轻装轻卸,防止钢瓶

6、 及附件破损。配备相应品种和数量的消防器材及泄漏应急处理设备储存注意事项:储存于阴凉、通风的易燃气体专用库房。远离火种、热源。库温不宜超过30Cc 应与氧化剂、卤素等分开存放,切忌混储。采用防爆型照明、通风设施。禁止 使用易产生火花的机械设备和工具。储区应备有泄漏应急处理设备接触 控制/ 个体 防护职业接触限值:中国 PC-TWA: 5mgm3G2A美国(ACGIH) TLV-TWA: 2ppm生物接触限值:未制定标准监测方法:空气中有毒物质测定方法:溶剂解吸气相谱法。生物监测检验方法:未制定标 准工程控制:生产过程密闭,全面通风个体防护装备:呼吸系统防护一般不需要特殊防护,高浓度接触可佩戴过

7、滤式防毒面具(半面 羊)眼睛防护必要时,戴化学安全防护眼镜皮肤和身体防护穿防静电工作服手 防护戴一般作业防护手套理 化 特 性外观与性状:轻微芳香味无色气体PH值:无意义熔点():-108.9沸点(C):-4.4相对密度(水=1):0.62相对蒸汽密度(空 气=I):1.87饱和蒸气压(kPa):245.27 (21 C)燃烧热(kJmol):-2541.0临界温度(C):161.8临界压力(MPa):4.33辛醇/水分配系数:1.99闪点(C):-76自燃温度(C):415分解温度(C):无资料爆炸下限():1.1爆炸上限():16.3黏度(mPas):0.25 (OeC)溶解性:不溶于水,

8、溶于丙酮、苯、乙酸、酯等多数有机溶剂稳定 性和 反应 性稳定性:稳定危险反应:与强氧化剂、卤素等禁配物接触,有发生火灾 和爆炸的危险避免接触的条件:受热、光照禁配物:强氧化剂、卤素、乳、铜合金、酸类危险的分解产物:无资料毒 理 学 信 息急性毒性:LD5O 5480mgkg (大鼠经口); 32 IOmgZkg (小鼠经口)LC5O 285000mgm3 (大鼠吸入,4h) ; 259ppm (小鼠吸入,7h)皮肤刺激或腐蚀:无资料眼睛刺激或腐蚀:无资料呼吸或皮肤过敏:无资料致癌性:IARC:组1,确认人类致癌物生殖毒性:大鼠孕后615d吸入最低中毒剂量(TCLO) 8000ppm (6h),

9、致肌肉骨骼系 统发育崎形。大鼠吸入最低中毒浓度(TCLo) : 8000ppm (6h)(孕后6 15d),对胎鼠骨骼、肌肉有影响生殖细胞突变性:微生物致突变性:鼠伤寒沙门氏菌2pph0姐妹染色单体交换:人淋巴细胞 500molL吸入危害:无资料特异性靶器官系统毒性一次接触:无资料特异性靶器官系统 毒性-反复接触:家兔,用20%25%的麻醉浓度,每天麻醉8IOmin,每周45次,23周,未发现病变。小鼠吸入30mgr3, 81d出现造血功能亢进,吞噬反应增强,心肌和肾脏轻度退化变性等生 态 学 信 息生态毒性:LC5o: 25mgL (96h)(蓝鲤太阳鱼):50mgL (96h)(黑头呆鱼)

10、:2ImgZL (96h)(斑猫绘);22mgL (96h)(虹樊鱼)EC50: 25mgL (96h)(水蚤)持久性和降解性:生物降解性无资料非生物降解性水中光氧化半衰期(h) : 120048000;空气中光氧化半衰期(h) : 0.767.8潜在的生物累积性:根据KoW值预测,该物质的生物累积性可能较弱土壤中的迁移性:根据KOC值预测,该物质可能易发生迁移废 弃 处 置废弃化学品:用焚烧法处置污染包装物:将容器返还生产商或按照国家和地方法规处置废弃注意事项:处置前应参阅国家和地方有关法规运 输 信 息联合国危险货物编 号(UN号):1010联合国运输名称:丁二烯,稳定 的联合国危险性类别

11、:2.1包装类别:包装标志:海洋污染物:否运输注意事项:本品铁路运输时限使用耐压液化气企业自备罐车装运,装运前褥报有关部门批 准。采用钢瓶运输时必须戴好钢瓶上的安全帽。钢瓶一般平放,并应将瓶口朝 同一方向,不可交叉:高度不得超过车辆的防护栏板,并用三角木垫卡牢,防 止滚动。运输时运输车辆应配备相应品种和数量的消防器材。装运该物品的车 辆排气管必须配备阻火装置,禁止使用易产生火花的机械设备和工具装卸。严 禁与氧化剂、卤素食用化学品等混装混运。夏季应早晚运输,防止日光曝晒。 中途停留时应远离火种、热源。公路运输时要按规定路线行驶,勿在居民区和 人口稠密区停留。铁路运输时要禁止溜放法 规 信 息下列法律、法规,规章和标准,对该化学品的管理作了相应的规定:中华人民共和国职业病防治法职业病分类和目录:未列入危险化学品安全管理条例危险化学品目录:列入。易制爆危险化学品名录:未列入。重点监管 的危险化学品名录:列入。GB 18218-2018危险化学品重大危险源辨识:(表1)列入。类别: 易燃气体,临界量(I) : 5使用有毒物品作业场所劳动保护条例高毒物品目录:未列入易制毒化学品管理条例易制毒化学品的分类和品种目录:未列入国际公约斯德哥尔摩公约:未列入。鹿特丹公约:未列入。蒙特利尔议定书:未列入

展开阅读全文
相关资源
猜你喜欢
相关搜索

当前位置:首页 > 管理/人力资源 > 工程管理

copyright@ 2008-2023 1wenmi网站版权所有

经营许可证编号:宁ICP备2022001189号-1

本站为文档C2C交易模式,即用户上传的文档直接被用户下载,本站只是中间服务平台,本站所有文档下载所得的收益归上传人(含作者)所有。第壹文秘仅提供信息存储空间,仅对用户上传内容的表现方式做保护处理,对上载内容本身不做任何修改或编辑。若文档所含内容侵犯了您的版权或隐私,请立即通知第壹文秘网,我们立即给予删除!