台账一 企业概况.docx

上传人:p** 文档编号:719029 上传时间:2024-01-23 格式:DOCX 页数:4 大小:39.45KB
下载 相关 举报
台账一 企业概况.docx_第1页
第1页 / 共4页
台账一 企业概况.docx_第2页
第2页 / 共4页
台账一 企业概况.docx_第3页
第3页 / 共4页
台账一 企业概况.docx_第4页
第4页 / 共4页
亲,该文档总共4页,全部预览完了,如果喜欢就下载吧!
资源描述

《台账一 企业概况.docx》由会员分享,可在线阅读,更多相关《台账一 企业概况.docx(4页珍藏版)》请在第壹文秘上搜索。

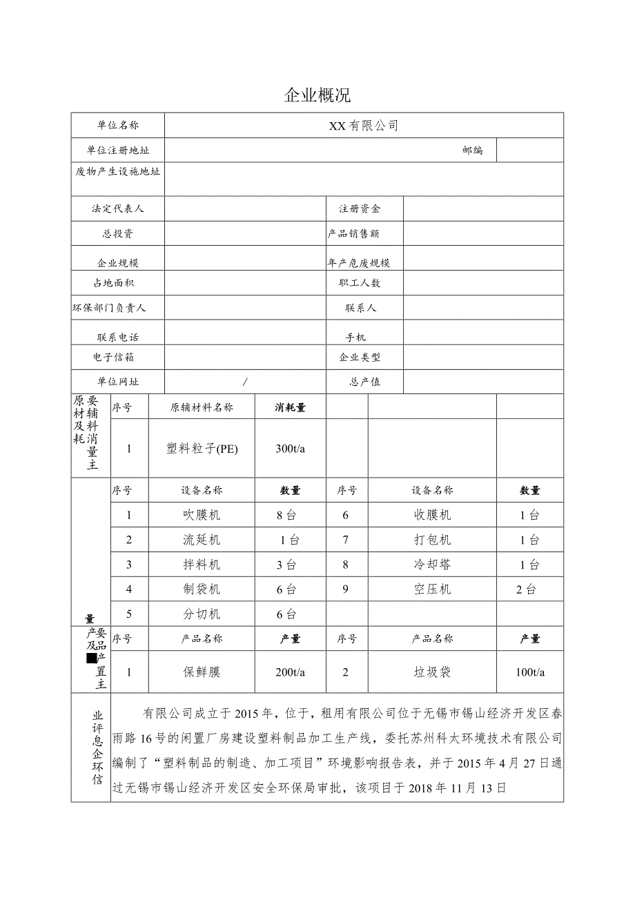
1、企业概况单位名称XX有限公司单位注册地址邮编废物产生设施地址法定代表人注册资金总投资产品销售额企业规模年产危废规模占地面积职工人数环保部门负责人联系人联系电话手机电子信箱企业类型单位网址/总产值要辅料消量主原材及耗序号原辅材料名称消耗量1塑料粒子(PE)300t/a量序号设备名称数量序号设备名称数量1吹膜机8台6收膜机1台2流延机1台7打包机1台3拌料机3台8冷却塔1台4制袋机6台9空压机2台5分切机6台要品产置主产及序号产品名称产量序号产品名称产量1保鲜膜200t/a2垃圾袋100t/a业评息企环信有限公司成立于2015年,位于,租用有限公司位于无锡市锡山经济开发区春雨路16号的闲置厂房建设

2、塑料制品加工生产线,委托苏州科太环境技术有限公司编制了“塑料制品的制造、加工项目”环境影响报告表,并于2015年4月27日通过无锡市锡山经济开发区安全环保局审批,该项目于2018年11月13日通过本项目具体生产工艺流程见图:(1)保鲜膜生产工艺产艺程及艺明 生工流图工说图例:G废气N噪声S固废电加热图1保鲜膜生产工艺流程图工艺流程简述:拌料:外购的塑料粒子(PE)新料通过拌料机混合均匀进入流延机内,本项目使用的原材料塑料粒子均为颗粒状,直径较大,拌料时无粉尘等废气产生。流延成型:将混合均匀的塑料粒子注入流延机内进行流延成型。流延机工作原理:流延膜从主机经模头出来,流延冷却涡轮减速机带动流延辐和

3、冷却辐运动,流延辗通过电加热控制温度,冷却辐内部温度由循环冷却水控制温度,经过渡粗,牵引收卷涡轮减速机带动牵引和收卷装置进行收卷运动,胶辐与钢辐的间隙通过调螺丝调节。流延成型过程中,流延机内塑料熔体温度范围一般控制在16(C18(TC,流延冷却辐的温度控制在2(TC3(TC流延机采用电加热的方式,加热温度低于塑料的分解温度(335。0450。0,因此无分解废气产生,仅产生少量挥发性有机废气(以非甲烷总煌计)Gl-L噪声N1-1。分切:流延成型加工后的塑料薄膜较宽,采用分切机对已经卷好的保鲜膜卷进分切。包装:根据不同产品规格、要求,采用收膜机对其进行包装,包装好的保鲜膜即可出厂,成为成品,此过程

4、产生包装废料S1-1。(2)垃圾袋生产工艺图例:G废气N噪声S固废电加热图2垃圾袋生产工艺流程图工艺说明:金加工:钢材按照设计要求先进行线切割加工,切割成所需的大小,然后在车床、钱床、磨床、钻床进一步进行金加工。金加工过程采用乳化液进行冷却润滑,该乳化液为纯乳化液与自来水以1:20比例配置而成。乳化液在金加工过程中挥发损耗,并定期更换废乳化液。该工序产生金属边角料S2-U废乳化液S22及噪声N2-lo热处理加工:金加工完成的半成品委外进行热处理,热处理后再运至厂内。装配:加工的模具及机械配件各部件通过槽口进行拼接装配,该工序无需焊接。试模:该工序主要针对模具产品。试模是指在完成模具制作后所进行的测试注塑步骤。模具在完成所有配件并装配完毕后,需要通过实际的注塑并得到注塑样品,然后通过样品检测才能确定模具的制作是否完全符合设计要求。如果注塑样品完全符合设计要求则表明模具制作没问题,否则就需要根据样品反馈的问题返回至金加工工序进行模具的改模。检查:加工后的产品人工进行外观的尺寸、平整度检查,符合要求的即为成品。不满足要求的返回金加工工序进行休整,不能休整的作为金属废品S2-3收集。

展开阅读全文
相关资源
猜你喜欢
相关搜索

当前位置:首页 > 经济/贸易/财会 > 资产评估/会计

copyright@ 2008-2023 1wenmi网站版权所有

经营许可证编号:宁ICP备2022001189号-1

本站为文档C2C交易模式,即用户上传的文档直接被用户下载,本站只是中间服务平台,本站所有文档下载所得的收益归上传人(含作者)所有。第壹文秘仅提供信息存储空间,仅对用户上传内容的表现方式做保护处理,对上载内容本身不做任何修改或编辑。若文档所含内容侵犯了您的版权或隐私,请立即通知第壹文秘网,我们立即给予删除!