苏州市装饰市场综合考核用表.docx

上传人:p** 文档编号:73534 上传时间:2022-12-15 格式:DOCX 页数:2 大小:23.30KB
下载 相关 举报
苏州市装饰市场综合考核用表.docx_第1页
第1页 / 共2页
苏州市装饰市场综合考核用表.docx_第2页
第2页 / 共2页
亲,该文档总共2页,全部预览完了,如果喜欢就下载吧!
资源描述

《苏州市装饰市场综合考核用表.docx》由会员分享,可在线阅读,更多相关《苏州市装饰市场综合考核用表.docx(2页珍藏版)》请在第壹文秘上搜索。

1、苏州市装饰市场综合考核用表之三(项目综合情况)项目编号:检查日期:施工单位(IOo分)序号35检查内容扣分得分班原因1企业管理(5分)信用管理手册使用(5分)企业是否办理信用管理手册不符合扣5分苏州市企业提供苏州T册;外省企业提供江苏册;本省外市企业提供手册,或补办的苏州册。本省外市企业不能管理手册,备注中说明,斤信用省信用当地隹If信用提供兰此项管理手1管理手相管理管理手3地信用不扣分。2项目经理及管理班(30分)项目经理是否为本企业人员,专业、资质等级是否与承接工程相适应,是否在岗(15分)非本企业人员扣15分;专业、资质等级不符合扣10分;到岗时间不满80%扣10分,不在岗扣15分;与备

2、案人员不一致,且无变更手续扣15分;最多扣15分L项目经理必检,质量、安全、施工人员抽12人检查:核对合同归集系统和实名制系统,确定人员一致、现场到位情况,不一致是否有变更流程;人员不一致且未做变更手续的按不在岗计;2 .项目经理(项目部管理人员)到岗时间按实名制系统考勤确定,依70%计。3 .考勒满足的情况下还需考量人员履职情况,如材料签字、现场情况了解程度等,管理人员履职不到位的,依照履职不到位的程度,按3-5分/人进行扣分。项目部管理人员(技术负责人、质量、安全、施工等)是否是本单位人员,是否持有岗位证书,备案人员是否在岗(15分)一人非本单位人员、不持证上岗扣8分;一人到岗时间不满80

3、%扣5分;备案人员襁岗,且无娅手续扣5分;最多扣15分3项目部管理(25分)管理制度建设(15分)项目部组织网络建立情况;项目部质量、安全、文明、农民工工资支付管理制度、农民工工资支付应急预案制度等各项管理制度建立情况;未建立扣8分,不健全扣5分;有一项制度不执行扣5分,未上墙扣3分,缺一项扣3分,最多扣15分项目部管理制度,项目部质量、安全、文明等各项制度管理规定,逐项检查,有且上墙得满分,缺一项扣3分,有但未上墙扣1分。“标牌设置”(10分)是否在醒目位置悬挂公示(标牌包括:工程概况,项目组织,安全生产,文明施工(扬尘治理),消防保卫,建筑业农民工维权告示牌,安全应急预案,施工平面布置图)

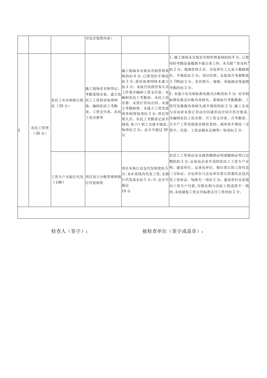
4、漏一项扣2分,最多扣K)分以现场悬挂公示为准,未悬挂公示不得分,缺一项扣两分,按项计分。4建设程序(K)分)施工许可(10分)办理施工许可或者办理了总分包合同(总包施工许无施工许可扣10分,可包含装饰内容)5农民工管理(30分)农民工实名制执行情况(20分)施工现场实名制登记、考勤系统安装、建立农民工工资投诉处理网络、编制农民工考勤表、工资支付表、农民工花名册等施工现场未安装实名制管理系统的扣8分,已使用但不规范扣3分;投诉处理网络未建立扣3分;未按月结清劳务人员工作量并编制工资支付表、未编制农民工考勤表、未民工花名册、未签订劳动合同、未建立考勤制度、未建立工资发放清单制度每项扣3分;项目管理

5、人员、农民工考勤表记录不规范,使ffl职工名册不规范、每项扣2分;总分不超过20分1 .施工现场未安装实名制管理系统的扣8分,已使用但考勤设备数据不能正常上传、未关联“苏安码”扣2分;现场管理人员、分包单位工人录入数据缺失、不规范扣2分;项目经理、总监每月考新晖低于70%扣2分,存在照片、视频、异地移动等虚假考勤的扣3分。2 .未建立实名制标准化格式台账的扣5分:实名制标准化格式台账内容缺失,系统按月考勤数据、工资代发数据内容缺失或不规范的扣2分;施工企业与劳动者未签订劳动合同或劳动合同不符合要求,未编制农民工花名册、月工资支付表、月考勤表、月专户工资发放流水情况表的,或内容不规范(无签字、代签、工资金额未足额等)每项扣2分。工资专户及银行代发(10#)项目设立分账管理和银行代发制度项目未执行总包代发制度扣5分;未在系统内代发工资,无银行代发流水扣5分/月;总分不超过10分农民工工资保证金未提供缴纳证明或缴纳证明已过期的扣3分;总承包企业开设的农民工工资专户证明,建设单位、总承包单位、银行签订的工资代发三方协议,分包单位与总包单位签订的委托总包代发工资协议,每缺失一项扣2分;建设单位未直接向工资专户付款,付款比例与实际工程进度不一致的,未按最低工资支付标准支付工资的扣2分。检查人(签字):被检查单位(签字或盖章):

展开阅读全文
相关资源
猜你喜欢
相关搜索

当前位置:首页 > 管理/人力资源 > 绩效管理

copyright@ 2008-2023 1wenmi网站版权所有

经营许可证编号:宁ICP备2022001189号-1

本站为文档C2C交易模式,即用户上传的文档直接被用户下载,本站只是中间服务平台,本站所有文档下载所得的收益归上传人(含作者)所有。第壹文秘仅提供信息存储空间,仅对用户上传内容的表现方式做保护处理,对上载内容本身不做任何修改或编辑。若文档所含内容侵犯了您的版权或隐私,请立即通知第壹文秘网,我们立即给予删除!