02010404预应力灌浆与封锚检验批质量验收记录(GB50204-2015)_samp.docx

上传人:p** 文档编号:745714 上传时间:2024-02-26 格式:DOCX 页数:1 大小:16.93KB
下载 相关 举报
02010404预应力灌浆与封锚检验批质量验收记录(GB50204-2015)_samp.docx_第1页
第1页 / 共1页
亲,该文档总共1页,全部预览完了,如果喜欢就下载吧!
资源描述

《02010404预应力灌浆与封锚检验批质量验收记录(GB50204-2015)_samp.docx》由会员分享,可在线阅读,更多相关《02010404预应力灌浆与封锚检验批质量验收记录(GB50204-2015)_samp.docx(1页珍藏版)》请在第壹文秘上搜索。

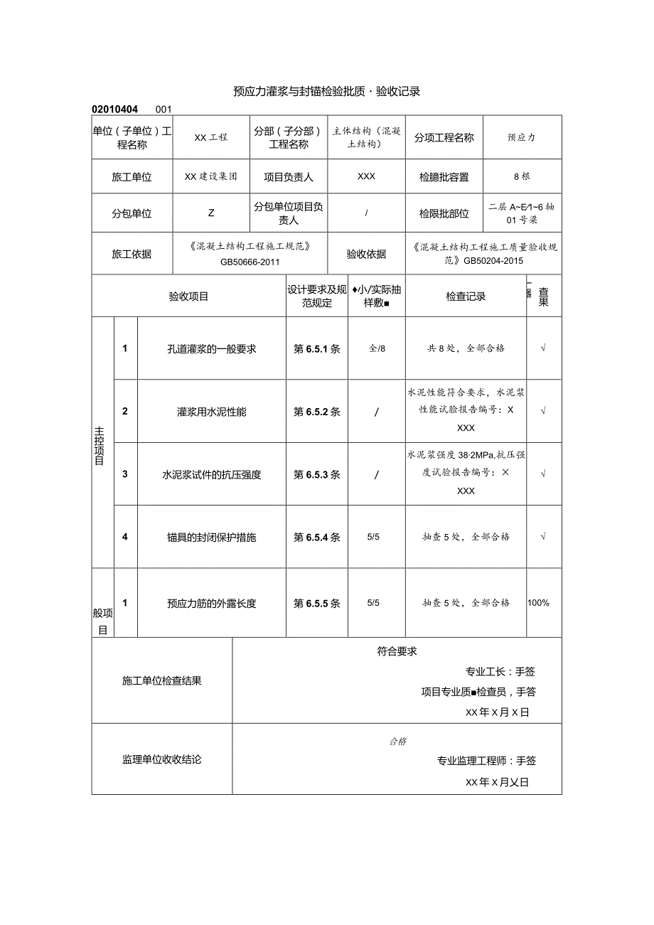
预应力灌浆与封锚检验批质验收记录02010404001单位(子单位)工程名称XX工程分部(子分部)工程名称主体结构(混凝土结构)分项工程名称预应力旅工单位XX建设集团项目负责人XXX检臆批容置8根分包单位Z分包单位项目负责人/检限批部位二层AE16轴01号梁旅工依据混凝土结构工程施工规范GB50666-2011验收依据混凝土结构工程施工质量验收规范GB50204-2015验收项目设计要求及规范规定小/实际抽样敷检查记录查果一器主控项目1孔道灌浆的一般要求第6.5.1条全/8共8处,全部合格2灌浆用水泥性能第6.5.2条/水泥性能符合要求,水泥浆性能试脸报告编号:XXXX3水泥浆试件的抗压强度第6.5.3条/水泥浆强度382MPa,抗压强度试验报告编号:XXX4锚具的封闭保护措施第6.5.4条5/5抽查5处,全部合格般项目1预应力筋的外露长度第6.5.5条5/5抽查5处,全部合格100%施工单位检查结果符合要求专业工长:手签项目专业质检查员,手答XX年X月X日监理单位收收结论合格专业监理工程师:手签XX年X月乂日

展开阅读全文
相关资源
猜你喜欢
相关搜索

当前位置:首页 > 行业资料 > 国内外标准规范

copyright@ 2008-2023 1wenmi网站版权所有

经营许可证编号:宁ICP备2022001189号-1

本站为文档C2C交易模式,即用户上传的文档直接被用户下载,本站只是中间服务平台,本站所有文档下载所得的收益归上传人(含作者)所有。第壹文秘仅提供信息存储空间,仅对用户上传内容的表现方式做保护处理,对上载内容本身不做任何修改或编辑。若文档所含内容侵犯了您的版权或隐私,请立即通知第壹文秘网,我们立即给予删除!