050-室内吊顶施工技术交底.docx

上传人:p** 文档编号:747448 上传时间:2024-02-26 格式:DOCX 页数:5 大小:54.13KB
下载 相关 举报
050-室内吊顶施工技术交底.docx_第1页
第1页 / 共5页
050-室内吊顶施工技术交底.docx_第2页
第2页 / 共5页
050-室内吊顶施工技术交底.docx_第3页
第3页 / 共5页
050-室内吊顶施工技术交底.docx_第4页
第4页 / 共5页
050-室内吊顶施工技术交底.docx_第5页
第5页 / 共5页
亲,该文档总共5页,全部预览完了,如果喜欢就下载吧!
资源描述

《050-室内吊顶施工技术交底.docx》由会员分享,可在线阅读,更多相关《050-室内吊顶施工技术交底.docx(5页珍藏版)》请在第壹文秘上搜索。

1、交底记录一、工程概况本装饰工程为站房装饰装修,石膏板吊顶面积约为130Om2。二、施工准备2.1作业人员:配备专业安装人员5名,经过专业培训、安全教育及技术交底;2.2主要材料:轻钢龙骨、配件、吊杆、膨胀螺栓、石膏板;2. 3施工机具:型材切割机、电动自攻螺钉钻、电焊机、手提式电锯、冲击电锤、射钉枪、人字梯;3. 4作业条件准备:(1)施工前熟悉施工图纸及设计说明。(2)施工前熟悉现场。(3)按设计要求对房间的净高、洞口标高和吊顶内的管道、设备及其支架的标高进行交接检验。(4)对吊顶内的管道、设备的安装及管道试压后进行隐蔽验收。(5)材料进场验收记录和复检报告,技术交底记录。三、施工安排4.

2、1本工程吊顶施工范围及做法如下表:序号名称施工部位1石膏板吊顶旅客服务、补票室、公安值班室、客运值班室、综合监控室、消防监控室、进款、票据、间休室、售票室、行包收集、备用、站长室、办公室3.2劳动力准备:根据本工程特点和施工内容,安排木工班IO人,根据项目施工顺序和进度要求,按时进场施工。四、施工工艺4. 1基层清理一弹线一安装吊筋一安装主龙骨一安装边龙骨一安装次龙骨及面板-成品保护4. 2基层清理:主要针对所有可能影响吊顶施工的安装物。4. 3弹线:用水准仪在房间内每个墙(柱)角上抄出水平点(若墙体较长,中间也应适当抄几个点),弹出水准线,从水准线量至吊顶设计高度加上吊顶厚度,弹出吊顶次龙骨

3、的下皮线,同时,按照吊顶平面图,在混凝土顶板上弹出主龙骨位置。主龙骨因从吊顶中心向两边分,最大间距IoOOmnb并标出吊杆的固定点,吊杆的固定点间距900-1000mm,如遇到梁和管道固定点大于设计和规程要求,增加吊杆的固定点。4. 4安装吊筋:根据施工图纸要求确定吊筋的位置,安装吊筋预埋件,采用膨胀螺栓固定吊挂杆件。吊杆采用冷拔钢筋,制作好的吊杆用膨胀螺栓固定在楼板上,用冲击电锤打孔,孔径应稍大于膨胀螺栓的直径。4. 5安装主龙骨:主龙骨吊挂在吊杆上。主龙骨为UC50龙骨。主龙骨平行房间竖向安装,同时起拱,起拱高度为房间跨度的l200l300。主龙骨的悬臂段不应大于300mm,否则增加吊杆。

4、主龙骨的接长应采取对接,相邻龙骨的对接接头要相互错开。主龙骨挂好后基本调平。4. 6安装边龙骨:按设计要求弹线,沿墙(柱)上的水平龙骨线把龙骨上可用射钉固定,射钉间距不大于吊顶次龙骨的间距。边龙骨安装示意图5. 7安装次龙骨:按设计规定的次龙骨间距,将次龙骨通过吊挂件吊挂在主龙骨上,次龙骨间距为30OmInX600mm。当次龙骨长度需多根延续接长时,用次龙骨连接件,在吊挂次龙骨的同时相接,调直固定。4. 8安装石膏面板:所有龙骨已调整完毕;吊顶内的通风、水电管道安装完毕,消防管道安装并调试完毕;吊顶内的灯槽、送排风口等根据工程布置完毕。铺设方向:纸面石膏板从吊顶的一端开始错缝安装,逐块排列,余

5、量放在最后安装,石膏板长边与次龙骨呈十字交叉状态(与主龙骨平行)。相邻两张纸面石膏板在同一次龙骨的搭接宽度基本相等,安装时在板间预留4-6胸左右的缝隙。安装双层石膏板时,上下层中间必须满涂白胶,上下层石膏板错开安装。纸面石膏板在无应力状态下从中间往外进行安装,防止强行就位。安装时用木支撑临时支撑,并使板与骨架压紧,待螺钉固定完成,方可撤出支撑。安装固定板时,从板中间向四边固定,不得多点同时作业,固定完一张后,再顺序安装固定另一张。固定纸面石膏板采用平头的自攻螺丝,自攻螺丝距次龙骨边缘不小于3mm,与板边的距离:面板包封的板边Iomm15mm,切割的板边15mm20三0自攻螺丝间距15Omm17

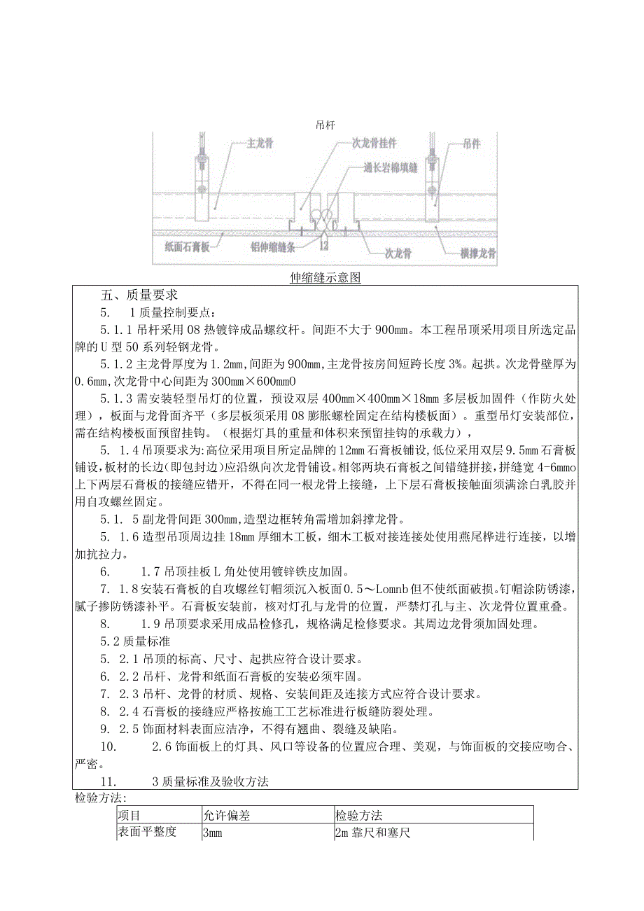
6、0mm,螺丝与板面垂直。螺帽埋入板面约0.5mm,并不使纸面破损。纸面石膏板接口处理:在板接口处必须加装横撑龙骨,不允许接口处板“悬空二当吊顶石膏板面积大于100m2时,横、纵方向每12-18m距离做伸缩缝处理。吊杆伸缩缝示意图五、质量要求5. 1质量控制要点:5.1.1吊杆采用08热镀锌成品螺纹杆。间距不大于900mm。本工程吊顶采用项目所选定品牌的U型50系列轻钢龙骨。5.1.2主龙骨厚度为1.2mm,间距为900mm,主龙骨按房间短跨长度3%。起拱。次龙骨壁厚为0.6mm,次龙骨中心间距为300mm600mmO5.1.3需安装轻型吊灯的位置,预设双层400mm400mm18mm多层板加固

7、件(作防火处理),板面与龙骨面齐平(多层板须采用08膨胀螺栓固定在结构楼板面)。重型吊灯安装部位,需在结构楼板面预留挂钩。(根据灯具的重量和体积来预留挂钩的承载力),5. 1.4吊顶要求为:高位采用项目所定品牌的12mm石膏板铺设,低位采用双层9.5mm石膏板铺设,板材的长边(即包封边)应沿纵向次龙骨铺设。相邻两块石膏板之间错缝拼接,拼缝宽4-6mmo上下两层石膏板的接缝应错开,不得在同一根龙骨上接缝,上下层石膏板接触面须满涂白乳胶并用自攻螺丝固定。5.1. 5副龙骨间距300mm,造型边框转角需增加斜撑龙骨。5. 1.6造型吊顶周边挂18mm厚细木工板,细木工板对接连接处使用燕尾桦进行连接,

8、以增加抗拉力。6. 1.7吊顶挂板L角处使用镀锌铁皮加固。7. 1.8安装石膏板的自攻螺丝钉帽须沉入板面0.5Lomnb但不使纸面破损。钉帽涂防锈漆,腻子掺防锈漆补平。石膏板安装前,核对灯孔与龙骨的位置,严禁灯孔与主、次龙骨位置重叠。8. 1.9吊顶要求采用成品检修孔,规格满足检修要求。其周边龙骨须加固处理。5.2质量标准5. 2.1吊顶的标高、尺寸、起拱应符合设计要求。6. 2.2吊杆、龙骨和纸面石膏板的安装必须牢固。7. 2.3吊杆、龙骨的材质、规格、安装间距及连接方式应符合设计要求。8. 2.4石膏板的接缝应严格按施工工艺标准进行板缝防裂处理。9. 2.5饰面材料表面应洁净,不得有翘曲、

9、裂缝及缺陷。10. 2.6饰面板上的灯具、风口等设备的位置应合理、美观,与饰面板的交接应吻合、严密。11. 3质量标准及验收方法检验方法:项目允许偏差检验方法表面平整度3mm2m靠尺和塞尺接缝直线度3nun拉5m线,不足5m拉通线接缝高低差Imm用钢直尺和塞尺六、成品保护12. 1龙骨及罩面板安装时,注意保护顶棚内各种管线。9. 2龙骨的吊杆、龙骨不得固定在通风管道及其它设备件上。6. 3龙骨、罩面板及其它吊顶材料在运输、进场、存放、使用过程中,应严格管理,做到不变形、不受潮、不生锈。6. 4工程中已安装好的门窗、已施工完毕的地面、墙面、窗台等,在施工顶棚时注意保护,防止污损。6. 5为了保护成品,罩面板安装必须在顶棚内管道试水、试压,保温一切工序全部验收合格后进行。七、安全环保与绿色施工措施7. 1废弃物按环保要求分类堆放及处理(如废弃饰面板等);7. 2安装饰面板时,施工人员戴白手套,以保护皮肤。7. 3严格按照民用建筑工程室内环境污染控制规范检查吊顶材料的环保检测证明。7. 4当日施工未用完的龙骨和饰面板,必须码放到库房,统一保管。7. 5施工现场所产生的垃圾,纸箱等要及时收集,存放在指定地点,统一清运。7. 6坚持推行贯彻执行“工完场清”和“一日一清”的管理标准。交底审核人交底人土建工程师质检员交底时间作业队接受交底人班组长质检员接受交底时间

展开阅读全文
相关资源
猜你喜欢
相关搜索

当前位置:首页 > 建筑/环境 > 设计及方案

copyright@ 2008-2023 1wenmi网站版权所有

经营许可证编号:宁ICP备2022001189号-1

本站为文档C2C交易模式,即用户上传的文档直接被用户下载,本站只是中间服务平台,本站所有文档下载所得的收益归上传人(含作者)所有。第壹文秘仅提供信息存储空间,仅对用户上传内容的表现方式做保护处理,对上载内容本身不做任何修改或编辑。若文档所含内容侵犯了您的版权或隐私,请立即通知第壹文秘网,我们立即给予删除!