洞口、临边安全防护doc.docx

上传人:p** 文档编号:748990 上传时间:2024-02-26 格式:DOCX 页数:2 大小:47.65KB
下载 相关 举报
洞口、临边安全防护doc.docx_第1页
第1页 / 共2页
洞口、临边安全防护doc.docx_第2页
第2页 / 共2页
亲,该文档总共2页,全部预览完了,如果喜欢就下载吧!
资源描述

《洞口、临边安全防护doc.docx》由会员分享,可在线阅读,更多相关《洞口、临边安全防护doc.docx(2页珍藏版)》请在第壹文秘上搜索。

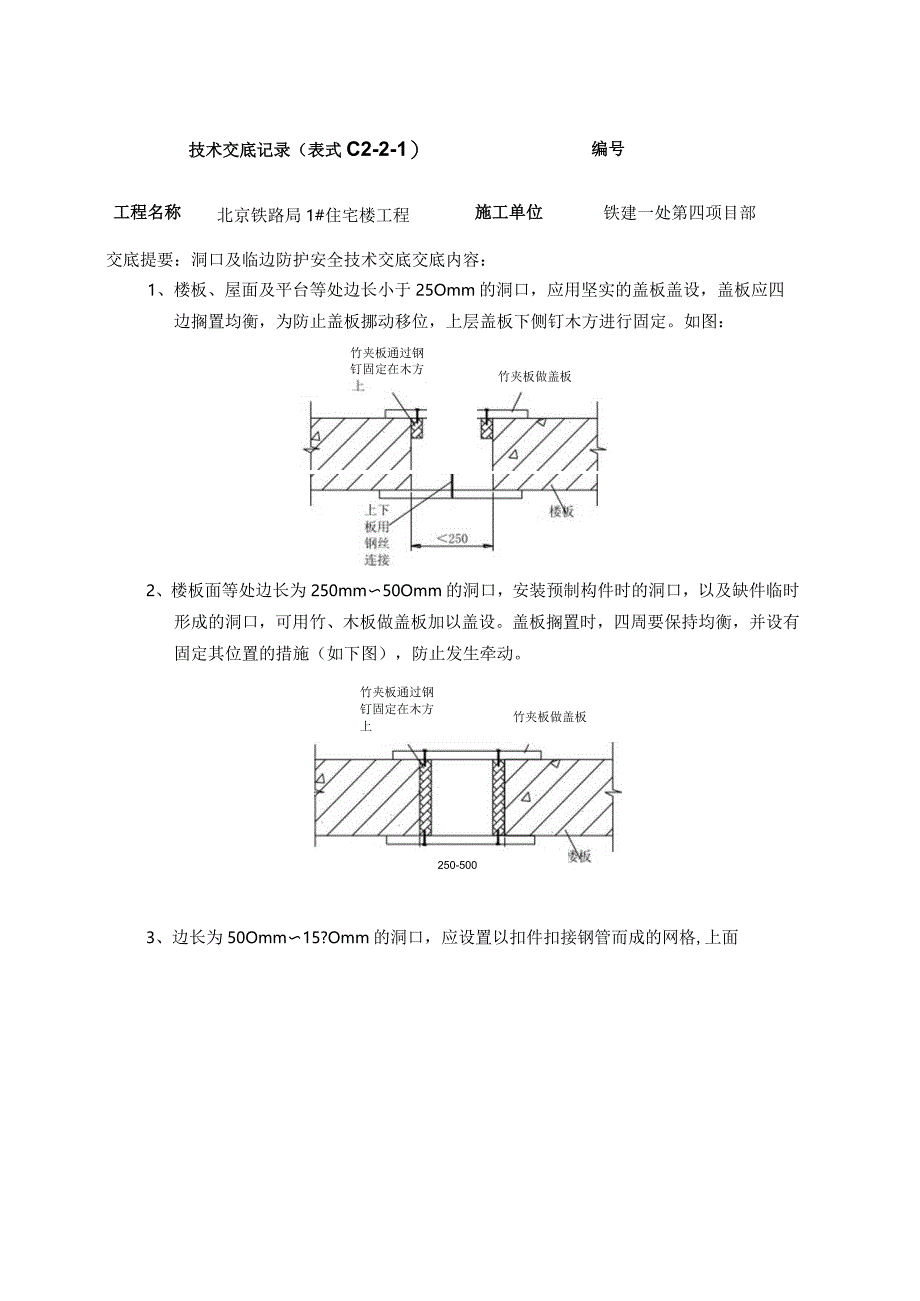
1、技术交底记录(表式C2-2-1)编号工程名称北京铁路局1#住宅楼工程施工单位铁建一处第四项目部交底提要:洞口及临边防护安全技术交底交底内容:1、楼板、屋面及平台等处边长小于25Omm的洞口,应用坚实的盖板盖设,盖板应四边搁置均衡,为防止盖板挪动移位,上层盖板下侧钉木方进行固定。如图:竹夹板通过钢 钉固定在木方竹夹板做盖板2、楼板面等处边长为250mm50Omm的洞口,安装预制构件时的洞口,以及缺件临时形成的洞口,可用竹、木板做盖板加以盖设。盖板搁置时,四周要保持均衡,并设有固定其位置的措施(如下图),防止发生牵动。竹夹板通过钢 钉固定在木方上竹夹板做盖板250-5003、边长为50Omm15?

2、Omm的洞口,应设置以扣件扣接钢管而成的网格,上面技术交底记录(表式C2-2T)编号工程名称北京铁路局1#住宅楼工程施工单位铁建一处第四项目部交底提要:洞口及临边防护安全技术交底交底内容:满铺脚手板,并绑牢固。另外也可用混凝土板内的钢筋构成防护网,上设遮盖物。钢筋网格的间距不能大于200mm。4、边长在150Omm以上的洞口,四周应设防护栏杆,洞口下应张设安全网。5、电梯井等人员经常进出的墙面上的竖向洞口,应加装开关式的防护门,门栅网格的间距不应大于150mm。其它一般墙面上的竖向洞口处应加装防护栏杆进行洞口防护,如下图:洞口防护栏杆6、在临边及洞口处必须设置警示牌,牢固的栏杆和安全网封堵,并设人随时进行检查和看守。7、施工人员进出入口应搭设防护棚,所有防护设施不得随意拆除。8、高处作业中所用的物件应堆放平稳,不可放置在临边及洞口附近。9、模板上有预留洞者应在安装后将洞口留好,碎板上的预留洞应在模板拆除后即进行防护。浇水养护时应注意楼面上的孔洞,拉移胶皮管线时不得倒退行走。

展开阅读全文
相关资源
猜你喜欢
相关搜索

当前位置:首页 > 建筑/环境 > 安全文明施工

copyright@ 2008-2023 1wenmi网站版权所有

经营许可证编号:宁ICP备2022001189号-1

本站为文档C2C交易模式,即用户上传的文档直接被用户下载,本站只是中间服务平台,本站所有文档下载所得的收益归上传人(含作者)所有。第壹文秘仅提供信息存储空间,仅对用户上传内容的表现方式做保护处理,对上载内容本身不做任何修改或编辑。若文档所含内容侵犯了您的版权或隐私,请立即通知第壹文秘网,我们立即给予删除!