通信工程质量验收记录.docx

上传人:p** 文档编号:750134 上传时间:2024-02-26 格式:DOCX 页数:2 大小:21.23KB
下载 相关 举报
通信工程质量验收记录.docx_第1页
第1页 / 共2页
通信工程质量验收记录.docx_第2页
第2页 / 共2页
亲,该文档总共2页,全部预览完了,如果喜欢就下载吧!
资源描述

《通信工程质量验收记录.docx》由会员分享,可在线阅读,更多相关《通信工程质量验收记录.docx(2页珍藏版)》请在第壹文秘上搜索。

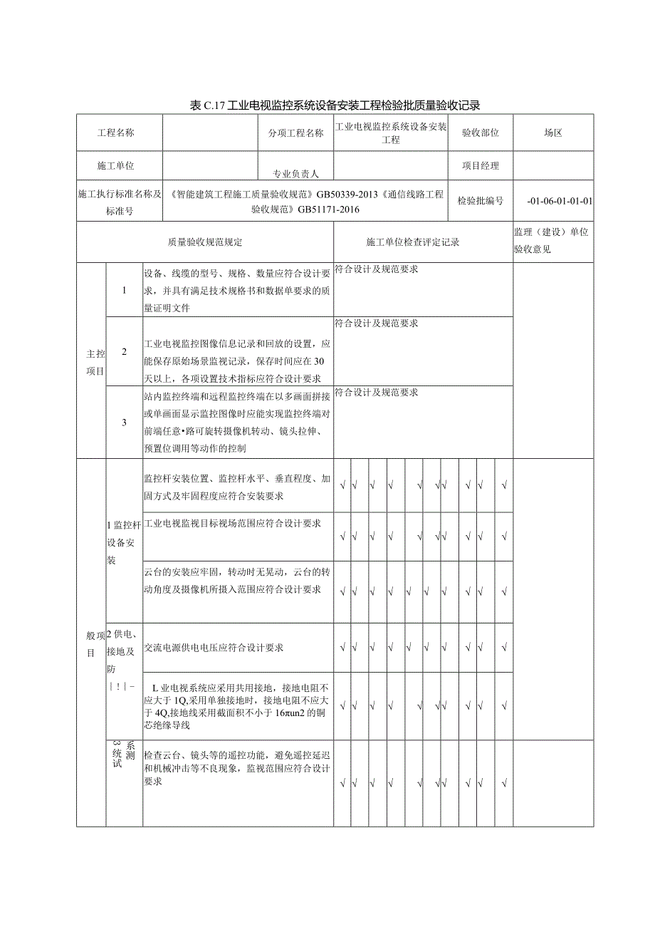
1、表C.17工业电视监控系统设备安装工程检验批质量验收记录工程名称分项工程名称工业电视监控系统设备安装工程验收部位场区施工单位专业负责人项目经理施工执行标准名称及标准号智能建筑工程施工质量验收规范GB50339-2013通信线路工程验收规范GB51171-2016检验批编号-01-06-01-01-01质量验收规范规定施工单位检查评定记录监理(建设)单位验收意见主控项目1设备、线缆的型号、规格、数量应符合设计要求,并具有满足技术规格书和数据单要求的质量证明文件符合设计及规范要求2工业电视监控图像信息记录和回放的设置,应能保存原始场景监视记录,保存时间应在30天以上,各项设置技术指标应符合设计要求

2、符合设计及规范要求3站内监控终端和远程监控终端在以多画面拼接或单画面显示监控图像时应能实现监控终端对前端任意路可旋转摄像机转动、镜头拉伸、预置位调用等动作的控制符合设计及规范要求般项目1监控杆设备安装监控杆安装位置、监控杆水平、垂直程度、加固方式及牢固程度应符合安装要求工业电视监视目标视场范围应符合设计要求云台的安装应牢固,转动时无晃动,云台的转动角度及摄像机所摄入范围应符合设计要求2供电、接地及防!-交流电源供电电压应符合设计要求L业电视系统应采用共用接地,接地电阻不应大于1Q,采用单独接地时,接地电阻不应大于4Q,接地线采用截面积不小于16un2的铜芯绝缘导线系测3统试检查云台、镜头等的遥

3、控功能,避免遥控延迟和机械冲击等不良现象,监视范围应符合设计要求续表C.17工业电视监控系统设备安装工程检验批质量验收记录工程名称分项工程名称工业电视监控系统设备安装工程验收部位场区施工单位专业负责人项目经理施工执行标准名称及标准号智能建筑工程施工质量验收规范GB50339-2013通信线路工程验收规范GB51171-2016检验批编号-01-06-01-01-01质量验收规范规定施工单位检查评定记录监理(建设)单位验收意见般项目3系统测试监控主机对现场图像监控及画面切换间隔时间的设置应符合设计要求系统可将单画面、4画面、9画面、16画面中的某一路画面全屏放大显示,单画面全屏时,可通过鼠标或操作杆等控制云台转动和摄像机变焦工业电视系统与周界报警系统防区的联动触发应符合设计要求应采用运行单位统规划的IP地址,配置完成后应对系统进行链路测试7施工单位检查评定结果项目专业质量检查员:监理(建设)单位验收结论专业监理工程师(建设单位项目代表):

展开阅读全文
相关资源
猜你喜欢
相关搜索

当前位置:首页 > 管理/人力资源 > 质量管理

copyright@ 2008-2023 1wenmi网站版权所有

经营许可证编号:宁ICP备2022001189号-1

本站为文档C2C交易模式,即用户上传的文档直接被用户下载,本站只是中间服务平台,本站所有文档下载所得的收益归上传人(含作者)所有。第壹文秘仅提供信息存储空间,仅对用户上传内容的表现方式做保护处理,对上载内容本身不做任何修改或编辑。若文档所含内容侵犯了您的版权或隐私,请立即通知第壹文秘网,我们立即给予删除!