3910类物料可靠性抽检操作指导书.docx

上传人:p** 文档编号:752603 上传时间:2024-02-26 格式:DOCX 页数:3 大小:47.81KB
下载 相关 举报
3910类物料可靠性抽检操作指导书.docx_第1页
第1页 / 共3页
3910类物料可靠性抽检操作指导书.docx_第2页
第2页 / 共3页
3910类物料可靠性抽检操作指导书.docx_第3页
第3页 / 共3页
亲,该文档总共3页,全部预览完了,如果喜欢就下载吧!
资源描述

《3910类物料可靠性抽检操作指导书.docx》由会员分享,可在线阅读,更多相关《3910类物料可靠性抽检操作指导书.docx(3页珍藏版)》请在第壹文秘上搜索。

1、3910类物料可靠性抽检操作指导书1 .目的本操作指导书作为本公司ic器件来料可靠性检验通用规范的理解与细化,为实际的执行提供相关抽检计划、试验方法和操作指导。2 .适用范围本操作指导书适用我司光耦合方式的物料,主要物料簇有:3910类光耦合器件3910A通用光耦3910B高速光耦3910C逻辑光耦3910D集成驱动光耦3910E光耦继电器(含1103类)3910G线形光耦3910H达林顿光耦3908类放大器物料中光耦合方式的隔离放大器3 .引用标准JEDECSTANDARD:JESD22SeriesJESD47FMilitary(U.S)STANDARD:MIL-STD-883GMTL-ST

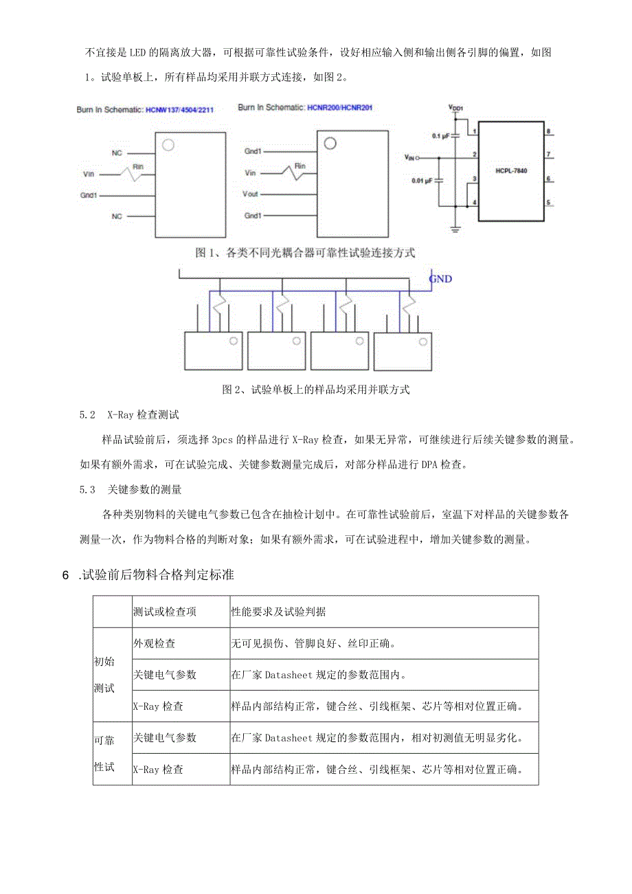
2、D-750EManufactureSpecifications&ApplicationNotesIC器件来料可靠性检验通用规范、IC器件认证规范4 .抽检计划本类物料的可靠性抽检计划(包含编码、厂家、数量、频次、试验项目、条件、时间、设备、关键参数等)5 .试验关键点说明5.1 可靠性试验单板主要电路原理虽然上述各种类别物料在封装和管脚定义上都有不同,但主要采用LED发光方式进行耦合,所以其可靠性方面主要考察其LED发光量衰减的情况。对于输入侧直接是LED的3910类物料,可采用电阻直接与LED阳极相连的方式,输出侧根据可靠性试验条件,设置相应的输出偏置;对于输入侧不宜接是LED的隔离放大器,

3、可根据可靠性试验条件,设好相应输入侧和输出侧各引脚的偏置,如图1。试验单板上,所有样品均采用并联方式连接,如图2。图2、试验单板上的样品均采用并联方式5.2 X-Ray检查测试样品试验前后,须选择3pcs的样品进行X-Ray检查,如果无异常,可继续进行后续关键参数的测量。如果有额外需求,可在试验完成、关键参数测量完成后,对部分样品进行DPA检查。5.3 关键参数的测量各种类别物料的关键电气参数已包含在抽检计划中。在可靠性试验前后,室温下对样品的关键参数各测量一次,作为物料合格的判断对象;如果有额外需求,可在试验进程中,增加关键参数的测量。6 .试验前后物料合格判定标准测试或检查项性能要求及试验

4、判据初始测试外观检查无可见损伤、管脚良好、丝印正确。关键电气参数在厂家Datasheet规定的参数范围内。X-Ray检查样品内部结构正常,键合丝、引线框架、芯片等相对位置正确。可靠性试关键电气参数在厂家Datasheet规定的参数范围内,相对初测值无明显劣化。X-Ray检查样品内部结构正常,键合丝、引线框架、芯片等相对位置正确。验后测试DPA检查(可选)芯片版图(包含钝化层检查)无异常,厂家标示正确。X-Ray检查、DPA检查标准请参考半导体器件DPA检验规范与标准及其操作指导进行,具体的各类物料关键电气参数合格判断标准如下:试验前试验后3910ACTR不低于Datasheet规定的下限CTR

5、不低于Datasheet规定的下限;如果低于下限,相对初测值变化率不超过20%,也可判断合格3910BCTR不低于Datasheet规定的下限CTR不低于Datasheet规定的下限;如果低于下限,相对初测值变化率不超过30%,也可判断合格3910CIrH或Va不高于Datasheet规定的上限ITH或V(IL不高于DataSheet规定的上限;如果高于上限,相对初测值变化率不超过20%,也可判断合格3910DIFUl不高于Datasheet规定的上限IFul不高于DataSheet规定的上限;如果高于上限,相对初测值变化率不超过20%,也可判断合格3910EIFon不高于Datasheet规

6、定的上限IFon不高于DataSheet规定的上限;如果高于上限,相对初测值变化率不超过20%,也可判断合格3910GKl不低于Datasheet规定的下限Kl不低于Datasheet规定的下限;如果低于下限,相对初测值变化率不超过20%,也可判断合格3910HCTR不低于Datasheet规定的下限CTR不低于Datasheet规定的下限;如果低于下限,相对初测值变化率不超过20%,也可判断合格3908VIO不高于DataSheet规定的上限Vlo不高于Datasheet规定的上限7 .试验测试及抽检记录表每次抽检时,将试验数据记录在下面表格中,数据记录表文件编号规则为“REL-8位器件编码-厂家名称-6位试验日期”,其中,“REL”代表可靠性抽检,8位器件编码为ENPC物料编码,6位试验日期代表试验启动日期,如090903代表2009年9月3日。

展开阅读全文
相关资源
猜你喜欢
相关搜索

当前位置:首页 > 管理/人力资源 > 质量管理

copyright@ 2008-2023 1wenmi网站版权所有

经营许可证编号:宁ICP备2022001189号-1

本站为文档C2C交易模式,即用户上传的文档直接被用户下载,本站只是中间服务平台,本站所有文档下载所得的收益归上传人(含作者)所有。第壹文秘仅提供信息存储空间,仅对用户上传内容的表现方式做保护处理,对上载内容本身不做任何修改或编辑。若文档所含内容侵犯了您的版权或隐私,请立即通知第壹文秘网,我们立即给予删除!