川渝地区公路边坡生态防护常用植物种类、施工分项、配料、植被混凝土性质、生长及恢复效果检验.docx

上传人:p** 文档编号:75496 上传时间:2022-12-18 格式:DOCX 页数:10 大小:37.65KB
下载 相关 举报
川渝地区公路边坡生态防护常用植物种类、施工分项、配料、植被混凝土性质、生长及恢复效果检验.docx_第1页
第1页 / 共10页
川渝地区公路边坡生态防护常用植物种类、施工分项、配料、植被混凝土性质、生长及恢复效果检验.docx_第2页
第2页 / 共10页
川渝地区公路边坡生态防护常用植物种类、施工分项、配料、植被混凝土性质、生长及恢复效果检验.docx_第3页
第3页 / 共10页
川渝地区公路边坡生态防护常用植物种类、施工分项、配料、植被混凝土性质、生长及恢复效果检验.docx_第4页
第4页 / 共10页
川渝地区公路边坡生态防护常用植物种类、施工分项、配料、植被混凝土性质、生长及恢复效果检验.docx_第5页
第5页 / 共10页
川渝地区公路边坡生态防护常用植物种类、施工分项、配料、植被混凝土性质、生长及恢复效果检验.docx_第6页
第6页 / 共10页
川渝地区公路边坡生态防护常用植物种类、施工分项、配料、植被混凝土性质、生长及恢复效果检验.docx_第7页
第7页 / 共10页
川渝地区公路边坡生态防护常用植物种类、施工分项、配料、植被混凝土性质、生长及恢复效果检验.docx_第8页
第8页 / 共10页
川渝地区公路边坡生态防护常用植物种类、施工分项、配料、植被混凝土性质、生长及恢复效果检验.docx_第9页
第9页 / 共10页
川渝地区公路边坡生态防护常用植物种类、施工分项、配料、植被混凝土性质、生长及恢复效果检验.docx_第10页
第10页 / 共10页
亲,该文档总共10页,全部预览完了,如果喜欢就下载吧!
资源描述

《川渝地区公路边坡生态防护常用植物种类、施工分项、配料、植被混凝土性质、生长及恢复效果检验.docx》由会员分享,可在线阅读,更多相关《川渝地区公路边坡生态防护常用植物种类、施工分项、配料、植被混凝土性质、生长及恢复效果检验.docx(10页珍藏版)》请在第壹文秘上搜索。

1、附录A(资料性)川渝地区公路边坡生态防护常用植物种类表A.1常用植物种类表名称拉丁名基本特性适宜地区草本植物狗牙根Cynodon(Iacty1.on喜温暖湿润,耐寒,耐旱,根系发达,暧季型草种。四川盆地亚热带湿涧气候生态区;川西南山地亚热带半湿润气候生态区;川西高山高原亚热带温带寒温带生态区;重庆城口-巫山-南川冬冷夏热区;重庆彭水秀山冬冷夏热区;渝中、渝西冬温熨炎热区。高羊茅FestucadataKengexEA1.exeev喜温暖湿润土壤,抗逆性强,耐酸、耐瘠薄,抗病性强,冷季型草种。四川盆地亚热带湿润气候生态区;川西南山地亚热带半湿润气候生态区:川西高山高原亚热带-温带-寒温带生态区。重

2、庆城口巫山-南川冬冷夏热区;重庆彭水-秀山冬冷夏热区:渝中、渝西冬温夏炎热区。垂穆披碱草E1.ymusnutansGriseb喜冷凉湿润气候,喜肥、耐旱、耐盐碱、耐寒、耐风沙。川西南山地亚热带半湿润气候生态区;川西高山高原亚热带-温带寒温带生态区;川西北高原江河源区寒温带-亚寒带生态区。老芒麦E1.ymusSibiricus1.inn.抗寒力强,能耐湿,抗旱力稍差,对土壤的适应性较广,适于弱酸性或微碱性腐殖质土壤生长。川西南山地亚热带半湿润气候生态区;川西高山高原亚热带-温带-寒温带生态区;川西北高原江河源区寒温带-亚寒带生态区。多年生黑麦草1.o1.iumperenne1.喜温暖湿润夏季较凉

3、爽的环境。抗寒、抗霜,耐湿。四川盆地亚热带湿涧气候生态区:川西高山高原亚热带-温带-寒温带生态区。草地早熟禾Poapratensis1.喜光耐荫,喜温暖湿润,又具很强的耐寒能力耐旱较差,根茎繁殖能力,再生性好,较耐践踏。四川盆地亚热带湿润气候生态区:川西高山高原亚热带-温带-寒温带生态区。百喜草Paspa1.umnotatumF1.ugge耐旱,耐贫瘠,耐践踏,匍匐茎发达,覆盖率高,所需养护管理水平低,建植速度慢。川西南山地亚热带半湿润气候生态区。重庆城口巫山-南川冬冷夏热区:重庆彭水-秀山冬冷夏热区;渝中、渝西冬温熨炎热区。猪屎豆Crota1.ariapa1.1.idaAit.耐旱,耐贫瘠,

4、适宜粗放管理,根系能固氮,可改良土壤肥力。川西南山地亚热带半湿润气候生态区。重庆城II-巫山-南川冬冷夏热区;重庆彭水-秀山冬冷夏热区;渝中、渝西冬温熨炎热区。表A.1(续)名称拉丁名基本特性适用环境草本植物白灰毛豆TephrosiacandidaDC.喜光,喜高温及湿润环境,耐旱,耐贫瘠,固氮能力强,改良土壤效果好。川西南山地亚热带半湿润气候生态区。重庆城I1.-巫山-南川冬冷夏热区;重庆彭水秀山冬冷夏热区;渝中、渝西冬温熨炎热区。紫花苜蓿Medicagosa1.iva1.耐寒性强,耐贫瘠,抗干旱,根系发达,固氮能力强,可改良土壤肥力。四川盆地亚热带湿润气候生态区:川西南山地亚热带半湿涧气候

5、生态区:川西高山高原亚热带-温带-寒温带生态区;重庆城口巫山南川冬冷夏热区;重庆彭水-秀山冬冷夏热区;渝中、渝西冬温熨炎热区。花卉植物白刺花Sophoradavidii(Franch.)Skee1.s阳性树种,喜光、耐旱,对土壤要求不严,土石山地的阳坡半阳坡均可造林。川西高山高原亚热带-温带-寒温带生态区。矮杆波斯菊CosmosbipinnataCav.喜光,耐贫瘠,耐干旱,忌积水,根系发达。四川盆地亚热带湿润气候生态区;川西南山地亚热带半湿润气候生态区:川西高山高原亚热带-温带-寒温带生态区。重庆城口巫山南川冬冷夏热区;重庆彭水-秀山冬冷夏热区;渝中、渝西冬温熨炎热区。金鸡菊Coreopsi

6、sbasa1.is耐寒耐旱,对土壤要求不严,喜光,耐半阴,生长密集紧凑,花量繁多,能保住保持水土,调节生态环境。夏季开花,花姿美观。四川盆地亚热带湿润气候生态区;川西南山地亚热带半湿润气候生态区;川西高山高原亚热带.温带.寒温带生态区。重庆城I1.-巫山-南川冬冷熨热区;重庆彭水-秀山冬冷熨热区;渝中、渝西冬温受炎热区。金露梅Potenti1.1.afruticose1.生性强健,耐寒,喜湿润,耐干旱,喜光,对土壤要求不严,较耐瘠薄。川西南山地亚热带半湿润气候生态区:川西高山高原亚热带.温带-寒温带生态区:川西北高原江河源区寒温带-亚寒带生态区。银露梅Poten1.i1.1.ag1.abra1

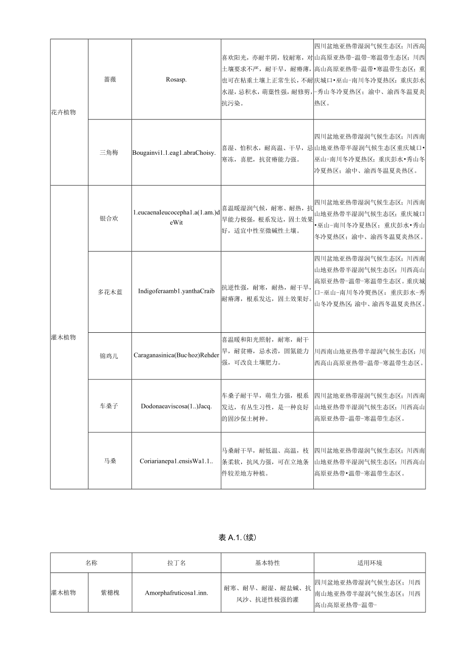
7、.odd.喜光树种,耐寒性强,对土埃要求不严,喜湿润环境。川西南山地亚热带半湿润气候生态区:川西高山高原亚热带温带寒温带生态区;川西北高原江河源区寒温带-亚寒带生态区。铁线莲C1.ematisf1.oridaThunb.生性强健,对温度的适应性较强,较耐寒不喜高温,喜欢疏松肥沃、排水保水良好的碱性土壤。川西高山高原亚热带-温带-寒温带生态区。孔雀草Tageteserecta1.适应性强,喜温暖和阳光充足的环境,比较耐旱,对土壤和肥料要求不严格,较耐寒。四川盆地亚热带湿润气候生态区:川西南山地亚热带半湿润气候生态区。表A.1.(续)名称拉丁名基本特性适用环境花卉植物蔷薇Rosasp.喜欢阳光,亦

8、耐半阴,较耐寒,对土壤要求不严,耐干早,耐瘠薄,也可在粘重土壤上正常生长,不耐水湿,忌积水,萌蕖性强,耐修剪,抗污染。四川盆地亚热带湿润气候生态区;川西高山高原亚热带-温带-寒温带生态区;川西高山高原亚热带-温带寒温带生态区;重庆城口巫山-南川冬冷夏热区:重庆彭水-秀山冬冷夏热区;渝中、渝西冬温夏炎热区。三角梅Bougainvi1.1.eag1.abraChoisy.喜湿、怕积水,耐高温、干早,忌寒冻,喜肥,抗贫瘠能力强。四川盆地亚热带湿润气候生态区;川西南山地亚热带半湿润气候生态区重庆城口巫山-南川冬冷夏热区;重庆彭水秀山冬冷夏热区;渝中、渝西冬温夏炎热区。灌木植物银合欢1.eucaenaI

9、eucocepha1.a(1.am.)deWit喜温暖湿润气候,耐寒、耐热,抗旱能力极强,根系发达,固土效果好,适宜中性至微碱性土壤。四川盆地亚热带湿润气候生态区;川西南山地亚热带半湿润气候生态区;重庆城口巫山-南川冬冷夏热区;重庆彭水秀山冬冷夏热区;渝中、渝西冬温夏炎热区。多花木蓝Indigoferaamb1.yanthaCraib抗逆性强,耐寒,耐热,耐干旱,耐瘠薄,根系发达,固土效果好。四川盆地亚热带湿润气候生态区;川西南山地亚热带半湿润气候生态区;川西高山高原亚热带-温带-寒温带生态区。重庆城口-巫山-南川冬冷熨热区:重庆彭水-秀山冬冷夏热区;渝中、渝西冬温夏炎热区。锦鸡儿Caraga

10、nasinica(Buc,hoz)Rehder喜温暖和阳光照射,耐寒,耐干旱,耐贫瘠,忌水涝,固氮能力强,可改良土壤肥力。川西南山地亚热带半湿润气候生态区;川西高山高原亚热带-温带-寒温带生态区。车桑子Dodonaeaviscosa(1.)Jacq.车桑子耐干旱,萌生力强,根系发达,有丛生习性,是一种良好的固沙保土树种。四川盆地亚热带湿润气候生态区;川西南山地亚热带半湿润气候生态区;川西高山高原亚热带-温带-寒温带生态区。马桑Coriarianepa1.ensisWa1.1.马桑耐干旱,耐低温、高温,枝条柔软,抗风力强,可在立地条件较差地方种植。四川盆地亚热带湿润气候生态区;川西南山地亚热带半

11、湿润气候生态区;川西高山高原亚热带温带-寒温带生态区。表A.1.(续)名称拉丁名基本特性适用环境灌木植物紫穗槐Amorphafruticosa1.inn.耐寒、耐旱、耐湿、耐盐碱、抗风沙、抗逆性极强的灌四川盆地亚热带湿润气候生态区;川西南山地亚热带半湿润气候生态区;川西高山高原亚热带-温带-木,在荒山坡、道路旁、河岸、盐碱地均可生长。寒温带生态区;重庆城口巫山南川冬冷夏热区:重庆彭水-秀山冬冷夏热区;渝中、渝西冬温夏炎热区。刺槐Robiniapseudoacacia1.强阳性树种,耐寒喜干燥,耐旱,能固氮改良土壤,在土壤瘠薄处亦能正常生长,耐轻盐碱土,根槃性强。川西南山地亚热带半湿润气候生态区

12、;川西高山高原亚热带-温带-寒温带生态区;重庆城口巫山-南川冬冷夏热区:重庆彭水秀山冬冷夏热区;渝中、渝西冬温夏炎热区。黄花决明Sennasurattensis(Burm.f.)H.S.IrwinetBamebysubsp.g1.auca(1.am.)X.Y.Zhu耐瘠;耐旱。重庆城口-巫山-南川冬冷夏热区:重庆彭水-秀山冬冷夏热区;渝中、渝西冬温夏炎热区。毛叶丁香Syringatomente1.1.aBureau&Franch.喜光,稍耐阴,喜冷凉湿润气候,耐干旱。川西高山高原亚热带温带寒温带生态区;重庆城门-巫山-南川冬冷夏热区;重庆彭水-秀山冬冷夏热区;渝中、渝西冬温熨炎热区。黄花槐So

13、phoraxanthanthaC.Y.Ma喜高温高湿、光照,不耐寒,对土壤要求不严,耐土壤干昂,也耐水湿,喜肥。四川盆地亚热带湿润气候生态区;川西南山地亚热带半湿润气候生态区。藤本植物葛藤kudzuvine攀援植物,喜温暖湿润气候,耐旱,植被覆盖率大。四川盆地亚热带湿润气候生态区;川西南山地亚热带半湿润气候生态区;重庆城口-巫山-南川冬冷夏热区;重庆彭水秀山冬冷夏热区;渝中、渝西冬温夏炎热区。爬山虎ParthenocissusIricuspidata(Sieb.EtZucc.)P1.anch.性喜阴湿,耐早,耐寒,耐瘠薄,对土壤酸碱适应范围较大,生长较快。四川盆地亚热带湿润气候生态区:川西南山

14、地亚热带半湿润气候生态区;重庆城口巫山南川冬冷夏热区:重庆彭水-秀山冬冷夏热区:渝中、渝西冬温熨炎热区。紫藤Wisteriasinensis(Sims)Sweet喜光,略耐荫,抗寒力强,耐旱,耐水湿,耐瘠薄。主根深,侧根少,生长快,寿命长。四川盆地亚热带湿润气候生态区:川西南山地亚热带半湿润气候生态区;川西高山高原亚热带-温带-寒温带生态区。川渝地区乡土物种三叶地锦Parthenocissussemicorda1.a(Wa1.1.,exRoxb.)P1.anch.藤本,喜阴湿,攀援能力强,适应性强,具有一定耐寒能力,亦耐暑热,较耐庇荫。四川盆地亚热带湿润气候生态区:川西南山地亚热带半湿润气候生

15、态区。表A.1.(续)名称拉丁名基本特性适用环境川渝地区乡土物种五叶地锦Parthenocissusquinquefb1.ia(1.)P1.anch.藤本,喜温暖气候,具有一定的耐寒能力,耐荫、耐贫瘠,对土壤与气候适应性较强,干燥条件下也能生存。四川盆地亚热带湿润气候生态区:川西南山地亚热带半湿润气候生态区;川西高山高原亚热带-温带-寒温带生态区。沙棘Hippophaerhamnoides1.inn.灌木,喜光,耐寒,耐酷热,耐风沙及干旱气候,对土壤适应性强。川西高山高原亚热带-温带-寒温带生态区;川西北高原江河源区寒温带亚寒带生态区。火棘PyracanthaIbrtuneana(Maxim.)1.i灌木,喜强光,耐贫瘠,抗干旱,耐寒,对土壤要求不严。四川盆地亚热带湿润气候生态区;川西南山地亚热带半湿润气候生态区;川西高山高原亚热带-

展开阅读全文
相关资源
猜你喜欢
相关搜索

当前位置:首页 > 建筑/环境 > 公路与桥梁

copyright@ 2008-2023 1wenmi网站版权所有

经营许可证编号:宁ICP备2022001189号-1

本站为文档C2C交易模式,即用户上传的文档直接被用户下载,本站只是中间服务平台,本站所有文档下载所得的收益归上传人(含作者)所有。第壹文秘仅提供信息存储空间,仅对用户上传内容的表现方式做保护处理,对上载内容本身不做任何修改或编辑。若文档所含内容侵犯了您的版权或隐私,请立即通知第壹文秘网,我们立即给予删除!