ISO9001内审资料2.docx

上传人:p** 文档编号:755043 上传时间:2024-02-26 格式:DOCX 页数:17 大小:56.88KB
下载 相关 举报
ISO9001内审资料2.docx_第1页
第1页 / 共17页
ISO9001内审资料2.docx_第2页
第2页 / 共17页
ISO9001内审资料2.docx_第3页
第3页 / 共17页
ISO9001内审资料2.docx_第4页
第4页 / 共17页
ISO9001内审资料2.docx_第5页
第5页 / 共17页
ISO9001内审资料2.docx_第6页
第6页 / 共17页
ISO9001内审资料2.docx_第7页
第7页 / 共17页
ISO9001内审资料2.docx_第8页
第8页 / 共17页
ISO9001内审资料2.docx_第9页
第9页 / 共17页
ISO9001内审资料2.docx_第10页
第10页 / 共17页
亲,该文档总共17页,到这儿已超出免费预览范围,如果喜欢就下载吧!
资源描述

《ISO9001内审资料2.docx》由会员分享,可在线阅读,更多相关《ISO9001内审资料2.docx(17页珍藏版)》请在第壹文秘上搜索。

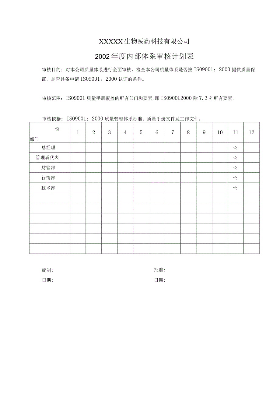
1、XXXXX生物医药科技有限公司2002年度内部体系审核计划表审核目的:对本公司质量体系进行全面审核,检查本公司质量体系是否按IS09001:2000提供质量保证,是否具备申请IS09001:2000认证的条件。审核范围:IS09001质量手册覆盖的所有部门和要素,即IS0900L2000除7.3外所有要素。审核依据:IS09001:2000质量管理体系标准、质量手册文件及工作文件。份部门123456789101112总经理管理者代表财管部行销部技术部编制:日期:批准:日期:审核实施计划审核目的对本公司质量体系进行全面审核,检查本公司质量体系是否按IS09001:2000有效运行,是否具备申请I

2、S09001:2000认证的条件。审核范围质量手册覆盖的所有部门和要素(8.2.2、5.6本次未涉及)审核依据IS09001:2000标准、质量手册、程序文件及工作文件。审核时间2002年11月26日;审核成员组长:施明福组员:具体工作安排时间审核部门涉及要素条款审核员备注:1:此卷分发至各部门;2:首末次会议提前5分钟作好签到;3:地点:公司会议室;4:审核时每个部门负责人均要求在工作现场;5:审核时每个部门均涉及4.2.3、4.2.4、5.4.1、8.4、8.5等条款。9:00-9:30首次会议全体管理人员参加9:30-11:00技术部7. 1、7.3、7.4、7.5、7.6、8. 2、8

3、.3、8.48.5叶峥咨询师11:00-12:00午餐13:00-15:00财管部6.2、8.2、7.5施明福15:00-16:00总经理/管代5. 1、5.2、5.3、5.4、5.5、6. 1董伦何昱行销部4.2.3、4.2.4、6.3、6.4、7.2、7.4、7.5孙家近16:00-16:30审核小组会议全体审核人员参加16:30-17:00末次会议全体管理人员参加编制:批准:日期:日期:审核总结报告审核目的:对本公司质量体系进行全面审核,检查本公司质量体系是否按IS09001:2000提供质量保证,是否具备申请IS09001:2000认证的条件。审核范围:1509001质量手册覆盖的所有

4、部门和要素(8.2.2、5.6本次未涉及)。审核依据:IS09001:2000质量管理体系标准、质量手册、有关程序文件及工作文件。受审核部门:总经理、管代、各部门审核日期:11月26日审核组长:审核员:审核计划实施情况:存在的重要问题:体系运行情况总结及有效性、符合性结论:(审核组长)签名:(管理者代表)批准:审核时间2002-11-26审核总结报告编号SH2002-01不彳部合项统计部门不符合数要素总经理管理者代表行销部技术部财管部合计4.14.25.15.25.35.45.55.6一6.16.26.36.47.17.27.37.47.57.68.18.28.38.48.5总计审核中发现问题

5、摘要说明从要素分析:从部门分析:薄弱环节:本次检查点总数:轻微不符合数:不符合率:内审总结:上表提交总经理作为管理评审的输入内容批准:日期:编制:日期:被审核部门:总经理审核日期:No:序检查内容检查方法检查记录检查结果备注1索阅质量体系文件,检查是否覆盖选用标准要求询问/验证2质量方针、目标如何传达给员工所理解询问/验证3有何种措施和手段保证质量方针和目标的贯彻询问4如何认识持续改进,策划管理了哪些持续改进过程询问5浅谈公司市场及资源配备情况询问6公司如何确定顾客的需求和期望,转化成要求的形式是什么询问/查看7公司如何证实顾客需求转化为相应要求,并得到满足询问/查看8有无任命管理者代表并赋予

6、一定职责和权限询问/验证9询问公司组织结构、质量职能的分配以及相互关系及接口的处理询问/验证10内部的沟通过程中(自上而下、自下而上、横向、斜向等)公司有哪些沟通方式(如例会、报告等)?询问/验证11是否推动全员参与,并有切实可行的操作手段和过程,最大限度调动员工参与实现顾客满意?询问/验证12在内部沟通过程中,是否存在主要障碍?有何措施防止混乱、避免统一指挥系统被破坏?询问/验证审核员:审核组长:序检查内容检查方法检查记录检查结果备Lal1如何编制质量体系文件,如何确保质量体系文件的持续性、有效性及工作中的符合性相一致询问2当质量体系文件与实际运作不符合时怎样加以控制并确保其有效性询问/验证

7、3怎样进行质量策划,如何编制质量计划询问/验证4如何贯彻公司的质量目标、政策,如何确保所定的质量目标有效可行,不行,如何处理询问/验证5是否知晓自己职责,如何履行其职责并发挥作用询问6是否由最高管理者书面任命,有无文件体现询问/查看7质量体系运行是否具备必要资源,是否充分、适当询问8部门、岗位的职责和权限及相互关系是否清楚、协调询问/验证9是否对质量目标进行了统计分析,对超标情况是否进行原因分析制定相应措施;询问/验证10有否规定纠正预防措施的制定和实施内容,是否有效利用信息来源;询问/验证11是否对纠正预防措施进行控制,有无跟踪验证;询问/验证12管理者代表如何就质量体系这行情况向最高管理者

8、报告?询问/验证13在内部沟通中,是否发挥了其主动主导作用,以确保在不同层次和职能之间进行有效,充分的沟通?询问/验证14对内部/外部信息是否进行了正确传递,是否建立了信息库,信息来源处理方式是否明确被审核部门:管理者代表审核日期:No:审核员:审核组长:被审核部门:行销部审核日期:No:序检查内容检查方法检查记录检查结果备注1与质量体系有关文件资料是否列入了控制范围,文件分发前是否经过符合规定的人员审核批准询问/验证2有效文件是否分发至所有使用场所/人员,并有发放回收记录询问/验证3无效或作废文件是否从使用场所/人员处撤出,并有相应标识询问/验证4文件更改是否及时并经批准,是否能通知到使用场

9、所/人员,文件更改是否做出适当标识和记录询问/验证5文件更改后是否进行跟踪检查,对出现的问题是否采取了纠正措施询问/验证6文件资料是否定期整理、汇总、分析、归档询问/验证7外来文件分发到内部各有关部门之前是否有有关责任人员的确认并使其得以控制?8是否规定了质量记录保管部门、保管期限、保管环境,是否规定了质量记录填写事项,实施效果如何询问/验证9是否对来自供方的质量记录作为资料的一部分,予以妥善保存、控制?10设备资产是否建立清单、是否标识,是否对设备进行了保养维修,有无维修计划,是否按计划实施,对出现问题设备是否进行了维修;询问/验证11是否知晓公司质量方针、目标,是否了解公司的质量管理体系的

10、运行状况询问/验证12公司是否进行工作环境方面管理(5S管理)询问/验证审核员:审核组长:被审核部门:技术部审核日期:No:序检查内容检查方法检查记录检查结果备注1实验设备操作人员是否能正确操作设备;询问/验证2是否对实验的条件进行控制,控制办法是否完善、有效;询问/验证3是否按实验标准进行实验,对不合格是否进行了相应处理;询问/验证4实验的文件是否完整,是否编制了实验方法规范;询问/验证5是否对实验过程质量进行控制,对出现的问题是否进行原因分析并及时进行了处理;询问/验证6区域实验物料是否进行了有效标识;询问/验证7对顾客提供物品是否进行了妥善保管,是否进行正确标识、保管、维护和定期检查询问

11、/验证8有无量仪校验计划,是否按计划实施,所用量仪是否在使用前经过校验;询问/验证9量仪是否建立了相应档案,是否进行了状态标识;询问/验证10所校验量仪是否满足产品本身精度要求,对偏离校准状态的量仪所测产品如何处理;询问/验证11对使用量仪如何维护保养,如何处理失效或报废量仪;12谁提出产品设计开发建议?谁决定产品设计开发?其决定的依据是否充分,可靠?13参与设计和开发的人员是否具备足够的能力?是否具有工作所需的充分的资源和信息?参与设计和开发的不同部门小组之间接口是否明确、合理,并实施了有效管理,确保了有效沟通?14设计和开发策划所形成的文件有否开展评审、验证和确认活动,15设计和开发输入文件是否包括产品的使用性要求、价格目标及投放市场目标、用的法律法规和标准要求(有无遗漏)、其他要求(艺要求等)?

展开阅读全文
相关资源
猜你喜欢
相关搜索

当前位置:首页 > 管理/人力资源 > 质量管理

copyright@ 2008-2023 1wenmi网站版权所有

经营许可证编号:宁ICP备2022001189号-1

本站为文档C2C交易模式,即用户上传的文档直接被用户下载,本站只是中间服务平台,本站所有文档下载所得的收益归上传人(含作者)所有。第壹文秘仅提供信息存储空间,仅对用户上传内容的表现方式做保护处理,对上载内容本身不做任何修改或编辑。若文档所含内容侵犯了您的版权或隐私,请立即通知第壹文秘网,我们立即给予删除!