建筑工地扬尘防治检查评分表(扬尘防治管理).docx

上传人:p** 文档编号:774841 上传时间:2024-02-26 格式:DOCX 页数:1 大小:16KB
下载 相关 举报
建筑工地扬尘防治检查评分表(扬尘防治管理).docx_第1页
第1页 / 共1页
亲,该文档总共1页,全部预览完了,如果喜欢就下载吧!
资源描述

《建筑工地扬尘防治检查评分表(扬尘防治管理).docx》由会员分享,可在线阅读,更多相关《建筑工地扬尘防治检查评分表(扬尘防治管理).docx(1页珍藏版)》请在第壹文秘上搜索。

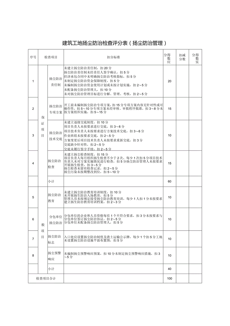
1、建筑工地扬尘防治检查评分表(扬尘防治管理)序号检查项目扣分标准得数应分扣减分数得数实分1保证项目扬尘防治责任制未建立扬尘防治责任制,扣20分扬尘防治责任制未经责任人签字确认,扣5分经济承包合同中未明确扬尘防治考核指标,扣5分未制定扬尘防治资金保障制度,扣5分未编制扬尘防治资金使用计划或未按计划实施,扣25分未配备扬尘防治管理人,扣10分未对扬尘防治管理目标进行分解、管理、考核,扣25分202扬尘防治专项方案开工前未编制扬尘防治专项方案,扣15分专项方案内容无针对性或可操作性,扣510分专项方案未经审核、审批程序批准,扣38分未按方案组织实施,扣515分153扬尘防治技术交底未建立逐级交底制度,

2、扣10分项目负责人未按要求进行交底,扣36分项目技术负责人未按要求进行方案技术交底,扣36分作业班组未按要求交底,扣25分方案变更后项目技术负责人未按要求重新交底,扣3分交底缺少针对性,扣25分交底未履行签字手续,扣25分104扬尘防治检查未建立扬尘检查制度,扣15分项目负责人每月组织扬生检查不少于2次,每少1次扣5分项目技术负贲人未对方案实施情况进行检查,扣5分扬尘防治管理人未按要求开展扬生检查,扣35分扬尘检查未留有检查记录,扣25分扬尘污染未按期整改到位,扣510分15小计605般项目扬尘防治教育未建立扬尘防治教育培训制度,扣10分未开展扬生防治入场教育,扣5分管理人员未按规定接受扬尘防治教育培训,每少1人扣1分未按要求建立扬生防治教育培训档案,扣23分106分包单位扬尘防治分包单位的企业和人员资格每有1个不符合要求,扣3分未按要求与分包单位签订扬尘防治协议,扣25分分包单位未配备扬尘防治管理人,扣5分107扬尘防治标志入口处应设置扬尘防治制度及渣土运输公示牌,每少1个扣5分工地未设置扬尘防治设施平面布置图,扣5分108扬尘预警响应未编制扬尘预警响应预案,扣10分未制定扬尘预警响应措施,扣35分10小计40检查项目合计100

展开阅读全文
相关资源
猜你喜欢
相关搜索

当前位置:首页 > 建筑/环境 > 安全文明施工

copyright@ 2008-2023 1wenmi网站版权所有

经营许可证编号:宁ICP备2022001189号-1

本站为文档C2C交易模式,即用户上传的文档直接被用户下载,本站只是中间服务平台,本站所有文档下载所得的收益归上传人(含作者)所有。第壹文秘仅提供信息存储空间,仅对用户上传内容的表现方式做保护处理,对上载内容本身不做任何修改或编辑。若文档所含内容侵犯了您的版权或隐私,请立即通知第壹文秘网,我们立即给予删除!