开环控制系统与闭环控制系统的区别及相关.docx

上传人:p** 文档编号:775370 上传时间:2024-02-26 格式:DOCX 页数:7 大小:379.95KB
下载 相关 举报
开环控制系统与闭环控制系统的区别及相关.docx_第1页
第1页 / 共7页
开环控制系统与闭环控制系统的区别及相关.docx_第2页
第2页 / 共7页
开环控制系统与闭环控制系统的区别及相关.docx_第3页
第3页 / 共7页
开环控制系统与闭环控制系统的区别及相关.docx_第4页
第4页 / 共7页
开环控制系统与闭环控制系统的区别及相关.docx_第5页
第5页 / 共7页
开环控制系统与闭环控制系统的区别及相关.docx_第6页
第6页 / 共7页
开环控制系统与闭环控制系统的区别及相关.docx_第7页
第7页 / 共7页
亲,该文档总共7页,全部预览完了,如果喜欢就下载吧!
资源描述

《开环控制系统与闭环控制系统的区别及相关.docx》由会员分享,可在线阅读,更多相关《开环控制系统与闭环控制系统的区别及相关.docx(7页珍藏版)》请在第壹文秘上搜索。

1、开环控制系统与闭环控制系统的区别及相关的实例开环控制系统:不将控制的结果反应回来影响当前控制的系统举例:翻开灯的开关一一按下开关后的一瞬间,控制活动已经结束,灯是否亮起以对按开关的这个活动没有影响;闭环控制系统:可以将控制的结果反应回来与希望值比拟,并根据它们的误差调整控制作用的系统举例:调节水龙头首先在头脑中对水流有一个期望的流量,水龙头翻开后由眼睛观察现有的流量大小与期望值进行比拟,并不断的用手进行调节形成一个反应闭环控制;骑自行车同理不断的修正行进的方向与速度形成闭环控制开环闭环的区别:1、有无反应;2、是否对当前控制起作用。开环控制一般是在瞬间就完成的控制活动,闭环控制一定会持续一定的

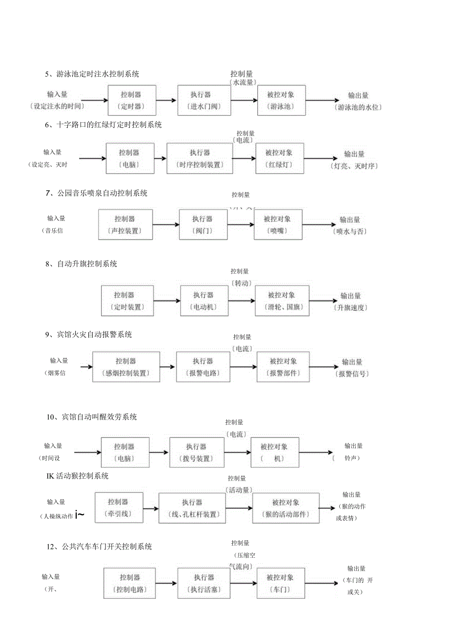
2、时间,可以借此判断。手动控制系统:必须在人的直接干预下才能完成控制任务的系统自动控制系统:不需要有人干预就可按照期望规律或预定程序运行的控制系统判断:骑自行车一一人工闭环系统,导弹自动闭环系统,人翻开灯一一人工开环系统,自动门、自动路灯自动开环系统开环控制系统方框图19例开环控制系统的方框图:控制量输入量(给定量)输出量(被控量)1、水泵抽水控制系统控制量输入量(接通电源)输出量(水管排出水)2、家用窗帘自动控制系统控制量输入量_ (天亮或暗)3、宾馆自动门控制系统4、楼道自动声控灯装置控制量输入量【有无声音)输出量(灯亮或灭)5、游泳池定时注水控制系统控制量6、十字路口的红绿灯定时控制系统控

3、制量输入量(设定亮、灭时序)7、公园音乐喷泉自动控制系统输入量(音乐信号)控制量8、自动升旗控制系统控制量9、宾馆火灾自动报警系统控制量输入量(烟雾信号)10、宾馆自动叫醒效劳系统控制量输入量(时间设定)输出量铃声)IK活动猴控制系统控制量输入量(人操纵动作i输出量(猴的动作 或表情)12、公共汽车车门开关控制系统控制量(压缩空输入量(开、关)输出量(车门的 开或关)控制量输入量(脚踏速度)控制量输出量(风速)13、家用缝纫机缝纫速度控制系统14、普通电风扇控制系统控制量输入量(接通电源)输出量(运行或停止)控制量输入量(人的动作)输出量(亮或灭)15、普通全自动洗衣机控制系统16、手电筒控制

4、装置控制量17、宾馆自动门加装压力传感器防意外事故自动控制系统输入量(压力传感器是否测到压力异常信号)18、可调光台灯控制系统控制量控制量输入量_(设定的档位)19、电吹风控制系统控制量输入量(人热辐射发出的信号)输出量(门开或闭)闭环控制系统方框图12例闭环控制系统的方框图:控制量比拟器给定量(输入量)1、投篮2、供水水箱的水位自动控制系统控制量检测装置(热电偶)控制量给定量(设定的水位)5、花房温度控制系统控制量(制冷制控制量7、家用电饭锅保温控制系统控制量被控量(电饭锅温度7080C)8、家用电冰箱温度控制系统控制量给定量(设定的温度)检测装置(冰箱温控装置)控制量10、粮库温、湿度自动控制系统11、自动电热水壶控制系统广州珍珠岩,广州珍珠岩厂Ce57uICIJeu8

展开阅读全文
相关资源
猜你喜欢
相关搜索

当前位置:首页 > 通信/电子 > 电子电气自动化

copyright@ 2008-2023 1wenmi网站版权所有

经营许可证编号:宁ICP备2022001189号-1

本站为文档C2C交易模式,即用户上传的文档直接被用户下载,本站只是中间服务平台,本站所有文档下载所得的收益归上传人(含作者)所有。第壹文秘仅提供信息存储空间,仅对用户上传内容的表现方式做保护处理,对上载内容本身不做任何修改或编辑。若文档所含内容侵犯了您的版权或隐私,请立即通知第壹文秘网,我们立即给予删除!