套筒灌浆施工灌浆饱满度微创取芯检测方法.docx

上传人:p** 文档编号:775681 上传时间:2024-02-26 格式:DOCX 页数:3 大小:134.23KB
下载 相关 举报
套筒灌浆施工灌浆饱满度微创取芯检测方法.docx_第1页
第1页 / 共3页
套筒灌浆施工灌浆饱满度微创取芯检测方法.docx_第2页
第2页 / 共3页
套筒灌浆施工灌浆饱满度微创取芯检测方法.docx_第3页
第3页 / 共3页
亲,该文档总共3页,全部预览完了,如果喜欢就下载吧!
资源描述

《套筒灌浆施工灌浆饱满度微创取芯检测方法.docx》由会员分享,可在线阅读,更多相关《套筒灌浆施工灌浆饱满度微创取芯检测方法.docx(3页珍藏版)》请在第壹文秘上搜索。

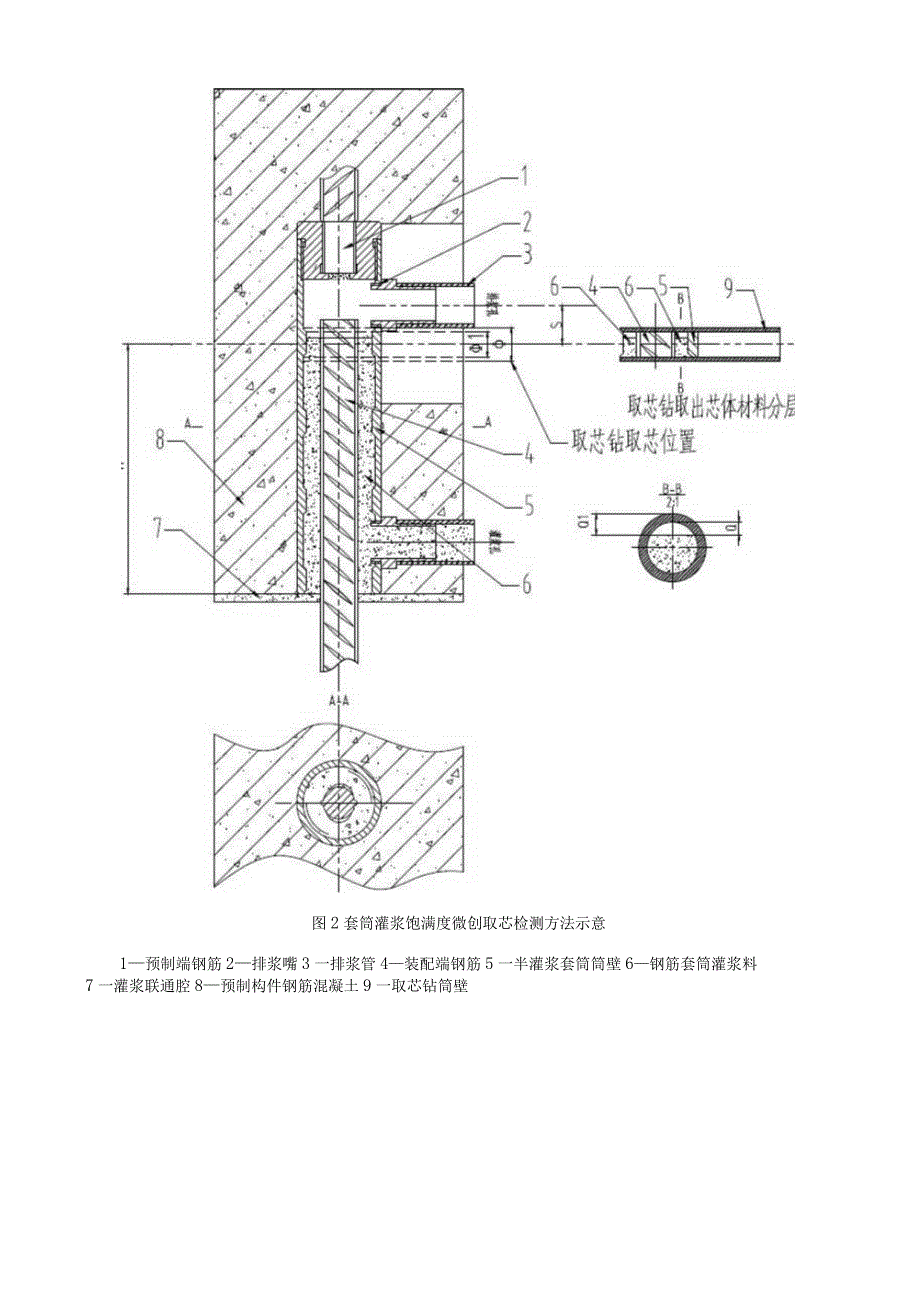
1、套筒灌浆施工灌浆饱满度微创取芯检测方法一、套筒灌浆施工灌浆饱满度微创取芯检测法示意见图1和图2。二、质检人员在施工现场随机选取一个竖向预制构件上的已完成钢筋套筒灌浆施工的近壁灌浆接头,选取原则如下:1钢筋套筒灌浆饱满度检验构件的选取应均匀分布,且应具有代表性;2选取的灌浆接头,当同一批次有不同规格灌浆接头时,其中应包含最大规格灌浆接头。三、用钢筋位置探测仪探明预制构件内的近壁灌浆接头准确位置,通过设计图纸和出浆口位置确定取芯部位,用水钻去除取芯部位灌浆接头外侧混凝土保护层,形成取芯窗口,然后安装取芯钻机钻孔取芯。四、直径1232mm钢筋采用直径为16mm取芯钻头,36-40mm钢筋采用直径为1

2、8mm取芯钻头,钻头中心理论高度h应符合本规程表4的规定。表4理论取芯高度钢筋直径d/mm取芯高度灌浆料强h疝度等级值12202232364085MPa7.5d8.0dIlOMPa7.0d7.5d9.5d1半灌浆接头取芯高度位置以竖向构件底面为基准,全灌浆接头取芯高度位置以竖向构件底面加(8d+30)mm为基准;取芯时要求实测取芯高度H与钻头中心理论高度h差值不应大于2nuno2钻至钢筋位置时停止,形成直径8mm或IOmm芯体。根据完整程度做饱满度定量分析,灌浆料层(6)芯体沿直径方向缺失最大长度为Q,根据这项指标判断套筒内灌浆的饱满状况,做出该套筒灌浆饱满度计算;3钻至钢筋位置时停止,形成直

3、径16三或18un盲孔。灌浆料层未形成芯体难以做出判断时,可根据取芯孔孔侧浆料距芯孔顶距离(QI)做出该套筒灌浆饱满度计算;4全灌浆接头取芯时不得损伤钢筋;5不明原因难以做出判断,可用内窥镜配合做出判断;6取芯钻孔遇到钢筋贴壁的难以做出判断,可另行选取接头取芯。五、对于完成套筒灌浆施工灌浆饱满度微创取芯检测形成的空洞,采用强度不小于60Mla的坐浆料拌制后填实。六、灌浆饱满度计算:1灌浆饱满度合格值二h/8d(12mm32mm的钢筋);2灌浆饱满度合格值二h/10d(36mm40Inm的钢筋);3灌浆饱满度实测值=(II+4-Q)8d或(H+8-Ql)8d(12mm32mm的钢筋);4灌浆饱满度实测值=(II+5-Q)10d或(H9-Ql)10(d36mm40mm的钢筋)。七、判定规则:当灌浆饱满度实测值(取较大值)2灌浆饱满度合格值,判定该灌浆套筒灌浆饱满度合格,否则为不合格。小 LhZ3d图1套筒灌浆饱满度微创取芯检测方法示意1-全灌浆套筒;2-半灌浆套筒;3-灌浆孔;4-出浆孔;5-钻孔取芯(孔径为16或18mm)d一灌浆接头灌浆连接端钢筋直径图2套筒灌浆饱满度微创取芯检测方法示意1预制端钢筋2排浆嘴3一排浆管4装配端钢筋5一半灌浆套筒筒壁6钢筋套筒灌浆料7一灌浆联通腔8预制构件钢筋混凝土9一取芯钻筒壁

展开阅读全文
相关资源
猜你喜欢
相关搜索

当前位置:首页 > 论文 > 毕业论文

copyright@ 2008-2023 1wenmi网站版权所有

经营许可证编号:宁ICP备2022001189号-1

本站为文档C2C交易模式,即用户上传的文档直接被用户下载,本站只是中间服务平台,本站所有文档下载所得的收益归上传人(含作者)所有。第壹文秘仅提供信息存储空间,仅对用户上传内容的表现方式做保护处理,对上载内容本身不做任何修改或编辑。若文档所含内容侵犯了您的版权或隐私,请立即通知第壹文秘网,我们立即给予删除!