实测实量检查记录表.docx

上传人:p** 文档编号:780466 上传时间:2024-02-26 格式:DOCX 页数:8 大小:61.42KB
下载 相关 举报
实测实量检查记录表.docx_第1页
第1页 / 共8页
实测实量检查记录表.docx_第2页
第2页 / 共8页
实测实量检查记录表.docx_第3页
第3页 / 共8页
实测实量检查记录表.docx_第4页
第4页 / 共8页
实测实量检查记录表.docx_第5页
第5页 / 共8页
实测实量检查记录表.docx_第6页
第6页 / 共8页
实测实量检查记录表.docx_第7页
第7页 / 共8页
实测实量检查记录表.docx_第8页
第8页 / 共8页
亲,该文档总共8页,全部预览完了,如果喜欢就下载吧!
资源描述

《实测实量检查记录表.docx》由会员分享,可在线阅读,更多相关《实测实量检查记录表.docx(8页珍藏版)》请在第壹文秘上搜索。

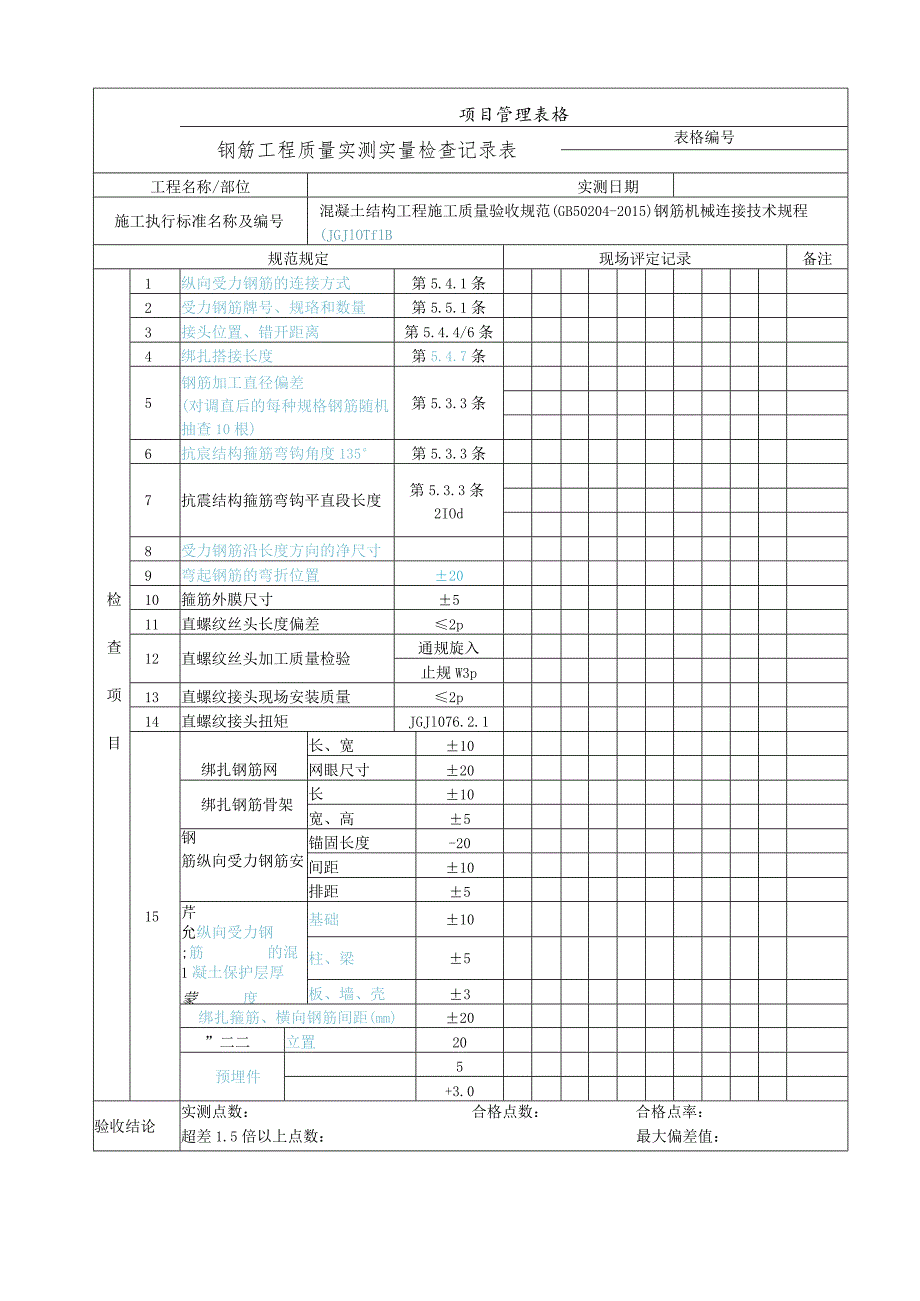
1、项目管理表格钢筋工程质量实测实量检查记录表表格编号工程名称/部位实测日期施工执行标准名称及编号混凝土结构工程施工质量验收规范(GB50204-2015)钢筋机械连接技术规程(JGJlOTflB规范规定现场评定记录备注检查项目1纵向受力钢筋的连接方式第5.4.1条2受力钢筋牌号、规珞和数量第5.5.1条3接头位置、错开距离第5.4.4/6条4绑扎搭接长度第5.4.7条5钢筋加工直径偏差(对调直后的每种规格钢筋随机抽查10根)第5.3.3条6抗宸结构箍筋弯钩角度135第5.3.3条7抗震结构箍筋弯钩平直段长度第5.3.3条2IOd8受力钢筋沿长度方向的净尺寸9弯起钢筋的弯折位置2010箍筋外膜尺寸

2、511直螺纹丝头长度偏差2p12直螺纹丝头加工质量检验通规旋入止规W3p13直螺纹接头现场安装质量2p14直螺纹接头扭矩JGJl076.2.115绑扎钢筋网长、宽10网眼尺寸20绑扎钢筋骨架长10宽、高5钢筋纵向受力钢筋安锚固长度-20间距10排距5芹允纵向受力钢;筋的混1凝土保护层厚蒙度基础10柱、梁5板、墙、壳3绑扎箍筋、横向钢筋间距(mm)20”二二立置20预埋件5+3.0验收结论实测点数:合格点数:合格点率:超差1.5倍以上点数:最大偏差值:项目管理表格现浇结构模板工程质量实测实量检查记录表表格编号工程名称/部位实测日期施工执行标准名称及编号混凝土结构工程施工质量验收规范(GB5020

3、4-2015)规范规定现场检查评定m汪检查项目1标准第421条2现浇混凝土结构模板及支架的安装质量第422条3后浇带处模板及支架第4.23条4支架竖杆和竖向模板安装第424条5核安装质量第425条6隔离剂的品种和涂刷方法第4.26条7第4.27条8现浇混凝土结构多层连续支模第4.28条6预埋件、预留孔允许偏差预埋板中心线位置(InnI)3预埋管,预留孔中心线位置3插筋(mm)中心线位置5外露长度+10,0预埋螺栓(mm)中心线位置2外露长度+10.0预留洞(mm)中心线位置10尺寸+10.07模板安装允许偏差轴线位移(mm)5底模上表面标高(mm)+5截面内部尺寸(DIm)基础+10柱、墙、梁

4、+5楼梯相邻踏步高差5垂直度(mm)庄、墙层高W6m4柱、墙层高6m6相邻两块模板表面高差(mm)2表面平整度(mm)5验收结论实测点数:合格点数:合格点率:超差1.5倍以上点数:最大偏差值:项目管理表格预制构件模板工程质量实测实量检查记录表表格编号工程名称/部位实测日期施工执行标准名称及编号混凝土结构工程施工质量验收规范(GB50204-2015)规范规定现场检查记录备注检查项目1长度梁、板4薄腹梁、桁架8柱0,-10墙板0,-52宽度板、墙板0,-5梁、薄腹梁、桁架+2,-53高(厚)度板+2,-3墙板0,-5梁、薄腹梁、桁架、柱+2,-54侧向弯曲梁、板、柱L/1000且W15墙板、薄腹

5、梁、桁架L/1500且W155板的表面平整度36相邻两板表面高低差17对角线差板78墙板59翘曲板、墙板L/150010设计起拱薄腹梁、桁架、梁+3验收结论实测点数:合格点数:合格点率:超差1.5倍以上点数:最大偏差值:测量人:记录人:陪同人:项目负责人:项目管理表格混凝土工程质量实测实量检查记录表表格编号工程名称/部位实测日期施工执行标准名称及编号混凝土结构工程施工质量验收规范(GB50204-2015)规范规定现场检查记录3注检查项目1轴线位置整体基础15独立基础10柱、墙、梁82垂直度(mm)柱、墙层高6m46m6全高H300mH/30000+20全高H300mH/10000且W803标

6、高层高10全高304基础+15,-10柱、梁、板、墙+10,-5楼梯相邻踏步高差65电梯井洞中心位置10长宽尺寸+25,06表面平整度(mm)47预埋件中心位置预埋板10预埋螺栓5预埋管5108预留洞、孔位置(mm)15验收结论实测点数:合格点数:合格点率:超差L5倍以上点数:最大偏差值:项目管理表格砌体工程质量实测实量检查记录表表格编号工程名称/部位实测日期施工执行规范名称(编号)砌体结构工程施工质量验收规范(GB50203-20U)规范规定检查评定记声备注6查项目1马牙槎尺寸凹凸尺寸260mm,高度300mm2轴线位移1Omm3面直垂度3m5mm用于空心砖、加气块填充墙3m10mm/5un普通砖、多孔砖、实心砖、灰砂砖、粉煤灰砖、小型空心砌块4

展开阅读全文
相关资源
猜你喜欢
相关搜索

当前位置:首页 > 建筑/环境 > 测绘

copyright@ 2008-2023 1wenmi网站版权所有

经营许可证编号:宁ICP备2022001189号-1

本站为文档C2C交易模式,即用户上传的文档直接被用户下载,本站只是中间服务平台,本站所有文档下载所得的收益归上传人(含作者)所有。第壹文秘仅提供信息存储空间,仅对用户上传内容的表现方式做保护处理,对上载内容本身不做任何修改或编辑。若文档所含内容侵犯了您的版权或隐私,请立即通知第壹文秘网,我们立即给予删除!