档案职业竞赛评分标准.docx

上传人:p** 文档编号:787828 上传时间:2024-03-01 格式:DOCX 页数:5 大小:20.17KB
下载 相关 举报
档案职业竞赛评分标准.docx_第1页
第1页 / 共5页
档案职业竞赛评分标准.docx_第2页
第2页 / 共5页
档案职业竞赛评分标准.docx_第3页
第3页 / 共5页
档案职业竞赛评分标准.docx_第4页
第4页 / 共5页
档案职业竞赛评分标准.docx_第5页
第5页 / 共5页
亲,该文档总共5页,全部预览完了,如果喜欢就下载吧!
资源描述

《档案职业竞赛评分标准.docx》由会员分享,可在线阅读,更多相关《档案职业竞赛评分标准.docx(5页珍藏版)》请在第壹文秘上搜索。

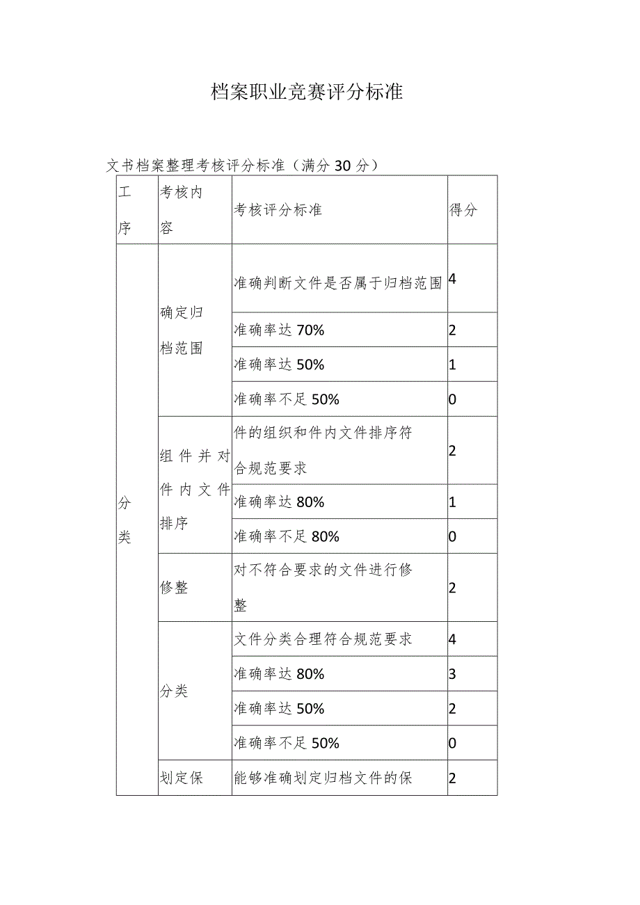
1、档案职业竞赛评分标准文书档案整理考核评分标准(满分30分)工序考核内容考核评分标准得分分类确定归档范围准确判断文件是否属于归档范围4准确率达70%2准确率达50%1准确率不足50%0组件并对件内文件排序件的组织和件内文件排序符合规范要求2准确率达80%1准确率不足80%0修整对不符合要求的文件进行修整2分类文件分类合理符合规范要求4准确率达80%3准确率达50%2准确率不足50%0划定保能够准确划定归档文件的保2管期限管期限未能对保管期限进行准确划定,或划定错误)0排列归档文件排列能够遵照文件之间的有机联系进行排列且符合规范要求3准确率达80%2准确率达50%1准确率不足50%0编目编制档号按

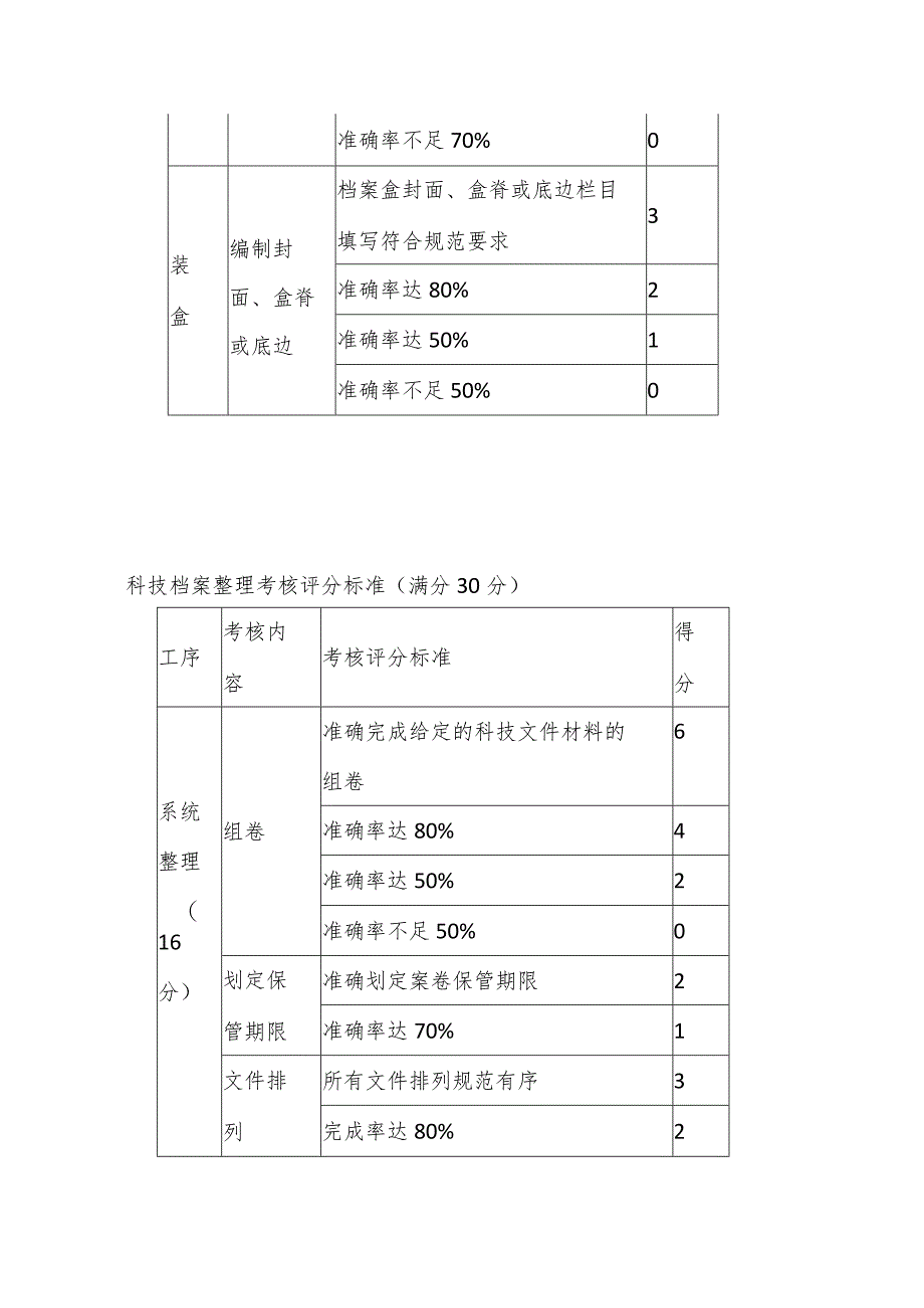
2、照规范要求正确编制档号2准确率达70%1准确率不足70%0填写并加盖归档章归档章准确填写且加盖位置正确1编制归档文件目录能够准确编制归档文件目录,各要素填写完整,条目清晰5完成率达80%3完成率达50%2完成率不足50%0编制备考表能够准确编制盒内备考表2准确率达70%1准确率不足70%0装盒编制封面、盒脊或底边档案盒封面、盒脊或底边栏目填写符合规范要求3准确率达80%2准确率达50%1准确率不足50%0科技档案整理考核评分标准(满分30分)工序考核内容考核评分标准得分系统整理(16分)组卷准确完成给定的科技文件材料的组卷6准确率达80%4准确率达50%2准确率不足50%0划定保管期限准确划定

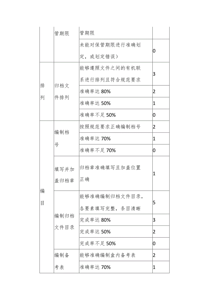
3、案卷保管期限2准确率达70%1文件排列所有文件排列规范有序3完成率达80%2完成率达50%1完成率不足50%0图纸折叠完成各种规格图纸折叠且符合规范6完成率达80%5完成率达50%3完成率不足50%0编目(14分)件号准确编写件号2填写卷内目录完成所有卷内目录填写且符合规范要求5完成率达80%3完成率达50%2完成率不足50%0填写备考表完成备考表有关栏目内容填写且符合规范要求2完成率达50%1完成率不足50%0卷盒封面及背脊编制档案盒封面、盒脊或底边栏目填4完成率达70%1完成率不足70%0信息化考核评分标准(满分20分)“扫描图像文件夹A”共包含若干张扫描图像,选出有瑕疵图像。选对加分选错扣分,本题最高20分,最低0分,加减分相加后若为负分,以0分计。著录考核评分标准(满分20分)对所给文件指定著录项进行著录,逐项给分,答错不扣分。

展开阅读全文
相关资源
猜你喜欢
相关搜索

当前位置:首页 > 汽车/机械/制造 > 汽车作业报告

copyright@ 2008-2023 1wenmi网站版权所有

经营许可证编号:宁ICP备2022001189号-1

本站为文档C2C交易模式,即用户上传的文档直接被用户下载,本站只是中间服务平台,本站所有文档下载所得的收益归上传人(含作者)所有。第壹文秘仅提供信息存储空间,仅对用户上传内容的表现方式做保护处理,对上载内容本身不做任何修改或编辑。若文档所含内容侵犯了您的版权或隐私,请立即通知第壹文秘网,我们立即给予删除!