残障人士规范化模式.docx

上传人:p** 文档编号:788690 上传时间:2024-03-01 格式:DOCX 页数:29 大小:500.83KB
下载 相关 举报
残障人士规范化模式.docx_第1页
第1页 / 共29页
残障人士规范化模式.docx_第2页
第2页 / 共29页
残障人士规范化模式.docx_第3页
第3页 / 共29页
残障人士规范化模式.docx_第4页
第4页 / 共29页
残障人士规范化模式.docx_第5页
第5页 / 共29页
残障人士规范化模式.docx_第6页
第6页 / 共29页
残障人士规范化模式.docx_第7页
第7页 / 共29页
残障人士规范化模式.docx_第8页
第8页 / 共29页
残障人士规范化模式.docx_第9页
第9页 / 共29页
残障人士规范化模式.docx_第10页
第10页 / 共29页
亲,该文档总共29页,到这儿已超出免费预览范围,如果喜欢就下载吧!
资源描述

《残障人士规范化模式.docx》由会员分享,可在线阅读,更多相关《残障人士规范化模式.docx(29页珍藏版)》请在第壹文秘上搜索。

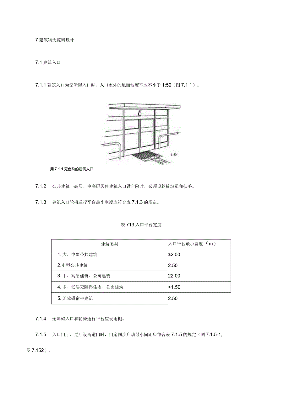
1、7建筑物无隙碍设计7.1建筑入口7.1.1建筑入口为无障碍入口时,入口室外的地面坡度不应不小于1:50(图7.11)。用7.1.1无台阶的建筑人口7.1.2 公共建筑与高层、中高层居住建筑入口设台阶时,必须设轮椅坡道和扶手。7.1.3 建筑入口轮椅通行平台最小宽度应符合表7.1.3的规定。表713入口平台宽度建筑类别入口平台最小宽度(m)1.大、中型公共建筑2.002.小型公共建筑2.503.中、高层建筑、公寓建筑22.004.多、低层无障碍住宅、公寓建筑1.505.无障碍宿舍建筑2.507.1.4 无障碍入口和轮椅通行平台应设雨棚。7.1.5 入口门厅、过厅设两道门时,门扇同步启动最小间距应

2、符合表7.1.5的规定(图7.1.5-1,图7.152)。ffi7.1.5-2大、中B公建门厅门网ft表7.1.5门扇同步启动最小间距建筑类别门扇启动后最小间距(m)1.大、中型公共建筑1.502.小型公共建筑21.203.中、高层建筑、公寓建筑21.504.多、低层无障碍住宅建筑1.207.2坡道供轮椅通行H勺坡道应设计成直线形、直角形或折返形,不适宜设计成弧形(图,图)。7. 2.27. 2.3ffl 7.2.1-1直角影城道图7.2.l2折速形坡遒坡道两侧应设扶手,坡道与休息平台的扶手应保持连贯。坡道侧面凌空时,在扶手栏杆下端宜设高不不不小于50mm的坡道安全挡台(图7.2.3)。田7.

3、2.3坡道安全挡台7. 2.4不一样位置的坡道,其坡度和宽度应符合表7.2.4的规定。表7.2.4不一样位置日勺坡道坡度和宽度坡道位置最大坡度最小宽度5)1.有台阶的建筑入口1:1221.202.只设坡道的建筑入口1:201.503.室内走道1:1221.004.室外通路1:20NL505.困难地段1:101.20坡道在不一样坡度的状况下,坡道高度和水平长度应符合表7.2.5的规定(图7.2.5)。图7.2.5 1:12坡道高度和水平K度表7.2.5不一样坡度高度和水平长度坡度1:201:161:121:101:8最大高度1.501.000.750.600.35水平长度(In)30.OO16.

4、OO9.OO6.OO2.807.2.61:101:8坡度的坡道应只限用于受场地限制改建的建筑物和室外通路。7.2.7坡道的坡面应平整,不应光滑。7.2.8坡道起点、终点和中间休息平台的水平长度不应不不小于1.50m(图7.2.8)L图7,2.8坡道起点、终点和休息平台水平长度(mm)7.3通路、走道和地面乘轮椅者通行口勺走道和通路最小宽度应符合表7.3.1的规定(图7.3.1)。图7.3.1走道、通路最小宣度7.3.1轮椅通行最小宽度建筑类别最小宽度(m)1.大型公共走道21.802.中小型公共建筑走道21.503检票口、结算口轮椅通道0.904.居住建筑走廊21.205.建筑基地人行通路21

5、.507.3.2人行通路和室内地面应平整、不光滑、不松动和不积水。7.3.3使用不一样材料铺装的地面应互相取平;如有高差时不应不小于15mm,并应以斜面过渡。7.3.4人行通路和建筑入口、J雨水算子不得高出地面,其孔洞不得不小于15mmX15mm。7.3.5门扇向走道内启动时应设凹室,凹室面积不应不不小于L30mX0.凹m(图7.3.5)。7.3.5走道的凹室7.3.6从墙面伸入走道的突出物不应不小于O.10m,距地面高度应不不小于0.60m。7.3.7重要供残疾人使用的走道与地面应符合下列规定:1走道宽度不应不不小于L80m;2走道两侧应设扶手;3走道两侧墙面应设高0.35m护墙板;4走道及

6、室内地面应平整,并应选用遇水不滑的地面材料;5走道转弯处的阳角应为弧墙面或切角墙面;6走道内不得设置障碍物,光照度不应不不小于120IX7.3.8在走道一侧或尽端与其他地坪有高差时,应设置栏杆或栏板等安全设施。2 .4门7 .4.1供残疾人使用的门应符合下列规定:1应采用自动门,也可采用推拉门、折叠门或平开门,不应采用力度大时弹簧门;2在旋转门一侧应另设残疾人使用的门;3轮椅通行门I内净宽应符合表7.4.1的规定。类别净宽(m)1.自动门1.002.推拉门、折叠门20.803.平开门20.804.弹簧门(小力度)20.804乘轮椅者启动的推拉门和平开门,在门把手一侧的墙面,应留有不不不小于0.

7、5mH勺墙面宽度(S.1);5乘轮椅者启动的门扇,应安装视线观测玻璃、横执把手和关门拉手,在门扇的下方应安装高O35m护门板(图7.4.1-2);6门扇在一只手操纵下应易于启动,门槛高度及门内外地面高差不应不小于15mm,并应以斜面过渡。图7.4.1 I门把手一例 墙面宽度(mm)图7.4.12门关门拉手7.5楼梯与台阶7.5.1残疾人使用的楼梯与台阶设计规定应符合表7.5.1H勺规定。表7.5.1楼梯与台阶设计规定图7.5.1有休息平台直形楼梯图7.5.12无休息平台 及孤形楼梯图7.5.13无璃面M步和突修直角形踏步类别设计要求楼梯与台阶形式1 .应采用在休息平台的直线形梯段和台阶(图-1

8、)。2 .不应采用无休息平台的楼梯和弧形楼梯(图7.5.1-2).3 .不应采用无踢面和突缘为直角形踏步(图7.5.1-3)。宽度1.公共建筑梯段宽度不应不不小于1.50m。2,居住建筑梯段宽度不应不不小于1.20m。扶手1 .楼梯两侧应设扶手。2 .从三级台阶起应设扶手。踏面L应平整而不应光滑。2.明步踏面应设高不不不小于50mm安全挡台(图-4)。盲道踏步起点与终点2530cm应设提醒盲道(图-5)。颜色踏面和踢面的颜色应有辨别和对比.图7.5.L4装步安全替台图7.5.15楼梯R道位置7.5.2残疾人使用的楼梯、台阶踏步的宽度和高度应符合表7.5.2|向规定。7. 5.2残疾人使用的楼梯

9、、台阶踏步的J宽度和高度应符合表7.5.2的规定。表7.5.2楼梯、台阶踏步的宽度和高度建筑类别最小宽度(In)最大高度5)公共建筑楼梯0.280.15住宅、公寓建筑公用楼梯0.260.16幼稚园、小学校楼梯0.260.14室外台阶0.300.147.6扶手7.6.1供残疾人使用的扶手应符合下列规定:1坡道、台阶及楼梯两侧应设高085m的扶手;设两层扶手时,下层扶手高应为0.65m(图用7.6.1扶手高度2扶手起点与终点处延伸应不小于或等于030m3扶手末端应向内拐到墙面,或向下延伸0.1Om。栏杆式扶手应向下成弧形或延伸到地面上固定(图-2);图7.612扶手拐到墙面或向下4扶手内侧与墙面的

10、距离应为4550mm;5扶手应安装结实,形状易于抓握。扶手截面尺寸应符合表J规定(图7.6.1-3)。40-50 图7.6.13扶手梭面及托件表7.6.1扶手截面尺寸类另U截面尺寸(mm)圆形扶手3545(直径)矩形扶手3545(宽度)7.6.2安装在墙面的扶手托件应为L形,扶手和托件的总高度宜为7080mm。7.6.3交通建筑、医疗建筑和政府接待部门等公共建筑,在扶手的起点与终点处应设盲文阐明牌(图7. 6.3)。7.7电梯与升降平台7.7.1在公共建筑中配置电梯时,必须设无障碍电梯。7.7.2候梯厅的无障碍设施与设计规定应符合表7.7.2的规定(图7.7.2)。表7.73候梯厅无障碍设施与

11、设计规定设施类别设计要求深度候梯厅深度不小于或等于L80m。按钮高度0.90Llomo电梯门洞净宽度不小于或等于0.90m。显示与音响清晰显示轿厢上、下运行方向和层数位置及电梯抵达音响。志L每层电梯口应安装楼层标志。2.电梯口应设提醒盲道。7.7.3残疾人使用H勺电梯轿厢无障碍设施与设计规定应符合表7.7.3的规定(图7.7.3)。图 7.7.2候*厅表电梯轿厢无障碍设施与设计规定设施类别设计要求电梯门启动净宽度不小于或等于O.80mo面积1 .轿厢深度不小于或等于1.40m。2 .轿厢宽度不小于或等于1.Wmo扶手轿厢正面和侧面应设高O.800.85m。选层按钮轿厢侧面应设高0.90LlOm

12、带盲文的选层按钮。镜子轿厢正面高0.90m处至顶部应安装镜子。显示与音响轿厢上、下运行及抵达应有清晰显示和报层音响。7. 7.47. 7.5只设有人、货两用电梯时,应为残疾人、老年人提供服务。供乘轮椅者使用的升降平台应符合下列规定(图7.7.5):建筑入口、大厅、通道等地面高差处,进行无障碍建设或改造有困难时,应选用升降平台取代轮椅坡道;2升降平台B面积不应不不小于L20mXO.90m,平台应设扶手或挡板及启动按钮。ffi7.7.5升降平台7.8公共厕所、专用厕所和公共浴室7.8.1公共厕所无障碍设施与设计规定应符合表7.8.1的规定。表公共厕所无障碍设施与设计规定设施类别设计要求入口应符合本

13、规范第7章第1节的有关规定。门扇应符合本规范第7章第4节的有关规定。通道地面应防滑和不积水,宽度不应不不小于1.50m。洗手盆1 .距洗手盆两侧和前缘50mm应设安全抓杆。2 .洗手盆前应有LlOnlX0.80m乘轮椅者使用面积。男厕所L小便器两侧和上方,应设宽0.600.70m、高1.2Om的安全抓杆(图-1)。2.小便器下口距地面不应不小于0.5OIn(图7.8.1-2)。无障碍厕位L男、女公共厕所应各设一种无障碍隔间厕位。2 .新建无障碍厕位面积不应不不小于L801.40m(图-3)。3 .改建无障碍厕位面积不应不不小于2.001.OOm(图7.8.1-4)。4 .厕位门扇向外启动后,入

14、口净宽不应不不小于0.80m,门扇内侧应设关门拉手。5 .坐便器高0.45m,两侧应设高0.7Onl水平抓杆,在墙面侧应设高L40m的)垂直抓杆。(图7.8.1-5)。安全抓杆1 .安全抓杆直径应为3040mm。2 .安全抓杆内侧应距墙面40mmo3 .抓杆应安装结实。图7.8.1 I常螳式小便Il安全抓杆图 7.R.I-KUO图7,812悬Ir式小便器安全抓杆7.8.2专用厕所无障碍设施与设计规定应符合表7.8.2的规定(图7.8.2)。图7.8b4改建无障碍题位图7.8.15坐便器两固定式安全抓杆7.8.3公共浴室元障碍设施与设计规定应符合表7.8.3H规定(图7.8.3T,图7.8.3-2)。图7.8.3l残疾人淋带间图7.8.3 2残娱人4带间表7.8.3公共浴室无障碍

展开阅读全文
相关资源
猜你喜欢
相关搜索

当前位置:首页 > 研究报告 > 技术指导

copyright@ 2008-2023 1wenmi网站版权所有

经营许可证编号:宁ICP备2022001189号-1

本站为文档C2C交易模式,即用户上传的文档直接被用户下载,本站只是中间服务平台,本站所有文档下载所得的收益归上传人(含作者)所有。第壹文秘仅提供信息存储空间,仅对用户上传内容的表现方式做保护处理,对上载内容本身不做任何修改或编辑。若文档所含内容侵犯了您的版权或隐私,请立即通知第壹文秘网,我们立即给予删除!