水暖安装施工方案.docx

上传人:p** 文档编号:789652 上传时间:2024-03-01 格式:DOCX 页数:9 大小:31.71KB
下载 相关 举报
水暖安装施工方案.docx_第1页
第1页 / 共9页
水暖安装施工方案.docx_第2页
第2页 / 共9页
水暖安装施工方案.docx_第3页
第3页 / 共9页
水暖安装施工方案.docx_第4页
第4页 / 共9页
水暖安装施工方案.docx_第5页
第5页 / 共9页
水暖安装施工方案.docx_第6页
第6页 / 共9页
水暖安装施工方案.docx_第7页
第7页 / 共9页
水暖安装施工方案.docx_第8页
第8页 / 共9页
水暖安装施工方案.docx_第9页
第9页 / 共9页
亲,该文档总共9页,全部预览完了,如果喜欢就下载吧!
资源描述

《水暖安装施工方案.docx》由会员分享,可在线阅读,更多相关《水暖安装施工方案.docx(9页珍藏版)》请在第壹文秘上搜索。

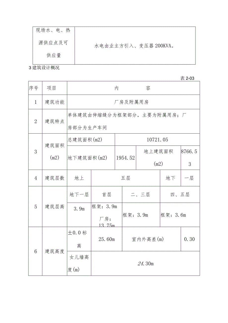
1、一、工程概况二、施工部署三、施工措施四、质量及安全保证措施五、机具需用计划六、成品保护措施一、工程概况:1总体概况序号项目内容1工程名称北京凯隆分析衩器有限公司1#厂房及附属用房工程2地理位置北京市通州区金桥科技产业基地3建设单位北京凯隆分析仪器有限公司4设计单位中国中轻国际工程有限公司5勘察单位北京中机堪岩工程有限公司6监理单位建研凯勃建设工程咨询有限公司7施工单位北京城建三建设集团有限公司8合同工期2009-5-18-2009-12-189合同质量目标工程质量合格1()工程承包范围结构、装修、安装2施工现场概况表202项目概况环境、地貌本工程位于北京市通州区金桥科技产业基地。北京凯隆分析仪

2、器有限公司1#厂房及附属用房,总建筑面积为10721.05平方米。本建筑物为钢筋於框架结构,地上为5层,地下1层。三通一平状况已完成地上、地下障碍无业主提供的水已提供现场水、电、热源供应点及可供应量水电由业主方引入、变压器200KVA。3建筑设计概况表2-03序号项目内容1建筑功能厂房及附属用房2建筑特点单体建筑由伸缩缝分为框架部分,主要为附属用房;厂房部分为生产车间3建筑面积(m2)总建筑面积(m2)10721.05地下建筑面积(m2)1954.52地上建筑面积(m2)8766.534建筑层数地上五层地下一层5建筑层高地下一层首层二、三层四、五层3.9m框架:3.9m厂房:13.75m框架:

3、3.9m框架:3.6m6建筑高度0.0标高25.60m室内外高差(m)0.30女儿墙高度(m)24.30m7建筑防火本建筑耐火等级:地下室耐火等级一级;地上耐火等级二级;,均满足建筑设计防火规范的规定O8建筑节能外墙外保温,外墙:采用150厚BM轻集料空心砌块,外贴50厚挤塑聚苯保温板;外门窗采用断桥铝合金,面层氟碳喷涂,6+12+6热反射中空玻璃。二、施工部署本部分参见施工组织设计平面图。三、施工措施1、主体配合(预留、预埋)在工程基础和主体施工阶段,水暖安装应主动积极地配合土建施工,必须有专人(熟悉业务水平)按设计图纸将管道及设备的位置、标高测定,注好洞的位置,将预制好的模盒、套管在绑扎钢

4、筋前按标记定牢。在盒内或套管内塞入水泥编织袋并且在浇注税前,重新核对、校正,并做好预、隐检记录,浇筑过程中派专人看守,保管、模、盒等埋件不移位。柔性防水套管制作参见91SB336、37加工制作,密闭管按人防要求制作、预埋。2、进场材料检查。(1)钢管及管件的规格种类应符合设计要求,管壁内外镀锌均匀,厚薄均匀,无锈蚀、毛刺、偏扣、丝扣不全、断丝等现象,并具备材质证明和出厂合格证。(2)下水管及其管件要求管壁薄厚均匀,无毛刺、砂眼、瘤,垂直度要满足,角度要准,并具备材质证明和出厂合格证。(3)水表的规格应符合设计要求,并经自来水公司确认,表壳铸造规范,无砂眼、裂纹,表玻璃盖无损坏,铅封完整,有出厂

5、合格证。(4)阀门的规格、型号应符合设计要求和北京市颁发的规定。(5)对消防、防水、背水箱配件等,除具备产品质量合格证外,还应附有有关文件和法定检验单位检测证明。为进一步严格控制质量,当材料、设备进场时,工长应组织质安、技术、材料三方人员,对其质量进行现场检查,不符合规定,立刻予以退货。3、给水、消防管道安装。给水、消防管道采用镀锌钢管,其安装工艺流程如下:材料检查一一支、吊架制作及安装一一管子加工一一干管安装一一立管安装一一立支管安装试压防腐保温管道冲洗。(1)材料进场检验,保证材质,现场材料码放整齐。(2)支、吊架制作及安装。d、管子支、吊架应根据施工图纸,根据不同的管径,选定类型及规格,

6、预先制作、加工制作过程中,用电气焊切割,开孔宜在钻床上进行,以保证支架的美观,加工成型的支、吊架外表平整,焊接牢实,不得有异型或缺陷,焊口及时防腐。e、支、吊架防腐:加工后的支、吊架在安装前,应做好防腐处理。一般是刷防腐漆两遍,管道安装完毕后,同管道一起刷上规定的面漆。f支、吊架安装:支、吊架的安装应根据施工图纸和规范,结合管道标高,坡度找准位置,用电锤打洞,然后埋入支、吊架,固定好支、吊架后,用M50水泥砂浆填实或采用膨胀螺栓固定。g、水泵的管道支架应加设橡胶防震。(3)管子加工a、下料:管子下料应根据施工图纸,弄清管段尺寸、大小及三通、变径位置,结合现场实际尺寸下料。b、断管:钢管切断采用

7、手锯或砂轮切割机。用砂轮切割机切管时,管要卡正,卡紧,用力压要均匀,断管后要铳口,去掉毛刺。c、套丝:将断好的管材进行套丝,套丝要求遵照规范,严禁一次套丝,加工后的螺纹呈锥形,要求丝扣完整,无乱丝、断扣、偏扣等现象,缺扣的总长度不得大于丝扣全长的10%,丝扣不宜过长,保证外露丝扣符合规范。机械套丝加润滑油。d、管子调直:己装好管件的管段在安装前进行调直,调直要放在调管架上或调管平台上进行,在弯曲处用手捶轻打,调直过程中不得猛敲猛打,以免损坏管子。e、管子弯制:施工过程遇有特殊的地方,如需要将焊管弯曲,应采用冷弯,弯管的椭圆率不得大于10%,弯曲时应注意焊缝位置,防止将管弯偏、弯裂。(4)管道安

8、装a、给水管道均采用丝扣连接,填料为青麻、白铅油、连接好后必须清净麻头,对外露丝扣部应及时刷防锈漆两遍。b、安装管子、配件时,应按旋紧方向一次装好,不得倒回,外露丝扣23螺纹。c、安装顺序先干管,后支管。d、水表安装:表壳距墙表面净距不得大于30cm,表前后直管段长度保证300Inm以上,水表位置便于检修和查看。e、热水管与冷水管水平并行时,热水管应在冷水管上方,垂直安装时,热左冷右。f、管道法兰连接时,法兰应垂直与管子中心,表面应相互平行,冷水时,法兰垫片应采用橡胶垫圈。热水时,采用石棉橡胶垫,法兰中间不得放斜面垫片或多个垫片。g、管道安装后,应最后检查所有支架和管头,清除残丝及污物,应随时

9、堵好个临时甩口,以防污物进入,并为冲水试压做好准备。(5)试压保温冲洗。a、管道安装完毕后,应及时进行强度试验,包括单项试验和系统试验。试验按照施工验收规范执行,并做好检查记录。b、给水管道压力试验标准:P试=0.6MPa,外观无渗漏,10分钟压力降不大于0.05MPa,消防管道P试=1.2MPa。c、给水、消防支管安装完毕后应进行系统试压,并做好实验记录。d、给水管道试压完毕后,及时对系统进行冲洗,冲洗应符合施工验收规范。e、试压完毕,及时泄空,以防冬季冻裂管段。4.排水管道安装排水管采用薄壁排水铸铁管,其安装工艺流程:材料检验管子防腐支、吊架制作安装管道安装试水、通球试验。(1)进场的排水

10、管及管件,安装前,必须先进行除锈后,再刷防锈漆两遍。(2)埋地管段应刷冷底子油一遍。(3)支、吊架制作安装。(同前)(4)管道安装a、铸铁管的切割采用砂轮切割机,割管时,应保证用力均匀,管子锯到底,应保证切口平齐。b、铸铁管的连接采用石棉水泥捻口。捻口前用麻丝将承口填实,然后采用1:3:7=石棉:水:水泥(425#)的水泥捻口,边填边打,直至灰口饱满为止。c、捻好的灰口必须做保湿养护,不得蓝动。d、排水管的安装应先干管,后立管,然后横支管。e、排水管安装应根据施工图,找准管道坐标位置和标高,对各立管预留口、方向、位置必须准确。f、本工程中排水三通一律采用“TY”型三通,管道走向改变时宜用2个4

11、5弯头,立管设置落地卡。立管每隔三层设置检查口。g、安装时应根据施工图纸,将各层横支管位置找准,做好标记,保证立管三通口朝向正确。h、支管安装应搭好架子,并将托架坡度再好吊卡,量准吊杆尺寸,将预制好的管道托到架子上,再将支管插入立管预留口的承口内,尺寸找准,并固定好支管段,然后打麻、捻口。i、排水管安装坡度要求:DN200i=0.000DN150i=0.012DN100i=0.010DN80i=0.003DN70i=0.003DN50i=0.003DN40i=0.003DN32i=0.003DN25i=0.003DN20i=0.003(5)试水、通球试验a、排水管道安装完毕,必须进行闭水试验,

12、检查管道接口的严密性。b、需隐蔽的排水管道在隐蔽前,做灌水试水试验,满水试15min后,再灌满持续5min,液面不降为合格,并同时作好系统试验记录或隐检记录,c、排水系统通水试验后,必须做通球试验,并做好试验记录。5、采暖安装采暖安装工艺流程:材料检验一一散热器组装、防腐散热器安装一一立支管安装一一系统试压。(1)a散热器进场后,必须进行检查,并具备出厂合格证。b、散热器不得有砂眼,对口面不得凹凸不平、偏口、裂缝和上下口中心距不一致等现象。c、散热器对丝丝扣整齐、端正,石棉橡胶垫符合使用要求。(2)散热器组装防腐a、散热器组装前应除锈,刷防锈漆两遍。b、备好散热器组对架子,按照系统数据进行组对

13、。c、散热器组对后,应按规范要求试压;试压后,喷刷银粉两遍。超过20片,加设拉条。(3)散热器安装a、根据施工图纸和规范,固定好支架,要求支架稳固、牢实。b、GCB高挂钢串片采用角钢支架固定。(4)散热器立、支管安装。a、先干管后立管,然后顶层导管,最后由上而下甩支立管,导、干管必须保证坡度。严禁倒坡或拱腰、塌陷等现象。b、采暖导管严禁同心变径,变径位置和焊接位置、支立管开口位置必须大于30Omm.(5)系统试压和保温a、采暖系统安装完毕后,按设计要求进行压力试验,并保证最顶端P试0.3mPa.b、系统试压后,应及时将系统内水泄空,以免冬季冻坏。c、系统试压完毕,按设计要求作好保温,并刷两道调

14、和漆。6、洁具和设备安装材料检验一一洁具及设备安装一一通水试验(1)材料检验a、卫生洁具的规格型号,必须符合设计要求,并有出厂合格证,外观良好,边缘平滑,色调一致。b、洁具配件应标准,外表光滑,电镀均匀,丝扣整齐,无砂眼、裂纹等缺陷。c、潜污泵等必须逐个开箱检查,并进行试车,设备外观平整,运转良好,无杂音、噪声等不良现象。(2)洁具及设备安装a、洁具安装在排水管道闭水试验后进行,座便器采用地脚膨胀螺栓固定。b、脸盆、淋浴安装必须注意冷热水的位置,要求热左冷右。c、洁具安装要求平稳、准、牢等,性能良好,使用方便。d、水泵必须按设计要求做好基础和固定预埋螺栓,水泵安装必须进行试运转,检查其转向、流

15、量情况,并做好试运转记录。(3)通水试验a、洁具安装结束后,进行试水,检查洁具有无渗漏,水量使用性能情况,并做好记录。b、脸盆、座便器等都必须做满水试验。四、质量及安全保证措施1、强化施工质量管理责任制度,严格技术交底、技术复核,做好预检、隐检工作,做好各工种进度配合。2、加强材料、设备的检验和试验工作。3、现场材料码放整齐,不得在上面行走、踩,并做到工完场清。4、做到技术、质量二结合,施工人员常到现场,及时解决问题,控制质量。5、管道、设备施工过程中所留管口及时堵好,以防落入杂物。注意防止各工种的交叉污染,并注意保护好其它工种的成品。6、洁具和其它设备在搬运过程中要轻拿轻放。安装好的管道不得

展开阅读全文
相关资源
猜你喜欢
相关搜索

当前位置:首页 > 建筑/环境 > 设计及方案

copyright@ 2008-2023 1wenmi网站版权所有

经营许可证编号:宁ICP备2022001189号-1

本站为文档C2C交易模式,即用户上传的文档直接被用户下载,本站只是中间服务平台,本站所有文档下载所得的收益归上传人(含作者)所有。第壹文秘仅提供信息存储空间,仅对用户上传内容的表现方式做保护处理,对上载内容本身不做任何修改或编辑。若文档所含内容侵犯了您的版权或隐私,请立即通知第壹文秘网,我们立即给予删除!