泥石流作用强度分级.docx

上传人:p** 文档编号:791102 上传时间:2024-03-01 格式:DOCX 页数:2 大小:14.99KB
下载 相关 举报
泥石流作用强度分级.docx_第1页
第1页 / 共2页
泥石流作用强度分级.docx_第2页
第2页 / 共2页
亲,该文档总共2页,全部预览完了,如果喜欢就下载吧!
资源描述

《泥石流作用强度分级.docx》由会员分享,可在线阅读,更多相关《泥石流作用强度分级.docx(2页珍藏版)》请在第壹文秘上搜索。

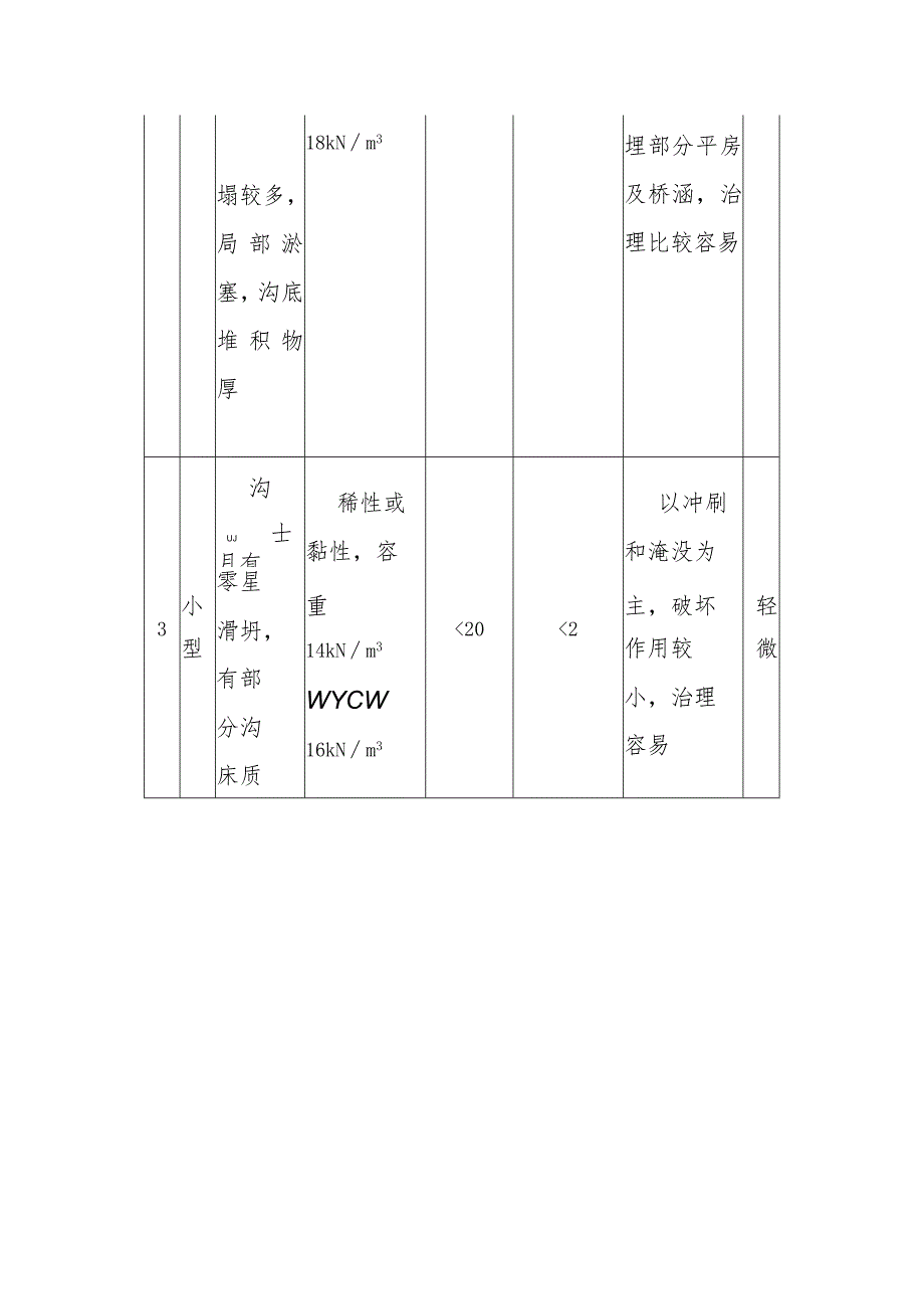
泥石流作用强度分级级别规模形成区特征泥石流性质可能出现最大流量(m3s)一次冲出固体物质量(IOInI3)破坏作用破坏程度1大型大型滑坡、坍塌堵塞沟道,坡陡、沟道比降大黏性,容重Yc大于18kNm3100-20020-50以冲击和淤埋为主,危害严重,破坏强烈,可淤埋整个城镇或部分区域,治理困难严重2中型沟坡上中小型滑坡、坍稀性或黏性,容重16kNm3Yc201002-20有冲有淤以淤为主,破坏作用大,可冲毁淤中等塌较多,局部淤塞,沟底堆积物厚18kNm3埋部分平房及桥涵,治理比较容易沟稀性或以冲刷UJ士月有黏性,容和淹没为零星小重主,破坏轻3型滑坍,14kNm3202作用较微有部WYCW小,治理分沟容易16kNm3床质

展开阅读全文
相关资源
猜你喜欢
相关搜索

当前位置:首页 > 外语学习 > 托福

copyright@ 2008-2023 1wenmi网站版权所有

经营许可证编号:宁ICP备2022001189号-1

本站为文档C2C交易模式,即用户上传的文档直接被用户下载,本站只是中间服务平台,本站所有文档下载所得的收益归上传人(含作者)所有。第壹文秘仅提供信息存储空间,仅对用户上传内容的表现方式做保护处理,对上载内容本身不做任何修改或编辑。若文档所含内容侵犯了您的版权或隐私,请立即通知第壹文秘网,我们立即给予删除!