甘草浸膏工业设计规程.docx

上传人:p** 文档编号:796556 上传时间:2024-03-01 格式:DOCX 页数:11 大小:106.26KB
下载 相关 举报
甘草浸膏工业设计规程.docx_第1页
第1页 / 共11页
甘草浸膏工业设计规程.docx_第2页
第2页 / 共11页
甘草浸膏工业设计规程.docx_第3页
第3页 / 共11页
甘草浸膏工业设计规程.docx_第4页
第4页 / 共11页
甘草浸膏工业设计规程.docx_第5页
第5页 / 共11页
甘草浸膏工业设计规程.docx_第6页
第6页 / 共11页
甘草浸膏工业设计规程.docx_第7页
第7页 / 共11页
甘草浸膏工业设计规程.docx_第8页
第8页 / 共11页
甘草浸膏工业设计规程.docx_第9页
第9页 / 共11页
甘草浸膏工业设计规程.docx_第10页
第10页 / 共11页
亲,该文档总共11页,到这儿已超出免费预览范围,如果喜欢就下载吧!
资源描述

《甘草浸膏工业设计规程.docx》由会员分享,可在线阅读,更多相关《甘草浸膏工业设计规程.docx(11页珍藏版)》请在第壹文秘上搜索。

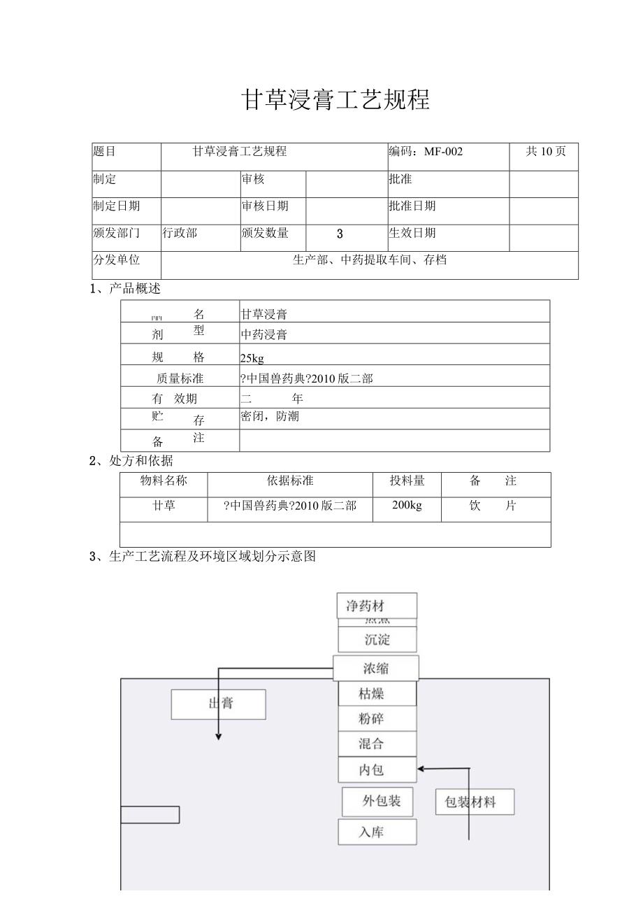
1、甘草浸膏工艺规程题目甘草浸膏工艺规程编码:MF-002共10页制定审核批准制定日期审核日期批准日期颁发部门行政部颁发数量3生效日期分发单位生产部、中药提取车间、存档1、产品概述I1Il1I名甘草浸膏剂型中药浸膏规格25kg质量标准?中国兽药典?2010版二部有效期二年贮存密闭,防潮备注2、处方和依据物料名称依据标准投料量备注廿草?中国兽药典?2010版二部200kg饮片3、生产工艺流程及环境区域划分示意图10万级4.工艺过程及条件4.1生产前检查1. 1.1投料前检查所用提取设备、容器具是否符合清洁要求,是否有清场合格标志。需用的设备是否设施完好,有无状态标志。水、电、汽及阀门是否灵活正常,是

2、否处于关闭状态。2. 1.2计量器具测试范围符合生产要求,并有“检定合格证。4. 2按批生产指令单领取甘草饮片200公斤,将药材用小车运到称量备料室,并要有专人检查复核,称量后做好状态标志,及时填写批生产记录。5. 3甘草浸膏的提取:6. 3.1煎煮提取7. 3.1.1第一次煎煮:备料工序完成后,先将多能提取罐出渣门关闭,提取操作人员将甘草通过吊车吊到操作台上开场投料。将提取罐上部投料口翻开,按处方量将甘草饮片投入提取罐中,并做好记录,翻开提取罐进水阀门,向提取罐内计量参加甘草的7倍量饮用水,关闭进水阀门和投料口。翻开蒸汽阀门,加热至沸腾煎煮。温度控制在95T05C左右,保持沸腾,煎煮2小时,

3、煎煮过程应不断观察煎煮情况。待煎煮2小时后,关闭蒸汽阀门,待温度降至65时,翻开提取罐的出液阀门,将煎液通过80目滤布,抽入储液罐内。8. 3.L2第二次煎煮:翻开提取罐进水阀门,计量参加5倍量饮用水,翻开蒸汽阀门重复以上煎煮操作,待煎煮2h后,待温度降至65时将煎提取液过滤,打入储液罐。4. 3.1.3第三次煎煮:翻开提取罐进水阀门,计量参加4倍量饮用水,关闭进水阀门,翻开蒸汽阀门重复以上煎煮操作,待煎煮2h后,待温度降至65。C时将提取液过滤,打入储液罐。操作过程有专人进展过程监控,并做好记录。在储液罐上挂状态标志,注明煎煮液名称、批号、数量、日期、操作者等。4.3.2沉淀按沉淀标准操作规

4、程,提取液在储液罐中静置过夜沉淀12小时。然后将上清液抽入双效浓缩罐,将沉淀物打入离心机。4.3.3过滤沉淀物通过离心机,滤渣与液体别离。滤液再打回储液罐,抽入浓缩罐;滤渣收集后弃掉。提取液(沉淀上清液和过滤液总量)上清液量+滤液量收率=X100%指标范围:92%-108%O三次煎煮液体总量4.3.4减压浓缩4.3.4.1先将双效浓缩器的真空、冷凝水阀门,将药液通过80目滤布抽入浓缩器,开启蒸汽阀门进展减压浓缩(温度:70-80,真空度:0.02-0.04Mpa)0在浓缩过程中要随时注意各表数值控制在安全范围内,并作好记录。浓缩近完毕时,翻开取样口用量筒收集浓缩液,用波美比重计测比重,如比重不

5、够,应当继续浓缩,直至浓缩液相对密度到达1.18-1.22时(50测),关闭真空阀门、蒸汽阀门和冷凝水阀门,翻开蒸发室的放空阀。翻开底部下料口用80目滤布过滤,出膏,称量。4.3.4.2待全部浓缩完毕后,按清洁操作规程进展清洁。4.3.4工艺条件及质量控制点:4.3.3.1浓缩的温度控制在7OoC-8OoC,真空度0.02-0.04Mpa4.3.3.2浓缩后的浸膏相对密度应到达1.18T.22(50),浓缩液收率指标范围:60%-70%o浓缩液量浓缩液收率=t%指标范围:60%-70%批中药提取投料量4.5甘草浸膏的枯燥:4.5.1按真空枯燥机操作规程进展真空枯燥,温度60-65,真空度0.0

6、2-0.04Mpa,枯燥6小时。枯燥完毕,关闭枯燥机,稍冷后收料,装入干净不锈钢流转桶中,称重,计算收率。枯燥后量枯燥收率二XTO破指标范围:22%-25%湿料总重量4.5.2枯燥过程中注意检查干膏的枯燥程度,水分不得过6.5-7.5%o4.6甘草干膏粉碎过筛4.6.1生产前检查确认设备器具和现场是否有“清场合格证。4.6.3粉碎过筛后的物料装入内有塑料袋的干净不锈钢桶中,称重,贴上标志,注明名称、规格、批号、数量、日期、操作者等。并计算收得率。粉碎过筛后重量粉碎过筛收得率=三指标范围:96%-99%粉碎过筛后重量4.6.4每种物料粉碎过筛完毕后,须对粉碎机、筛网进展清洁,以防止改变品种时相互

7、污染。4.7混合工序4.7.1工艺过程4.7.1.1混合前核对确认物料的品名、数量等。4.7.1.2根据混合机的容量将连续几次提取浓缩的物料参加V型混合机中进展混合,设定混合时间为30分钟,最后从混合机出料口放出已搅匀的均一性物料作为一个批次。4.7.1.3将混合好的药粉装在干净的塑料袋扎紧口,置于干净容器内贴上物料单标明品名、批号、重量、日期、操作者姓名,及时送入待检室并进展中间产品检验。4.7.1.4每批物料混合完毕后,须对混合机进展清洗,以防止改变品种时相互污染。4.7.2工艺条件及质量控制点4.7.2.1混合岗位应有除尘设施。4.7.2.2混合机的装量一般不超过该机容量的2/3。4.7

8、.2.3混合机的均匀性效能、混合时间,经过验证,符合要求。4.7.2.4混合好的中间产品通知质控部抽样检测,检查混合后的药粉均匀度,应呈均匀的色泽、无花纹与色斑.4.8分装工序:4.8.1工艺过程4.8.1.1根据批包装指令和半成品化验单,核对物料的品名、批号、数量、规格等。4.8.1.2从包装库领取干净内袋,在脱包间将外包装脱包,用75%酒精棉球把内包装外擦拭一遍,放入缓冲传递间,用紫外灯照射30分钟,由干净区内部取出放入内包间。检查内袋有无破损,破损不用。戴好干净手套,开场内包装。4.8.1.3称重,必须一人称重,一人复核。4.8.1.4扎口:称量25kg一个整包装,装入内袋扎口。内袋扎口

9、时,排尽气体,方能扎口。将内袋口绕几圈后弯曲,再用扎口绳扎紧扎好。通过传递窗传至外包装间。4.8.1.5零头:按?零头物料处理规定?,缺乏25kg一个包装的零头,也要装入内袋,扎好口。挂上物料存放标签,暂存在10万级冷库间内。4.9外包装4.9.1在外包间,将内袋放入纸板桶内,上盖,桶缝相对着封盖开启处,上好红卡,打好铅封。4.9.2将商标统一贴在封盖下IO公分处,商标正中对着铅封,不能歪斜。4.9.3包装好的药品存放于仓库待验区,由质量部检验合格前方可正式入库,移入合格区。4.9.4下班前做好设备、工具、工作台等卫生清理,并按定置管理要求摆放,填写好生产记录。在生产中有异常情况应由班长报告生

10、产部管理和QA,解决问题或作出处理。4.9.5每个批号的产品包装完毕后,交仓库待验区存放,并挂待检标志;化验合格后,贴合格证,填写成品入库单方可入库。4.9.6包装时要注意剔除不合格的包材,并在QA监视员的监视下销毁。4.9.7标签要求使用数、残损数、剩余数三者之和等于领用数,如果数目不符合要查明原因并得出合理解释,并做好记录。4.9.8下班前清理包装现场,并搞好卫生,做好批包装记录。4.9.9生产岗位要分别计算生产收率或包装材料损耗率,生产完毕后将各岗位的生产记录收集,检查并进展物料平衡计算,填写工艺查证记录、批统计记录及偏差记录,偏差超出控制标准的要按照相关程序进展偏差处理并上报生产车间主

11、任、QA与生产部长。记录整理完毕交车间主任、QA、生产部长分级审核合格后交质控部审核。5、中药浸膏和辅料、ZL-BZ-007-00ZL-CZ-007-00半成品、成品的质量标准及检查方法甘草饮片内控质量标准甘草检验操作规程ZL-FZ-003-00饮用水检验规程ZL-BZ-OlO-OOZL-CZ-OlO-OOZL-BZ-009-00甘草浸膏半成品内控质量标准 甘草浸膏半成品检验操作规程 甘草浸膏成品内控质量标准ZL-CZ-009-00甘草浸膏检验操作规程甘草浸膏剂半成品质量标准标准依据:中国兽药典2010版有效期:二年合格品内控品性状棕色粉末棕色粉末粒度应符合规定符合规定水分不得过6.5%-7.

12、5%不得过6.5%7.5%装量符合规定符合规定甘草浸膏剂成品质量标准标准依据:中国兽药典2010版有效期:二年合格品内控品性状棕色颗粒棕色颗粒鉴别符合规定符合规定粒度应符合规定符合规定水分不得过6.5%7.5%不得过6.5%7.5%装量符合规定符合规定6、包材质量标准6.1内外包装质量标准与规格ZL-BZ-036-00塑料袋质量标准ZL-CZ-036-00塑料袋检验操作规程ZL-BZ-039-00纸桶质量标准ZL-CZ-039-00纸桶检验操作规程6. 2贮存方法及要求包装材料必须贮存于专门的仓库,并分类存放,专人管理,不得露天存放。印有品名、商标等标记的印刷包装材料应专库或专柜存放,应视同标

13、签管理。7. 生产环境温度1826,湿度30%65%。8、工艺卫生8.1人净化程序8. 1.1进入一般生产区更衣规程NA门厅更鞋更衣(一)洗手更衣进入干净区(10万级)手消毒更鞋(二)8.2工作服标准服装式样一般生产区10万级备注工作服无横褶、腰带、接缝封缝、光洁无口袋、无横褶、腰带、接缝封缝、纽扣、光洁帽子应能罩住全部头发,阻止脱落的毛发露出手套按工作需要确定长度口罩按工作需要,确定遮盖面大小工作鞋按工作需要,不宜用拖鞋,也不宜把工作鞋当拖鞋穿处理方法按10万级区域的干净工作服的洗涤、枯燥方法进展。8. 3物流程序净药材f煎煮f沉淀f浓缩f枯燥f粉碎f混合f分装f包装f成品1单向顺流,无往复

14、运动)9. 4物净程序:物品一脱外包一生产区。8.5干净区消毒利用臭氧对空间消毒;用75%乙醛,0.1%新洁尔灭对地面、物品和设备外表消毒。8.6干净度要求为10万级,尘粒最大允许数110.5um,尘粒W3500000个/立方米微生物最大允许数:沉降菌W3个/皿。8.7设备工具(包括运输工具)、容器的卫生要求及消毒8.7.1设备主体在清洁、整齐、无跑、冒、滴、漏,做到轴见光,沟见底,设备见本色,设备周围要做到无油垢,无污水,无油污及杂物,并按规定的设备操作、维护保养规程定期检查、维修和保养。8.7.2工具应清洁,存放在指定地方或工具框内,整齐堆放,专人保管。8.7.3生产中使用的各种器具、容器应清洁,外表不得有异物、遗留物。潮湿、高温地区应注意防止发霉及微生物污染,不得有霉斑、菌团。容器具用后立即清洗干净,不得有清洁剂、消毒剂的残留物,以防造成对药品的污染。8.8操作人员8.8.1全体员工、身体安康,持安康合格证上岗,每年体检一次,一旦发现患有传染病,隐性传染病,精神病,外伤伤口,皮肤病及过敏等症,绝不能继续从事直接接触药品的工作或与之相关的工作。8.8.2每日上岗前必须按规定穿戴好清洁、完好的工作服,工作鞋,戴好口罩,不允许化装,涂含有粉质的护肤品,

展开阅读全文
相关资源
猜你喜欢
相关搜索

当前位置:首页 > 论文 > 通讯论文

copyright@ 2008-2023 1wenmi网站版权所有

经营许可证编号:宁ICP备2022001189号-1

本站为文档C2C交易模式,即用户上传的文档直接被用户下载,本站只是中间服务平台,本站所有文档下载所得的收益归上传人(含作者)所有。第壹文秘仅提供信息存储空间,仅对用户上传内容的表现方式做保护处理,对上载内容本身不做任何修改或编辑。若文档所含内容侵犯了您的版权或隐私,请立即通知第壹文秘网,我们立即给予删除!