表37沥青砂浆和沥青混凝土铺筑的整体面层检验批质量验收记录.docx

上传人:p** 文档编号:803908 上传时间:2024-03-04 格式:DOCX 页数:2 大小:15.32KB
下载 相关 举报
表37沥青砂浆和沥青混凝土铺筑的整体面层检验批质量验收记录.docx_第1页
第1页 / 共2页
表37沥青砂浆和沥青混凝土铺筑的整体面层检验批质量验收记录.docx_第2页
第2页 / 共2页
亲,该文档总共2页,全部预览完了,如果喜欢就下载吧!
资源描述

《表37沥青砂浆和沥青混凝土铺筑的整体面层检验批质量验收记录.docx》由会员分享,可在线阅读,更多相关《表37沥青砂浆和沥青混凝土铺筑的整体面层检验批质量验收记录.docx(2页珍藏版)》请在第壹文秘上搜索。

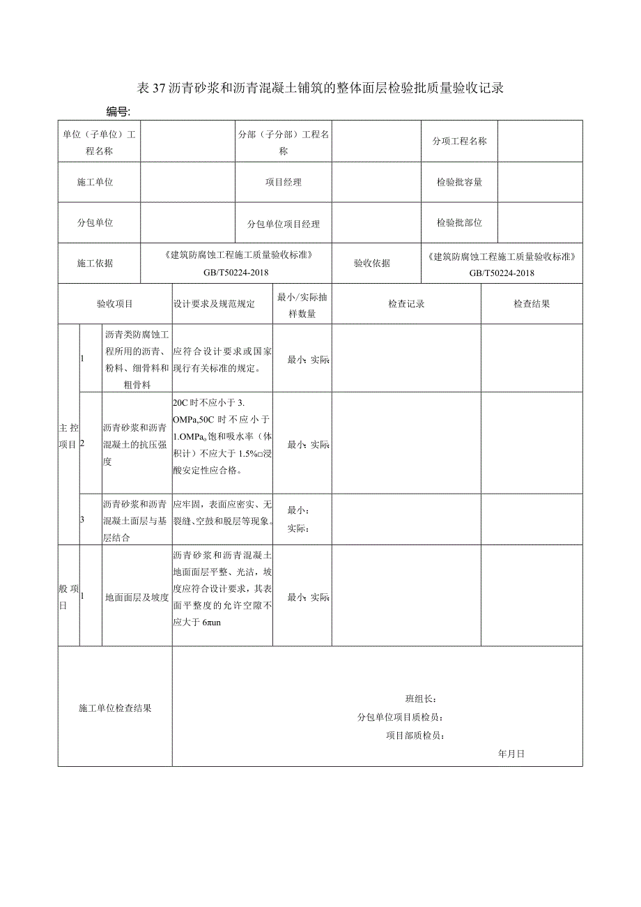
表37沥青砂浆和沥青混凝土铺筑的整体面层检验批质量验收记录编号:单位(子单位)工程名称分部(子分部)工程名称分项工程名称施工单位项目经理检验批容量分包单位分包单位项目经理检验批部位施工依据建筑防腐蚀工程施工质量验收标准GB/T50224-2018验收依据建筑防腐蚀工程施工质量验收标准GB/T50224-2018验收项目设计要求及规范规定最小/实际抽样数量检查记录检查结果主控项目1沥青类防腐蚀工程所用的沥青、粉料、细骨料和粗骨料应符合设计要求或国家现行有关标准的规定。最小:实际:2沥青砂浆和沥青混凝土的抗压强度20C时不应小于3.OMPa,50C时不应小于1.OMPao饱和吸水率(体积计)不应大于1.5%浸酸安定性应合格。最小:实际:3沥青砂浆和沥青混凝土面层与基层结合应牢固,表面应密实、无裂缝、空鼓和脱层等现象。最小:实际:般项日1地面面层及坡度沥青砂浆和沥青混凝土地面面层平整、光沽,坡度应符合设计要求,其表面平整度的允许空隙不应大于6un最小:实际:施工单位检查结果班组长:分包单位项目质检员:项目部质检员:年月日监理单位验收结论专业监理工程师:年月日填表说明1、检验批容量填写:同一检验批内的面积数。2、最小/实际检查数量栏中,最小数量填写按检查数量栏中规定的检查数量。3、表头中“施工依据”栏目应依照实际的施工操作依据填写,如施工企业的操作规程、工法、施工工艺标准等。

展开阅读全文
相关资源
猜你喜欢
相关搜索

当前位置:首页 > 建筑/环境 > 建筑材料

copyright@ 2008-2023 1wenmi网站版权所有

经营许可证编号:宁ICP备2022001189号-1

本站为文档C2C交易模式,即用户上传的文档直接被用户下载,本站只是中间服务平台,本站所有文档下载所得的收益归上传人(含作者)所有。第壹文秘仅提供信息存储空间,仅对用户上传内容的表现方式做保护处理,对上载内容本身不做任何修改或编辑。若文档所含内容侵犯了您的版权或隐私,请立即通知第壹文秘网,我们立即给予删除!