预应力工程后张法施工方案.docx

上传人:p** 文档编号:810777 上传时间:2024-03-08 格式:DOCX 页数:20 大小:212.44KB
下载 相关 举报
预应力工程后张法施工方案.docx_第1页
第1页 / 共20页
预应力工程后张法施工方案.docx_第2页
第2页 / 共20页
预应力工程后张法施工方案.docx_第3页
第3页 / 共20页
预应力工程后张法施工方案.docx_第4页
第4页 / 共20页
预应力工程后张法施工方案.docx_第5页
第5页 / 共20页
预应力工程后张法施工方案.docx_第6页
第6页 / 共20页
预应力工程后张法施工方案.docx_第7页
第7页 / 共20页
预应力工程后张法施工方案.docx_第8页
第8页 / 共20页
预应力工程后张法施工方案.docx_第9页
第9页 / 共20页
预应力工程后张法施工方案.docx_第10页
第10页 / 共20页
亲,该文档总共20页,到这儿已超出免费预览范围,如果喜欢就下载吧!
资源描述

《预应力工程后张法施工方案.docx》由会员分享,可在线阅读,更多相关《预应力工程后张法施工方案.docx(20页珍藏版)》请在第壹文秘上搜索。

1、项目效果图编制:审核:审批:编制单位:XXXX公司一、工程概况3二、编制依据3三、施工方法设计4四、人员部署及施工计划71、人员部署72、机械设备计划83、主要施工材料计划表94、施工进度计划9五、材料进场要求9六、预应力施工工艺和技术措施101、施工工艺102、具体施工方法112. 1穿设波纹管112.2、 装端部配件112.3、 穿设预应力筋122.4、 混凝土浇筑122.5、 预应力张拉132.6、 预应力孔道灌浆132.7、 张拉端封堵15七、工程质量保证措施151、质量标准152、质量控制16八、安全生产保证措施171、一般控制措施172、具体控制措施18九、企业、人员资质19十、附

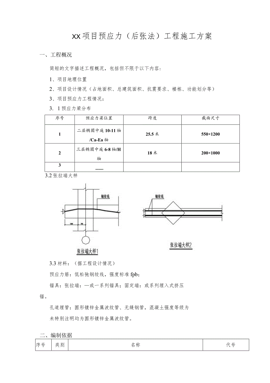
2、件19XX项目预应力(后张法)工程施工方案一、工程概况简短的文字描述工程概况,包括但不限于以下内容:1、项目地理位置2、项目设计情况(占地面积、总建筑面积、抗震要求、楼栋、功能划分等)3、项目预应力工程情况:3. 1预应力梁分布序号预应力梁位置跨度截面尺寸1二层椭圆中庭10-11轴/Ca-Ea轴25.5米55012002三层椭圆中庭6-8轴/H轴18米200100033.2张拉端大样3.3材料:(据工程设计情况)预应力筋:低松弛钢绞线,强度标准fpb;锚具:张拉端:或一系列锚具;固定端:或系列埋入式挤压锚。孔道埋管:圆形镀锌金属波纹管、无缝钢管,混凝土强度等级为未特别注明均为圆形镀锌金属波纹管

3、。二、编制依据序号类别名称代号1国标预应力混凝土用钢绞线GB/T5224-20032混凝土结构工程施工质量验收规范GB50204-20113预应力筋用锚具、夹具和连接器GB/T14370-20074行标预应力筋用锚具、夹具和连接器应用技术规程JGJ85-20105预应力混凝土用金属波纹管JG225-20076预应力用液压千斤顶JG/T321-20117预应力用电动油泵JG/T319-2011地标8其他XX工程施工组织设计9XX设计院的XX工程预应力施工图纸及设计说明10后张预应力混凝土结构施工图表示方法及构造详图06SG42911建筑工程预应力施工规程CECS180:200512国家有关法规1

4、3相关厂家的配套产品说明三、施工方法设计本工程预应力筋主要布置于,对于预应力技术要求较高、较全面。预应力的施工质量直接关系到结构的承载力、抗裂等作用,其重要性不言而喻,对施工质量要求较高。针对本工程以上特点,通过对本工程预应力结构设计方案的分析讨论,在预应力施工中,主要存在以下技术要点:1预应力筋定位支架钢筋的规格为,梁钢绞线的定位钢筋间距为O2梁柱节点处预应力筋穿设梁柱节点处梁柱弯折锚固的普通钢筋比较多,节点钢筋密集,这对预埋张拉端锚垫板带来了较大困难。为了避免该问题,框梁梁面筋分层错开间距下弯锚固,以便让出安装张拉端锚垫板的预留空间。具体详见以下大样图:在不影响受力情R下,建改梁第Tl普通

5、制筋与第二排普通钢筋的穹折间更大于等于210三梁第一棒普通钢筋巢第二揖普通钢筋边柱边柱外棒纲筋一柱节点处钢舒偌因图一般张拉端锚垫板(喇叭管)长为:5孔锚垫板长13Omnb6孔及7孔锚垫板长160mm;5孔、6孔及7孔锚具厚度均为50mm。根据锚垫板尺寸,建议梁柱节点处边梁的第一排普通钢筋与第二排普通钢筋往下弯折锚固的水平间距定为221Onin1,以保证锚垫板+锚具的长向有足够的埋设空间。3预应力节点构造工程中预应力筋端部节点特别是梁筋的构造复杂,必要时需现场放样,普通钢筋的布置应考虑到预应力锚具的安装空间。本工程中主要有以下节点形式:3. 1有粘结预应力束固定端节点:固定端采用15T挤压式锚具

6、,其构造如图3.1所示。图3.1有粘结预应力筋固定端示意图3.2有粘结预应力束张拉端节点:有粘结预应力张拉端须加腋处理,配筋及尺寸见如下示意图:张拉殿四入式)M4变角张拉技术4. 1变角张拉技术变角张拉是指用变角块将张拉端的预应力筋按规定的方向和转角弯起,使张拉千斤顶的轴线和锚垫板法线呈一定角度并对预应力筋实施张拉的工艺。变角张拉技术解决了诸多张拉空间受限制时的张拉锚固问题。变角张拉装置是由顶压器、变角块、千斤顶等组成。每一变角块有一定的变角量,通过叠加不同数量的变角块,可满足56(的变角要求。变角块与顶压器和千斤顶的连接,都要一个过渡块。安装变角块时应注意块与块之间的槽口搭接,一定要保证变角

7、轴线向结构外侧弯曲。4.2变角张拉的控制参数和技术要求为使张拉后应力达到设计要求,本工程的张拉设备采用生产的变角器及其配套的液压顶压器。在施工中,安装变角块时应注意块与块之间的槽口搭接,一定要保证变角轴线向结构外侧弯曲。张拉过程中应避免夹片嵌住钢绞线。变角器及变角张拉做法四、人员部署及施工计划1、人员部署1.1 管理人员构成预应力专项工程项目部管理人员组成表序号姓名拟任职务联系方式1XX项目经理2XX项目安全员3XX项目工程师4XX项目材料员5XX项目质量员6XX项目资料员71.2 劳动力计划劳动力需量计划表序号工作内容工种(八)总人数预应力工电焊工电工杂工1预应力筋下料挤压2焊支架钢筋3焊端

8、头埋件4铺设波纹管穿钢绞线5清理埋件安装锚具6预应力张拉7灌浆8端部切割2、机械设备计划本工程预应力主要施工机械见下表:预应力施工主要设备需量表序号设备名称型号数量备注1货车庆铃1.9吨1辆用于材料周转运输2油泵ZB4-506台用于张拉及固定端挤压作业3千斤顶YCQ-2502台用于张拉9孔有粘结预应力筋4千斤顶YCQ-2002台用于张拉6.7孔有粘结预应力筋5挤压机JY-454台固定端挤压锚的制作6电焊机4台固定预应力筋矢高及垫板7砂轮切割机2个钢绞线下料8角磨机4个张拉后切割多余钢绞线9螺旋式灌浆机J2GG2台孔道灌浆10水泥灌浆料拌和机0.32台灌浆水泥浆拌和11高压油管6m20根千斤顶油

9、管12手持式对讲机4个张拉协调13开关电箱(一机一闸)380伏814开关电箱(一机一闸)220伏63、主要施工材料计划表:预应力施工材料选用计划材料名称规格数量备注钢绞线QMI5-6型夹片锚QM15-7型夹片锚QM15-9型夹片锚4、施工进度计划楼栋号任务名称2015年1月2015年2月2015年3月上旬中旬下旬上旬中旬下旬上旬中旬下旬1#楼材料准备II铺设波纹管混凝土养护张拉一楼五、材料进场要求1、主要预应力材料的选购1.1 施工中所用材料必须有生产批号、产品质量保证书等,符合国家相关标准、规范。1.2 预应力绞线截面特征及力学性能1.3 本工程所用预应力钢绞线截面尺寸及力学性能应满足下表的

10、要求。钢绞线截面特性及力学性能抗拉强度公称直径公称面积最小破坏1%伸长时最最小延伸100OH最大松弛率NZmm2nunmm2荷载KN小荷载KN率70%F80%F186015.2140260.7234.63.52.53.5钢绞线出场时应有质量保证书,每盘上应挂有标盘,进场时,应按现行国家标准预应力混凝土用钢绞线(GB/T5224)等的规定抽取试件作力学性能检验,其质量必须符合有关标准的规定。检查数量:按进场的批次和产品的抽样检验方案确定,检查产品合格证、出厂检验报告和进场复验报告。外观检查:应在使用过程中逐盘进行,其钢绞线表面不得有裂纹和机械损伤,允许有轻微的浮锈,但不得有明显的麻坑。无粘结筋则

11、外包层完好,油脂丰满。力学性能试验:从每批中任取三盘的钢绞线各取一个试样进行拉伸试验,要求抗拉强度fck21860Nmm2,323.5%。如有一项试验结果不符合标准要求,则该盘钢绞线为不合格品,应加倍取样复检,如仍有一项不合格,则该批钢绞线判为不合格品。2、预应力锚固体系的质量要求及外形要求预应力锚固体系分为张拉端锚具和固定端锚具。预应力张拉端采用夹片式锚固体系,由锚环、夹片、承压板、螺旋筋等组成;固定端采用挤压式锚固体系,由挤压锚、承压板、螺旋筋组成。本工程拟选用锚固体系产品,达到了JGJ85-2002对锚具的要求,所有性能均达到规定要求。锚具进场后,除应按产品出厂证明文件核对其锚固性能类别

12、、型号、规格及数量外,尚应按国家标准混凝土结构工程施工质量验收规范(GB50204-2002)及预应力筋用锚具、夹具和连接器(GB/T14370-2000)要求进行检测,合格后方可使用。(1)外观检查应从每批中抽取10%的锚具且不少于10套,检查其外观和尺寸。如有一套表面有裂纹或超过产品标准及设计图纸规定尺寸的允许偏差,则应另取双倍数量的锚具重做检查;如仍有一套不符合要求,则应逐套检查,合格者方可使用;(2)硬度检验由锚具生产厂提供有效的试验报告。(3)静载锚固性能试验由锚具生产厂提供有效的试验报告。预应力筋用锚具验收批的划分:在同种材料和同一生产工艺条件下,锚具以不超过1000套为一个验收批

13、。预应力夹片锚具在张拉端的内缩量按照规范要求不大于46mm。六、预应力施工工艺和技术措施1、施工工艺本工程预应力梁中采用后张有粘结预应力技术,根据本工程的结构设计特点,确定该部分预应力的施工工艺如下:穿设波纹管T安装端部配件T穿设预应力筋T浇筑混凝土一张拉一孔道灌浆一封端2、具体施工方法2.1 穿设波纹管2.1.1 土建总承包单位支好梁的底模,普通钢筋就位之后,根据设计要求的矢高安装预应力定位支架,其间距约为。支架用力以上直径的钢筋制作。2.1.2 铺设预应力波纹管,并牢牢绑扎在定位支架上,连接部位用防水胶带缠绕。2.1.3 在构件的端部应设置灌浆孔,每跨的最高点安装盖瓦和排气管,如下图所不O波纹管上开孔示意图2.2安装端部

展开阅读全文
相关资源
猜你喜欢
相关搜索

当前位置:首页 > 建筑/环境 > 设计及方案

copyright@ 2008-2023 1wenmi网站版权所有

经营许可证编号:宁ICP备2022001189号-1

本站为文档C2C交易模式,即用户上传的文档直接被用户下载,本站只是中间服务平台,本站所有文档下载所得的收益归上传人(含作者)所有。第壹文秘仅提供信息存储空间,仅对用户上传内容的表现方式做保护处理,对上载内容本身不做任何修改或编辑。若文档所含内容侵犯了您的版权或隐私,请立即通知第壹文秘网,我们立即给予删除!