2022年广西职业院校技能大赛高职组《建筑工程识图》赛项建筑专业竣工图绘图卷.docx

上传人:p** 文档编号:816870 上传时间:2024-03-13 格式:DOCX 页数:3 大小:26.71KB
下载 相关 举报
2022年广西职业院校技能大赛高职组《建筑工程识图》赛项建筑专业竣工图绘图卷.docx_第1页
第1页 / 共3页
2022年广西职业院校技能大赛高职组《建筑工程识图》赛项建筑专业竣工图绘图卷.docx_第2页
第2页 / 共3页
2022年广西职业院校技能大赛高职组《建筑工程识图》赛项建筑专业竣工图绘图卷.docx_第3页
第3页 / 共3页
亲,该文档总共3页,全部预览完了,如果喜欢就下载吧!
资源描述

《2022年广西职业院校技能大赛高职组《建筑工程识图》赛项建筑专业竣工图绘图卷.docx》由会员分享,可在线阅读,更多相关《2022年广西职业院校技能大赛高职组《建筑工程识图》赛项建筑专业竣工图绘图卷.docx(3页珍藏版)》请在第壹文秘上搜索。

1、2022年广西职业院校技能大赛高职组建筑工程识图赛项建筑专业竣工图绘图卷(时间:150分钟;满分50分)绘图卷成果提交要求:(本试卷共4页)1 .每位选手在电脑桌面上新建文件夹,文件夹以赛场机位号命名。例:赛场机位号(IOl)文件夹名称为“101”。2 .选手必须将绘制好的3个dwg文件存放在该文件夹内,且该文件夹内仅保留3个文件,否则不予评分。注:dwg文件保存要求详见试题。试题1:建筑平面图绘制(18分)打开样板图“试题LcW在给出的样板文件基砒匕阅读设计变更单,完成二层平面图绘制。绘图比例1:1,出图比例1:150,绘制要求如下,其余未明确部分按现行制图标准绘制(样板图中己有内容无制)O

2、1.图层设置按表1醒幽表1图层名称颜色线型线宽需绘进行标注3连续0.25其他6连续0.35门窗4连续0.35墙体2连续0.5柱9连续0.5轴线251CNTER0.25填充1连续0.25防火卷帘5Dash2.02 .文字样式设置设置汉字样式名为“文字”,字体名为“仿宋”,宽高比为Q7;设置数字样式名为“数字”,字体名为“Simplex”,宽高比为0.7。3 .尺寸标注样式设置尺寸标注样式名为“尺寸150”。文字样式选用“数字”,箭头大小为.基线间距a三,尺寸界限偏移尺寸线2nn,尺寸界限偏移原点5三,文字高度Bnllb使用全局比例为150。4 .其他绘图要求各房间名称、注释、图名、门窗编号无须注

3、写;图形内部尺寸均无须标注;舞台、家具、卫生洁具、地漏、消防箱、配电设施无需绘制;剖切符号、索引符号无需绘制;所有门均采用单线绘J,居墙中,开启线为90度;栏杆采用间距60双线表示。除注明外,墙体厚度为200Inn或者IoonIG变更部分需进行必要的尺寸标注或文字注写。细节绘制示意图如下:图I外窗绘制示意图汪:肯钺囱由巨谴囱宸.喑Q,.夜囱宸巨窥忠,木输戚木卷输说G.杏血木4油分。完成绘J任务后将绘制好的试题1图纸保存在指定文件夹,文件名为“试题l-xxw,XXX为赛场机位号。试题2:建筑立面图绘制(15分)打开样板图“试题2晚”,在给出的样板文件基础,阅读设计变更、修改通知,绘JG3面图。绘

4、图比例1:1,出图比例1:150,绘制要求如下,其余未明确部分按现行制图标准绘制。1 .图层要求表2图层名称颜色线型线宽立面线41连续0.25门窗4连续0.25立面轮廓线181连续0.5地坪线7连续1.0标注3连续0.25文字7连续0.252 .其他绘图要求需进行必要的尺寸、标高的标注,样式设置同试题1,需标注图名(图名字高7三)。材料图例无须标注;门窗均用单线绘制,开启线无须绘制。幕墙分割线示意即可,具体划分待二次设计。所有变更部分均需进行必要的尺寸标注或文字注写。栏杆简化绘制,细部尺寸如下图:图2栏杆立面简化绘制示意注:样板图中已设置图层“样板”,该图层已锁定,不得删除不得编辑修改,否则不

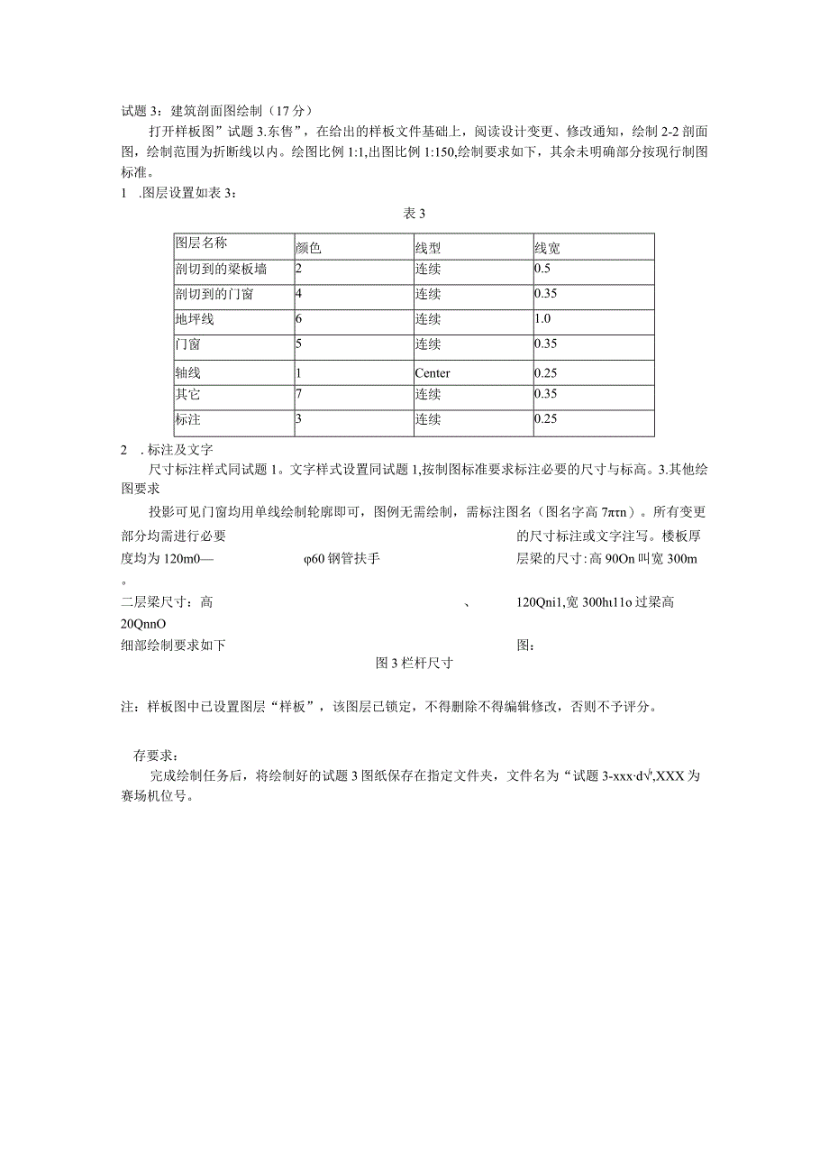
5、予评分。保存要求:完成绘制任务后,将绘制好的试题2图纸保存在指定文件夹,文件名为“试题2中戒加暧,XXX为赛场机位号.试题3:建筑剖面图绘制(17分)打开样板图”试题3.东售”,在给出的样板文件基础上,阅读设计变更、修改通知,绘制2-2剖面图,绘制范围为折断线以内。绘图比例1:1,出图比例1:150,绘制要求如下,其余未明确部分按现行制图标准。1 .图层设置如表3:表3图层名称颜色线型线宽剖切到的梁板墙2连续0.5剖切到的门窗4连续0.35地坪线6连续1.0门窗5连续0.35轴线1Center0.25其它7连续0.35标注3连续0.252 .标注及文字尺寸标注样式同试题1。文字样式设置同试题1,按制图标准要求标注必要的尺寸与标高。3.其他绘图要求投影可见门窗均用单线绘制轮廓即可,图例无需绘制,需标注图名(图名字高7n)。所有变更部分均需进行必要的尺寸标注或文字注写。楼板厚度均为120m060钢管扶手层梁的尺寸:高90On叫宽300m。二层梁尺寸:高、120Qni1,宽300h11o过梁高20QnnO细部绘制要求如下图:图3栏杆尺寸注:样板图中已设置图层“样板”,该图层已锁定,不得删除不得编辑修改,否则不予评分。存要求:完成绘制任务后,将绘制好的试题3图纸保存在指定文件夹,文件名为“试题3-xxxd,XXX为赛场机位号。

展开阅读全文
相关资源
猜你喜欢
相关搜索

当前位置:首页 > 高等教育 > 工学

copyright@ 2008-2023 1wenmi网站版权所有

经营许可证编号:宁ICP备2022001189号-1

本站为文档C2C交易模式,即用户上传的文档直接被用户下载,本站只是中间服务平台,本站所有文档下载所得的收益归上传人(含作者)所有。第壹文秘仅提供信息存储空间,仅对用户上传内容的表现方式做保护处理,对上载内容本身不做任何修改或编辑。若文档所含内容侵犯了您的版权或隐私,请立即通知第壹文秘网,我们立即给予删除!