现场消毒服务机构能力评估内容记录、评估意见.docx

上传人:p** 文档编号:853665 上传时间:2024-03-22 格式:DOCX 页数:6 大小:28.89KB
下载 相关 举报
现场消毒服务机构能力评估内容记录、评估意见.docx_第1页
第1页 / 共6页
现场消毒服务机构能力评估内容记录、评估意见.docx_第2页
第2页 / 共6页
现场消毒服务机构能力评估内容记录、评估意见.docx_第3页
第3页 / 共6页
现场消毒服务机构能力评估内容记录、评估意见.docx_第4页
第4页 / 共6页
现场消毒服务机构能力评估内容记录、评估意见.docx_第5页
第5页 / 共6页
现场消毒服务机构能力评估内容记录、评估意见.docx_第6页
第6页 / 共6页
亲,该文档总共6页,全部预览完了,如果喜欢就下载吧!
资源描述

《现场消毒服务机构能力评估内容记录、评估意见.docx》由会员分享,可在线阅读,更多相关《现场消毒服务机构能力评估内容记录、评估意见.docx(6页珍藏版)》请在第壹文秘上搜索。

1、附录A(规范性)现场消毒服务机构能力评估内容记录现场消毒服务机构能力评估内容记录见表A.1。表A.1现场消毒服务机构能力评估内容记录现场消毒服务机构名称:机构备案号:评估内容评估记录分值得分一、管理体系240分1.消毒产品索证查验制度口有、口无30分2.消毒产品购进验收记录口有:口真实完整、口不完整最近一份记录时间:年月口无30分3.消毒产品和个人防护用品管理制度及使用台账口有:口真实完整、口不完整最近一份记录时间:年月口无30分4.消毒器械和与消毒剂配套使用设备应做好日常维护保养,确保运行良好口有日常维护保养,运行良好口无日常维护保养,或无法运行15分5.消毒因子检测仪器计量认证口有计量认证

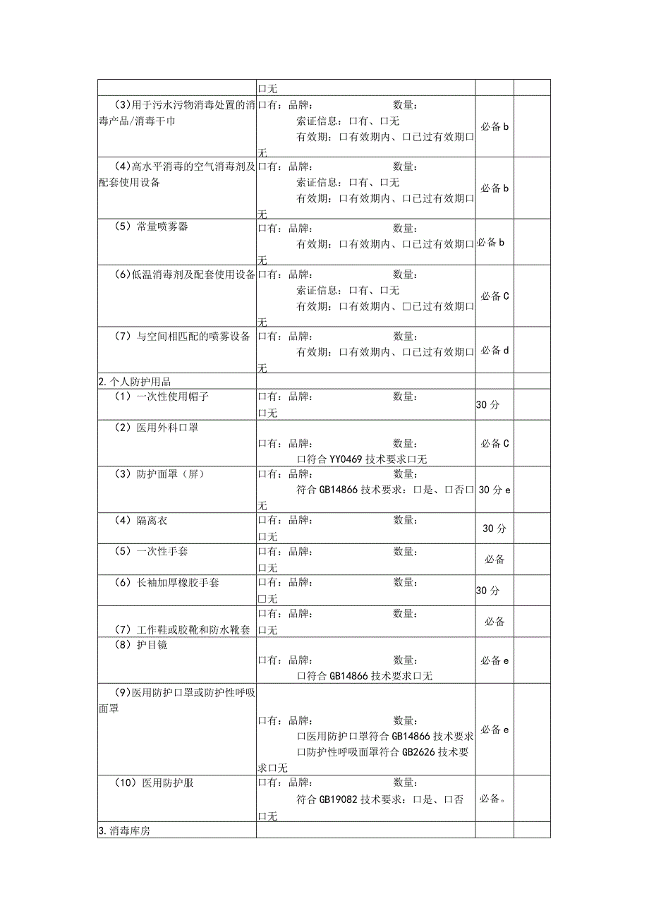
2、最近一份记录时间:年月口无检测仪器,无需计量认证口有检测仪器,无计量认证15分a6.对消毒服务活动开展全过程的质量控制消毒前制定消毒实施方案:口有、口无消毒过程中有记录:口有、口无消毒后过程评价和/或效果评价:有、口无40分7.质量控制记录留存至少1年口有:最近一份记录时间:年月口无20分8.提供服务前与委托方签订消毒服务委托协议口有、口无30分9.设有服务质量管理部门口有;包括:口制定消毒管理制度和操作规程,口定期开展质量控制检查,口接受服务对象的举报投诉和纠纷处理口无30分二、物资和库房220分1.消毒产品(1)手消毒剂口有:品牌:数量:索证信息:口有、口无有效期:有效期内、口已过有效期口

3、无必备b(2)高水平普通物体表面消毒剂口有:品牌:数量:索证信息:口有、口无有效期:有效期内、已过有效期必备b口无(3)用于污水污物消毒处置的消毒产品/消毒干巾口有:品牌:数量:索证信息:口有、口无有效期:口有效期内、口已过有效期口无必备b(4)高水平消毒的空气消毒剂及配套使用设备口有:品牌:数量:索证信息:口有、口无有效期:口有效期内、口已过有效期口无必备b(5)常量喷雾器口有:品牌:数量:有效期:口有效期内、口已过有效期口无必备b(6)低温消毒剂及配套使用设备口有:品牌:数量:索证信息:口有、口无有效期:口有效期内、已过有效期口无必备C(7)与空间相匹配的喷雾设备口有:品牌:数量:有效期:

4、口有效期内、口已过有效期口无必备d2.个人防护用品(1)一次性使用帽子口有:品牌:数量:口无30分(2)医用外科口罩口有:品牌:数量:口符合YY0469技术要求口无必备C(3)防护面罩(屏)口有:品牌:数量:符合GB14866技术要求:口是、口否口无30分e(4)隔离衣口有:品牌:数量:口无30分(5)一次性手套口有:品牌:数量:口无必备(6)长袖加厚橡胶手套口有:品牌:数量:无30分(7)工作鞋或胶靴和防水靴套口有:品牌:数量:口无必备(8)护目镜口有:品牌:数量:口符合GB14866技术要求口无必备e(9)医用防护口罩或防护性呼吸面罩口有:品牌:数量:口医用防护口罩符合GB14866技术要

5、求口防护性呼吸面罩符合GB2626技术要求口无必备e(10)医用防护服口有:品牌:数量:符合GB19082技术要求:口是、口否口无必备。3.消毒库房(1)除湿和通风等装置或设备有、口无满足安全储备消毒物资需要:口是、否50分(2)消毒剂、消毒器械/设备分区域放置口是、否能保障所储备的消毒物资不受腐蚀和损坏:口是、否50分三、消毒人员能力300分1.消毒操作人员数量人数:能否满足现场要求:口是、口否30分2.消毒质控人员数量人数:能否满足现场要求:口是、否30分3.人员受训情况具有消毒员职业技能等级证书或消毒培训证书的人数:消毒操作人员人、消毒质控人员一人;合计占比:%40分f4.消毒操作人员(

6、不少于5人,或全部)消毒相关知识考核第1位:合格50分;不合格。分第2位:口合格50分;口不合格0分第3位:口合格50分;口不合格0分第4位:合格50分;不合格。分第5位:口合格50分;口不合格0分50分g5.消毒操作人员(不少于5人,或全部)操作技能考核第1位:合格50分;不合格0分第2位:口合格50分;口不合格0分第3位:口合格50分;不合格0分第4位:合格50分;不合格0分第5位:口合格50分;口不合格0分50分g6.消毒质控人员(不少于2人,或全部)消毒相关知识考核第1位:口合格50分;口不合格0分第2位:口合格50分;不合格0分50分g7.消毒质控人员(不少于2人,或全部)操作技能考

7、核第1位:合格50分;不合格0分第2位:口合格50分;不合格0分50分g四、消毒实施及质控能力240分1.消毒实施方案120分(1)所服务对象的基本情况有:且完整、但描述过于简单或有误口无10分h(2)现场消毒服务人员数量及受训情况口有:口且完整、但描述过于简单或有误口无10分h(3)所使用消毒药械的品牌和备案情况口有:且完整、但描述过于简单或有误口无10分h(4)消毒区域的划分和空间大小口有:且完整、但描述过于简单或有误无10分h(5)“三区”划分、穿脱个人防护用品场所和消毒动线有:且完整、但描述过于简单或有误口无30分h(6)消毒对象及每种对象的消毒浓度、消毒作用时间和消毒方式有:且完整、

8、但描述过于简单或有误口无30分11(7)时间要求和人力分配有:且完整、口但描述过于简单或有误口无10分h(8)应对可能出现的人员、物资和现场对接等情况的预案口有:且完整、但描述过于简单或有误口无10分hi2.消毒过程评价资料50分(1)消毒过程评价人员组成口有:口且完整、口但描述过于简单或有误口无10分h(2)过程评价时机口有:口且完整、口但描述过于简单或有误口无10分h(3)包括对现场使用消毒剂和消毒器械评价、消毒操作评价和个人防护评价口有:且完整、口但描述过于简单或有误口尤20分h(4)过程评价结论口有:口且完整、口但描述过于简单或有误口无10分八3.消毒效果评价资料40分j(1)消毒效果

9、评价的时机口有:口且完整、但描述过于简单或有误口无10分h(2)消毒效果评价的检测机构及该机构检测资质口有:且完整、但描述过于简单或有误口无10分h(3)效果评价的评价对象、微生物种类、评价方法、评价指标口有:口且完整、口但描述过于简单或有误口无5分h(4)试验记录规范性:包括现场布点采样原始记录、实验过程描述、中和剂选用、结果计算等口有:口且完整、但描述过于简单或有误口无5分八(5)消毒效果评价结论口有:且完整、口但描述过于简单或有误口无10分人4.消毒作业报告30分(1)消毒工作记录表口消毒日期、口消毒地点、口消毒对象、口消毒剂浓度和用量、口作用时间、口消毒方式15分、(2)消毒作业报告附

10、件口消毒过程影像记录、口其他必要的附件15分i五、特殊情况记录a如无需要计量认证的检测仪器,此项不扣分b无索证或消毒产品不在有效期内,视为无;气溶胶喷雾器无需索证C如申请“符合低温消毒服务能力”必备,无索证或不在有效期内,视为无;不申请不扣分d如申请“符合大型场所消毒服务能力”必备,无索证或不在有效期内,视为无;不申请不扣分c没有或不满足技术要求,不得分f每10%以内人员无证书扣4分,如:4%人员无证书扣4分,90%人员无证书不得分g每位人员理论考核合格记为50分,本项得分为:E每位人员分数/考核人数。举例:抽取5人考核,4人合格,本项得分为(4X50)/5=40分;抽取2人考核,1人合格,本

11、项得分为(1X50)/2=25分)h描述过于简单或有误,酌情扣分i非规模较大且参与人员较多的消毒作业,此项不扣分j如抽取的案例无需开展效果评价,可以模拟考核的方式评估k记录表缺失1个消毒信息扣1分2分I作业报告缺乏消毒过程影像记录扣5分评估单位:评估人:评估日期:附录B(规范性)消毒服务机构能力评估意见现场消毒服务机构能力评估意见见表B.1。表B.1现场消毒服务机构能力评估意见现场消毒服务机构名称:机构备案号:评估项目必备条件评分项数通过数分值得分扣分主要原因一、管理体系O240二、消毒库房和消毒物资13220三、消毒人员能力O300四、消毒实施及质控能力O240五、特殊情况记录1合计141000评估意见符合现场消毒服务要求且:口符合低温消毒服务能力;口更合大型场馆消毒服务能力不符合现场消毒服务要求评估单位:评估人:评估日期:

展开阅读全文
相关资源
猜你喜欢
相关搜索

当前位置:首页 > 办公文档 > 事务文书

copyright@ 2008-2023 1wenmi网站版权所有

经营许可证编号:宁ICP备2022001189号-1

本站为文档C2C交易模式,即用户上传的文档直接被用户下载,本站只是中间服务平台,本站所有文档下载所得的收益归上传人(含作者)所有。第壹文秘仅提供信息存储空间,仅对用户上传内容的表现方式做保护处理,对上载内容本身不做任何修改或编辑。若文档所含内容侵犯了您的版权或隐私,请立即通知第壹文秘网,我们立即给予删除!