福建省拆除夯土墙等4项补充定额和部分模板定额人工费予以调整通知2024.docx

上传人:p** 文档编号:854466 上传时间:2024-03-22 格式:DOCX 页数:6 大小:22.57KB
下载 相关 举报
福建省拆除夯土墙等4项补充定额和部分模板定额人工费予以调整通知2024.docx_第1页
第1页 / 共6页
福建省拆除夯土墙等4项补充定额和部分模板定额人工费予以调整通知2024.docx_第2页
第2页 / 共6页
福建省拆除夯土墙等4项补充定额和部分模板定额人工费予以调整通知2024.docx_第3页
第3页 / 共6页
福建省拆除夯土墙等4项补充定额和部分模板定额人工费予以调整通知2024.docx_第4页
第4页 / 共6页
福建省拆除夯土墙等4项补充定额和部分模板定额人工费予以调整通知2024.docx_第5页
第5页 / 共6页
福建省拆除夯土墙等4项补充定额和部分模板定额人工费予以调整通知2024.docx_第6页
第6页 / 共6页
亲,该文档总共6页,全部预览完了,如果喜欢就下载吧!
资源描述

《福建省拆除夯土墙等4项补充定额和部分模板定额人工费予以调整通知2024.docx》由会员分享,可在线阅读,更多相关《福建省拆除夯土墙等4项补充定额和部分模板定额人工费予以调整通知2024.docx(6页珍藏版)》请在第壹文秘上搜索。

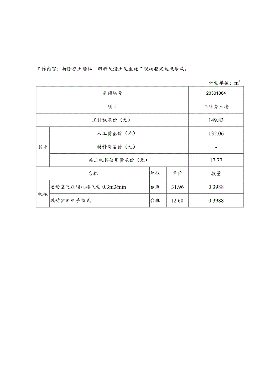
1、拆除夯土墙等4项补充定额一、拆除工程说明1 .拆除夯土墙定额适用于古建筑夯土墙拆除,手工拆除为主,机械拆除为辅。2 .木构件脱漆定额按手工操作考虑,采用不同施工方法时不作调整。工程量计算规则1 .拆除夯土墙工程量,按拆除体积以“m,计算,不扣除0.3Itf以内的洞口面积或O.lnP以内的洞口体积。2 .木构件人工脱漆工程量,按设计图示脱漆尺寸展开面积以“rtf”计算,不扣除单个面积0.3Itf以内孔洞所占面积。工作内容:拆除夯土墙体、旧料及渣土运至施工现场指定地点堆放。计量单位:m3定额编号20301064项目拆除夯土墙工料机基价(元)149.83其中人工费基价(元)132.06材料费基价(元

2、)-施工机具使用费基价(元)17.77名称单位单价数量机械电动空气压缩机排气量0.3m3min台班31.960.3988风动凿岩机手持式台班12.600.3988工作内容:表面清理、涂刷油漆剥离剂二道、表面刷洗、棉布擦净。计量单位:m2定额编号2030106520301066项目旧木构人工脱漆二遍每增(减)一道工料机基价(元)58.4921.49其中人工费基价(元)35.1010.97材料费基价(元)23.3910.52施工机具使用费基价(元)-名称单位单价数量材料脱漆剂kg50.000.46740.2103其他材料费元1.000.0225-二、泥部新作工程说明1 .石板地面按缝宽20mm、石

3、板厚度12Omm考虑,石板厚度每增(减)IOmm,定额人工费相应增(减)8元/rtf;石板厚度小于40mm时,不适用本定额。2 .设计垫层材料与定额取定不同时,材料按实调整,人工费不作调整。工作内容:清理基层、选料、铺砂、找平、铺砌、清理缝隙。计量单位:m2定额编号20303622项目石板地面(12Omm)工料机基价(元)425.65其中人工费基价(元)99.96材料费基价(元)325.69施工机具使用费基价(元)-名称单位单价数量材料机割石花岗岩长3.5m以内m32640.000.1210天然中砂m3177.760.0350部分模板定额人工费调整表序号定额编号或所在位置调整内容调整前调整后1

4、10117040人工费基价(元)28.3942.54210117049人工费基价(元)39.2655.26310117050人工费基价(元)52.3666.51410117052人工费基价(元)46.0560.20510117053人工费基价(元)31.4244.21610117054人工费基价(元)34.3648.58710117055人工费基价(元)32.0045.11810117056人工费基价(元)35.5950.23910117058人工费基价(元)47.0461.191010117059人工费基价(元)63.5777.721110117066人工费基价(元)88.30120.451210117067人工费基价(元)110.70153.871310117068人工费基价(元)134.38166.531410117074人工费基价(元)52.7066.851510117075人工费基价(元)59.2973.441610117078人工费基价(元)34.3848.53注:上述调整表与福建省房屋建筑与装饰工程预算定额(FJYD-101-2017)配套使用。

展开阅读全文
相关资源
猜你喜欢
相关搜索

当前位置:首页 > 办公文档 > 通知/申请

copyright@ 2008-2023 1wenmi网站版权所有

经营许可证编号:宁ICP备2022001189号-1

本站为文档C2C交易模式,即用户上传的文档直接被用户下载,本站只是中间服务平台,本站所有文档下载所得的收益归上传人(含作者)所有。第壹文秘仅提供信息存储空间,仅对用户上传内容的表现方式做保护处理,对上载内容本身不做任何修改或编辑。若文档所含内容侵犯了您的版权或隐私,请立即通知第壹文秘网,我们立即给予删除!