2008_某小高层住宅太阳热水系统方案(docP15)含图纸.docx

上传人:p** 文档编号:879723 上传时间:2024-03-26 格式:DOCX 页数:15 大小:894.38KB
下载 相关 举报
2008_某小高层住宅太阳热水系统方案(docP15)含图纸.docx_第1页
第1页 / 共15页
2008_某小高层住宅太阳热水系统方案(docP15)含图纸.docx_第2页
第2页 / 共15页
2008_某小高层住宅太阳热水系统方案(docP15)含图纸.docx_第3页
第3页 / 共15页
2008_某小高层住宅太阳热水系统方案(docP15)含图纸.docx_第4页
第4页 / 共15页
2008_某小高层住宅太阳热水系统方案(docP15)含图纸.docx_第5页
第5页 / 共15页
2008_某小高层住宅太阳热水系统方案(docP15)含图纸.docx_第6页
第6页 / 共15页
2008_某小高层住宅太阳热水系统方案(docP15)含图纸.docx_第7页
第7页 / 共15页
2008_某小高层住宅太阳热水系统方案(docP15)含图纸.docx_第8页
第8页 / 共15页
2008_某小高层住宅太阳热水系统方案(docP15)含图纸.docx_第9页
第9页 / 共15页
2008_某小高层住宅太阳热水系统方案(docP15)含图纸.docx_第10页
第10页 / 共15页
亲,该文档总共15页,到这儿已超出免费预览范围,如果喜欢就下载吧!
资源描述

《2008_某小高层住宅太阳热水系统方案(docP15)含图纸.docx》由会员分享,可在线阅读,更多相关《2008_某小高层住宅太阳热水系统方案(docP15)含图纸.docx(15页珍藏版)》请在第壹文秘上搜索。

1、某项目位于安徽省铜陵市中心区域,石城广场北侧,周边,视野开阔,无高层遮挡,市政公共设施配套完备。某项目由三栋多层和一栋高层住宅所组成,该工程规划总用地面积为10580平方米,总建筑面积为14830平方米,住宅总户数为110户,其中多层住宅建筑面积为6368平方米,高层住宅建筑面积为8462平方米,高层住宅总户数为60户。某项目至去年九月动工,计划今年十月竣工,目前已进入墙体粉刷和保温阶段。某小高层住宅太阳热水系统方案一、系统形式:要求,为分户计量供水,选用工程型太阳能热泵热水系统,集热器在楼顶装饰构架上集中布置,并配全自动控制装置,能够实现自动进水、热泵自动加热和管道自动循环等功能。二、太阳能

2、热泵热水系统选型:根据要求,每户住宅按3.5人计算,复式住宅按5人计算。采用工程型太阳能热泵热水系统;集热器支架为5#角钢,集热器联箱、集热水箱与储热水箱内胆均为不锈钢板、外包均为彩色钢板;热泵主机为SL-KRS640TS型(每小时产热水640升);系统的日产热水量定为9吨,供60户用水,三、太阳能热水系统运行:太阳能集热系统为自然循环直接系统,采用冷热水之间存在的比重差而形成的热虹吸方式运行,集热器内的水经加热后自动进入集热水箱上部,而集热水箱低部的冷水自动进入集热器低部,这样经过不断加热循环使集热水箱内的水温逐渐升高,当集热水箱内水温达到设置温度时自动送入储热水箱待用;为了保证热水系统能够

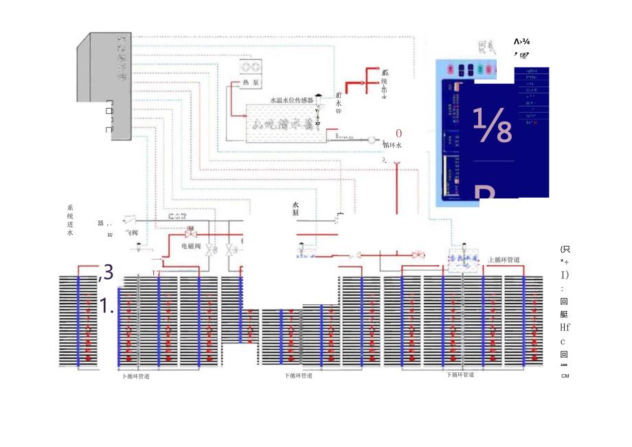
3、全天候提供热水,系统配热泵作为第二加热源,当储热水箱内水温低于设置温度时,热泵自动启动加热;系统中集热水箱与储热水箱的进出水、热泵加热等的控制采用单片机技术,使系统全自动控制、无须人员值守。1、楼面系统运行总示意图:,胃(只*I):回艇Hfc回爆麟后CMqfttf*YNs纪 K = * *斓 Y*5x* Jc水泵一IT-系统进水器 ,.蓝卜循环管道下循环管道B系统出水O循环水下循环管道出水管Y-I-X7,31.三三卜循环管道3、集热水箱与储热水箱进出水运行示意图:”麝吨集热冰箱.进水品热泵接口一热水秒*位X一吨集热藤箱年吨储热水箱二4、系统出水运行示意图:循环水泵控制线供水管道管道外为保温管循

4、环回水管热水表温度传感器信号线管道井IOf说明:(1).该管路系统为开式系统,底层楼管道最高静压为3.5公斤;(2) .供水管道采用PPR管,610层为PPRDN50、15层为PP-R-DN40、循环回水管道为PP-R-DN32;(3) .供水管道采用橡塑管保温,管道保温循环为定温循环;(4) .计量热水表安装在管道井内,靠每层管道井的门,便于抄表。5、系统运行电控用户界面示意图(暂定):) u A3. WW征B 命柢”卜岫*欧加6* lI 01e小Fl*-541aVLR1太阳源热泵热水工程智能控制仪6、系统运行控制方框图:第集热单元 水温水位信号第二集热单元 水温水位信号第三集热单元 水温水

5、位信号储热水箱单元 水温水位信号热泵单元压力 水温水位信号CPV信号输入接口一信号输入接3二信号输入接口四信号输入接口五接项控制黄用声盘测环心驱动输出I驱动输出接月一接口二驱动输出接口三驱动输出接驱动输出接口五第一集热单元笫二集热单元进水出水控制 进水出水控制笫三集热单元进水出水控制储热水箱单元热泵单元启动进水加热控制关机除霜控制7、热泵运行示意图:空气蒸发器除霜温控气液分离器)C(m)风机低压保护高压保护压缩机膨胀阀电磁阀(过滤器丫冷凝换热器水压水温四、系统主要参数太阳能日供水量:9吨采光面积:139平方米当累积太阳辐照量大于17000KJm2时的水温:50度水箱:平均热损系数小于5.0W/

6、(m2。C)热泵:功率:7kW、产水量:640Lh系统控制电源:交流220V、负荷小于0.2KVA系统的出热水方法:顶水式落水法系统的进水方法:电磁阀五、楼面布置图:(详见附光盘内电子文档)1,ilOMM850友空集拉管职接管外型尺寸囹188OMM150支笈空集拉管集拉器构架尺寸圉5940MM2.502、集热单元结构布置平面图:3、说明:(1).集热器每块的尺寸为2.5米x5.94米,集热器与集热器之间的间距为0.5米,集热器共有12块,每4块与1只1吨集热水箱组成一个单元;(2) .集热器全部布置在楼顶装饰框架上,楼顶三个框架上分别布置4块集热器,4块集热器的上方为1吨集热水箱;(3) .6

7、吨集热水箱布置在楼中间的电梯机房房顶。(4) .每块集热器(包括钢结构框架和管内的水)的重量约为560公斤。六、热水系统安装:储水箱、集热水箱和集热器单元的安装位置应满足建筑物上其所处部位的承载要求,不应破坏建筑物整体观瞻效果,应避免集热器的反光板对附近建筑物引起的光污染,集热水箱和集热器的相对位置应使循环管路尽可能短。集热器摆放面向正南,安装在楼顶的装饰构架上,并采用膨胀螺丝固定,集热器的倾角与楼顶装饰构架的倾角相同,构架更改尺寸见附光盘内电子文档中“太阳能基础图集热器间通过串并联方式连接成集热器单元。循环管路应尽量短而少弯,绕行的管路应是低温管,管路的通经面积应与集热器内管路通经面积相适应

8、;循环管路朝水箱方向应有向上坡度,循环管路中应设有防止夜间倒流散热的措施以及方便维修的辅助阀门;循环管路的高温管路应与储水箱的高处管口连接、低温管路应与储水箱的低处管口连接;管道铺设整齐,管道外套有聚本保温管;在热水热水安装时不应破坏建筑物的结构、屋面防水层和附属设施;系统应能承受不低于10级风的负载,并有适当的防雷措施。七、高层住宅楼太阳能热水工程运行及验收1、检查热水工程安装是否符合设计与有关标准规定的要求。2、将联接管、集热水箱、储水箱和管道内部冲洗干净。3、给热水系统充填传热工质(进水),使系统处于工作状态,对有关部件进行调节,保证各部件在设计要求的状态下工作,同时对有关管理人员进行现

9、场培训。4、热水器验收包括下列三项内容:一般检验及热水器、安装和控制检验;水质检验;热性能检验。5、移交:提供一套易懂的热水系统运行使用说明以及服务介绍,还包括运行、维护所必需的全部说明。中房小高层住宅楼热水系统运行成本预算(参考)根据设计方案,总供水量豪庭为每天55热水9吨,其中,配备一台热泵,以保证全天候能提供热水。1.每吨50热水成本:1吨水提温40生产方式太阳能热泵附:电加热理论热值6348Kcalm2860Kcal/KWh860Kcal/KWh效率4235095实际热值2666Kcalm23010Kcal/KWh817Kcal/KWh能源消耗量40000Kcal400003010=1

10、3.29kWh40000817=48.96kWh能源单价0.000.689元/kWh0.689kWh能源费用0.009.1633.73元2.豪庭每天9吨所需费用:(1)太阳能+热泵晴天:无费用阴雨天:9X9.16=82.44元(2)太阳能+电加热晴天:无费用阴雨天:933.73=303.57元(3)循环系统及系统运行费:循环系统:1(水泵)x4(功率)x16(小时)x.689(元)=44.10元控制系统:0.08(控制器功率)x24(小时)+1(水泵)x.4(功率)x1(小时)xO.689(元)=1.60元管理员(兼职)工资:1(人)X1(天)X20.00(元)=20.00元(4)晴天运行费用为:太阳能+热泵:65.70元太阳能+电加热65.70元(5)阴雨天运行费用为:太阳能+热泵:148.14元太阳能+电加热369.27元(6)热水单价:(晴天)太阳能+热泵:9.30元/吨(阴天)太阳能+热泵:18.46元/吨3.豪庭全年运行费用:(按晴天9个月,阴雨天3个月计,含水费2.00元/吨)太阳能+热泵:9.30元/吨x9吨x270天+1846元/吨乂9吨乂90天二37551.60元太阳能+电力口热:9.30元/吨又9吨*270天+43.03元/吨又9吨x90天=57453.30元

展开阅读全文
相关资源
猜你喜欢
相关搜索

当前位置:首页 > 建筑/环境 > 建筑节能

copyright@ 2008-2023 1wenmi网站版权所有

经营许可证编号:宁ICP备2022001189号-1

本站为文档C2C交易模式,即用户上传的文档直接被用户下载,本站只是中间服务平台,本站所有文档下载所得的收益归上传人(含作者)所有。第壹文秘仅提供信息存储空间,仅对用户上传内容的表现方式做保护处理,对上载内容本身不做任何修改或编辑。若文档所含内容侵犯了您的版权或隐私,请立即通知第壹文秘网,我们立即给予删除!