贵阳市某食品废水处理工程设计方案.docx

上传人:p** 文档编号:884895 上传时间:2024-03-26 格式:DOCX 页数:25 大小:141.85KB
下载 相关 举报
贵阳市某食品废水处理工程设计方案.docx_第1页
第1页 / 共25页
贵阳市某食品废水处理工程设计方案.docx_第2页
第2页 / 共25页
贵阳市某食品废水处理工程设计方案.docx_第3页
第3页 / 共25页
贵阳市某食品废水处理工程设计方案.docx_第4页
第4页 / 共25页
贵阳市某食品废水处理工程设计方案.docx_第5页
第5页 / 共25页
贵阳市某食品废水处理工程设计方案.docx_第6页
第6页 / 共25页
贵阳市某食品废水处理工程设计方案.docx_第7页
第7页 / 共25页
贵阳市某食品废水处理工程设计方案.docx_第8页
第8页 / 共25页
贵阳市某食品废水处理工程设计方案.docx_第9页
第9页 / 共25页
贵阳市某食品废水处理工程设计方案.docx_第10页
第10页 / 共25页
亲,该文档总共25页,到这儿已超出免费预览范围,如果喜欢就下载吧!
资源描述

《贵阳市某食品废水处理工程设计方案.docx》由会员分享,可在线阅读,更多相关《贵阳市某食品废水处理工程设计方案.docx(25页珍藏版)》请在第壹文秘上搜索。

1、食品厂废水处理工程方案设计盘软草做:丈极地址:覆国名款,金Alt水处理工程钱叶阜彼:核计费质编号CHCAoO34施工费质编号依0-80032日期:2009鼻6月22H第一部分:工程简介1 .工程概要1.1. 1.项目名称食品厂废水处理工程1.2. 工程范围污水处理站1.3. 设计规模污水排放量为5001.4设计进水水质指标m3doCODen4000mg/L动植物油:800mgLB0D5:2500mgLpH:7.64NH3-N1.5设计出水水质指标20mgL总磷2mg/LCODe:100mgLSS:70mgLBODs:30mgLpH:69NH3-N25mgL总磷0.5mg/L动植物油:20mgL

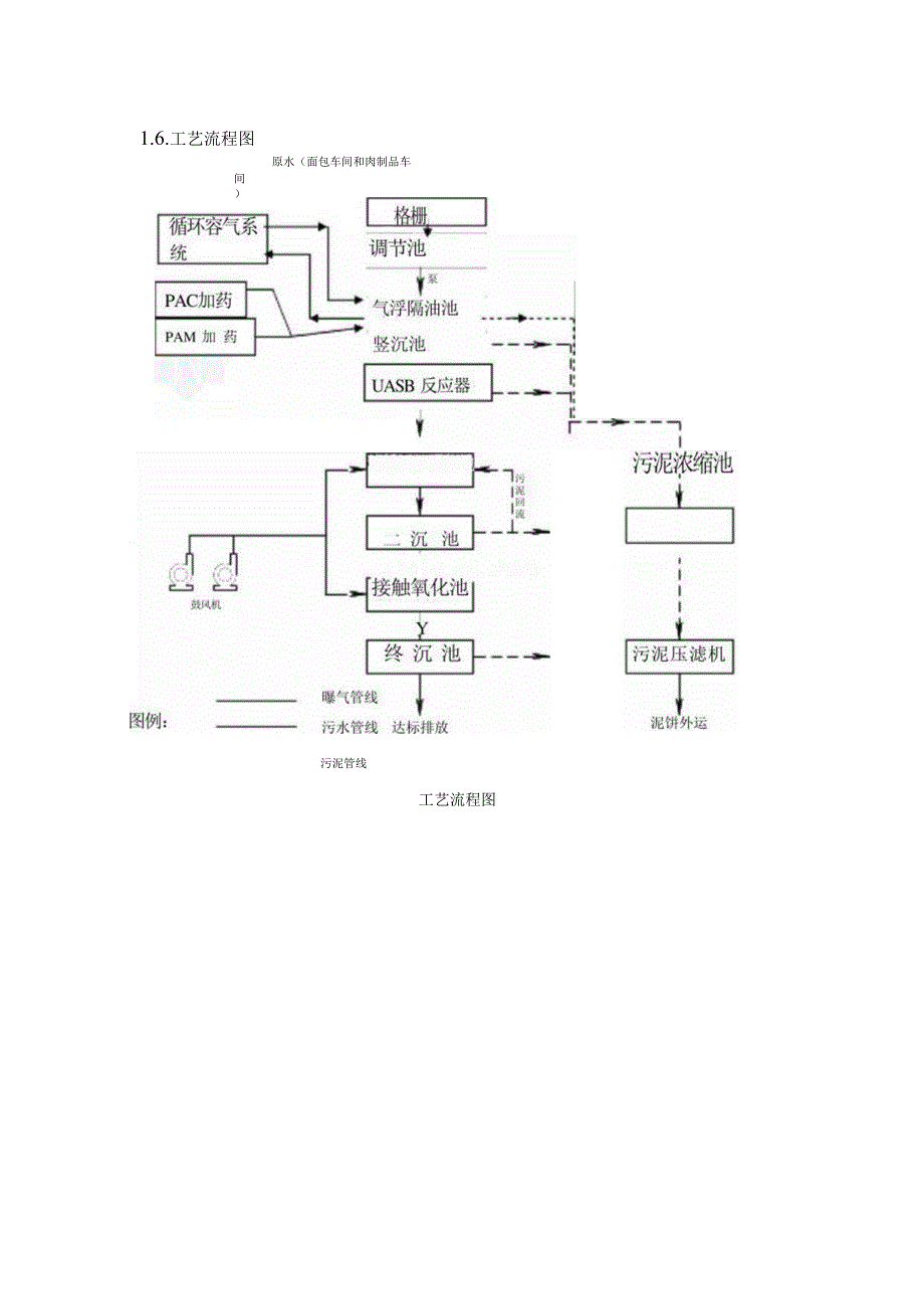
2、1.6.工艺流程图原水(面包车间和肉制品车间)污泥管线工艺流程图1.7. 主要构、建筑物尺寸:主要构、建筑物尺寸序号名称规格数量备注隔栅井2.0l.02.0m1砖混结构2调节池10.08.05.0m1破混结构3气浮隔油池18.03.03.0m1钢险结构4竖沉池基础5m1钢砂结构5UASB厌氧池基础中&5m1钢碎结构6活性污泥曝气池5.05.08.0m1钢险结构7二沉池34.04.5m1钢研结构8接触氧化池5.05.05.Om1钢碎结构终沉池3.03.04.5m钢碎结构污泥浓缩池445m1砖混结构1.8. 工程主要技术经济指标项目费用投资(万元)运行成本(元/M)其中:电费(元/m)其中:沼气效

3、益(元/m)1.9. 工程效益工程建成后,每年削减的污染物为:COD:3546吨;SS:1026吨。1. 10.工程建设进度整个工程建设周期为4个月,调试时间为3个月,即7个月后王程可交付业主第二部分综合说明书2.工程概况2. 1.项目名称食品粉厂废水处理工程2.2. 项目背景食品厂是以生产面包和肉制品的企业。该企业在生产过程中产生的废水,CoD浓度高,如果直接排放到自然水体,会对自然水体产生严重的污染。随着经济的飞速发展,国家对环保的要求越来越高,同时人们对环保的意识也大幅度提高。根据国家有关环保政策及当地经济的可持续发展的需求,该厂拟建设相应的污水处理设施,使生产过程中产生的废水达到国家规

4、定的一级排放标准。本公司接受业主委托,承担该污水处理厂工程方案设计。根据水量分析及预测,本工程按500m3d的规模进行设计。根据对该污水水质的分析预测及出水要求,经对污水处理厂的处理工艺进行技术经济比较,推荐气浮+UASB(上流式厌氧污泥反应床)+活性污泥曝气工艺十接触氧化工艺方案为污水处理厂的处理工艺,出水达到我国现行污水综合排放标准(GB8978T996)中规定的一级排放标准。我公司提交本方案,主要包括以下内容:方案设计说明书、投资估算表、平面布置图等附件。3. 设计目的、依据、原则3.2. 设计目的通过本方案设计,探讨适合食品厂废水处理的工艺流程,对之进行优化设计,并据此编制工程投资概算

5、表,进行运行成本分析,对方案进行技术经济比较。3.3. 设计依据业主方提供的有关资料;污水综合排放标准(GB8978T996);给水排水构筑物施工及验收规范(GBJ141-90);城市区域环境噪声标准GB309696。3. 3.设计原则1、通过本工程的建设达到保护环境、保护水资源、改善公司生产环境,保证企业可持续发展的目的。2、充分发挥建设项目的社会效益、环境效益和经济效益。3、严格执行国家的有关规定,确保各项水质指标达到规定的水质标准。4、运行上有较大的灵活性和可调节性,并留有一定富余量以满足长远需要。5、工艺流程简捷,设备布置合理,结构紧凑,占地面积少,投资和运行费用省。6、操作管理方便,

6、技术要求简单,最大程度地实现自动化控制。7、按现行有关规定进行投资估算和经济分析。4.设计范围、规模与目标4. 1.设计范围污水处理工艺的选择;处理构筑物的工艺设计计算;总平面布置及配套设计;工程投资估算;项目建设进度表;4. 2.设计规模根据业主方提供资料,新建500m3d污水处理厂工程。4.3. 设计进水水质根据业主提供资料和要求,设计进水水质指标如下:CODer:4000mg/L动植物油:800mgLB0D5:2500mgLNH3-Nl5mgL设计出水水质指标如下:pH:7.9CODer:100mgLSS:70mgLBODs:30mgLpH:69NH3-N25mgL总磷0.5mg/L动植

7、物油:20mgL5.方案选择及其特点5.1.污水处理方案选择5.1.1.污水可生物处理的衡量指标BOD5和COD是污水生物处理过程中常用的两个水质指标,用BOD5WD值评价污水的可生化性是广泛采用的一种最为简易的方法,一般情况下,BoD$/COD值越大,说明污水可生物处理性越好,综合国内外的研究成果,可参照下表所列的数据来评价污水的可生物降解性能。污水可生化性评价参考数据BOD5ZCODcr0.450.3-0.450.2-0.30.2可生化性好较好较难不宜本工程污水处理厂进水水质BOD5COD=0.6,属于生物降解好的范畴。5. 1.2.污水预处理工艺选择从污水处理工艺流程分段可分为三个阶段:

8、污水一级预处理一二级生物处理一三级深度处理,本工程是一座处理高浓度有机废水的污水处理厂,所采用的工艺必须是成熟可靠的,同时也要考虑工艺的先进性。预处理构筑物采用竖流式沉淀池为初沉池,去除原水中的颗粒状污染物,保证后续处理单元正常运行。主体工艺采用生化法,利用微生物的新陈代谢机理降解水中的污染物。5. 1.3.生化处理方法选择该工程处理的废水属于高浓度有机废水。对于高浓度有机废水,厌氧工艺具有能耗低、可回收能源(沼气)、负荷高、剩余污泥量少、污泥浓缩沉淀性能好等特点。所以主体工艺的选择首选厌氧工艺。但厌氧具有出水达不到排放标准,需进一步处理的特点,故在厌氧工艺之后串连好氧工艺。厌氧工艺的选择:表

9、5-1几种厌氧生化系统比较工艺类型优点缺点厌氧塘便宜、不需要维护需要大量土地、不产气、负荷太低厌氧消化池系统非常复杂负荷太低、需要较大池容,不经济厌氧滤池运转简单负荷中等、易堵塞UASB(上流式厌氧污泥反应床)1、反应器污泥浓度高2、有机负荷高,水力停留时间短3、设三相分离器,污泥自动回流,不需污泥回流设备4、水力、沼气搅拌,无需混合搅拌设备5、不需载体,避免堵塞进水SS不宜过高根据上表,该废水应选用UASB厌氧工艺作为主体工艺。好氧反应器的选择:好氧生物处理系统是一种去除污水中有机物的经济而行之有效的方法,主要生物处理系统分为活性污泥法及生物膜法。活性污泥法及生物膜法发展历史均较长,发展型式

10、呈多样性,各有其自身优缺点及适用性。般来讲,活性污泥法用于规模较大的处理厂或污水浓度较高的场所。接触氧化法适用于规模较小,水质水量变化较大,对管理要求较低,污水水质浓度低、处理出水要求水质标准较高的场合。活性污泥法系统典型工艺有:传统活性污泥法、氧化沟、SBR、CASSsMSBR.Amon等;生物膜法典型工艺有:塔滤、生物滤池、生物转盘、生物接触氧化等工艺。表5-2几种好氧生化系统比较工艺方法处理效果及特点推流式活性污泥法1 .BODs去除率高,特别适应于处理净化程度和稳定程度要求较高的废水;2 .对废水的处理程度比较灵活,根据要求可高可低。3 .为了避免曝气池首端形成厌氧状态,进水有机负荷不

11、宜过高,因此曝气池容积大,占地面积多;4 .在池末端可能出现供氧速率高于需氧速率的现象,增加动力费用:5 .对冲击负荷适应性较弱。活性污泥曝气池1 .承受冲击负荷的能力强,池内混合液能对废水起稀释作用;2 .全池需氧相同,可节省动力;3 .连续进水、出水可能造成短路。生物接触氧化法1 .对BOD的处理效果不如活性污泥法;2 .可用于很低的进水有机物浓度;3 .具有一定的承受冲击负荷的能力;SBR1 .集缺氧/好氧、沉淀为一体,基建费用相对少;2 .具有生物脱氮能力;3 .操作需全自动化。但目前国内生产的港水器产品质量不过关,运行时问题较多,操作管理复杂。MSBRLSBR改进型,连续进出水,无机

12、械汽水装置,无二次沉淀池,污泥富集浓度很高,污泥生成量少;2.运行管理较复杂。HCR1 .所需空间少、占地省,设计集成合理;2 .COD负荷率高;3 .空气氧利用率高;4 .抗冲击负荷能力强且操作便利安全等优点。根据上表,结合该厂废水水质特点,好氧工艺选用活性污泥曝气池和接触氧化池组合的两级好氧的工艺,保证污水处理系统的运行的稳定和效果。释2.污水处理方案根据以上分析,结合我司类似工程经验,最终选了下面的方案。原水(面包车间和肉制品车间)污泥管线工艺流程图废水自流进入调节池,对水量水质进行调节,为后续处理构筑物创造稳定的条件。调节后的废水经提升泵提升以稳定的流量进入气浮池,再去除油污后进入竖沉

13、池,沉淀部分有机污染物,并回收部分固形物为厌氧的稳定运行提供基础。出水自流进入厌氧UASB上流式厌氧污泥反应床,降解大部分有机污染物。出水自流进入一级好氧活性污泥曝气池,利用好氧微生物的新陈代谢作用降解水中的污染物,出水经泥水分离后(污泥回流到曝气池)自流进入接触氧化池进一步降解污染物。最后经终沉池沉淀去除水中的污泥和残留的颗粒污染物,使处理水达到国家规定的排放标准。本工艺为主要依靠生化处理系统,管理运行方便,产生污泥量少。废水处理产生的剩余污泥经浓缩脱水后外运。5.3. 污泥处理方案污水处理过程中产生的污泥,有机物和毒性物含量较高,若不经妥善处理和处置将造成二次污染。同时,污泥处理还有以下功

14、能:1)减少污泥中有机质的含量,使污泥稳定化;2)减少污泥体积,降低污泥后续处置费用;3)尽可能利用污泥中可用物质,回收能源。国家GBJ14-92室外排水设计规范规定:污泥处理流程应根据污泥的最终处置方法选定。目前国内外污泥最终处置和利用的常用方法有直接农用、堆肥、卫生填埋、焚烧、干化、填海以及经必要的处理后作建材利用等几种途径。污泥在进行最终处置之前应先进行脱水。污泥脱水的作用是去除污泥中的大量水分,从而缩小其体积、减轻其重量。经过脱水,污泥含水率能从96%左右降至60-80%左右,其体积为原体积的1/10-1/5,有利于运输和后续处理。目前,污泥脱水主要有自然干化和机械脱水两种。表5-3为各种脱水方法的比较:各种脱水方法比较方法优点缺点适用范围机械脱水板框压滤机间歇脱水液压过滤滤饼含固率高固体回收率高药品消耗少,滤液清澈间歇操作,过滤能力较低

展开阅读全文
相关资源
猜你喜欢
相关搜索

当前位置:首页 > 建筑/环境 > 设计及方案

copyright@ 2008-2023 1wenmi网站版权所有

经营许可证编号:宁ICP备2022001189号-1

本站为文档C2C交易模式,即用户上传的文档直接被用户下载,本站只是中间服务平台,本站所有文档下载所得的收益归上传人(含作者)所有。第壹文秘仅提供信息存储空间,仅对用户上传内容的表现方式做保护处理,对上载内容本身不做任何修改或编辑。若文档所含内容侵犯了您的版权或隐私,请立即通知第壹文秘网,我们立即给予删除!