铝合金门窗设计规范标准.docx

上传人:p** 文档编号:898408 上传时间:2024-03-30 格式:DOCX 页数:9 大小:27.77KB
下载 相关 举报
铝合金门窗设计规范标准.docx_第1页
第1页 / 共9页
铝合金门窗设计规范标准.docx_第2页
第2页 / 共9页
铝合金门窗设计规范标准.docx_第3页
第3页 / 共9页
铝合金门窗设计规范标准.docx_第4页
第4页 / 共9页
铝合金门窗设计规范标准.docx_第5页
第5页 / 共9页
铝合金门窗设计规范标准.docx_第6页
第6页 / 共9页
铝合金门窗设计规范标准.docx_第7页
第7页 / 共9页
铝合金门窗设计规范标准.docx_第8页
第8页 / 共9页
铝合金门窗设计规范标准.docx_第9页
第9页 / 共9页
亲,该文档总共9页,全部预览完了,如果喜欢就下载吧!
资源描述

《铝合金门窗设计规范标准.docx》由会员分享,可在线阅读,更多相关《铝合金门窗设计规范标准.docx(9页珍藏版)》请在第壹文秘上搜索。

1、铝合金门窗设计规范标准1. 1一般规定1.1.1 铝门窗的性能指标及有关设计要求应根据建筑物所在地的气候、环境等具体条件和建筑物的功能要求合理确定。1.1.2 铝门窗的热工性能设计,应符合国家和本省建筑节能设计标准的有关规定。1.1.3 铝门窗工程设计选用的产品,应符合现行国家标准铝合金门和铝合金窗的规定。1.2抗风压性能设计1.2.1 作用于建筑外门窗上的风荷载,为现行国家标准建筑结构荷载规范(GB50009)规定的围护结构风荷载标准值,按下式计算,且不应小于1.0KNm2:Wk=BgziisuzWo(1.2.11)式中Wk围护结构风荷载标准值(KNm2)BgZ高度Z处的阵风系数,按建筑结构

2、荷载规范(GB50009)采用;Ps一一风荷载本型系数,按建筑结构荷载规范(GB50009)7.3.3局部风压体型系数的规定采用。当建筑物进行了风洞试验时,可根据风洞试验结果确定;z一风压高度变化系数,按建筑结构荷载规范(GB50009)的规定采用;Wo基本风压(KN/m2),按建筑结构荷载规范(GB50009)的规定采用;1.2.2 门窗玻璃的抗风压设计应按现行行业标准建筑玻璃应用技术规程(JGJ113)的规定执行。1.2.3门窗构件应根据受荷情况和支承条件采用结构力学方法进行计算。1.2.4门窗构件由风荷载作用力产生的最大挠度值应满足下式要求,并且应同时满足绝对挠度值不大于15mm:uma

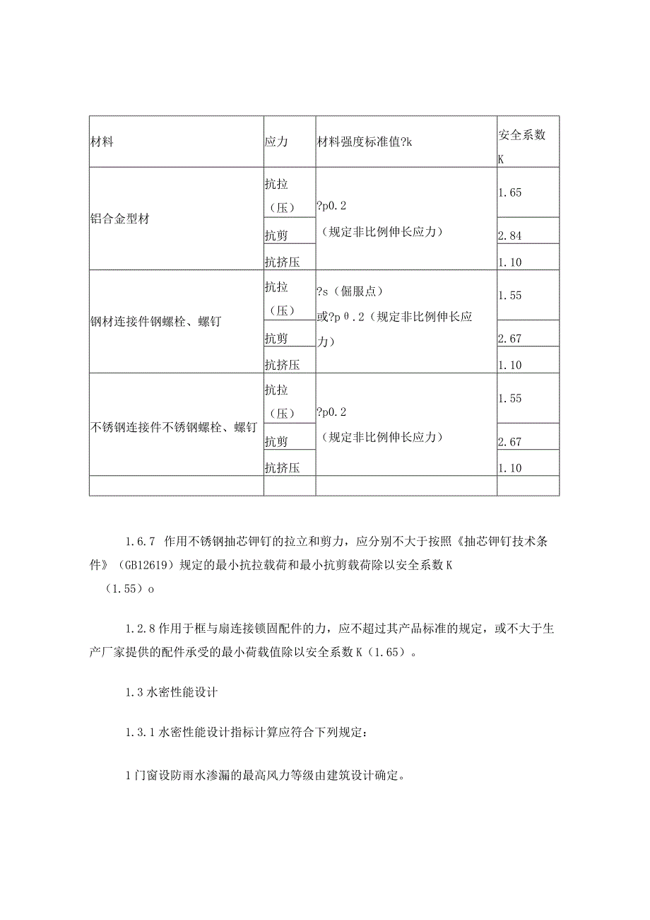
3、xu(1.2.4)式中:umax构件弯曲最大挠度值;0构件弯曲允许挠度值,门窗镶嵌单层玻璃时:u=l120;门窗镶嵌夹层玻璃、中空玻璃时:u=l180o1. 2.5门窗构件的连接计算应符合下式要求:7k7kK(1.2.5)式中:?k风荷载(标准值)作用所产生的应力;?k材料强度标准值;K安全系数。1.6.6 材料强度标准值和安全系数应符合下表规定:表 1.2. 6材料强度标准值和安全系数材料应力材料强度标准值?k安全系数K铝合金型材抗拉(压)?p0.2(规定非比例伸长应力)1.65抗剪2.84抗挤压1.10钢材连接件钢螺栓、螺钉抗拉(压)?s(倔服点)或?p.2(规定非比例伸长应力)1.55抗

4、剪2.67抗挤压1.10不锈钢连接件不锈钢螺栓、螺钉抗拉(压)?p0.2(规定非比例伸长应力)1.55抗剪2.67抗挤压1.101.6.7 作用不锈钢抽芯钾钉的拉立和剪力,应分别不大于按照抽芯钾钉技术条件(GB12619)规定的最小抗拉载荷和最小抗剪载荷除以安全系数K(1.55)o1.2.8作用于框与扇连接锁固配件的力,应不超过其产品标准的规定,或不大于生产厂家提供的配件承受的最小荷载值除以安全系数K(1.65)。1.3水密性能设计1.3.1水密性能设计指标计算应符合下列规定:1门窗设防雨水渗漏的最高风力等级由建筑设计确定。2按照表1.3.1风力等级与风速的对应关系确定水密性能设计风速Vo值(

5、一般取中数)。风力等级与风速的对应关系表L3.1风力等级456789101112风速范围(ms)5.57.98.010.710.813.813.917.117.220.720.821.421.528.428.532.632.736.9中数(ms)79121619232631333根据水密性能设计风速V0,水密性能风压力差值AP按下式计算:P=1.06zV02(1.3.1-1)式中:任意高度Z处的水密性能压力差值(Pa);z一一风压高度变化系数,按现行国家标准建筑结构荷载规范(GB50009)的规定采用;VO不密性能设计风速(ms)。4水密性能风压力差值4P也可按下式计算:P0.50zWO(1.

6、3.1-2)式中:WO一基本风压(Pa),按现行国家标准建筑结构荷载规范(GB50009)的规定采用。1.3.2门窗水密性能构造设计应符合下列要求:1宜采用雨幕原理进行压力平衡的门窗设计,确保玻璃镶嵌槽以及时雨框与扇配合空间形成等压腔。2对于不采用雨幕原理进行压力平衡设计的门窗结构,应采取有效的密封防水措施和结构防水措施,实现水密性能设计要求。3门窗的防水构造设计,宜采取在门窗水平缝隙上方设一定宽度的披水板、下框室内侧翼缘有足够的挡水高度以及门窗室内侧结构缝隙的有效密封等具体措施。门窗的排水设计,应保证排水孔的开口尺寸、数量及分布的合理性,保证排水系统的通畅。4门窗型材构件连接和附件装配缝隙以

7、及门窗框与洞口墙体安装间隙均应有防水密封处理措施。5门窗框与墙体之间宜设置止水板或披水板。1.3.3洞口墙体表面装饰应有排水措施,外墙窗楣应做滴水线或滴水槽,窗台上面应做流水坡度,滴水槽的宽度和深度均不应小于IOmm。窗宜与外墙外表面有一定距离。1.4气密性能设计1.1.1气密性能设计指标的确定应符合下列规定:1有空调要求的一般建筑物,其外窗在负压作用下的气密性能,单位缝长空气渗透量ql不应大于2.5(m3m.h),单位面积空气渗透量q2不应大于7.5(m3m2.h);其外门在负压作用下的气密性能,单位缝长空气渗透量ql不应大于Lo(m3m.h),单位面积空气渗透量q2不应大于12.0(m3m

8、2.h)02有空调要求的公共建筑,其外窗在负压作用下的气密性能,单位缝长空气渗透量ql不应大于2.5(m3m.h),单位面积空气渗透量q2不应大于1.5(m3m2.h);其外门在负压作用下的气密性能,单位缝长空气渗透量ql不应大于2.5(m3m.h),单位面积空气渗透量q2不应大于7.5(m3m2.h)o1.1. 2气密性能构造设计应符合下列要求:1在满足自然通风换气要求的前提下,适当控制门窗可开启扇与固定部分的比例。2合理设计门窗缝隙断面尺寸与几何形状,提高门窗缝隙空气渗透阻力。3采用耐久性好的弹性密封胶条进行玻璃镶嵌密封和框扇之间的密封。4推拉门窗框扇采用摩擦式密封时,应使用密度较高的密封

9、毛条或采用中间加胶片的密封毛条,确保密封效果。5密封胶条和密封毛条应保证在门窗四周的连续性,形成封闭的密封结构。6框扇杆件连接部位和五金配件装配部位,应采用密封材料进行妥善的密封处理。1.5 隔声性能设计1 .5.1隔声性能指标的确定应符合下列规定:1建筑外门窗空气声计权隔声量Rw225Db.2门窗工程设计如对隔声性能有更高的要求,应根据建筑物各类用房的允许噪声级标准和室外噪声环境情况,合理确定门窗隔声性能指标。2 .5.2隔声构造设计应符合以下要求:1提高门窗隔声性能,宜采用中空玻璃或夹层玻璃。2门窗玻璃镶嵌缝隙及框与扇开启缝隙,应采用具有柔性和弹性的密封材料妥善密封。1.6 隔热性能设计1

10、.6.1 隔热性能指标应符合以下规定:当未采取建筑外遮阳措施时,公共建筑外窗的遮阳系数不应大于0.60,住宅和其它建筑外窗的遮阳系数不宜大于0.60O1.6.2 隔热构造设计应符合以下要求:在无建筑外遮阳措施情况下,宜在房屋各向均采取窗户的遮阳配套措施:优先考虑窗户的外遮阳(如外卷帘、外百叶等);也可采用窗户的内遮阳(如中空玻璃内百叶、热反射玻璃、热反射中空玻璃、遮阳型Low-E中空玻璃等)。1.7 防玻璃热炸裂设计1 .7.1玻璃防热炸裂设计应符合以下要求:除正北向窗户外,均应按照现行行业标准建筑玻璃应用技术规程(JGJ113)中的有关规定,进行建筑玻璃防热炸裂设计计算。2 .7.2玻璃防热

11、炸裂构造设计应采取下列措施:1玻璃的周边不应有易造成裂纹的缺陷。对于易发生热炸裂的玻璃(如面积大于lm2的大板面玻璃、颜色较深的玻璃和吸热玻璃等)应对其边部进行倒角磨边等加工处理。玻璃的镶嵌应采用弹性良好的密封衬垫材料。2玻璃室内侧的卷帘、百叶及隔热窗帘等内遮阳设施,与窗玻璃之间的距离不应小于50mmo1.8 玻璃镶嵌结构设计1.8.1 玻璃镶嵌设计应符合下列规定:1玻璃镶嵌的支撑与固定,应使玻璃边缘不直接接触框架型材,并使玻璃重量分布均匀,防止框架变形,同时确保不同开启形式的门窗扇启闭性能良好。2承受玻璃重量的中横框型材垂直方向的挠度值应不大于3mm。1.8.2 玻璃镶嵌构造设计应符合以下要

12、求:1玻璃与框、扇型材槽口的镶嵌配合尺寸,应符合现行国家标准铝合金门和铝合金窗的玻璃装配要求。2玻璃承重垫块的材质、尺寸、安装位置,应符合现行行业标准建筑玻璃应用技术规程(JGJ113)关于玻璃安装材料及其使用中对支承块的要求。1.8.3 隐框、半隐框窗玻璃与结构胶粘结胶缝宽度、厚度的设计计算,应考虑风荷载效应、玻璃自重效应和温差效应,按照现行行业标准玻璃幕墙工程技术规范(JGJ102)中结构硅酮密封胶的宽度、厚度计算方法进行。1.9 防雷设计1.9.1 建筑外窗的防雷设计,应符合现行国家标准建筑物防雷设计规范(GB50057)的规定。一、二、三类防雷建筑物,其建筑高度分别在30m、45m、60m及以上的外墙窗户,应采取防侧击和等电位保护措施,与建筑物防雷装置进行连接。1.9.2 防雷构造设计应符合下列规定:1窗外框与洞口墙体连接固定用的连接件可作为防雷连接件使用,但要保证该连接件与窗框具有可靠的导电性连接。固定连接件与窗框采用卡槽连接时,则应另外采用专门的防雷连接件与窗框进行可靠的螺钉或钾钉机械联接。

展开阅读全文
相关资源
猜你喜欢
相关搜索

当前位置:首页 > 建筑/环境 > 建筑规范

copyright@ 2008-2023 1wenmi网站版权所有

经营许可证编号:宁ICP备2022001189号-1

本站为文档C2C交易模式,即用户上传的文档直接被用户下载,本站只是中间服务平台,本站所有文档下载所得的收益归上传人(含作者)所有。第壹文秘仅提供信息存储空间,仅对用户上传内容的表现方式做保护处理,对上载内容本身不做任何修改或编辑。若文档所含内容侵犯了您的版权或隐私,请立即通知第壹文秘网,我们立即给予删除!