XX开关有限公司现场技术服务措施(2024年).docx

上传人:p** 文档编号:899564 上传时间:2024-04-01 格式:DOCX 页数:3 大小:28.86KB
下载 相关 举报
XX开关有限公司现场技术服务措施(2024年).docx_第1页
第1页 / 共3页
XX开关有限公司现场技术服务措施(2024年).docx_第2页
第2页 / 共3页
XX开关有限公司现场技术服务措施(2024年).docx_第3页
第3页 / 共3页
亲,该文档总共3页,全部预览完了,如果喜欢就下载吧!
资源描述

《XX开关有限公司现场技术服务措施(2024年).docx》由会员分享,可在线阅读,更多相关《XX开关有限公司现场技术服务措施(2024年).docx(3页珍藏版)》请在第壹文秘上搜索。

1、XX开关有限公司现场技术服务措施1我方现场服务人员的目的是使所供设备安全、正常投运。我方派合格的、能独立解决问题的现场服务人员。我方提供的包括服务人天数的现场服务表应能满足工程需要。如果由于我方的原因,下表中的人天数不能满足工程需要,买方有权追加人天数,且发生的费用由我方承担;如果由于买方的原因,下表中的人天数不能满足工程需要,买方要求追加人天数,我方满足买方的要求。2我方服务人员的一切费用已包含在合同总价中,它包括诸如服务人员的工资及各种补助、交通费、通讯费、食宿费、医疗费、各种保险费、各种税费,等等。3现场服务人员的工作时间应与现场要求相一致,以满足现场安装、调试和试运行的要求。买方不再因

2、我方现场服务人员的加班和节假日而另付费用。4未经买方同意,我方不得随意更换现场服务人员。同时,我方须及时更换买方认为不合格的卖方现场服务人员。5下述现场服务表中的天数均为现场服务人员人天数。现场服务计划表序号技术服务内容计划人日数派出人员构成备注职称人数1指导安装、进行调试按实际情况工程师12配合用户试验按实际情况工程师13协助送电按实际情况工程师16我方现场服务人员具有下列资质:6.1遵守法纪,遵守现场的各项规章和制度;6. 2有较强的责任感和事业心,按时到位;6.3了解合同设备的设计,熟悉其结构,有相同或相近机组的现场工作经验,能够正确地进行现场指导;6.4身体健康,适应现场工作的条件。7

3、我方向招标方提供服务人员情况表如下。服务人员情况表姓名性别工作日期民族专业电器自动化职称工程师工作简历该同志有十几年的工作经验,项目X电厂。单位评价1、遵守法纪,遵守现场各项规章制度2、有较强的责任感和事业心,按时到位。3、了解合同设备的设计,熟悉其结构,有相同的现场经验能够正确进行现场指导。4、身体健康,适用现场工作条件。姓名性别年龄民族政治面貌党员学校和专业职务职称工程师工作简历该同志有十几年的工作经验,对用户进行实际操作培训和检修调试工作,对产品进行安装调试验工作。项目:X电厂等单位评价1、遵守法纪,遵守现场各项规章制度2、有较强的责任感和事业心,按时到位。3、了解合同设备的设计,熟悉其

4、结构,有相同的现场经验能够正确进行现场指导。4、身体健康,适用现场工作条件。姓名性别男年龄民族汉政治面貌党员学校和专业职务职称工程师工作简历该同志有十几年的工作经验,对用户进行实际操作培训和检修调试工作,对产品进行安装调试验工作。项目:XX电厂等单位评价1、遵守法纪,遵守现场各项规章制度2、有较强的责任感和事业心,按时到位。3、了解合同设备的设计,熟悉其结构,有相同的现场经验能够正确进行现场指导。4、身体健康,适用现场工作条件。注:买方有权提出更换不合格的我方现场服务人员。8我方现场技术服务人员的职责8.1我方现场技术服务人员的任务主要包括设备催交、货物的开箱检验、设备质量问题的处理、安装指导

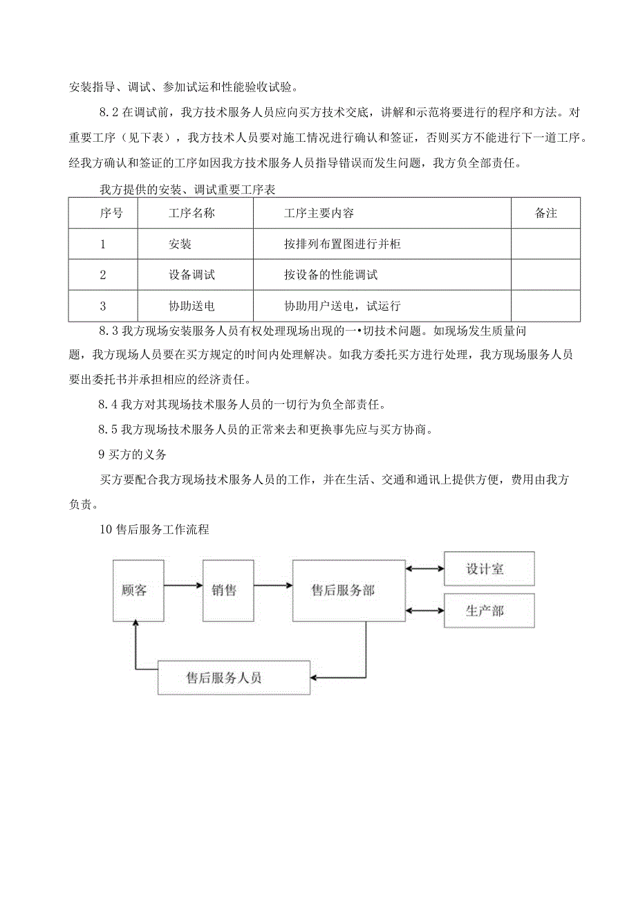
5、、调试、参加试运和性能验收试验。8.2在调试前,我方技术服务人员应向买方技术交底,讲解和示范将要进行的程序和方法。对重要工序(见下表),我方技术人员要对施工情况进行确认和签证,否则买方不能进行下一道工序。经我方确认和签证的工序如因我方技术服务人员指导错误而发生问题,我方负全部责任。我方提供的安装、调试重要工序表序号工序名称工序主要内容备注1安装按排列布置图进行并柜2设备调试按设备的性能调试3协助送电协助用户送电,试运行8.3我方现场安装服务人员有权处理现场出现的一切技术问题。如现场发生质量问题,我方现场人员要在买方规定的时间内处理解决。如我方委托买方进行处理,我方现场服务人员要出委托书并承担相应的经济责任。8.4我方对其现场技术服务人员的一切行为负全部责任。8.5我方现场技术服务人员的正常来去和更换事先应与买方协商。9买方的义务买方要配合我方现场技术服务人员的工作,并在生活、交通和通讯上提供方便,费用由我方负责。10售后服务工作流程

展开阅读全文
相关资源
猜你喜欢
相关搜索

当前位置:首页 > 论文 > 管理论文

copyright@ 2008-2023 1wenmi网站版权所有

经营许可证编号:宁ICP备2022001189号-1

本站为文档C2C交易模式,即用户上传的文档直接被用户下载,本站只是中间服务平台,本站所有文档下载所得的收益归上传人(含作者)所有。第壹文秘仅提供信息存储空间,仅对用户上传内容的表现方式做保护处理,对上载内容本身不做任何修改或编辑。若文档所含内容侵犯了您的版权或隐私,请立即通知第壹文秘网,我们立即给予删除!