公司安全奖惩制度.docx

上传人:p** 文档编号:903611 上传时间:2024-04-01 格式:DOCX 页数:7 大小:36.71KB
下载 相关 举报
公司安全奖惩制度.docx_第1页
第1页 / 共7页
公司安全奖惩制度.docx_第2页
第2页 / 共7页
公司安全奖惩制度.docx_第3页
第3页 / 共7页
公司安全奖惩制度.docx_第4页
第4页 / 共7页
公司安全奖惩制度.docx_第5页
第5页 / 共7页
公司安全奖惩制度.docx_第6页
第6页 / 共7页
公司安全奖惩制度.docx_第7页
第7页 / 共7页
亲,该文档总共7页,全部预览完了,如果喜欢就下载吧!
资源描述

《公司安全奖惩制度.docx》由会员分享,可在线阅读,更多相关《公司安全奖惩制度.docx(7页珍藏版)》请在第壹文秘上搜索。

1、公司安全奖惩制度1、目的为确保安全生产和员工的人身安全,提高员工的安全意识和自觉性。真正将责任落实到人,明确奖罚考核的标准、依据,特制订本制度,若本制度和公司其他文件或制度相冲突,以本制度为准。2、范围公司内所有员工。3、职责3.1 本制度是公司执行安全奖惩的参考依据并作为最低标准,各部门可在此基础上根据本部门情况自行制订或补充、细化相关标准。3.2 公司安全奖惩的监督管理部门为安环部,执行部门为行政人事部。4、定义无5、核心要求5.1处罚公司领导、各部门在检查的过程中发现以下检查内容,行政人事部按照惩处标准对相应部门的责任人进行惩处。5.1.1特种设备类项目序号检查内容惩处标准(元/次)力器

2、力道压容压管1容器、管道及安全附件检验不在有效期内1002设备管理员每月未进行定期检查,未留下记录30-503本体无接地,接地电阻值不在正常范围内30-504盖板螺栓脱落、松动30-505本体、管线损伤或泄漏506管线未标示气(液)体名称、流向30-507安全附件缺失或脱落508压力表、温度表等不能正常使用,并未明显标示最高使用压力、温度等509设备附属之栏杆或平台不牢固5010容器上未标示内存物名称、安全警示标示30-5011带压操作50气瓶1外观缺陷,有机械性损伤和严重腐蚀1002表面漆色、字样和钢印不符合规定503瓶帽、瓶阀、易熔合金塞、防振圈(2个)等附件缺损504气瓶未定点存放30-

3、505现场无安全警示标志30-506储存、使用未进行定期检查,或未留下记录30-507使用时未远离火源或热源,气瓶之间安全间距不够508空、实瓶未分开放置,未有明显的标记30-509气瓶未按所盛气体种类分开放置并未标示30-5010无防倾倒措施或不可靠30-5011无防回火装置30-5012人工搬运30-50叉车1叉车检验不在有效期内1002叉车车体未保持清洁30-503厂内牌照、安全检测合格证脱落504后视镜、车灯、刹车、喇叭等设施功能不正常505在停用时,叉牙未放在最低状态30-506叉车行驶期间搭载人员507未设置专人保管508每天未定期检查,或未留下记录30-509使用前未检查后视镜、

4、车灯、刹车、喇叭等设施就开始作业5010人离开后不熄火或不拔出钥匙30-5011轮胎磨损严重仍在使用5012超速行驶、进入仓库没有阻火器3050起重机1检验不在有效使用期内1002每月未进行定期检查,或无记录30-503未标不最高负荷或超负荷起吊504限位器、控制手柄异常仍在使用505吊勾防滑舌片不正常30-506钢缆及吊链损伤507无超高限制器30-508操作人员未戴有安全帽30-509违反起重作业“十不吊”原则30-50人贝1人员法定操作上岗证不在有效使用期内502未取得法定特种设备、特种作业操作上岗证就自行操作505.1.2危废、化学品项目序号检查内容惩处标准(元/次)储存1入库前未进行

5、检查1001.1入库后检查有破碎,泄露等现象30-502入库记录不齐全30-503标签不齐全或不明确等30-504未定置存放505有混放混装现象506库房未进行定期检查,或检查后无记录30-506.1库房检查记录不齐全30-507特气瓶无防倒装置508仓库的排气、通风设施不能24小时运转508.1排气系统未进行日常检查30-508.2库房内有较大浓度化学气味509各类危废、化学品之间的安全距离不符合标准5010易制毒品、剧毒品未依照规定进行保管10020011有闲杂人员进入库房30-50搬运1相关人员未经过专业培训,或未取得上岗资格502搬运的危废、化学品未固定好30-503超标叠放30-50

6、4有摔、甩、滚等恶劣行为搬运危废、化学品505操作人员未穿戴合适的个人防护用品(PPE);30-506搬运到车间的化学品未和车间相关人员进行交接506.1危废、化学品交接无交接记录507危废、化学品的搬运不符合要求50使用1使用人员不了解化学品的危害性及应急处理502相关人员未正确或齐全佩戴劳动防护用品30-503操作人员操作不正确30-504安全冲淋器、洗眼器等急救设施未定期检查30-504.1安全冲淋器、洗眼器等急救设施定期检查记录不齐全30-505现场有危废、化学品的“滴、漏、跑、冒”现象50其他1使用完后的空包装容器未经过清洗就再次使用502危废未到指定放置点存放503对危废、化学品放

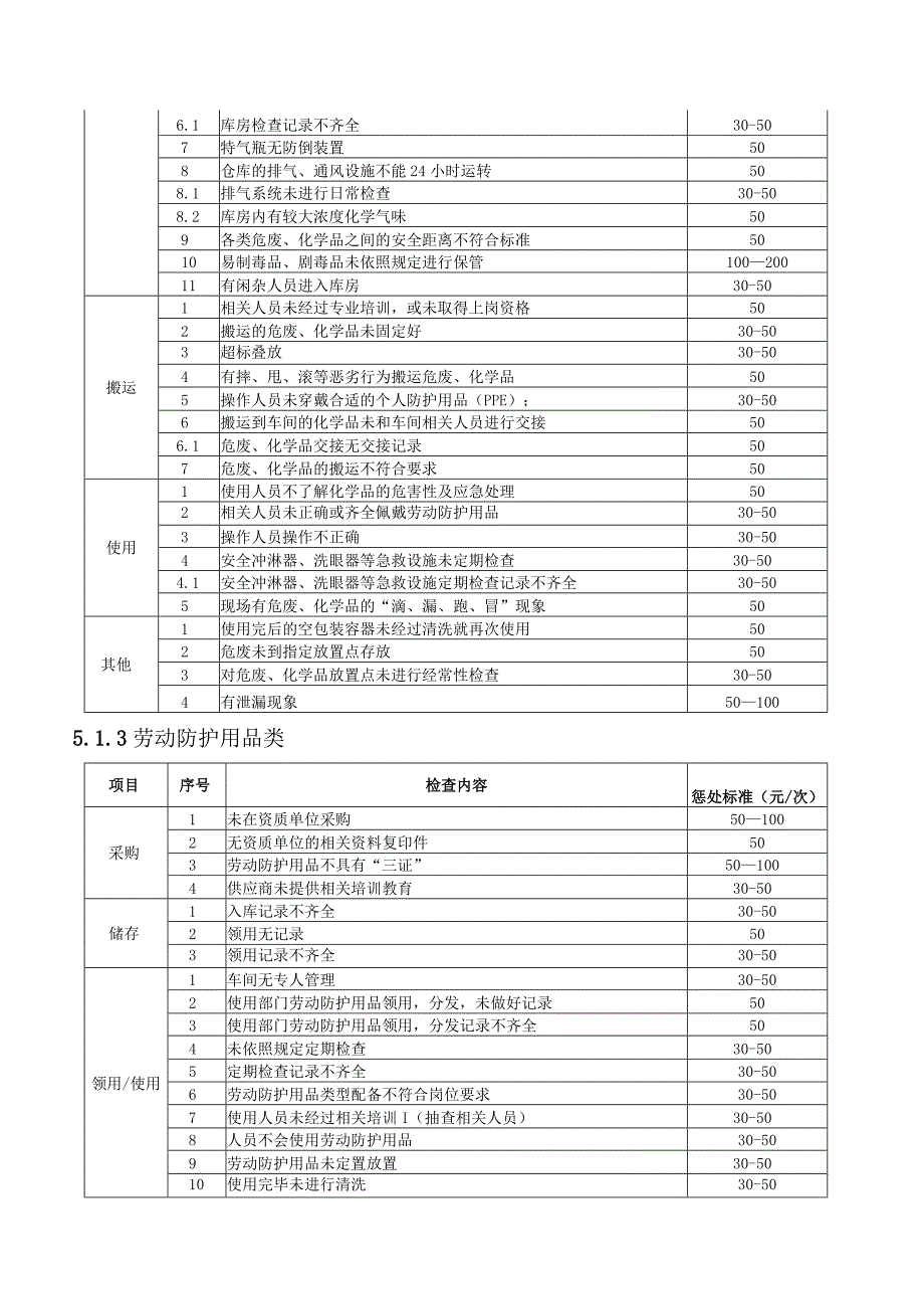
7、置点未进行经常性检查30-504有泄漏现象501005.1.3劳动防护用品类项目序号检查内容惩处标准(元/次)采购1未在资质单位采购501002无资质单位的相关资料复印件503劳动防护用品不具有“三证”501004供应商未提供相关培训教育30-50储存1入库记录不齐全30-502领用无记录503领用记录不齐全30-50领用/使用1车间无专人管理30-502使用部门劳动防护用品领用,分发,未做好记录503使用部门劳动防护用品领用,分发记录不齐全504未依照规定定期检查30-505定期检查记录不齐全30-506劳动防护用品类型配备不符合岗位要求30-507使用人员未经过相关培训I(抽查相关人员)3

8、0-508人员不会使用劳动防护用品30-509劳动防护用品未定置放置30-5010使用完毕未进行清洗30-5011使用完毕未进行归位30-5012失效劳动防护用品未及时进行更换5013作业时未佩带劳防用品30-50报废1报废劳动防护用品未经过相关部门确认30-502报废劳动防护用品无记录30-503劳动保护用品报废审批单据不齐全30-50监管1部门领导、主管、兼职HSE管理员对本部门员工的劳动防护用品佩戴未进行有效监管30-505.1.4消防类项目序号检查内容惩处标准(元/次)现场管理1工作现场、岗位有阻塞消防设施、器材、通道的现象。30-502消防标志不齐全、不醒目,有遮挡、损坏现象。30-

9、503岗位人员不了解本岗位的火灾危险性及预防措施,不会使用消防器材30-504在非指定吸烟场所吸烟501005现场有损坏、挪用、污损消防器材设施现象。506易燃、易爆危险物品的保管、贮存、收集未落实防火措施。50-1007动火作业及其他危险作业未经过审批就开始作业。50-1008消防安全隐患未按照规定时间和要求整改509监控室值班有脱岗现象50-10010监控室值班无值班记录或记录不完整5011责任部门未按照规定对消防设施、器材进行点检和维护,并保留完整的记录30-5012其他违反消防法规和规定的行为505.1.5其它类项目序号检查内容惩处标准(元/次)其它类1酒后上岗1002002公司内私拉

10、乱接、未经审批擅自拆改电线电路和使用大功率电器30-503在宿舍酗酒、乱扔烟头30-504携带易燃、易爆、有毒及其他危险品进入宿舍,在宿舍使用明火505高处作业不系安全带、穿易滑鞋,高处作业时工具、物品上下抛接30-506临时用电、动火、动土、受限空间作业、起吊等危险性大的特殊作业没有经过审批就擅自作业5071 .车间、班组对新员工未进行安全培训,或无培训记录;2 .安全活动台账未建立或不全;3 .无故迟到或缺勤安全环保会议、安全环保培训;4 .未经三级安全教育就上岗工作;30-5081 .带小孩进入工厂;2 .违章作业、违章指挥、违反劳动纪律;3 .作业后危废物料未清理,被污染物品、衣物、劳

11、动保护用品乱扔、乱放:4 .随意拆除和非法占用各种安全防护装置、消防设施、照明、信号、监测仪表、警戒标记、防雷装置等;5 .施工现场没有警示牌和警戒线;6 .坑、壕、池池没有设置盖板或护栏;7 .车辆不停放在规定地点,擅自驾驶机动车(装有阻火器的叉车除外)进入库房,货还没卸完驾驶员就离开;8 .违反七米以上路面公司内机动车限速10公里/小时,进出大门、作业场所、危险区域、上下坡等机动车限速5公里/小时规定的;30-5091 .发现安全隐患隐瞒不上报的;2 .拒绝在隐患整改通知书上签字的:3 .在检查中查出的各类隐患,无故未及时整改或不按要求整改的;4 .在超过规定的整改期限后仍未对整改情况进行

12、复查确认整改情况的;5 .对事故隐患存在部门,不能解决问题但又未进行书面报告向公司领导请示研究解决的:50-100101 .发生工伤事故发生后,不及时救护伤者、瞒报、谎报、不报告的;2 .发生事故不及时报告及处理,遇事故故意规避,见危不助的;3 .故意破坏事故现场、毁灭相关证据、进行事故调查时不配合的;4 .阻挠和干涉对事故的报告和调查处理的;5 .工伤事件报告调查后出现新情况,不及时补报,知情不报,故意缓报或瞒报的;6 .销毁事故调查有关的证据和资料、作伪证或者指使他人作伪证等情况;7 .事故调查中,纵容、打击报复的;8 .遇紧急情况时按相关法规规定需坚守岗位但临阵脱逃,推卸责任的;100-

13、2005.2人员惩处5.2.1对检查部门发现的以上异常,责任人逾期不整改的,再处以惩处标准的2倍罚款。5.2.3对以上异常,发现第一次按上述惩处标准执行,发现第二次的按2倍标准执行,发现第三次的按3倍标准执行,依次类推。5.3事故责任及惩处因上述不安全行为、不安全状态、管理缺陷而导致发生事故的,将按照事故处理的原则界定直接责任人、间接责任人、领导责任人。5.3.1发生事故但未造成人员伤害或公司财产损失的,对直接责任人处以惩处标准的3倍罚款,间接责任人处以惩处标准的2倍罚款,兼职HSE管理员、领导责任人处以惩处标准的1倍罚款。5.3.2造成人员伤害或造成公司财产损失的,由公司安全、环保、职业健康领导小组(以下简称领导小组)讨论研究后进行严厉处罚或移送国家相关政府机关进行处理。5.3 奖励有下列情况的,公司将根据具体情况给予相关人员适当奖励。5.3.1 能对安全工作提出合理化建议,减少事故发生的,给予50元奖励。5.3.2 对严重不安全行为、不安全状态、管理缺陷进行报告

展开阅读全文
相关资源
猜你喜欢
相关搜索

当前位置:首页 > 办公文档 > 规章制度

copyright@ 2008-2023 1wenmi网站版权所有

经营许可证编号:宁ICP备2022001189号-1

本站为文档C2C交易模式,即用户上传的文档直接被用户下载,本站只是中间服务平台,本站所有文档下载所得的收益归上传人(含作者)所有。第壹文秘仅提供信息存储空间,仅对用户上传内容的表现方式做保护处理,对上载内容本身不做任何修改或编辑。若文档所含内容侵犯了您的版权或隐私,请立即通知第壹文秘网,我们立即给予删除!