质量保证措施(详细).docx

上传人:p** 文档编号:907127 上传时间:2024-04-01 格式:DOCX 页数:9 大小:54.34KB
下载 相关 举报
质量保证措施(详细).docx_第1页
第1页 / 共9页
质量保证措施(详细).docx_第2页
第2页 / 共9页
质量保证措施(详细).docx_第3页
第3页 / 共9页
质量保证措施(详细).docx_第4页
第4页 / 共9页
质量保证措施(详细).docx_第5页
第5页 / 共9页
质量保证措施(详细).docx_第6页
第6页 / 共9页
质量保证措施(详细).docx_第7页
第7页 / 共9页
质量保证措施(详细).docx_第8页
第8页 / 共9页
质量保证措施(详细).docx_第9页
第9页 / 共9页
亲,该文档总共9页,全部预览完了,如果喜欢就下载吧!
资源描述

《质量保证措施(详细).docx》由会员分享,可在线阅读,更多相关《质量保证措施(详细).docx(9页珍藏版)》请在第壹文秘上搜索。

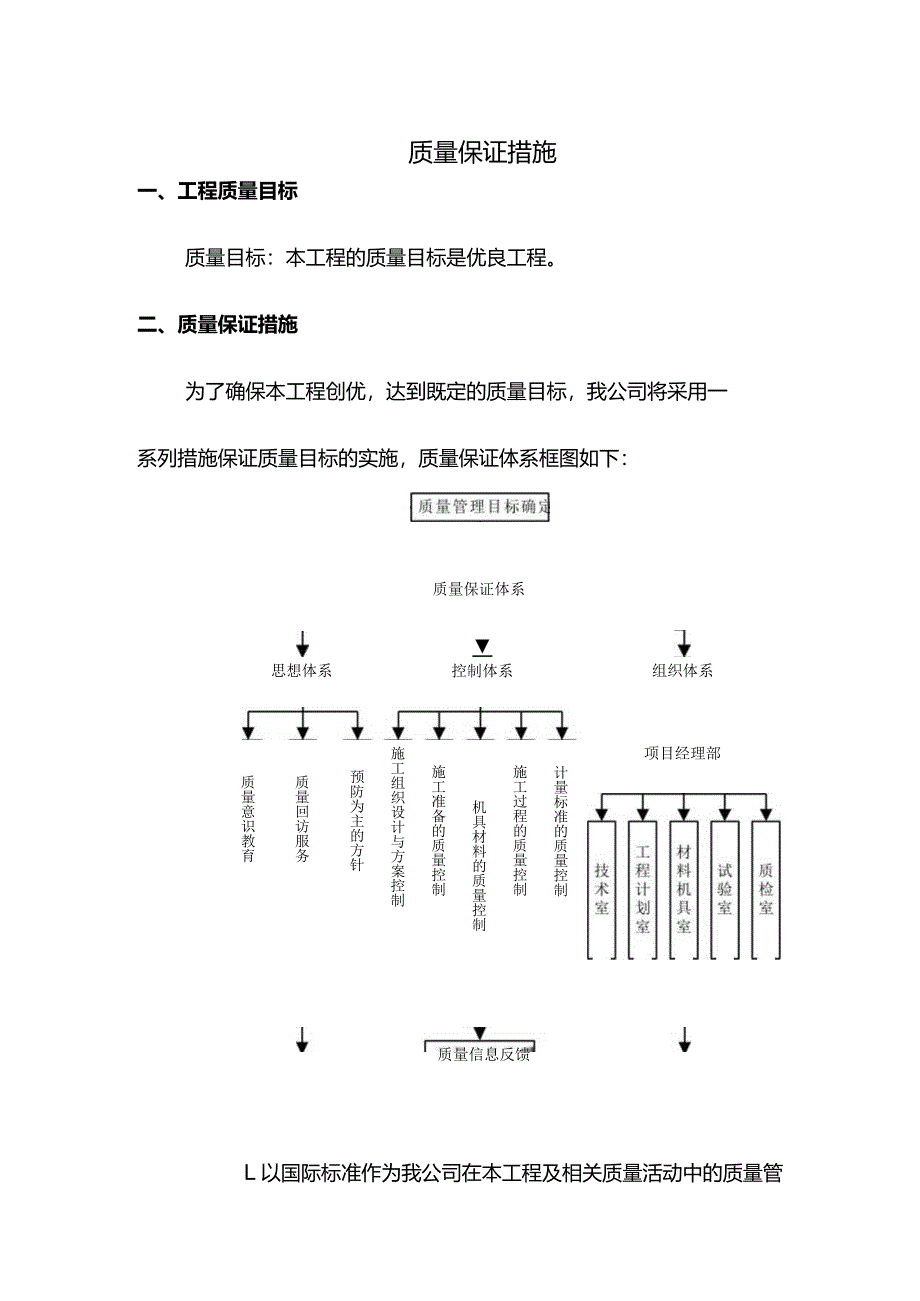
1、质量保证措施一、工程质量目标质量目标:本工程的质量目标是优良工程。二、质量保证措施为了确保本工程创优,达到既定的质量目标,我公司将采用一系列措施保证质量目标的实施,质量保证体系框图如下:质量保证体系组织体系控制体系思想体系质量意识教育质量回访服务预防为主的方针施工组织设计与方案控制施工准备的质量控制机具材料的质量控制施工过程的质量控制项目经理部计量标准的质量控制质量信息反馈L以国际标准作为我公司在本工程及相关质量活动中的质量管理和质量保证模式,确保各种质量活动业务总在受控状态下进行,通过建立健全各种管理制度来保证目标的实现。2、为确保本工程的顺利进行,在科学的管理下精心组织施工,充分体现管理就

2、是生产力这一企业管理中心内容,在本公司现有完善的管理制度下,结合本工程的特点及业主的要求,拟在本工程推行如下管理制度:(1)技术责任制和技术交底制度总工程师负责组织施工组织设计及重大施工方案的会审和最终审批工作。项目经理部技术负责人负责编制施工组织设计,分项施工方案或专项工艺设计。公司工程科负责组织有关部门进行图纸会审,汇总图纸会审中发现的问题,并报业主、监理及设计三方,以求得解决办法。施工中实行两级交底制,第一级交底为公司工程科组织由公司总工程师对项目技术负责人、施工员、质安员及其他管理人员的交底,主要涉及施工组织设计中的重点工序的施工方法、容易出现问题及预防措施;第二级交底为项目经理部技术

3、负责人对作业班组、操作人员的交底,涉及工艺要求、操作要点、质量标准。技术交底必须反复详细进行,不断总结,以达到工艺技术不断提高。同时技术交底保持详细记录。(2)工程任务单制度由主管施工员开据任务单给作业班组,书面明确当天的生产任务和完成任务的时间、达到的质量标准。凡需耗用材料的生产任务,在开据工程任务单的同时,开据限额领料单,以控制材料的领用数量,材料员依据限额领料单发放材料给作业班组。作业班组按任务单的要求完成任务后,施工员检查任务完成是否满足要求,质安员检查质量是否符合规定,材料员检查材料耗用量是否超出定额要求,并交下道工序作业班组验收。作业班组每周凭签用手续齐备的工程任务单进行结算。(3

4、)工程中间检测、验收制度隐蔽工程进行验收制度:班组自检项目部质安员检验公司质安员检验。验收合格后方可报监理工程师检验。采用新工艺、新技术的工序检验,必须经总工程师验收合格后方可报监理工程师检验。严格按照设计文件和有关规范、标准要求进行验收、检验,未经验收、检验合格的工序不得放行。经验收检验合格的工序记录标识合格。否则在发生地挂标识不合格,并采取返工或返修措施,直至验收合格后方可进入下道工序。(4)违反施工规程,发生质量事故报告制度施工技术负责人按有关施工规范、设计及工艺要求指导施工人员进行施工,不得违规指挥。操作人员必须按有关规范、规程要求进行作业,不得野蛮施工。施工管理人员发现操作人员违反施

5、工规范要求,应立即予以制止,并上报项目技术负责人,督促操作人员立即改正。对因违反施工规程、发生质量事故的,视事故大小,及时逐级上报公司、监理及业主并以书面形式记录报告过程。质安员有权制止任何违反施工规程有可能发生质量事故的施工。(5)定期进行质量改进工作总结制度每周对本工程的施工质量进行一次全面测量及评估,运用统计技术对质量情况进行科学的统计方式,找出主要矛盾。找出主要质量问题及质量通病后由有关部门认真分析研究,找出解决质量通病的办法,采取纠正和预防措施。3、制定更为严格的质量评定标准为确保优良工程,我公司将根据本工程的情况,结合现行技术规范、标准,制定公司内部用于本工程的更为严格的质量标准,

6、并要求达到此标准的合格率大于90%方能算为合格。三、确保工程质量的技术措施1.施工前的质量控制(1)加强技术管理与培训:认真作好施工方案的优化。项目负责人、施工负责人根据施工内容、施工总体安排编制详细的各分部分项工程的施工方案以指导施To加强专业技术培训,根据本工程施工的技术特点,在施工前对机械手及各专业队伍进行技术交底,使之明确质量标准要求和施工操作要点。(2)材料控制:工程使用的钢筋、水泥等材料必须有材质证明,并按规定进行复检,合格后方能使用。砂、石等地方材料符合有关质量标准,经技术部门鉴定后方能订货,并在材料进场时由质检员、材料员把关验收。在施工现场的材料和产品都进行唯一的标识,在施工过

7、程中防止混用和错用,通过施工日志的记录,做到材料,产品使用时间,部位可以追溯,一旦出现不合格,能够分析出是否是材料或产品质量原因。2、施工过程中的控制2.1工艺参数的控制:在施工开始前组织施工人员认真学习图纸,熟悉和图纸有关的技术规范中所规定的参数,由主任工程师编制本工程的质量计划、关键工序作业指导书。并进行三层次的技术交底即公司向项目部交底,项目部主任工程师向施工员交底,施工员向劳务队交底。(1)工序控制对关键部位和薄弱环节设置控制点,并有具体的控制措施和办法。a.严格测量管理,组建高素质的专职测量队,配备精密测量仪器,对指挥部移交的控制测量点和桩号进行认真复测,加密控制点,强调工程平面位置

8、、结构物尺寸的重要性,认真进行施工放样,强调施工放样的复核制度,确保各结构物准确无误。b.做好原材料检验,把好原材料试验关、土工试验关、碎配合比及成品检验关。C.控制管道基槽开挖的底标高,分段进行开挖,避免产生漏挖或超挖。d.开挖过程中因注意地下水的降排工作,对于放坡受限制的地段应设板桩支撑。e.管道回填压实应逐层逐段进行,当下层压实度检验合格后,方可进行上层回填f.强调施工过程控制,尤其对管道沟槽开挖、管道铺设、管道回填、护壁模板搭设等关键工序予以特别重视,将质量问题、质量隐患消除在施工过程中。g.碎浇筑施工时,合理选择砂、石料的级配,选择低水化热水泥,按技术规范的要求对硅浇筑进行全过程监测

9、h.为保证硅的质量,满足各部位硅级别的要求,我们将把好原材料采购关,定点采购原料,认真做好原材料试验、配合比设计及试拌工作,认真选择外加剂,严格试验流程,坚持质检工程师审核签认,技术负责人签发制度,确保碎的内在质量,减小碎的色差.2.2 设备和环境控制:选择适合工程生产的设备在适宜的工作条件下充分保证工程质量,并采取定期和不定期对设备的完好情况进行检查,确保不因设备故障影响产品质量。2.3 检测方法的控制:选用正确的检测方法,适宜的检测工具,避免出现将不合格误判为合格。我们将对进货检验和试验、过程检验和试验以及最终检验和试验进行严格的控制,制定检验、测量和试验设备的周期检定计划,送权威单位进行

10、检校,保证其精度,避免由于设备误差过大引起的不合格。2.4 纠正和预防措施:对在以往的施工中容易发生的质量通病以及雨季施工制定切实可行的预防措施,并由项目部主任工程师向施工技术人员交底,在工程中一旦出现不合格,需进行返修、返工,由公司质量技术科组织技术人员提出纠正措施,报监理和业主审批同意后付诸实施。四、质量通病的防治1.管道的装卸装卸管道采用吊车,装卸管道时应避免管道互相碰撞和自由滚落,更不得向地面抛掷。管道堆放场地先用机械平整,不同类别和不同规格的管道分开堆放。2、吊管下槽下管是在沟槽和管道基础已经验收合格后进行。为了防止将不合格或已经损坏的管材及管件下入沟槽,下管前先对管材进行检查,发现

11、管道有破损的即作标示,并将其吊离。在下管前应先核对管节、管件无误方可下管。下管采用吊车下管,下管时注意如下事项:2.1 机械下管时,吊车沿沟槽开行距沟边应间隔1米的距离,以避免沟壁坍塌;吊车不得在架空输电线路下作业,在架空线路附近作业时,其安全距离应符合当地电业管理部门的规定;2.2 机械下管应有专人指挥。指挥人员必须熟悉机械吊装的有关安全操作规程和指挥信号,驾驶员必须听从信号进行操作,以防损坏。2.3 管节下入沟槽时,不得与槽壁支撑及槽下的管道相互碰撞;沟内运管不得扰动已平整后基地。3、管道反坡加强测量工作的管理,严格执行双检复测制度。认真熟悉和掌握设计要点和施工图纸,根据设计和现场实际情况建立施工测量网,钉好管道标高控制桩,控制桩间距设为10cm。4、检查井漏水检查井施工防止砌筑砂浆不饱满,井座抹面空鼓、裂缝,砖砌成通缝或鱼鳞缝,井盖(圈)安装不合要求,施工时保证砂浆饱满。砂浆抹面均匀,抹面后及时养护,砌筑按规范要求进行操作。

展开阅读全文
相关资源
猜你喜欢
相关搜索

当前位置:首页 > 管理/人力资源 > 质量管理

copyright@ 2008-2023 1wenmi网站版权所有

经营许可证编号:宁ICP备2022001189号-1

本站为文档C2C交易模式,即用户上传的文档直接被用户下载,本站只是中间服务平台,本站所有文档下载所得的收益归上传人(含作者)所有。第壹文秘仅提供信息存储空间,仅对用户上传内容的表现方式做保护处理,对上载内容本身不做任何修改或编辑。若文档所含内容侵犯了您的版权或隐私,请立即通知第壹文秘网,我们立即给予删除!