100mm厚聚苯板、100mm厚挤塑板外墙保温施工工艺.doc

上传人:p** 文档编号:941120 上传时间:2024-04-28 格式:DOC 页数:6 大小:197.69KB
下载 相关 举报
100mm厚聚苯板、100mm厚挤塑板外墙保温施工工艺.doc_第1页
第1页 / 共6页
100mm厚聚苯板、100mm厚挤塑板外墙保温施工工艺.doc_第2页
第2页 / 共6页
100mm厚聚苯板、100mm厚挤塑板外墙保温施工工艺.doc_第3页
第3页 / 共6页
100mm厚聚苯板、100mm厚挤塑板外墙保温施工工艺.doc_第4页
第4页 / 共6页
100mm厚聚苯板、100mm厚挤塑板外墙保温施工工艺.doc_第5页
第5页 / 共6页
100mm厚聚苯板、100mm厚挤塑板外墙保温施工工艺.doc_第6页
第6页 / 共6页
亲,该文档总共6页,全部预览完了,如果喜欢就下载吧!
资源描述

《100mm厚聚苯板、100mm厚挤塑板外墙保温施工工艺.doc》由会员分享,可在线阅读,更多相关《100mm厚聚苯板、100mm厚挤塑板外墙保温施工工艺.doc(6页珍藏版)》请在第壹文秘上搜索。

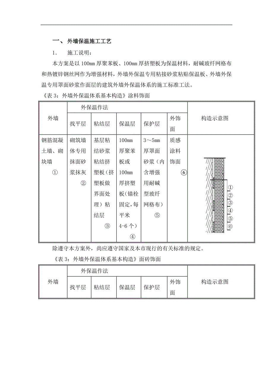
1、一、 外墙保温施工工艺1 施工说明:本方案是以100mm厚聚苯板、100mm厚挤塑板为保温材料,耐碱玻纤网格布和热镀锌钢丝网作为增强材料,外墙外保温专用粘接砂浆粘贴保温板、外墙外保温专用罩面砂浆作面层的建筑外墙外保温体系的施工标准工法。表3:外墙外保温体系基本构造涂料饰面外墙外保温作法构造示意图找平层粘结层保温层保护层外饰面钢筋混凝土墙、砌块墙砌筑墙体专用抹面砂浆抹灰基层粘结砂浆粘结挤塑板(挤塑板做界面处理)粘结层100mm厚聚苯板或100mm厚挤塑板(锚栓固定,每平米4-6个)35mm厚罩面砂浆(内含增强用耐碱型玻纤网格布)质感涂料饰面除遵守本方案外,尚应遵守国家及本市现行的有关标准的规定。

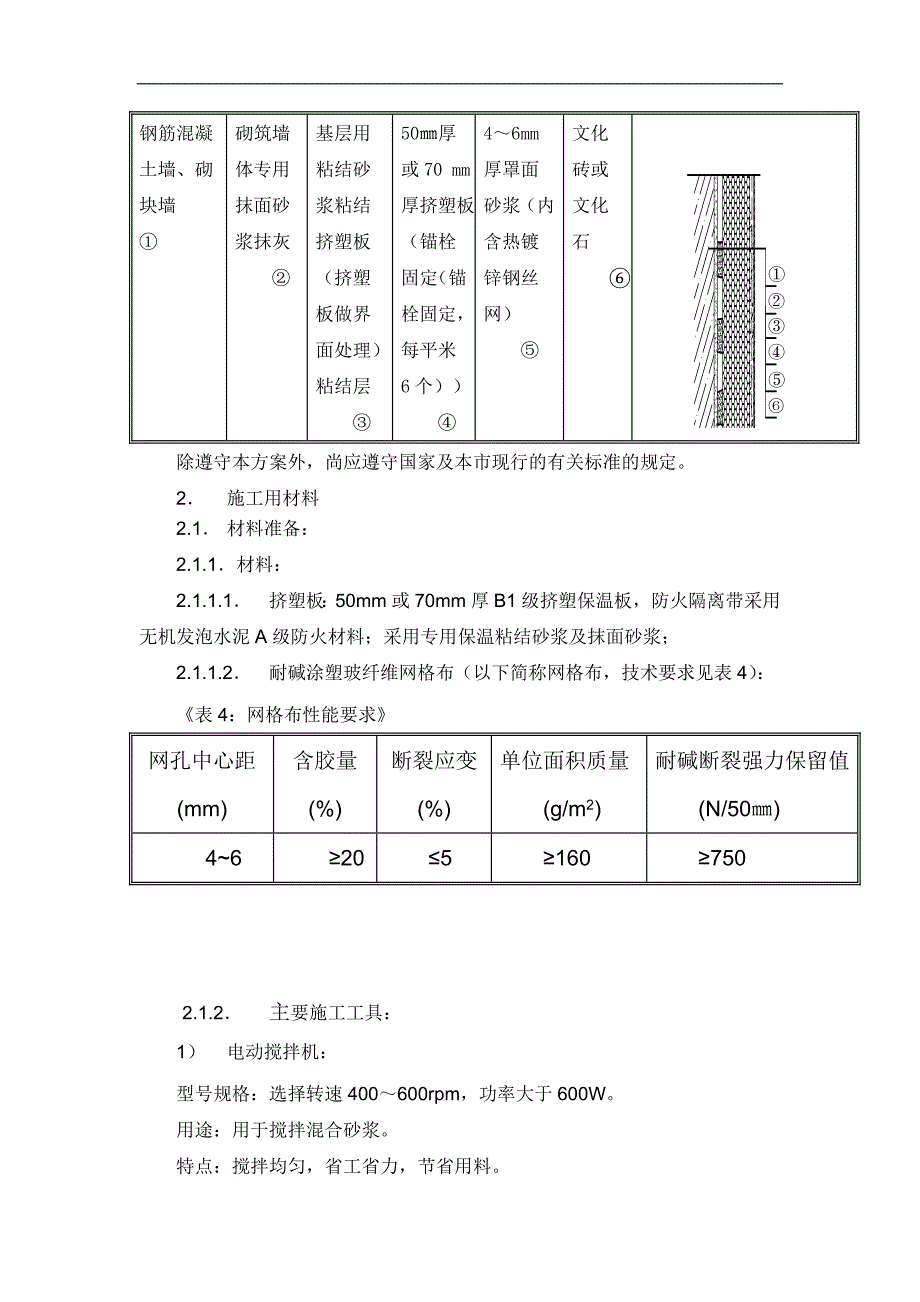
2、表3:外墙外保温体系基本构造面砖饰面外墙外保温作法构造示意图找平层粘结层保温层保护层外饰面钢筋混凝土墙、砌块墙砌筑墙体专用抹面砂浆抹灰基层用粘结砂浆粘结挤塑板(挤塑板做界面处理)粘结层50厚或70 mm厚挤塑板(锚栓固定(锚栓固定,每平米6个)46mm厚罩面砂浆(内含热镀锌钢丝网)文化砖或文化石除遵守本方案外,尚应遵守国家及本市现行的有关标准的规定。2 施工用材料2.1 材料准备:2.1.1 材料:2.1.1.1 挤塑板:50mm或70mm厚B1级挤塑保温板,防火隔离带采用无机发泡水泥A级防火材料;采用专用保温粘结砂浆及抹面砂浆;2.1.1.2 耐碱涂塑玻纤维网格布(以下简称网格布,技术要求见

3、表4):表4:网格布性能要求网孔中心距 (mm)含胶量(%)断裂应变(%)单位面积质量(g/m2)耐碱断裂强力保留值(N/50)462051607502.1.2 主要施工工具:1) 电动搅拌机:型号规格:选择转速400600rpm,功率大于600W。用途:用于搅拌混合砂浆。特点:搅拌均匀,省工省力,节省用料。2) 其他工具两米靠尺:敲击、压平保温板。吊线:吊线预制基准物。美工刀:手工裁剪或切割保温板,裁剪网格布。直尺:测量用。美工笔:记录或作记号用。2.2 施工条件:2.2.1 施工场地通电、通水并保持现场工作环境安全、清洁。2.2.2 外墙及门窗洞口应施工并验收完毕。2.2.3 操作现场的环

4、境温度连续24h中的最低温度不应低于4,风力不大于5级。雨天施工时应采取有效的防雨措施,严禁雨水冲刷墙面。2.2.4 冬季施工时应采取防冻措施。夏季施工时避免阳光直射爆晒,需要时可在脚手架上搭设防晒布。3 施工工艺3.1 施工程序: 基层准备 测量、放线 粘贴翻包玻纤网格布 粘贴聚苯板 打磨、修理、隐检 底层聚合物砂浆 粘贴玻纤网格布压入砂浆 抹面层聚合物抗裂砂浆 涂料施工 3.2 施工要点:3.2.1. 为保证保温工程的质量,减少材料的浪费,本系统对基层要求:1) 基层面干燥、平整,平整度:两米靠尺测定小于4mm误差2) 基层面具一定强度,表面强度不小于0.5Mpa3) 基层面无油污、浮尘或

5、空鼓的疏松层等其他异物3.2.2. 当基层面不符合要求时,必须采取有效措施进行处理:1) 基层面平整度不合格:应由总包单位凿除墙面过于突起部位;用13水泥砂浆粉刷找平,凹进部位也应用水泥砂浆粉刷找平。养护5-7天(视强度而定)。2) 基层面具粉尘、疏松层:必须铲除、清理干净,采用有关材料处理。清理和增强界面强度。3.2.3. 根据图纸要求,在墙面弹出外门窗控制线等。3.2.4. 粘贴挤塑板:1) 挤塑板切割:裁纸刀切割,标准板面尺寸为9001200mm600mm,对角线及板厚误差2mm,非标准板按实际需要的尺寸现场加工,尺寸允许偏差为2mm,大小面垂直。2) 粘结剂配制:将干粉粘结剂直接加水(

6、1:0.210.24)搅拌均匀后静置3分钟,一次配制量在2小时内用完为宜。3) 变形缝线两侧挤塑聚苯板侧边粘贴250mm宽翻包玻纤网格布。4) 采用点框粘结法。用粘结剂在挤塑板面四周涂抹一圈粘结剂,宽50mm;板粘结点按间距80mm100mm,直径100mm,粘贴面积应不小于50% 见前图示。5) 抹完粘结剂后,立即将板立起就位粘贴,每层从下起向上粘贴,粘贴时应轻揉、均匀挤压,并随时用托线板检查垂直平整,板与板间挤紧,碰头缝处不留粘结剂。粘贴挤塑板时应做到上下错缝,每贴完一块板,应及时清除挤出的粘结剂,板间不留间隙,如出现间隙,应用相应宽度的挤塑条填塞。阳角处相邻的墙面所粘挤塑板应交错连接。6

7、) 挤塑板接缝不平处应用砂子磨平,打磨动作宜为轻柔的圆周运动。磨平后应用刷子将碎屑清理干净。7) 抹底层聚合物砂浆,将搅拌好的料浆涂抹聚苯板面上,一次抹灰厚度约在23mm左右;8) 粘贴网格布,并门窗洞口处,沿45度角方向各加一层600200mm网格布进行加强,加强网位于大面网格布下面(见附图);(门窗上下口有线条的部位无需做加强处理)9) 将大面网格布沿水平方向绷平,用抹子由中间向上、下两边将网格布抹平,将其压入底层抹面砂浆,网格布左右搭接宽度不小于100mm,上、下搭接宽度不小于80mm,不得使网格布皱褶、翘边。10) 墙角作法见下附图:外墙阳角及阴角均采用标准网格布搭接200mm;3.2

8、.5. 抹罩面砂浆防护面层1) 抹面层弹性聚合物砂浆,抹灰厚度以盖住网格布为准,约12mm,罩面砂浆总厚度不大于5mm。2) 罩面防护砂浆施工完成后,待面层砂浆干燥后方可进行下道工序。4 质量标准4.1. 保证项目4.1.1. 挤塑板、网格布的规格和各项技术指标,粘结干粉、罩面干粉的配制原料的质量,必须符合本规程及有关标准的要求。检验方法:检查出厂合格证和检测报告。4.1.2. 聚苯板必须与墙面粘结牢固,无松动和虚粘现象。检查数量:按楼每20m长抽查一处(每处3延米长),但不小于3处;检查方法,观察和用手推拉检查。4.1.3. 罩面砂浆与聚苯板必须粘结牢固,无脱层、空鼓,面层无爆灰和裂缝。检查

9、数量:同4.1.2检查方法:用小锤轻击和观察检查。4.2. 基本项目4.2.1. 每块聚塑板与墙面的总粘结面积,不得小于50%。检查数量:按每楼抽查三处,每处检查不小于2块。检查方法:尺量检查取其平均值。注:检查应在粘结剂凝结前进行。4.2.2. 挤塑板碰头缝处不抹粘结剂。检查数量:同4.2.1。检查方法:观察检查。4.2.3. 网格布铺设压贴密实,不应有空鼓、皱折、翘曲、外露等现象,搭接宽度左右不得小于100mm,上下不得小于80mm。检查数量:同4.2.1。检查方法:观察及尺量检查。4.2.4. 聚合物水泥砂浆保护层总厚度不宜大于5mm。检查数量:同4.2.1。 检查方法:尺量检查。注:检查应在砂浆凝结前进行。4.3. 允许偏差项目4.3.1. 挤塑板粘贴允许误差应符合表6的规定。4.3.2. 保温墙面层执行国家建筑装饰装修工程施工质量验收规范GB50210-2001中“一般抹灰工程”的表2规定。

展开阅读全文
相关资源
猜你喜欢
相关搜索

当前位置:首页 > 建筑/环境 > 保温建筑

copyright@ 2008-2023 1wenmi网站版权所有

经营许可证编号:宁ICP备2022001189号-1

本站为文档C2C交易模式,即用户上传的文档直接被用户下载,本站只是中间服务平台,本站所有文档下载所得的收益归上传人(含作者)所有。第壹文秘仅提供信息存储空间,仅对用户上传内容的表现方式做保护处理,对上载内容本身不做任何修改或编辑。若文档所含内容侵犯了您的版权或隐私,请立即通知第壹文秘网,我们立即给予删除!