13米预制板梁施工方案.doc

上传人:p** 文档编号:941190 上传时间:2024-04-28 格式:DOC 页数:13 大小:234.49KB
下载 相关 举报
13米预制板梁施工方案.doc_第1页
第1页 / 共13页
13米预制板梁施工方案.doc_第2页
第2页 / 共13页
13米预制板梁施工方案.doc_第3页
第3页 / 共13页
13米预制板梁施工方案.doc_第4页
第4页 / 共13页
13米预制板梁施工方案.doc_第5页
第5页 / 共13页
13米预制板梁施工方案.doc_第6页
第6页 / 共13页
13米预制板梁施工方案.doc_第7页
第7页 / 共13页
13米预制板梁施工方案.doc_第8页
第8页 / 共13页
13米预制板梁施工方案.doc_第9页
第9页 / 共13页
13米预制板梁施工方案.doc_第10页
第10页 / 共13页
亲,该文档总共13页,到这儿已超出免费预览范围,如果喜欢就下载吧!
资源描述

《13米预制板梁施工方案.doc》由会员分享,可在线阅读,更多相关《13米预制板梁施工方案.doc(13页珍藏版)》请在第壹文秘上搜索。

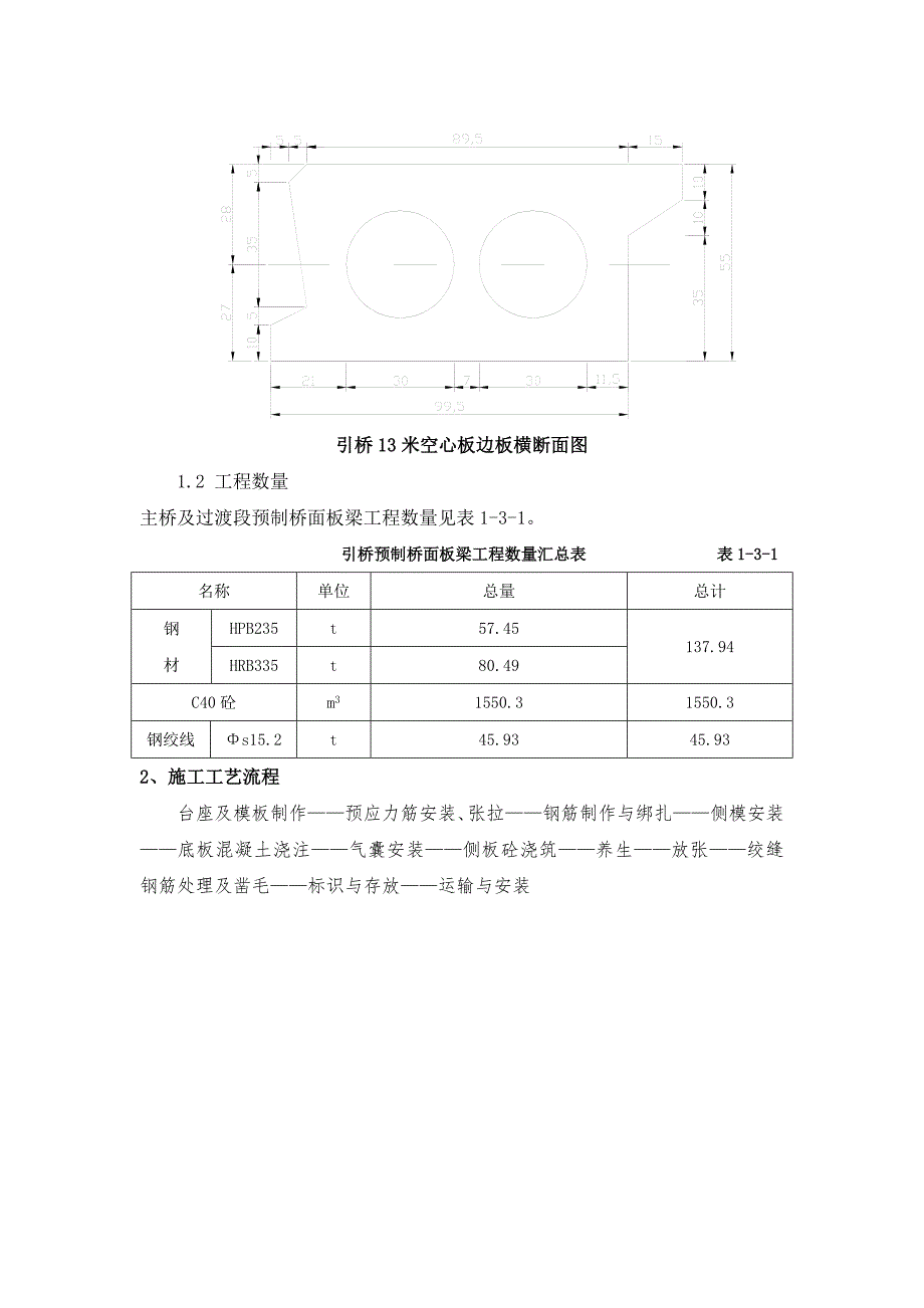
1、某某桥梁工程某某河桥板梁预制施工技术方案 中交X公局 连云港某某河桥项目二OXX年X月X日某某河桥板梁预制施工方案1、工程概况1.1 布置形式引桥板梁为13米C40先张法空心预制混凝土板,板厚55cm,中板宽度99cm,边板宽度114.5cm,全桥总计240片中板,48片边板,单幅桥面全宽12.5m。桥面板采用分块预制,铺设到位后浇筑现浇缝的施工方法,以减少由于混凝土收缩徐变造成的不利影响。引桥桥面板横向由12块预制板组成,即十块中板和两块边板,各中板与边板尺寸类型均相同,如图1-1、所示。引桥13米桥面板横向布置图(1-1)引桥13米空心板中板横断面图 引桥13米空心板边板横断面图1.2 工

2、程数量主桥及过渡段预制桥面板梁工程数量见表1-3-1。 引桥预制桥面板梁工程数量汇总表 表1-3-1名称单位总量总计钢材HPB235t57.45137.94HRB335t80.49C40砼m31550.31550.3钢绞线s15.2t45.9345.932、施工工艺流程台座及模板制作预应力筋安装、张拉钢筋制作与绑扎侧模安装底板混凝土浇注气囊安装侧板砼浇筑养生放张绞缝钢筋处理及凿毛标识与存放运输与安装先张法预应力空心板梁施工工艺流程图施工准备张拉台座、底模制作张拉台座设计、加工现场控制质量张拉钢绞线钢绞线下料钢筋安装侧模安装底板混凝土浇注砼拌和砼试块制作充气胶囊安装、充气侧板混凝土浇注养生、拆模

3、、养生试块试验砼强度控制和放张程序控制钢绞线放张绞缝钢筋处理及凿毛检查验收、标识存放运输安装3、施工方法与施工工艺3.1场地准备施工前先进行场地整平、压实和台座基底处理。台座部位夯填10cm厚砂砾石,随后施作台座。台座两端各250cm范围基础加深20cm,防止张拉时损坏台座,设置制梁台座5个,每个台座长86m,宽99cm,采用C40混凝土预制。承力台须具有足够的强度和刚度。其抗倾覆安全系数应不小于1.5,抗滑移系数不小于1.3.端制预埋钢筋网,以防张拉时承受压力过大而断裂,顶面为水磨石结构。横梁须有足够的刚度,受力后挠度应不小于2mm。台座预制完成合格后方可使用。预制场安装1座MQ型门架,主要

4、用于预制板的浇注、吊运,模板安装和拆卸,预制板到存梁场的运输任务。门架采用43Kg标准轨道,门架轨道的钢轨铺设在混凝土基础上,钢轨用混凝土中的预制埋件加以固定。严格控制轨面标高,确保龙门吊线路平顺,龙门吊拼装后经检验合格后正式投入使用,确保施工安全。3.2 模板设置、安装预制板外模全部采用定型钢模板,13米板芯模橡胶气囊。模板接缝用双面胶填塞密贴,防止漏浆,模板采用拉撑结合的方法进行固定,预制板存梁场设在制梁场两端,存梁场地面进行硬化处理,预制板存放在枕木上。项目允许偏差(mm)相邻两板表面高低差2模板内部尺寸+5,0轴线偏位10模板表面平整度53.3 钢绞线张拉钢绞线选用高强低松弛,其标准抗

5、拉强度为1860Mpa,张拉控制应力采用1395 Mpa,夹片选用自锚式。在正式施工前,对所用的钢绞线、千斤顶及油泵等送检测单位进行检测和标定。张拉和放张采用单根预紧整体张拉、整体放张的方法施工。平衡反力墩上的牛腿设置钢分配梁,防止张拉端和锚固端在张拉时应力过于集中。张拉端张拉平台设置轨道,让千斤顶可以很方便地前后、左右移动,使施工更加快捷有效。待台座施工完毕后,准确测量出台座间钢绞线实际长度,再根据试验检测出的弹性模量计算出钢绞线实际伸长量,同时根据千斤顶标定得出的线性方程计算出张拉力与控制应力等数据,以此指导施工。 伸长值可根据如下公式计算:计算公式:或式中:P钢绞线的平均张拉力,;预应力

6、钢绞线的计算伸长量,;钢绞线张拉控制应力,;预应力钢绞线的长度,;预应力钢绞线的弹性模量,实际施工时根据试验检测来确定,并对钢绞线设计理论伸长量进行修订;钢绞线的截面积,。钢绞线张拉步骤如下:(a)按照设计图纸进行钢绞线布设和钢绞线的失效处理。钢绞线的失效处理采用硬塑料管套住钢绞线并在塑料管两端用胶布密封,失效管的长度和位置应仔细核对设计图纸,做到准确无误。(b)在钢绞线下布设好预埋调平钢板。(c)钢绞线布设完成后,两端分别装上连接器进入张拉端和固定端钢横梁。特别注意,钢横梁的高度应使钢绞线的高度定位准确。(d)在固定端用穿心式千斤顶进行单根预紧钢绞线,控制张拉力在10%k,使每根钢绞线具有相

7、同的初应力。(e)将预紧后钢绞线整体张拉,张拉时两个千斤顶平行推进,防止活动横梁倾斜。张拉程序如下: 0 0.1k k(持荷2min锚固) 预应力先张法张拉工艺是保证空心板梁质量的关键环节,在施工中应在监理旁站的监督下,严格按照控制应力对应的油表读数和计算的伸长量进行双控方法施工。不允许断丝,若伸长量误差较大,必须通知设计单位一并核查,待查明原因并校正超规范的不合格张拉后,才能继续张拉。施工控制数据如下:1号顶2号顶3号顶0.1P0.15P0.3PP0.15P0.3PP张拉力(KN)19.5329.29558.59195.329.29558.59195.3油表读数(MPa)6.000.0859

8、0.67183.4061.321.884.52伸长量(mm)6191182606911826063.4 钢筋工程钢筋在钢筋加工区集中下料制作,在台座上绑扎成型。钢筋在进场前进行检验,检验合格并报监理工程师审批后方可大批进场。进场后存放于仓库或料棚内,下边用方木垫起离地。工地临时保管钢筋时,选择地势高、地面干燥的露天场所,阴雨天气时加盖彩条布。钢筋表面保持洁净和平直,严格按照设计图纸下料制作,现场绑扎,安装位置准确;同时注意预留预埋绞缝钢筋、桥面系预埋钢筋、吊点钢筋、支座调平钢板的安装。3.5 模板工程侧模采用厂家加工成型钢模板。使用前在表面涂刷新机油作为脱模剂。在底模的两侧粘好双面胶带,以防漏

9、浆。侧模的固定采用如下方式:底部用10cm10cm方木做水平支撑,间隔1m,双面对顶在底模两侧预设砼台座上,抵抗砼侧压力;顶部间隔1m设拉杆保证上口尺寸并向外间隔1m斜拉和斜撑,保证线型和尺寸。分段芯模采用充气胶囊,使用前先做气压试验,确保均匀受压而不漏气。钢筋绑扎完成并检查合格后安装侧模,浇筑完底板砼后安装充气胶囊,并采用倒U型钢筋(设计图纸中为N17号筋)固定充气胶囊,仔细绑扎并检查倒U型钢筋,使其下端钩在N17号筋上并与之绑扎牢固,以防止气囊上浮。气囊外侧涂刷滑石粉和洗衣粉溶液混合而成的隔离剂。气囊每次使用完毕后必须冲洗干净,防止日晒,并且不得与酸碱物质接触。端模根据板梁角度不同分别设置

10、,采用定型钢模。端头钢模底下钢绞线处采用刻槽木条密封。为保证松张后钢绞线切割头与梁端平齐,木条安装时向内嵌入2cm;定型钢模与侧模之间采用双面胶密封。3.6 砼浇筑所有用于空心板梁砼的原材料必须按规定的频率检验合格后方可进场。搅拌混凝土严格按照试验室配合比进行,拌和时间不小于3min。砼的入模采用龙门配吊斗的方式,先浇注底板混凝土然后安装气囊,待气囊安装完成后浇注侧板混凝土。浇筑腹板时对称平衡地浇筑,入模砼避开内模,以免芯模受冲击偏位;鉴于本工程板梁厚度较薄,在施工过程中以插入式振捣器为主,平板振捣为辅。振捣应均匀对称,避开内模及定位筋,防止气囊穿孔漏气。待砼初凝后马上安排专人对其顶面进行拉毛

11、,拉毛方向为垂直跨径方向,拉毛槽深控制在0.51.0cm,横贯顶板。同时做好梁体表面保洁工作,严防顶板滞留油腻。3.7 板梁养生砼浇注完成并达到初凝强度后,覆盖土工布,进行饱水养生并制作同条件养生试块,覆盖时不得损伤或污染砼的表面。待模板拆除后应及时继续覆盖土工布和洒水养生,连续养生7天,养生期间保持砼表面湿润,并安排专人负责,做好养生记录。3.8 模板拆除待砼强度达到2.5Mpa后拆除侧模(边板除外,要达到设计强度的75%后方可拆除)。胶囊的放气时间以砼强度达到能保持构件不变形为准,时间控制在混凝土浇注完成后6-8小时或以施工时期当日气温适当调节。3.9 预应力筋放张待混凝土养护7天且同条件

12、混凝土试块强度及弹模达到设计强度的90%后方可进行放张,放张采用千斤顶整体放张并配合螺母放松法,放张分三次进行,分别为75%,50%,0。采用手持式砂轮机进行钢绞线切割操作,切割顺序为:纵向为由放张端开始,逐次切向另一端;横向由两侧向中间对称割线,以保证每次割线对梁体只产生最小侧向弯矩。每一轮割线纵向将同一根钢绞线在所有梁两端同时割断。切割后的外漏端头用砂浆封闭,防止生锈。3.10 绞缝钢筋拆除模板后,看绞缝钢筋是否弹出,如果没有弹出,要及时凿出。待模板拆除完毕后及时对铰缝处进行凿毛,凿毛要求外漏新鲜石子,表面浮浆全部清理干净。3.11 移梁标识与存放板梁经检查各项指标满足要求后,对其进行标识

13、,包括:梁的编号(按该片梁用在的部位进行编号)、规格与角度、砼浇筑时间。经标识的板梁才可以出槽存放。板梁存放要注意如下几点:(a) 存放场地要经过一定的硬化,并保证排水系统畅通;(b) 支撑点或枕梁要设置在设计的支座调平钢板处;(c) 板梁堆放不得超过三层;(d) 板梁存放期不得超过60天;(e) 存放期要检查其起拱情况。3.12 板梁运输的和安装由于板梁跨径较小,采用龙门移梁出制梁台座,平板拖车运输,吊车安装。存梁区按不同跨径在两端做好枕梁(高出地面40 cm,采用枕木),做到基础牢固,以防止存梁发生下沉,导致梁体正弯矩处出现断裂等意外。为避免预制板梁产生过大的预拱度,存梁期不宜超过60天。

14、板梁安装前放出墩台轴线、各梁轴线,安装时各梁轴线正对墩台上的梁轴线,偏差不应超过0.5 cm,全桥安装允许偏差不超过1cm。板梁吊装时采用吊环吊装的方法,不得利用锚栓孔作为吊点捆绑吊装。吊装前应对吊装设备进行检查和验算,并且对所有的吊点进行全面的检查,无误后方可进行吊装。4、质量控制与质量标准4.1 基础及底模混凝土施工时,要注意如下几点:(a)控制好台面相对标高,防止出现因台面相对标高不一致而导致梁底翘角。(b)单侧设5m一个点,通过坐标定位99.5cm宽台面的边线,固定好包边角钢,再挂线检查其顺直度和太面两侧边线之间间距,确保整个台面边线顺直和宽度,防止因抬面宽度或顺直读不好而导致板梁底线形不好。(c)混凝土的养护到位,防止因张拉台座较长,混凝土收缩断裂。(d)为保证台面易于脱模,又为了避免钢绞线和钢筋油污,台面先用新机油浸渗二遍,凉干后再涂工业石蜡做脱膜剂。(e)侧模与台面(底模)之间采用双面胶带密封。4.2 先张法预应力施工(a)采用的预应力钢绞线必须符合国家标准预应力用钢绞线的要求。预应力钢束的张拉采用先张“双控(应力和应变)”张拉力为主,以伸长值进行校核,实测伸长值与理论伸长值的偏差控制在6%以内。张拉控制

展开阅读全文
相关资源
猜你喜欢
相关搜索

当前位置:首页 > 建筑/环境 > 施工组织

copyright@ 2008-2023 1wenmi网站版权所有

经营许可证编号:宁ICP备2022001189号-1

本站为文档C2C交易模式,即用户上传的文档直接被用户下载,本站只是中间服务平台,本站所有文档下载所得的收益归上传人(含作者)所有。第壹文秘仅提供信息存储空间,仅对用户上传内容的表现方式做保护处理,对上载内容本身不做任何修改或编辑。若文档所含内容侵犯了您的版权或隐私,请立即通知第壹文秘网,我们立即给予删除!