临时用电施工方案12.doc

上传人:p** 文档编号:946714 上传时间:2024-05-11 格式:DOC 页数:22 大小:198.35KB
下载 相关 举报
临时用电施工方案12.doc_第1页
第1页 / 共22页
临时用电施工方案12.doc_第2页
第2页 / 共22页
临时用电施工方案12.doc_第3页
第3页 / 共22页
临时用电施工方案12.doc_第4页
第4页 / 共22页
临时用电施工方案12.doc_第5页
第5页 / 共22页
临时用电施工方案12.doc_第6页
第6页 / 共22页
临时用电施工方案12.doc_第7页
第7页 / 共22页
临时用电施工方案12.doc_第8页
第8页 / 共22页
临时用电施工方案12.doc_第9页
第9页 / 共22页
临时用电施工方案12.doc_第10页
第10页 / 共22页
亲,该文档总共22页,到这儿已超出免费预览范围,如果喜欢就下载吧!
资源描述

《临时用电施工方案12.doc》由会员分享,可在线阅读,更多相关《临时用电施工方案12.doc(22页珍藏版)》请在第壹文秘上搜索。

1、目 录一、编制依据2二、工程概况2三、施工机械计划2四、电源及变配电室设置3五、配电箱及开关箱设置4六、配电线路的敷设与要求6七、负荷计算7八、变压器选择14九、配电线路设计14十、配电箱设计14十一、临时用电接地保护15十二、施工现场防雷保护15十三、安全用电技术措施15十四、安全用电管理措施17十五、电气防火措施19十六、特殊说明19附录附录1配电原理图15附录2施工现场临时用电平面布置图16附录3配电系统图15一、编制依据1.施工现场临时用电安全技术规范JGJ46-2005。2.其他有关的国家现行规范、标准和规程规定。3.本工程施工机械计划。二、工程概况小区项目位于魏庄地块北角,西邻华润

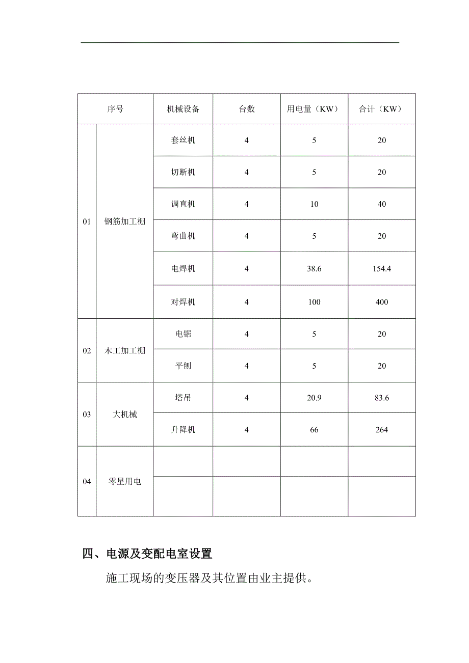
2、路,北邻规划路1号,南靠规划2号路,东靠新园路。项目由一个12班幼儿园、四段配套商业和17栋单体住宅及地下车库组成。本工程由鑫华山房地产开发有限公司投资建设,德州市建筑规划勘察设计研究院设计,德州广厦监理公司监理,京鑫建设集团有限公司负责施工。本工程结构为框剪结构,地下二层为储藏室,地上17层,顶部有电梯机房。单体工程建筑面积8548.56,东西总长29.6m,南北宽19m,总高50.05m。三、施工机械计划根据现场实际情况,施工机械配备计划如下表所示:序号机械设备台数用电量(KW)合计(KW)01钢筋加工棚套丝机4520切断机4520调直机41040弯曲机4520电焊机438.6154.4对

3、焊机410040002木工加工棚电锯4520平刨452003大机械塔吊420.983.6升降机46626404零星用电四、电源及变配电室设置施工现场的变压器及其位置由业主提供。配电室应符合以下要求:1.成排配电柜两端与重复接地线及保护零线做电气连接。2.配电室自然通风良好,并采取防雨和防动物出入措施。3.配电柜采用单列布置,操作通道宽度应不小于1.5m,配电柜后面的维护通道宽度应不小于0.8m,侧面的维护通道宽度应不小于1m,配电室天棚距地面应不低于3m。4.配电室的门向外开,并配锁。5.配电室内裸母线与地面垂直距离小于2.5m时,采用遮拦隔离,配电装置的上端距天棚不小于0.5m。6.配电室要

4、配置砂箱和绝缘灭火器。7.配电柜应设有功、无功电度表,并分路装社电流、电压表,计数电度表的电流互感器与电流表的互感器应分开,单独安装。8.配电屏应按要求装设短路、过负荷保护装置和漏电保护器。9.各回路应编号,并标明用途。10.配电屏或配电线路维修时,应悬挂停电标志牌。停、送电由专人负责。五、配电箱及开关箱设置 1.设置原则 配电箱、开关箱应设在负荷相对集中的地方。 配电系统设置总配电箱、分配电箱和开关箱,分级配电。 动力配电箱与照明配电箱应分别设置。如设置在同一箱内,动力和照明应分开关控制,且有明显区分标识。 开关箱应由末级分配电箱配电,分配电箱与开关箱的距离不应超过30m, 开关箱与其控制的

5、固定式用电设备的水平距离不宜超过3m。 开关箱和配电箱均应装设在干燥通风及常温场所, 不得装设在有严重损伤作用的瓦斯、蒸气、液体等有害介质中,且不易受外来固体物撞击、强烈震动、液体浸溅及热源烘烤的场所,否则应做特殊防护处理。 2.配电箱设置 根据以上设置原则,并结合本工程现场及实际情况,做以下布置: 总配电箱在变压器附近就近设置。总箱由变配电室低压柜供电,向用电负荷较为集中处配电,同时向钢筋加工场地、QTZ40塔吊和安装场地配电。随土建主体的施工室内用电, 由总配电柜用五芯电缆沿楼内管道或竖井,由地下三层敷设至楼顶层,每层均设动力配电箱及照明配电箱。 考虑到办公室相对集中在工地西侧,因此办公照

6、明也设置单独回路由总配电箱供电,以确保办公用电。 分配电箱及开关箱的位置。各开关箱均设在用电设备附近(3m以内),以便于控制。 3.配电箱除特殊要求的大型配电箱外,小型配电箱统一购买安监推荐产品。其进出线孔均设在箱底,并加护套,箱体方正、牢固、防尘、防晒、严密,并装锁。配电箱的安装必须牢固,并在每处均做可靠的的重复接地和保护接零。 4.特殊大型配电箱制作要规范,铁板厚度1.5mm,用弯边机加工,尺寸符合要求,边线平行,对角线相等,不超误差,并要喷漆,要有防触电标志。箱内配备电压、电流表。 5.配电箱内电气装置的设置及安装 总配电箱及分配电箱均需装设总隔离开关和分路隔离开关,以及总熔断器和分路熔

7、断器。总保护器的额定值,动作整定值与分路开关的额定值、动作整定值相适应。总配电箱中,在电源隔离开关的负荷侧必须加设漏电保护器。 开关箱的开关电器的设置, 必须严格执行“一机一闸”制,严禁用同一开关电器直接控制二台及二台以上用电设备(含插座),开关箱内的开关电器必须能在任何情况下都可以对用电设备实行电源隔离,开关箱内必须在设备负荷线的首端设置漏电保护装置,且其额定动作电流及动作时间应与总配电箱处漏电开关的动作电流及动作时间作合理配合,使之具有分级、分段保护的功能。六、配电线路的敷设与要求1.线路走向按以下原则变压器室总配电箱分配电箱开关箱用电设备配电室至开关箱间采用五芯电缆。 2.敷设方式根据施

8、工现场情况,为确保安全,由配电室至开关箱段电缆的敷设方式尽量采用埋地敷设,防止因机械等的损伤。沿墙部分可架空明敷。电缆埋地敷设时,埋地深度不小于0.6m,并应在电缆上下各铺设不小于50mm厚的细砂,然后覆盖砖等硬质保护层。电缆在穿越建筑物、构筑物、道路、易受机械损伤的场所及引出地面(从2m高度至地下0.2m处),应加设防护套管。随建筑主体逐步增高,沿管道井或竖井敷设一条五芯电缆,以备各层用电。七、负荷计算(1)、塔式起重机(自升式) Kx=0.7,Cos=0.65,tg=1.17 将Jc=40%统一换算到Jc1 =25%的额定容量 Pn=83.6kW Pe=n(Jc/Jc1)1/2Pn =1(

9、0.4/0.25)1/220.9=26.44kW Pjs=KxPe=0.726.44=18.508kW Qjs=Pjstg=18.5081.17=21.65kvar(2)、钢筋调直机 Kx=0.65,Cos=0.7,tg=1.02 Pjs=0.6510=6.5kW Qjs=Pjstg=6.51.02=6.63kvar(3)、钢筋切断机 Kx=0.65,Cos=0.7,tg=1.02 Pjs=0.655=3.25kW Qjs=Pjstg=3.251.02=3.315kvar(4)、对焊机 Kx=0.35,Cos=0.6,tg=1.33 将Jc=20%统一换算到Jc1 =100%的额定容量 Pn=

10、100kW Pe=n(Jc/Jc1)1/2Pn =1(0.2/1)1/2100=44.72kW Pjs=KxPe=0.3544.72=15.652kW Qjs=Pjstg=15.6521.33=20.82kvar(5)、钢筋弯曲机 Kx=0.2,Cos=0.65,tg=1.17 Pjs=0.25=1kW Qjs=Pjstg=11.17=1.17kvar(6)、单面木工压刨机 Kx=0.65,Cos=0.6,tg=1.33 Pjs=0.655=3.25kW Qjs=Pjstg=3.251.33=4.3225kvar(7)、施工升降机 Kx=0.3,Cos=0.6,tg=1.33 Pjs=0.36

11、6=19.8kW Qjs=Pjstg=19.81.33=26.334kvar(8)、插入式振动器 Kx=0.3,Cos=0.7,tg=1.02 Pjs=0.31.5=0.45kW Qjs=Pjstg=0.451.02=0.459kvar(9)、交流电焊机 Kx=0.5,Cos=0.4,tg=2.29 将Jc=50%统一换算到Jc1 =100%的额定容量 Pn=SnCos=38.60.4=15.44kW Pe=n(Jc/Jc1)1/2Pn =1(0.5/1)1/215.44=10.92 kW Pjs=KxPe=0.510.92=5.46kW Qjs=Pjstg=5.462.29=12.50kva

12、r (10)、万能圆锯机 Kx=0.25,Cos=0.55,tg=1.52 Pjs=0.255=1.25kW Qjs=Pjstg=1.251.52=1.9kvar(11)总的计算负荷计算,总箱同期系数取Kx=0.95 总的有功功率Pjs=KxPjs=0.95(18.508+6.5+3.25+15.652+1+3.25+19.8+0.45+5.46+1.25)=71.364kW总的无功功率Qjs=KxQjs=0.95(.21.65+6.63+3.315+20.82+1.17+4.3225+26.334+0.459+12.5+1.9)=94.15kvar总的视在功率 Sjs=(Pjs2+Qjs2)1/2=(71.3642+94.152)1/2=118.14kVA总的计算电流计算Ijs=Sjs/(1.732Ue)=118.14/(1.7320.38)=179.5A经查表可得:变压器至一级柜选用VLV-3185+270电缆,埋地敷设。1号干线线路上导线截面及分配箱、开关箱内电气设备选择:(10#、11#) 在选择前应对照平面图和系统图先由用电设备至开关箱计算,再由开关箱至分配箱计算,选择导线及开关设备。分配箱至开关箱,开关箱至用电设备的导线敷设采用铝直接埋地。(1)、塔式起重机(自升式

展开阅读全文
相关资源
猜你喜欢
相关搜索

当前位置:首页 > 建筑/环境 > 设计及方案

copyright@ 2008-2023 1wenmi网站版权所有

经营许可证编号:宁ICP备2022001189号-1

本站为文档C2C交易模式,即用户上传的文档直接被用户下载,本站只是中间服务平台,本站所有文档下载所得的收益归上传人(含作者)所有。第壹文秘仅提供信息存储空间,仅对用户上传内容的表现方式做保护处理,对上载内容本身不做任何修改或编辑。若文档所含内容侵犯了您的版权或隐私,请立即通知第壹文秘网,我们立即给予删除!