QC-提高现浇混凝土模板内置保温板施工质量 .doc

上传人:d*** 文档编号:947284 上传时间:2024-05-13 格式:DOC 页数:12 大小:13.79MB
下载 相关 举报
QC-提高现浇混凝土模板内置保温板施工质量 .doc_第1页
第1页 / 共12页
QC-提高现浇混凝土模板内置保温板施工质量 .doc_第2页
第2页 / 共12页
QC-提高现浇混凝土模板内置保温板施工质量 .doc_第3页
第3页 / 共12页
QC-提高现浇混凝土模板内置保温板施工质量 .doc_第4页
第4页 / 共12页
QC-提高现浇混凝土模板内置保温板施工质量 .doc_第5页
第5页 / 共12页
QC-提高现浇混凝土模板内置保温板施工质量 .doc_第6页
第6页 / 共12页
QC-提高现浇混凝土模板内置保温板施工质量 .doc_第7页
第7页 / 共12页
QC-提高现浇混凝土模板内置保温板施工质量 .doc_第8页
第8页 / 共12页
QC-提高现浇混凝土模板内置保温板施工质量 .doc_第9页
第9页 / 共12页
QC-提高现浇混凝土模板内置保温板施工质量 .doc_第10页
第10页 / 共12页
亲,该文档总共12页,到这儿已超出免费预览范围,如果喜欢就下载吧!
资源描述

《QC-提高现浇混凝土模板内置保温板施工质量 .doc》由会员分享,可在线阅读,更多相关《QC-提高现浇混凝土模板内置保温板施工质量 .doc(12页珍藏版)》请在第壹文秘上搜索。

1、提高现浇混凝土模板内置保温板施工质量*第八工程处QC小组一、课题介绍现浇混凝土模板内置保温板施工技术,是在浇筑混凝土墙体前,将保温板置于外模板内侧,浇筑混凝土完毕后,保温板与墙体有机结合在一起,装饰施工面层处理时在带有钢丝网架一面的聚苯板上抹掺有抗裂剂的水泥砂浆找平层,最后进行装饰面层施工。采用该技术,能显著提高保温板与基层之间的黏结力,外墙面砖和保温板之间的黏结力,减小施工操作强度,减少外界环境对外墙外保温板施工质量的影响,显著节约工期。但至今现浇混凝土模板内置保温板施工技术没有得到合理的规范与推广。所以我们*第八工程处QC小组决定在第四军医大学二区二期经济适用房工程中以“现浇混凝土模板内置

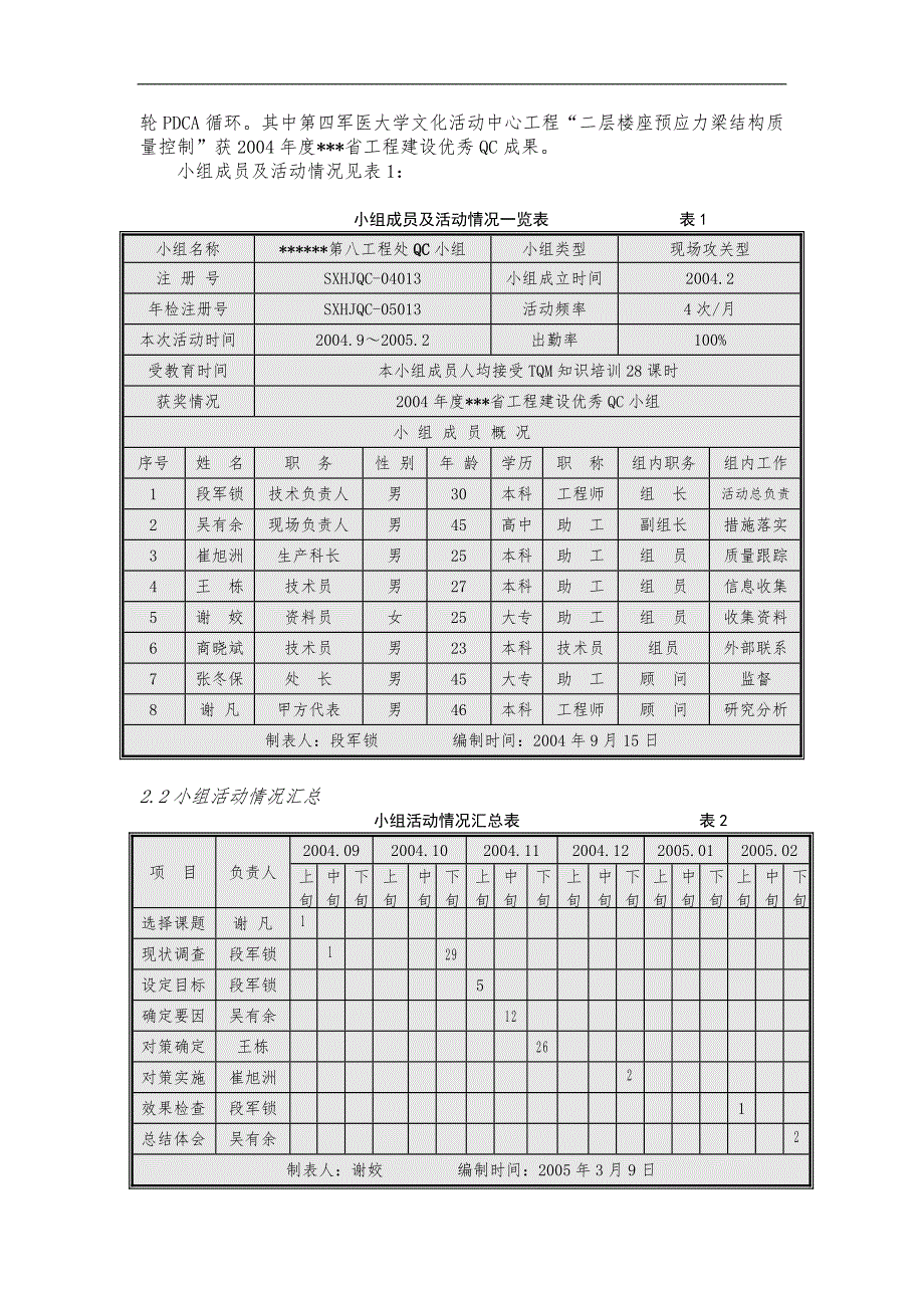
2、保温板施工控制”为研究课题,实现提高企业的经济效益和社会效益的目的。现浇砼模板内置保温板外贴饰面砖试验墙面现浇砼模板内置 保温板成品墙面二、QC小组概况2.1小组简介 *第八工程处QC小组成立于2004年2月,小组成立至今共进行了6轮PDCA循环。其中第四军医大学文化活动中心工程“二层楼座预应力梁结构质量控制”获2004年度*省工程建设优秀QC成果。小组成员及活动情况见表1:小组成员及活动情况一览表 表1 小组名称*第八工程处QC小组小组类型现场攻关型注 册 号SXHJQC-04013小组成立时间2004.2年检注册号SXHJQC-05013活动频率4次/月本次活动时间2004.92005.2

3、出勤率100%受教育时间本小组成员人均接受TQM知识培训28课时获奖情况2004年度*省工程建设优秀QC小组小 组 成 员 概 况序号姓 名职 务性 别年 龄学历职 称组内职务组内工作1段军锁技术负责人男30本科工程师组 长活动总负责2吴有余现场负责人男45高中助 工副组长措施落实3崔旭洲生产科长男25本科助 工组 员质量跟踪4王栋技术员男27本科助 工组 员信息收集5谢姣资料员女25大专助 工组 员收集资料6商晓斌技术员男23本科技术员组员外部联系7张冬保处 长男45大专助 工顾 问监督8谢 凡甲方代表男46本科工程师顾 问研究分析制表人:段军锁 编制时间:2004年9月15日2.2小组活动

4、情况汇总 小组活动情况汇总表 表2项 目负责人2004.092004.102004.112004.122005.012005.02上旬中旬下旬上旬中旬下旬上旬中旬下旬上旬中旬下旬上旬中旬下旬上旬中旬下旬选择课题谢 凡14现状调查段军锁1829设定目标段军锁5确定要因吴有余12对策确定王栋26对策实施崔旭洲28效果检查段军锁1总结体会吴有余29制表人:谢姣 编制时间:2005年3月9日三、选题理由公司质量方针精益求精建造精品兑现承诺真诚服务第四军医大学二区二期经济适用房工程是军队专家教授经济适用房重点建设项目,工程质量目标为:军队优质工程。工程质量标准高,社会影响大。业主使用要求为满足工程节能保

5、温需要,并克服一般外墙外保温板的不足,增强各装饰层与保温板以及混凝土墙间的黏结力,满足外墙面砖施工。本工程技术难点该工艺为建设部推广和应用的新技术之一,易操作,但影响工程质量的因素较多。施工无成熟的施工工艺。工 期 要 求该工程工期紧,业主要求在2005年底竣工。采用本工艺,能减少后期作业量,外墙装饰工程能提前作业。提高现浇混凝土模板内置保温板施工质量四、现状调查2004年9月18日,我们QC小组与*航测新型建材工程有限公司进行协商,按照北京市标准JS001-2改造模具,在小组的指导下进行单层网架聚苯外墙保温板试制。2004年10月29日,我们QC小组所有成员到有类似做法的北京市几家工地进行了

6、现浇混凝土模板内置保温板施工质量调查。在此基础上,我们对第四军医大学二区二期经济适用房002D工程一层外墙进行了现场施工试验。施工完毕后,小组成员对其施工质量进行了跟踪检查。包括材料在内,共抽查了128个点,不合格点数为68个,合格率仅为47%,并对发现的质量缺陷进行了统计,结果如表3所示:小组成员在做现状调查 现浇混凝土模板内置保温板质量缺陷统计表 表3项 目频数(次)累计频数(次)累计百分率(%)保温板安装偏差大313145.6混凝土浇筑保温板受损215276.5锚筋施工不规范75986.8保温板接缝漏胶56494.1其 它468100根据质量缺陷统计表画出排列图如下:制图:段军锁 制图时

7、间:2004年11月3日 0302010405060703002010405060708090100频数(点)N=68频率(%)312175445.6%76.5%94.1%86.8%保温板安装偏差大混凝土浇筑时 保温板受损锚筋施工 不规范 保温板 接缝漏胶其它ACB图1 现浇混凝土模板内置保温板质量缺陷排列图由排列图可以看出,影响现浇混凝土模板内置保温板施工质量的主要问题是保温板安装偏差大、混凝土浇筑时保温板受损,其累计频率达76.5%,属A类因素,应作为解决问题的主要控制对象。五、预期目标及可行性分析5.1目标确定小组于2004年11月5日召开讨论会,大家认为:提高保温板安装质量、实施混凝土

8、浇筑时对保温板的保护,应达到如下目标:目标值合格点率90%总目标索现浇混凝土模板内置保温板施工质量控制以及针对采取保温板的成品保护措施,确保该保温体系成功应用。目标值活动前47%90%制图:段军锁制图时间2004年11月5日 图2 小组活动目标图5.2目标可行性论证实现目标是可行的小组成员对影响现浇混凝土模板内置保温板施工质量的主要因素已经明确。可以采取针对性措施进行质量控制。从北京类似工程现场质量检验结果来看,合格率已经达到88.3%,所以将目标值设为“合格点率90%以上”是可行的本QC小组得到建设单位全面支持,甲方筹建办主任亲自参与本QC小组活动保温材料生产厂家积极配合,进行生产工艺改进,

9、按照小组指导进行保温材料生产六、原因分析目标确定后,我们小组针对从排列图中得出的主要问题于2004年11月进行了多次调研分析,广泛收集参工人员意见,绘制原因分析关联图。小组活动剪影保温板安装偏差大混凝土浇筑时保温板损伤剪钳钳口变形使用时间过长保温板偶尔缺损高空作业缺乏检查保温板接茬漏胶锚筋深入墙内长度不够节点部位处理不当缺乏经验人员培训不到位锚筋间距不合适混凝土浇筑时缺少保护措交底不清制图:吴有余制图时间:2004年11月15日 图3 原因分析关联图七、要因确认我们QC小组针对因果图中的10个末端因素进行了研究讨论,逐一进行确认,见下表。 要因确认表 表4序号类别末端因素确认 方法末端因素分析

10、责任人是否要因1人 员交底不清现场调查调查分析1、 查阅技术交底资料,发现现浇混凝土模板内置保温板部分技术交底仅提出了应达到的目标值,而无具体工艺做法及节点详图,难以起到指导作用2、 对10名工人进行现场摸底操作中发现平均只掌握技术要求的1/3左右。段军锁要因2培训不到位现场调查由于现浇混凝土模板内置保温板在我们公司为第一次采用,操作人员无经验,操作处于摸索阶段吴有余要因3机 械剪钳钳口变 形现场验证现场使用的几把剪钳口已经产生变形,剪钢丝网架时容易损坏保温板,同时网架剪槎不规整,导致接茬难看,但只要购买合格产品并及时更换剪钳并购买合格产品。崔旭州非要因4材料保温板损伤现场验证混凝土浇筑时,工

11、人没有采取措施,保温板损伤严重,特别影响施工质量商晓斌要因5方法锚筋深入墙内长度不够现场验证现场调查统计中发现,30个检验点仅有1个点不合格,仅占3.3%王栋非要因6锚筋间距不合适现场验证现场调查统计中发现,45个检验点仅有2个点不合格,仅占4%王栋非要因7保温板接茬漏胶现场验证现场调查统计中发现,38个检验点仅有1个点不合格,仅占2.6%商晓斌非要因8缺乏检查现场验证现场设专职质量检查员,工程处和建设单位派专人进行跟踪检查崔旭州非要因9节点部位处理不当现场验证现场调查统计中发现,20个检验点有13个点不合格,占65%,合格率仅35%段军锁要因10环 境高空作业现场验证按照高空作业进行脚手架搭设施工吴有余非要因制表人:吴有余 制表时间:2004年11月16日八、制

展开阅读全文
相关资源
猜你喜欢
相关搜索

当前位置:首页 > 建筑/环境 > 保温

copyright@ 2008-2023 1wenmi网站版权所有

经营许可证编号:宁ICP备2022001189号-1

本站为文档C2C交易模式,即用户上传的文档直接被用户下载,本站只是中间服务平台,本站所有文档下载所得的收益归上传人(含作者)所有。第壹文秘仅提供信息存储空间,仅对用户上传内容的表现方式做保护处理,对上载内容本身不做任何修改或编辑。若文档所含内容侵犯了您的版权或隐私,请立即通知第壹文秘网,我们立即给予删除!