模板施工技术交底(附图) .doc

上传人:p** 文档编号:949949 上传时间:2024-05-17 格式:DOC 页数:5 大小:208.50KB
下载 相关 举报
模板施工技术交底(附图) .doc_第1页
第1页 / 共5页
模板施工技术交底(附图) .doc_第2页
第2页 / 共5页
模板施工技术交底(附图) .doc_第3页
第3页 / 共5页
模板施工技术交底(附图) .doc_第4页
第4页 / 共5页
模板施工技术交底(附图) .doc_第5页
第5页 / 共5页
亲,该文档总共5页,全部预览完了,如果喜欢就下载吧!
资源描述

《模板施工技术交底(附图) .doc》由会员分享,可在线阅读,更多相关《模板施工技术交底(附图) .doc(5页珍藏版)》请在第壹文秘上搜索。

1、GJ0.1-2-5 技 术 交 底 工程名称交底时间工程部位交底对象交 底 人接 收 人参加交底人员内 容交底内容:一、 施工准备:熟悉图纸,根据结构尺寸对模板进行放样加工。二、 模板施工1、施工工艺流程施工流程:施工准备定位放线焊限位钢筋安装门窗洞口模板安装模板调整模板、加固对拉螺杆预检施工方法:墙模板加固钢管横向背楞为248钢管,竖向背楞为10050mm的木枋,对拉螺栓为12。为防止模板倾覆,加钢管快拆头并与满堂架连接。模板制作完成后九层板按间距457457钻孔,并保证整张模板在不割锯。2、施工要求根据短肢剪力墙的特点,本工程竖向模板采用定型木模板体系,边角部分短肢剪力墙采用定型木模,所有

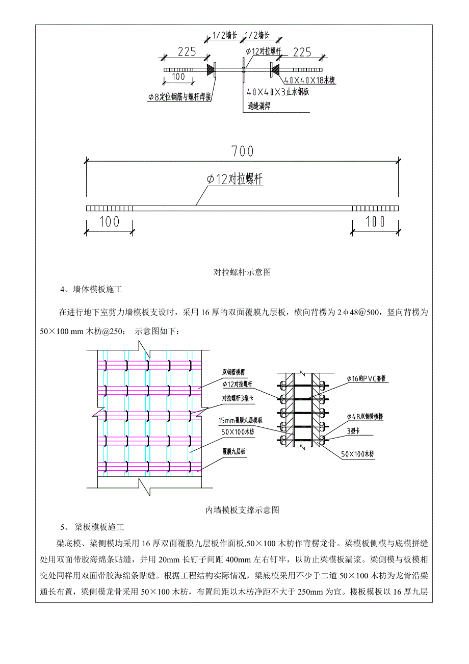
2、木模板均选用183091516mm的双面覆膜九层板,10050mm木枋作背楞。施工前认真进行模板翻样和编号,定型木模板每次拆除后应刷脱模剂保养并堆码整齐。 模板支设的要求:模板拼缝要不漏浆,防止漏浆造成混凝土表面蜂窝麻面。现浇梁跨度大于或等于4m时,按2起拱,悬挑梁按照跨度的2起拱,且起拱高度不超过20mm。3、对拉螺杆施工对拉螺杆规格为12长700, 457457布置与10050木枋、48钢管结合对模板进行加固(第一道螺杆距离模板底约150mm)。为便于对拉螺杆回收,地下室内墙所有螺杆与16PVC管配套使用。中间不设置止水钢板,两端不设限位钢筋。外墙采用带止水钢板的对拉螺杆,为避免割除螺杆时

3、在外墙上留下的痕迹影响清水混凝土效果,封模时在螺杆两端穿上18厚小木块,待拆模时,将木块剔除后,将螺杆抽出,而后用高标号防水砂浆填坑。对拉螺杆示意如下:对拉螺杆示意图4、墙体模板施工在进行地下室剪力墙模板支设时,采用16厚的双面覆膜九层板,横向背楞为248500,竖向背楞为50100 mm木枋250; 示意图如下:内墙模板支撑示意图5、 梁板模板施工梁底模、梁侧模均采用16厚双面覆膜九层板作面板,50100木枋作背楞龙骨。梁模板侧模与底模拼缝处用双面带胶海绵条贴缝,并用20mm长钉子间距400mm左右钉牢,以防止梁模板漏浆。梁侧模与板模相交处同样用双面带胶海绵条贴缝。根据工程结构实际情况,梁底

4、模采用不少于二道50100木枋为龙骨沿梁通长布置,梁侧模龙骨采用50100木枋,布置间距以木枋净距不大于250mm为宜。楼板模板以16厚九层板作面板,以50100木枋为龙骨,龙骨间距(中心距)不大于250mm;模板在加工房内完成后到现场拼装,模板接缝处必须进行刨平处理,采取硬拼并贴塑料胶带以防止漏浆。梁模板支设时,当梁截面高度大于400时,先支设梁侧一侧模板,待梁钢筋绑扎完毕验收合格后进行另一侧模板支设。梁截面高度小于等于400时,先将梁侧模板支设完毕后将梁钢筋用钢管架架空后绑扎,待绑扎完毕后放入模板中。梁板模板支设示意如下:梁模板支设示意图5.1模板支撑体系模板的支撑体系选用普通钢管扣件满樘

5、架。地下室满樘支撑架立杆纵横间距为0.61.2m,底部距地板面200mm处必须设置扫地杆,纵横杆步距为1.8米,满樘模板支架四边与中间每隔四排支架立杆应设置一道纵向剪刀撑,由底至顶连续设置;剪刀撑的搭设应符合相关要求;梁侧立杆间距为0.50.8m,梁底小横杆间距为1m,边梁外侧斜撑间距为1m,在梁底两侧设置通长杆。梁板模板支撑示意图6、 楼梯模板施工由于地下室楼梯混凝土同竖向结构混凝土同时浇筑,因此地下室楼梯模板制成半封闭式。模板采用16mm厚双面覆膜九层板支模,用普通钢管架支撑,沿斜坡方向设两道10050mm木枋锁紧踏步板,以保证梯步准确、轮廓完整。支模示意图如下。楼梯模板支设示意图7、洞口

6、模板施工剪力墙上的洞口模板采用定型木模,为加强刚度,内侧用木枋加固,施工时先用工业胶粘贴海棉条防止漏浆,确保棱角顺直美观。为保证洞口下墙的混凝土质量,在窗模底侧板上钻透气孔,便于排出振捣时产生的气泡。为了防止门窗模爆模,在附加筋上焊定位筋,限制门窗模的位置。施工示意图如下。8、后浇带施工后浇带模板支设。后浇带混凝土在主体结构完成后60天浇筑。其中一条后浇带沿底板至外墙到顶板成回字形贯通。在浇筑周围混凝土前,先用密目式钢板网将其封挡。详见下图所示:插图7后浇带带钢板网封堵示意图9、模板的拆除一般情况下,包括短肢剪力墙墙模、梁侧模等侧模在砼强度达到1.2Mpa以上方可拆除(常温约1824小时)。承重模板拆除时间以同条件养护砼试块强度为准。在模板拆除前必须办理拆模申请。某某 建 设 工 程 质 量 监 督 站 监 制

展开阅读全文
相关资源
猜你喜欢
相关搜索

当前位置:首页 > 建筑/环境 > 设计及方案

copyright@ 2008-2023 1wenmi网站版权所有

经营许可证编号:宁ICP备2022001189号-1

本站为文档C2C交易模式,即用户上传的文档直接被用户下载,本站只是中间服务平台,本站所有文档下载所得的收益归上传人(含作者)所有。第壹文秘仅提供信息存储空间,仅对用户上传内容的表现方式做保护处理,对上载内容本身不做任何修改或编辑。若文档所含内容侵犯了您的版权或隐私,请立即通知第壹文秘网,我们立即给予删除!