辽宁某多层框架结构工业厂房模板专项施工方案(附计算书).doc

上传人:p** 文档编号:950762 上传时间:2024-05-20 格式:DOC 页数:21 大小:409KB
下载 相关 举报
辽宁某多层框架结构工业厂房模板专项施工方案(附计算书).doc_第1页
第1页 / 共21页
辽宁某多层框架结构工业厂房模板专项施工方案(附计算书).doc_第2页
第2页 / 共21页
辽宁某多层框架结构工业厂房模板专项施工方案(附计算书).doc_第3页
第3页 / 共21页
辽宁某多层框架结构工业厂房模板专项施工方案(附计算书).doc_第4页
第4页 / 共21页
辽宁某多层框架结构工业厂房模板专项施工方案(附计算书).doc_第5页
第5页 / 共21页
辽宁某多层框架结构工业厂房模板专项施工方案(附计算书).doc_第6页
第6页 / 共21页
辽宁某多层框架结构工业厂房模板专项施工方案(附计算书).doc_第7页
第7页 / 共21页
辽宁某多层框架结构工业厂房模板专项施工方案(附计算书).doc_第8页
第8页 / 共21页
辽宁某多层框架结构工业厂房模板专项施工方案(附计算书).doc_第9页
第9页 / 共21页
辽宁某多层框架结构工业厂房模板专项施工方案(附计算书).doc_第10页
第10页 / 共21页
亲,该文档总共21页,到这儿已超出免费预览范围,如果喜欢就下载吧!
资源描述

《辽宁某多层框架结构工业厂房模板专项施工方案(附计算书).doc》由会员分享,可在线阅读,更多相关《辽宁某多层框架结构工业厂房模板专项施工方案(附计算书).doc(21页珍藏版)》请在第壹文秘上搜索。

1、多层工业厂房模板专项施工方案1. 编制依据2. 工程概况本工程位于沈阳市,为五层现浇钢筋混凝土结构工业厂房,建筑面积15513平方米。楼内设电梯两部,电梯屋顶标高24.3米,女儿墙顶标高21.3米,室内为高差0.3米。 本方案编制模板概况如下:高支模区域梁板尺寸支设高度梁跨度柱截面首层板厚:100mm、框架梁:300mm*750mm、次梁:250mm*600mm次梁间距:2.5m3.34.0m主梁:7.5m次梁:7.5m500mm*500mm二层三层四层2.73.4m 由于本工程分为三个施工段,各施工段施工顺序、施工方法等基本相同,如下设计为第一施工段(17),其余施工段可按此方案施工,由于该

2、工程为工业厂房,首层层高4.5m,其余层层高3.9m,设计按首层设计(最不利层),其余层不单独设计,按首层设计进行施工,可满足要求。本工程为框架结构,回填土需进行人工分层夯实,夯实系数不得小于0.94,每根立柱地部应设置底座及垫板,垫板厚度不得小于50mm。混凝土浇筑:布料机放置在每个施工段的中心处,浇筑时从四周向中心开始浇筑。3. 模板及支撑系统材料模板:采用18mm厚的木胶合板;木方:6080mm木方;4060螺栓:采用M12对拉螺栓木垫板:采用100mm100mm15mm多层板钢管:483.5mm钢管和扣件连接,钢制螺丝U托与木垫板。A、梁: 面板采用18mm 木胶合面板,4060木方(

3、内楞)现场拼制,6080木方(外楞)支撑,采用可回收M12对拉螺栓进行加固。梁底采用6080木方支撑。承重架采用扣件式钢管脚手架,由扣件、立杆、横杆、支座组成,采用483.5钢管。B、板:面板采用18mm 木胶合面板,板底采用60mm80mm方木支撑。承重架采用扣件式钢管脚手架,由扣件、立杆、横杆、支座组成,采用483.5钢管。C、柱模板: 采用18mm 厚木胶合板,在木工车间制作施工现场组拼,背内楞采用6080 木方,柱箍采用圆钢管483.5围檩加固,采用可回收M12对拉螺栓进行加固。边角处采用木板条找补,保证楞角方直、美观。斜向支撑,采用483.5钢管斜向加固(尽量取45)梁构件规格模板及

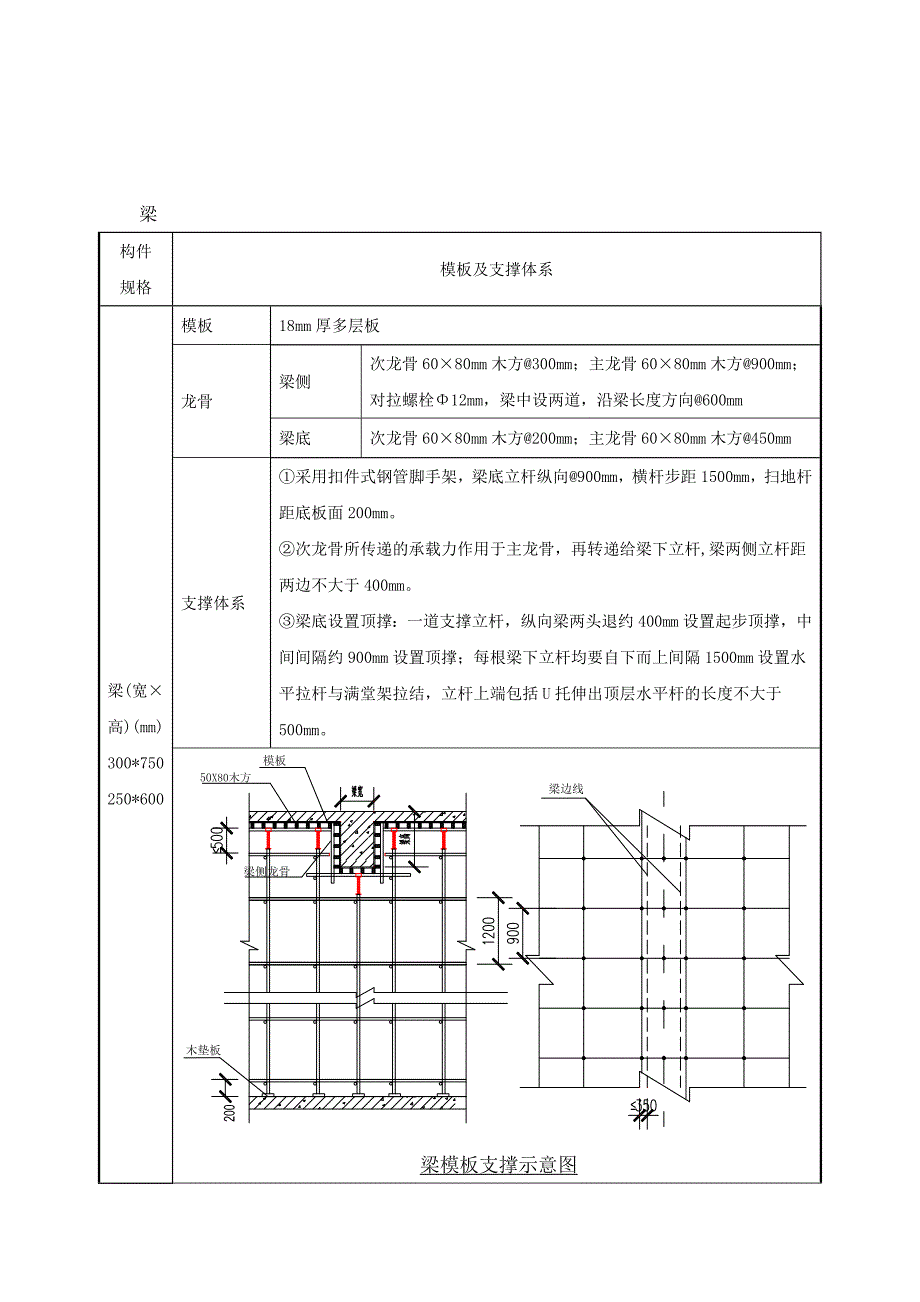
4、支撑体系梁(宽高)(mm)300*750250*600模板18mm厚多层板龙骨梁侧次龙骨6080mm木方300mm;主龙骨6080mm木方900mm;对拉螺栓12mm,梁中设两道,沿梁长度方向600mm梁底次龙骨6080mm木方200mm;主龙骨6080mm木方450mm支撑体系采用扣件式钢管脚手架,梁底立杆纵向900mm,横杆步距1500mm,扫地杆距底板面200mm。次龙骨所传递的承载力作用于主龙骨,再转递给梁下立杆,梁两侧立杆距两边不大于400mm。梁底设置顶撑:一道支撑立杆,纵向梁两头退约400mm设置起步顶撑,中间间隔约900mm设置顶撑;每根梁下立杆均要自下而上间隔1500mm设置

5、水平拉杆与满堂架拉结,立杆上端包括U托伸出顶层水平杆的长度不大于500mm。楼板构件规格模板及支撑体系板厚100mm、模板18mm厚多层板龙骨次龙骨6080mm木方300mm,主龙骨6080mm木方900mm支撑体系采用扣件式钢管脚手架满堂支设,48钢管立杆间距横纵向均为900,横杆步距为1500,横纵向扫地杆距底座不大于200mm,立杆下端铺设木垫板,立杆上端采用U托进行高度调节,使得主龙骨所传递的承载力直接作用于立杆上。4.模板及支撑系统计算一、参数计算与取值模板惯性矩I=1001.51.51.5/12=56.25 cm4抗弯刚度W=1001.51.5/6=37.5 cm3弹性模量E=95

6、00(N/mm2)木方抗弯刚度W=5.0008.0008.000/6 = 53.33 cm3; 惯性矩I=5.0008.0008.0008.000/12 = 213.33 cm4;弹性模量E=9500(N/mm2)抗弯强度设计值13.000(N/mm2)抗剪强度设计值1.300 (N/mm2)钢管截面面积A=4.24(cm2)惯性矩10.783(cm4)抗弯刚度4.49(cm3)回转半径i=1.59cm抗压强度设计值 f=205(N/mm2)(1)混凝土楼板模板计算板厚取值:100mm(一)模板计算:(1)计算模型采用三跨连续梁计算,跨度为200mm。(2)荷载计算钢筋混凝土荷载标准值: 0.

7、18(24+1.1)=4.518 KN/m2;模板荷载标准值:0.50 KN/m2;施工人员及施工设备荷载标准值: 2.5KN/m2及集中荷载2500N考虑两种情况;砼振捣荷载标准值:2 KN/m2及集中荷载2000N考虑两种情况。均布线性荷载设计值:q1=1.2(4.518+0.50)+ 1.3(2.5+2) =10.571 KN/mq1”=1.2 (4.518+0.50)+1.4(0.72.5+2) =11.2766 KN/mq1=max(q1,q1”)=11.2766 KN/m跨中集中荷载设计值计算:P = 1.4(2.5+2)=6.3 KN(3)强度验算施工荷载计算为均布线荷载计算:M

8、1=0.1170.211.2766 =0.053 KNm施工荷载为集中荷载计算:M2=0.2130.26.3=0.027 KNmM=max(M1,M2)=0.053; = M/ =0.053106/(37.5103)=1.413 N/mm2小于14 N/mm2 满足强度要求!(4)挠度验算验算挠度时,仅考虑永久荷载,不考虑可变荷载,故其作用为线荷载,计算如下:q=0.5+4.518=5.018 KN/m;=0.677ql4/(100EI) =0.6775.0181032004/(100950056.25104)=0.0101mm小于=L/400=0.5mm,满足挠度要求!(二)次龙骨计算:(1

9、)计算模型采用三跨连续梁计算,跨度为900mm。(2)荷载计算通过模板验算,木方线荷载设计值:q1=2.1142 KN/m,q1”=2.2552 KN/m;q1=max(q1, q1”)=2.2552 KN/m ;考虑到模板较厚且木方间距较小,对于木方承受的集中荷载较小,不予考虑为集中荷载。(3)强度验算a抗弯强度验算施工荷载计算为均布线荷载计算:M1=0.1170.92.2552 =0.214 KNm = M/ =0.214106/(53.33103)=4 N/mm2小于14 N/mm2 满足强度要求!b抗剪切强度验算最大剪切力计算: Q=0.617ql=0.6172.25520.9=1.2

10、5 KN T = 3Q/(2bh )=31.25103/(25080)=0.47 N/mm2小于剪切力允许值1.4 N/mm2 满足剪切强度要求!(4)挠度验算验算挠度时,仅考虑永久荷载,不考虑可变荷载,故其作用为线荷载,计算如下:q=(0.5+4.518)0.2=1.0036 KN/m;=0.677ql4/(100EI) =0.6771.00369004/(10095002133300)=0.2 mm小于=L/400=0.5mm,满足挠度要求!(三)主龙骨计算1、计算模型采用三跨连续梁计算,跨度为900mm。2、荷载计算 10.571通过上述验算,主龙骨荷载设计值:q1=9.51 KN/m,

11、q1”=10.15 KN/m;q1=max(q1, q1”)=10.15 KN/m ;3、强度验算施工荷载计算为均布线荷载计算:M1=0.1170.910.15 =0.982 KNm = M/ =0.982106/(220.1103)=22.92 N/mm2小于205 N/mm2 满足强度要求!4、挠度验算验算挠度时,仅考虑永久荷载,不考虑可变荷载,故其作用为线荷载,计算如下:q=(0.5+4.518)0.9=4.516 KN/m;=0.677ql4/(100EI) =0.6774.5169004/(10020600010.78104)=0.45 mm小于=L/400=2.25mm,满足挠度要

12、求!(四)立杆计算1、荷载设计值计算N1=0.90.91.2(0.5+4.518)+1.3 (2+2.5)= 9.61 KNN2=0.90.91.2(0.5+4.518)+1.40.7(2+2.5)=8.45 KNN = max(N1,N2)=9.61KN;2、强度计算:=N/ A =9.61103/(4.24102)=22.6 N/mm2满足强度要求!3、稳定验算长细比计算:L/i =1200/15.9 =75.47 N/mm2;查表得:=0.739=N/(A) = 30.6 N/mm2 ,小于205 N/mm2满足稳定计算要求!(2)主梁模板计算1、梁侧模计算(一)侧模强度计算:本方案中梁

13、高最高1200mm,带腋高度200mm,所以梁高取值为1400mm砼侧压力计算:F1=,F2=其中: - 混凝土的重力密度,取24.000kN/m3; - 新浇混凝土的初凝时间,取10.000h; T - 混凝土的入模温度,取20.000; V - 混凝土的浇筑速度,取1.500m/h; 1- 外加剂影响修正系数,取1.200; 2- 混凝土坍落度影响修正系数,取1.150; H - 混凝土侧压力计算位置处至新浇混凝土顶面总高度,取1.200m。F1=0.2224101.41.150sprt(1.5)=89.24F2=241.4=33.8F=min(F1,F2)=33.6 侧模强度计算: 其中

14、:w-面板的净截面抗弯距,w=10001515/6=37508mm3M - 面板的最大弯矩(Nmm);- 面板的弯曲应力计算值(N/mm2)f - 面板的抗弯强度设计值(N/mm2);按照三跨连续计算:浇筑砼侧压力: 33.6;振捣砼荷载:4;q= q=1.233.6+1.42=45.92最大弯矩值:M=0.11745.920.20.2=0.214 KNm214105/37508=5.71 N/mm214 N/mm2 满足强度要求! 挠度计算:=0.677ql4/(100EI)=L/250 =0.67733.62004/(100950056.25105)=0.0068mm200/400=0.5mm,满足要求!(二)次龙骨计算1、计算模型采用三跨连续梁计算,跨度为200mm。2、荷载计算

展开阅读全文
相关资源
猜你喜欢
相关搜索

当前位置:首页 > 建筑/环境 > 设计及方案

copyright@ 2008-2023 1wenmi网站版权所有

经营许可证编号:宁ICP备2022001189号-1

本站为文档C2C交易模式,即用户上传的文档直接被用户下载,本站只是中间服务平台,本站所有文档下载所得的收益归上传人(含作者)所有。第壹文秘仅提供信息存储空间,仅对用户上传内容的表现方式做保护处理,对上载内容本身不做任何修改或编辑。若文档所含内容侵犯了您的版权或隐私,请立即通知第壹文秘网,我们立即给予删除!