江苏某机场航站楼扩建工程型钢悬挑卸料平台安全专项施工方案.doc

上传人:p** 文档编号:952047 上传时间:2024-05-22 格式:DOC 页数:21 大小:470KB
下载 相关 举报
江苏某机场航站楼扩建工程型钢悬挑卸料平台安全专项施工方案.doc_第1页
第1页 / 共21页
江苏某机场航站楼扩建工程型钢悬挑卸料平台安全专项施工方案.doc_第2页
第2页 / 共21页
江苏某机场航站楼扩建工程型钢悬挑卸料平台安全专项施工方案.doc_第3页
第3页 / 共21页
江苏某机场航站楼扩建工程型钢悬挑卸料平台安全专项施工方案.doc_第4页
第4页 / 共21页
江苏某机场航站楼扩建工程型钢悬挑卸料平台安全专项施工方案.doc_第5页
第5页 / 共21页
江苏某机场航站楼扩建工程型钢悬挑卸料平台安全专项施工方案.doc_第6页
第6页 / 共21页
江苏某机场航站楼扩建工程型钢悬挑卸料平台安全专项施工方案.doc_第7页
第7页 / 共21页
江苏某机场航站楼扩建工程型钢悬挑卸料平台安全专项施工方案.doc_第8页
第8页 / 共21页
江苏某机场航站楼扩建工程型钢悬挑卸料平台安全专项施工方案.doc_第9页
第9页 / 共21页
江苏某机场航站楼扩建工程型钢悬挑卸料平台安全专项施工方案.doc_第10页
第10页 / 共21页
亲,该文档总共21页,到这儿已超出免费预览范围,如果喜欢就下载吧!
资源描述

《江苏某机场航站楼扩建工程型钢悬挑卸料平台安全专项施工方案.doc》由会员分享,可在线阅读,更多相关《江苏某机场航站楼扩建工程型钢悬挑卸料平台安全专项施工方案.doc(21页珍藏版)》请在第壹文秘上搜索。

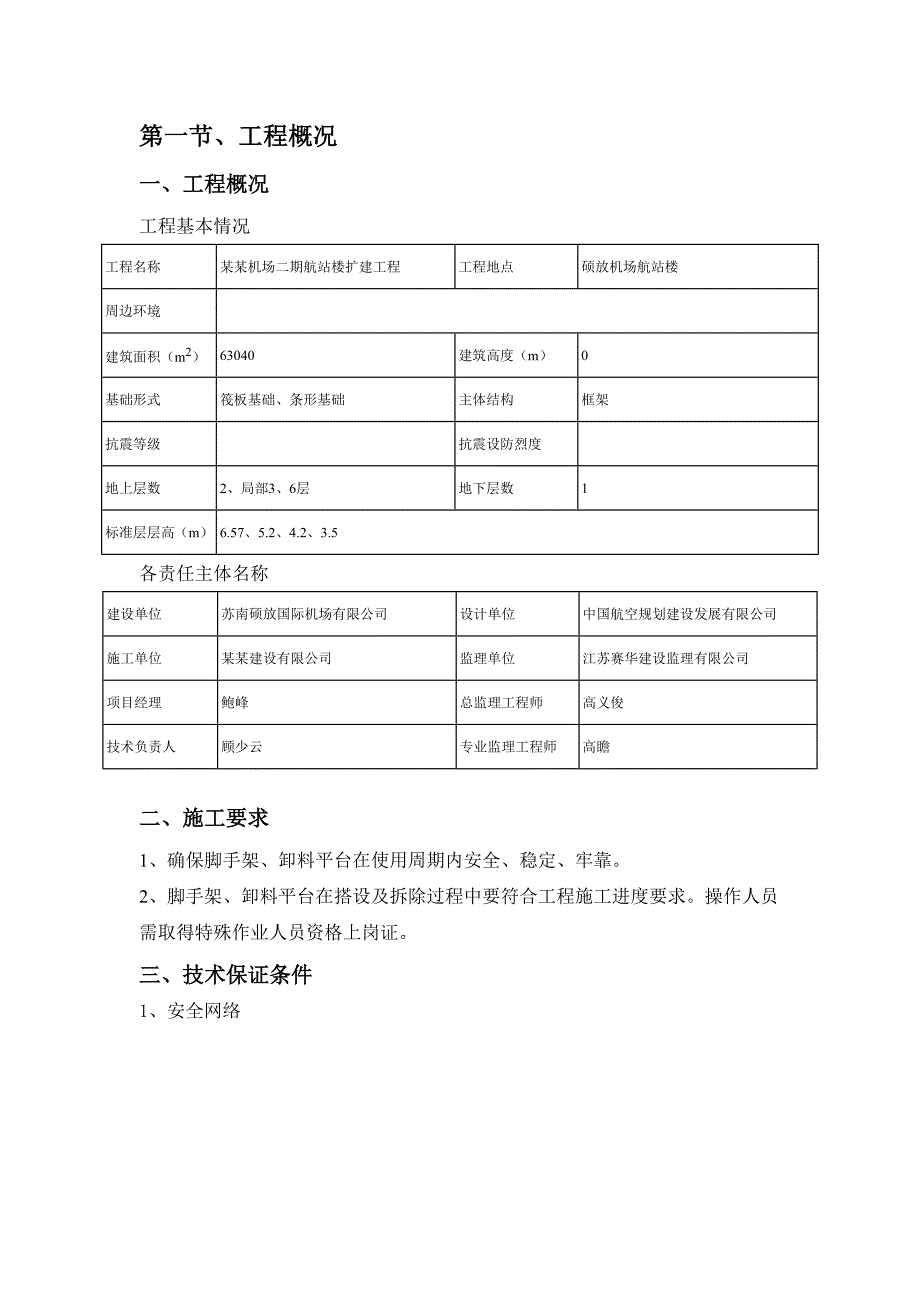
1、某某机场二期航站楼扩建工程工程安全专项施工方案型钢悬挑卸料平台编制人: 职务: 审核人: 职务: 审批人: 职务: 某某建设有限公司 编制时间: 目录第一节、工程概况- 2 -一、工程概况- 2 -二、施工要求- 3 -三、技术保证条件- 3 -第二节、编制依据- 4-第三节、施工工艺技术- 5-一、技术参数- 5 -二、工艺流程- 5 -三、施工方法- 5 -四、检查验收- 6 -第四节、施工安全保证措施- 7 -一、组织保障- 7 -二、技术措施- 8 -三、应急预案- 9 -第五节、计算书及相关图纸- 10 -【计算书】- 10 -第一节、工程概况一、工程概况工程基本情况工程名称某某机场

2、二期航站楼扩建工程工程地点硕放机场航站楼周边环境建筑面积(m2)63040建筑高度(m)0基础形式筏板基础、条形基础主体结构框架抗震等级抗震设防烈度地上层数2、局部3、6层地下层数1标准层层高(m)6.57、5.2、4.2、3.5各责任主体名称建设单位苏南硕放国际机场有限公司设计单位中国航空规划建设发展有限公司施工单位某某建设有限公司监理单位江苏赛华建设监理有限公司项目经理鲍峰总监理工程师高义俊技术负责人顾少云专业监理工程师高瞻二、施工要求1、确保脚手架、卸料平台在使用周期内安全、稳定、牢靠。2、脚手架、卸料平台在搭设及拆除过程中要符合工程施工进度要求。操作人员需取得特殊作业人员资格上岗证。三

3、、技术保证条件1、安全网络2、脚手架、卸料平台的搭设和拆除需严格执行该专项施工方案。第二节、编制依据建筑施工脚手架实用手册建筑结构荷载规范GB50009-2001(06年版)混凝土结构设计规范GB50010-2010钢结构设计规范GB50017-2003建筑施工安全检查标准JGJ59-99建筑施工高处作业安全技术规范JGJ80-91建筑施工扣件式钢管脚手架安全技术规范JGJ130-2011危险性较大的分部分项工程安全管理办法(建质200987号文)相关施工设计图纸等。第三节、施工工艺技术一、技术参数【型钢悬挑卸料平台】卸料平台名称B2区悬挑料台卸料平台类型类型一:主梁垂直建筑外墙平台长度A(m

4、)4.9平台宽度B(m)2.3卸料平台与主体结构连接方式U形钢筋主梁间距L1(m)2.3次梁间距s(m)0.4次梁外伸长度m(m)0内侧次梁离墙水平距离a(m)0.3外侧钢丝绳离墙水平距离a1(m)4.6外侧钢丝绳拉绳点与平台垂直距离h1(m)3.9钢丝绳夹个数3二、工艺流程型钢悬挑卸料平台卸料平台加工支座完毕经过验收合格后方可吊装。吊装时,先挂好四角的吊钩,传发初次信号,但只能稍稍提升平台,放松斜拉钢丝绳,方可正式吊装,吊钩的四条引绳应等长,保证平台在起吊过程中的平稳。吊装至预定位置后,先将平台工字钢与预埋件固定后,再将钢丝绳固定,紧固螺母及钢丝绳卡子,完毕后方可松塔吊吊钩,卸料平台安装完毕

5、后,经验收合格后方可使用。三、施工方法型钢悬挑卸料平台1、悬挑式卸料平台应按现行的相应规范进行设计,其结构构造应能防止左右晃动。2、悬挑式卸料平台的搁支点与上部拉结点,必须位于建筑物上,不得设置在脚手架等施工设备上。3、斜拉杆或钢丝绳,构造上宜两边各设前后两道,两道中的靠近建筑一侧的一道为安全储备,另外一道应作受力计算。4、应设置四个经过验算的吊环,吊运平台时使用卡环,不得使吊钩直接钩挂吊环,吊环应用甲类3号沸腾钢制作。5、悬挑式卸料平台安装时,钢丝绳应采用专用的挂钩挂牢,采取其他方式时卡头的卡子不得少于三个,建筑物锐角利口围系钢丝绳处应加衬软垫物,悬挑式卸料平台外口应略高于内口。6、台面应满

6、铺脚手板。7、悬挑式卸料平台左右两侧必须装固定的防护栏杆。8、悬挑式卸料平台吊装,需待横梁支撑点电焊固定,接好钢丝绳,调整完毕,经过检查验收,方可松卸起重吊钩,上下操作。9、悬挑式卸料平台使用时,应有专人进行检查,发现钢丝绳有锈蚀损坏应及时调换,焊缝脱焊应及时修复。10、卸料平台上应显著地标明容许荷载值。操作平台上人员和物料的总重量严禁超过设计的容许荷载,应配备专人加以监督。四、检查验收型钢悬挑卸料平台1、脚手架必须由持有效上岗证的专业技术人员搭设。2、进行分段验收和检查,发现有不符合要求的应迅速改正,并追究责任。3、外脚手架分段验收严格按照建筑施工扣件式钢管脚手架安全技术规范JGJ130-2

7、011第八节及建筑施工安全检查标准JGJ 59-99中“外脚手架检查评分表”中所列项目和施工方案要求的内容进行检查。填写验收记录单,并由搭设人员、安全员、施工员、项目经理签字后,方能交付使用。4、架体内必须做到每层封闭(即进行隔离),且不能大于4步。第四节、施工安全保证措施一、组织保障1、安全保证体系2、环境保护体系二、技术措施脚手架搭设技术措施型钢悬挑卸料平台1、搭设时用起重机械吊装到相应位置后,将平台与建筑物连接牢固不得滑动,将钢丝绳与平台连接平稳后方可撤出起重机械。2、每天使用前必须对平台的钢丝绳、吊环、铺设的脚手板等进行全面的检查,发现问题必须及时处理。3、平台上装料不得超过荷载并限载

8、(限载值见计算书),不得超长超过平台50cm,超高堆放材料不得超过防护栏杆。4、平台上的防护栏杆不得任意拆除。5、起吊时必须设专人指挥,扶平稳不能碰撞平台,其他人员不得在平台上逗留。6、放物料时必须按规格品种堆放整齐,长短分开,不得混吊,并且不得在平台上组装和清理模板。7、不得从上一层向下一层平台上乱抛物料。8、夜间施工平台上必须保持足够的照明。三、应急预案1、目的提高整个项目组对事故的整体应急能力,确保意外发生的时候能有序的应急指挥,为有效、及时的抢救伤员,防止事故的扩大,减少经济损失,保护生态环境和资源,把事故降低到最小程度,制定本预案。2、应急领导小组及其职责应急领导小组由组长、副组长、

9、成员等构成。(1) 领导各单位应急小组的培训和演习工作,提高应变能力。(2) 当发生突发事故时,负责救险的人员、器材、车辆、通信和组织指挥协调。(3) 负责准备所需要的应急物资和应急设备。(4) 及时到达现场进行指挥,控制事故的扩大,并迅速向上级报告。3、应急反应预案(1) 事故报告程序事故发生后,作业人员、班组长、现场负责人、项目部安全主管领导应逐级上报,并联络报警,组织抢救。(2) 事故报告事故发生后应逐级上报:一般为现场事故知情人员、作业队、班组安全员、施工单位专职安全员。发生重大事故时,应立即向上级领导汇报,并在24小时内向上级主管部门作出书面报告。(3) 现场事故应急处理施工过程中可

10、能发生的事故主要有:机具伤人、火灾事故、雷击触电事故、高温中暑、中毒窒息、高空坠落、落物伤人等事故。(A) 火灾事故应急处理:及时报警,组织扑救,集中力量控制火势。消灭飞火疏散物资减少损失控制火势蔓延。注意人身安全,积极抢救被困人员,配合消防人员扑灭大火。(B) 触电事故处理:立即切断电源或者用干燥的木棒、竹竿等绝缘工具把电线挑开。伤员被救后,观察其呼吸、心跳情况,必要时,可采取人工呼吸、心脏挤压术,并且注意其他损伤的处理。局部电击时,应对伤员进行早期清创处理,创面宜暴露,不宜包扎,发生内部组织坏死时,必须注射破伤风抗菌素。(C) 高温中暑的应急处理:将中暑人员移至阴凉的地方,解开衣服让其平卧

11、,头部不要垫高。用凉水或50%酒精擦其全身,直至皮肤发红,血管扩张以促进散热,降温过程中要密切观察。及时补充水分和无机盐,及时处理呼吸、循环衰竭,医疗条件不完善时,及时送医院治疗。(D) 其他人身伤害事故处理:当发生如高空坠落、被高空坠物击中、中毒窒息和机具伤人等人身伤害时,应立即向项目部报告、排除其他隐患,防止救援人员受到伤害,积极对伤员进行抢救。4、应急通信联络项目负责人:xxxxx 手机:xxxxxxxx安全员:xxxxxx 手机:xxxxxxxx技术负责人:xxxxxxx 手机:xxxxxxxx医院救护中心:120 匪警:110 火警:119通信联系方式应在施工现场和营地的显要位置张贴

12、,以便紧急情况下使用。第五节、计算书及相关图纸【计算书】型钢悬挑卸料平台计算书一、构造参数卸料平台名称B2区卸料平台卸料平台类型类型一:主梁垂直建筑外墙平台长度A(m)4.9平台宽度B(m)2.3卸料平台与主体结构连接方式U形钢筋主梁间距L1(m)2.3次梁间距s(m)0.4次梁外伸长度m(m)0内侧次梁离墙水平距离a(m)0.3外侧钢丝绳离墙水平距离a1(m)4.6外侧钢丝绳拉绳点与平台垂直距离h1(m)3.9内侧钢丝绳离墙水平距离a2(m)2.4内侧钢丝绳上部拉绳点与平台垂直距离h2(m)3.9钢丝绳夹个数3二、荷载参数面板自重Gk1(kN/m2)0.39次梁自重Gk2(kN/m)0.07

13、88主梁自重Gk3(kN/m)0.1935栏杆、挡脚板类型栏杆、木脚手板挡板栏杆、挡脚板自重Gk4(kN/m)0.15安全网设置不设置安全网施工活荷载Qk1(kN/m2)1堆放荷载Pk(kN)4堆放荷载作用面积S(m2)10施工活荷载动力系数1.3三、设计简图型钢悬挑式_卸料平台平面布置图型钢悬挑式_卸料平台侧立面图节点一四、面板验算模板类型木脚手板模板厚度t(mm)15截面抵抗矩W(cm3)37.5抗弯强度设计值f(N/mm2)15 面板受力简图如下: 计算简图(kN) 取单位宽度1m进行验算 q=1.2Gk11+1.4(1.3QK1+Pk/S)1=1.20.391+1.4(1.31+4/10)1=2.848kN/m 抗弯验算: Mmax=0.100qs2=0.1002.8480.42=0.046kNm =Mmax/ W=0.046106/(37.5103)=1.215N/mm2f=15N/mm2 面板强度满足要求!五、次梁验算次梁类型槽钢次梁型钢型号8号槽钢截面惯性矩Ix(cm4)101.3截面抵抗矩Wx (cm3)25.3抗弯强度设计值f(N/mm2)205弹性模量E(N/mm2)

展开阅读全文
相关资源
猜你喜欢
相关搜索

当前位置:首页 > 建筑/环境 > 设计及方案

copyright@ 2008-2023 1wenmi网站版权所有

经营许可证编号:宁ICP备2022001189号-1

本站为文档C2C交易模式,即用户上传的文档直接被用户下载,本站只是中间服务平台,本站所有文档下载所得的收益归上传人(含作者)所有。第壹文秘仅提供信息存储空间,仅对用户上传内容的表现方式做保护处理,对上载内容本身不做任何修改或编辑。若文档所含内容侵犯了您的版权或隐私,请立即通知第壹文秘网,我们立即给予删除!