住宅悬挑脚手架施工方案.doc

上传人:p** 文档编号:954256 上传时间:2024-05-28 格式:DOC 页数:32 大小:530.50KB
下载 相关 举报
住宅悬挑脚手架施工方案.doc_第1页
第1页 / 共32页
住宅悬挑脚手架施工方案.doc_第2页
第2页 / 共32页
住宅悬挑脚手架施工方案.doc_第3页
第3页 / 共32页
住宅悬挑脚手架施工方案.doc_第4页
第4页 / 共32页
住宅悬挑脚手架施工方案.doc_第5页
第5页 / 共32页
住宅悬挑脚手架施工方案.doc_第6页
第6页 / 共32页
住宅悬挑脚手架施工方案.doc_第7页
第7页 / 共32页
住宅悬挑脚手架施工方案.doc_第8页
第8页 / 共32页
住宅悬挑脚手架施工方案.doc_第9页
第9页 / 共32页
住宅悬挑脚手架施工方案.doc_第10页
第10页 / 共32页
亲,该文档总共32页,到这儿已超出免费预览范围,如果喜欢就下载吧!
资源描述

《住宅悬挑脚手架施工方案.doc》由会员分享,可在线阅读,更多相关《住宅悬挑脚手架施工方案.doc(32页珍藏版)》请在第壹文秘上搜索。

1、一、编制依据1、实用建筑施工手册2、建筑施工扣件式钢管脚手架安全技术规范(JGJ130-2001)3、怡景南园工程施工图纸二、工程简介序号项目内 容1功能商业住宅2建设地址南园东路北侧、太平南路西侧、市体育场南侧3建筑规模地下车库一层;地上6栋多层及高层住宅,1栋商业网点;总建筑面积为75001.75m24建筑层数地下车库一层,地上3-20层不等。5建筑高度最高63.10m,最低13.50m6层高地下室层高4m,标准层层高2.9m、3.0m。7结构框架、短肢剪力墙结构三、材料要求1、钢管采用483.5的焊接钢管,其化学成分与机械性能应符合国家标准碳素结构钢(GB/T 700)中Q235-A级钢

2、的要求。且无严重锈蚀、弯曲、压扁、损伤和裂纹,所有钢管全涂防锈漆。2、扣件符合钢管脚手架扣件(GB15831)的规定,材料应采用可锻铸铁件制作的扣件。扣件与钢管的贴合面必须严格整形,以保证扣件抗滑抗拉性能的要求,扣件的附件(T形螺栓、螺母、垫圈)所采用的材质应符合碳素结构钢(GB/T 700)中Q235-A的规定;螺纹均要符合普通螺纹(GB196-81)的规定;垫圈则要符合垫圈(GB96-85)的规定。扣件不能有裂纹、气孔、疏松、砂眼等铸造缺陷,扣件与钢管要接触良好,扣件夹紧钢管时开口处的最小距离要小于5mm,所有扣件均应进行防锈处理。3、脚手板采用竹笆板,长1.2m,宽1m。4、密目网采用建

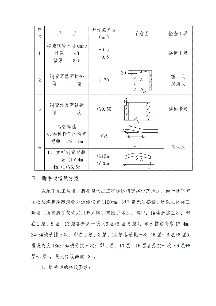
3、委指定产品,油漆采用优质大黄油漆。四、施工准备1、技术准备:由技术负责人带领技术人员及各个施工班组学习施工图纸,学习脚手架的搭设规范及本施工方案,要求交底到每个操作人员。2、人员准备:脚手架工程由现场分管技术员负责,技术员负责脚手架搭设的技术交底及现场施工的技术工作,安全员负责脚手架搭设的各项安全工作。3、现场准备:凡是属于式落地脚手架搭设的范围,其回填土必须严格按照施工规范的要求每250mm厚人工夯实三遍进行施工,其回填土的各项试验项目必须符合要求,地下车库顶板混凝土强度必须达到脚手架荷载要求,确保地基承载力满足搭设脚手架的荷载要求(200KN/)。回填时搭设脚手架部位要高出自然地面30cm

4、。搭设脚手架的地面平整度要求误差在2cm以内,基地找坡5%坡向排水沟,在脚手架的外侧2m处,设一条20cm宽20cm深的简易排水沟,避免脚手架的基础积水,并经验收合格。悬挑脚手架应预埋16以上圆钢做为安装槽钢的固定点及悬挑槽钢的拉结点,槽钢安装完后应经验收合格。构配件允许偏差 表4-1序号项 目允许偏差(mm)示意图检查工具1焊接钢管尺寸(mm)外径 48壁厚 3.5-0.5-0.5-游标卡尺2钢管两端面切斜偏 差1.7020 塞 尺 拐角尺3钢管外表面锈蚀深 度0.50游标卡尺4钢管弯曲a、各种杆件的端部弯曲 L1.5m5 l钢板尺b、立杆钢管弯曲 3ml4m4ml6.5m12mm20mm

5、l五、脚手架搭设方案在地下施工阶段,脚手架依据工程实际情况搭设落地式。由于地下室顶板后浇带距建筑物外边线仅有1100mm,脚手架无法搭设,所以主体施工阶段,所有脚手架均采用悬挑脚手架围护体系。其中:1#楼悬挑三次:即在2层、8层、13层各悬挑一次(6层+5层+5层),最大搭设高度17.4m;2#-5#楼悬挑三次:即在2层、8层、14层各悬挑一次(6层+ 6层+6层),搭设高度18m;6#楼悬挑三次:即4层、10层、16层各悬挑一次(6层+6层+5层),最大搭设高度18m。1、脚手架的搭设要求:外脚手架采用双排单立杆。立杆跨距不大于1.5m,排距1.05m,距墙0.3m,大横杆步距1.8m,中间

6、设置一道腰杆,间距0.9m,脚手板(竹笆)自操作层往下层层铺设,且周边铺设挡脚板。连墙杆采用预埋竖向短钢管,水平方向用钢管内外立杆双扣件一起拉结。连墙杆水平方向每三跨设一道,垂直方向每两步设一道(即采用两步三跨式连墙杆)。脚手架外面满挂密目安全网,要求使用绑扎绳,坚决杜绝使用铁丝绑扎。2、脚手架的构造要求2.1纵向水平管构造符合下列规定2.1.1纵向水平管设置在立杆内侧,其长度不小于3跨,即不小于4.5m。2.1.2纵向水平管接长采用对接扣连接,且必须符合以下要求:纵向水平杆的对接扣交错布置:即两根相邻纵向水平杆接头不得设置在同步或同跨内,不同步或不同跨两个相邻的接头在水平方向错开的距离不应小

7、于50cm;各接头中心至最近主节点的距离不得大于纵距的1/5,见下图:使用竹笆板,纵向水平杆应采用十字扣件固定在小横杆上,并应等间距设置,间距不大于400mm。2.2横向水平杆构造符合下列规定主节点必须设置一根横向水平管,用十字扣件扣接且严禁拆除。主节点处两个十字扣件的中心距不应大于150mm。靠墙一端的外伸长度不得大于400mm。小横杆外出脚手架长度为100mm,所有拉结点均悬挂拉结标识。2.3脚手板的设置符合下述要求:作业层的脚手板必须铺满、铺稳,离开墙面120-150mm。竹笆板脚手板应按其主筋垂直于纵向水平杆方向铺设且采用对接平铺,四角应用22#镀锌铁丝固定在纵向水平杆上。2.4立杆构

8、造符合下列规定:所有转角处均必须设置立杆,立杆底部设置通长木垫板。脚手架必须设置纵横向扫地杆。纵向扫地杆应采用十字扣件固定在距底座上皮不大于200mm处的立杆上。横向扫地杆应采用十字扣件固定在紧靠纵向扫地杆下方的立杆上。立杆接长除顶层顶部可采用搭接外,其余各层各头必须采用对接扣件连接。对接、搭接应符合下列规定:立杆上的对接扣应交错布置:两根相邻立杆的接头不应设置在同步内,同步内隔一根立杆的两个相隔接头在高度方向内错开的距离不宜小于500mm;各接头中心至主节点的距离不得大于600mm。搭接长度不得小于1m,采用不小于2个旋转扣件固定,端部扣件盖板的边缘至杆端距离不应小于100mm。立杆顶端高出

9、檐口1.5m。2.5连墙杆的设置:本工程连墙杆采用刚性拉结即预埋钢管与梁板连接,楼层施工时,在梁里每隔4.5m预埋一根48钢管,等混凝土达到一定强度后,再用横杆与内外立杆连到一起。如下图所示:2.5.1连墙杆需呈水平设置,当不能水平设置时,与脚手架连接的一端应向下连接。2.5.2连墙杆靠近主节点设置,偏离主节点的距离不应大于300mm。连墙杆从底层第一步纵向水平杆开始设置。2.6剪刀撑的构造:2.6.1脚手架外侧立面整个长度和高度范围内连续设置剪刀撑。2.6.2剪刀撑每四跨设置一道,连续设置。斜杆与地面的倾角宜在4560之间。2.6.3剪刀撑斜杆采用搭接,搭接长度不应小于1m,应采用不少于3个

10、旋转扣件固定,端部扣件的盖板边缘至杆端的距离不应小于100mm。2.6.4脚手架在拐角处设置横向斜撑,中间每隔4跨设置一道。2.6.5横向斜撑在同一节间,由底至顶层成之字型连续布置,斜撑的固定点采用旋转扣件固定在与之横向水平杆的伸出端上,放置扣件的中心线至主节点的距离不得大于150mm。2.7斜道构造:2.7.1.在楼座一侧搭设供施工人员上、下通行的专用斜道。2.7.2斜道宽度同脚手架排距,1:3坡度。铺设脚手板,上钉木方作为防滑条,间距250mm。斜道两边设挡脚板,并涂刷红白警示漆。2.7.3斜道为之字形,拐弯处设置1.2m宽的休息平台,休息平台坚决不允许使用木夹板铺设。2.7.4斜道两侧、

11、端部及平台外围,必须设置剪刀撑,同时设置连墙杆;在脚手板下的横向水平杆下,设置之字形横向支撑。斜道两侧及平台外围应设置两道护身栏,高度为1.2m。2.7.5斜道脚手板接头可采用搭接法也可采用对接。采用搭接时接头必须在横向水平杆上,搭接长度不小于200 mm,板头凸处用三角木填实;采用对接时,接头处下面应设两根横向水平杆。2.8脚手架施工安排 2.8.1悬挑脚手架施工如下:2.8.1.1浇筑悬挑层顶板砼时,每隔1.5米预埋U形卡,每根槽钢设两个U形卡。U形卡采用2根圆16钢筋制作,并焊接于梁、板内主筋上,尺寸见下图:2.8.1.2脚手架施工之前,测量人员按照脚手架平面布置图将脚手架立杆的位置投测

12、到搭设的位置上,作为架子工的搭设依据。槽钢间距同立杆间距,槽钢总长度不小于2.5m,外挑1.40 m,内锚1.10 m。安放槽钢时,水准仪抄平,使之在同一个水平面上。如槽钢与地面空隙过大,中间用钢板塞实。2.8.1.3槽钢安装好后,在外挑部分焊接25钢筋,长50cm。见下图:将立杆插到钢筋上,并放扫地杆 ,具体施工步骤如下:预埋U形卡-安装槽钢-焊接钢筋-立杆-扫地杆-水平杆-小横杆-连墙杆-剪刀撑2.8.1.4悬挑层上层顶板砼浇筑时预埋U型20圆钢,待混凝土达到一定强度后,用14钢丝绳斜拉槽钢,以达到卸荷目的。2.8.1.5 钢丝绳间距同槽钢间距。吊环埋入结构中深度不小于30d且应焊接或绑扎

13、钩住主筋。将钢丝绳固定在钢筋上斜拉槽钢,具体施工详见下图:65N.M.6立杆:按照上述要求的脚手架的构造要求,选好立杆长度,依次用十字扣件与扫地杆固定牢固。扣件要适度拧紧,螺栓的根部要放正,螺栓拧紧以后用力矩扳手进行检查,力矩控制在40-50之间最大不得超过65N.M。安装立杆时应每隔6跨设置一根斜撑,直至连墙件安装稳定以后,方可根据情况拆除。2.8.1.7横向扫地杆:选用长度合适且一致的钢管,沿着与建筑垂直的方向用十字扣件与立杆固定牢固。2.8.1.8第一步纵向水平杆:按照上述脚手架对大横杆构造的要求选择钢管,安装校正钢管的水平度,先安装两端的扣件,保证水平以后,分别安装中间的扣件,连接大横

14、杆的对接扣件,开口应朝架子内侧,螺栓要向上,以防雨水进入。2.8.1.9第一步横向水平杆(小横杆):挑选长度一致的钢管,其长度要保证离开墙面50-100 mm,另一侧伸出的端头要求距离扣件盖板外侧100 mm,避免杆件滑脱。2.8.1.10连墙杆:按照上述要求设置连墙杆。连墙杆呈水平设置,当不能水平设置时,与脚手架连接的一端应向下连接,不得采取上斜连接。2.8.1.11依据此步骤向上搭设脚手架,每搭完一步脚手架后,按照下述的质量要求检查脚手架,校正步距、纵距、横杆及立杆的垂直度。2.8.2落地脚手架的搭设步骤如下:按脚手架的立杆间距、排距放线-安放垫板-放置纵向扫地杆-放置底座、立杆-横向扫地

15、杆-第一步纵向水平杆-第一步横向水平杆(小横杆)-连墙杆-第二纵向水平杆-第二步横向水平杆(小横杆)-立杆-2.8.2.1按脚手架的立杆间距、排距进行放线:脚手架施工之前,测量人员按照脚手架平面布置图将脚手架立杆的位置投测到搭设的位置上,作为架子工的搭设依据。2.8.2.2安放垫板:在脚手架立杆范围内安放厚度大于50 mm,宽度大于200 mm的垫板,长度不小于3M,垫板要铺平铺实,不得悬空。2.8.2.3放置纵向扫地杆:依据测量人员的放线,摆放纵向扫地杆,要将搭设范围内所有扫地杆全部放好,其扫地杆的错开距离及连接点要符合上述要求的脚手架的构造要求。65N.M.4立杆:按照上述要求的脚手架的构造要求,选好立杆长度,依次用十字扣件与扫地杆固定牢固。扣件要适度拧紧,螺栓的根部要放正,螺栓拧紧以后用力矩扳手进行检查,力矩

展开阅读全文
相关资源
猜你喜欢
相关搜索

当前位置:首页 > 建筑/环境 > 设计及方案

copyright@ 2008-2023 1wenmi网站版权所有

经营许可证编号:宁ICP备2022001189号-1

本站为文档C2C交易模式,即用户上传的文档直接被用户下载,本站只是中间服务平台,本站所有文档下载所得的收益归上传人(含作者)所有。第壹文秘仅提供信息存储空间,仅对用户上传内容的表现方式做保护处理,对上载内容本身不做任何修改或编辑。若文档所含内容侵犯了您的版权或隐私,请立即通知第壹文秘网,我们立即给予删除!