办公楼外墙保温施工方案.doc

上传人:p** 文档编号:955654 上传时间:2024-06-04 格式:DOC 页数:17 大小:502.59KB
下载 相关 举报
办公楼外墙保温施工方案.doc_第1页
第1页 / 共17页
办公楼外墙保温施工方案.doc_第2页
第2页 / 共17页
办公楼外墙保温施工方案.doc_第3页
第3页 / 共17页
办公楼外墙保温施工方案.doc_第4页
第4页 / 共17页
办公楼外墙保温施工方案.doc_第5页
第5页 / 共17页
办公楼外墙保温施工方案.doc_第6页
第6页 / 共17页
办公楼外墙保温施工方案.doc_第7页
第7页 / 共17页
办公楼外墙保温施工方案.doc_第8页
第8页 / 共17页
办公楼外墙保温施工方案.doc_第9页
第9页 / 共17页
办公楼外墙保温施工方案.doc_第10页
第10页 / 共17页
亲,该文档总共17页,到这儿已超出免费预览范围,如果喜欢就下载吧!
资源描述

《办公楼外墙保温施工方案.doc》由会员分享,可在线阅读,更多相关《办公楼外墙保温施工方案.doc(17页珍藏版)》请在第壹文秘上搜索。

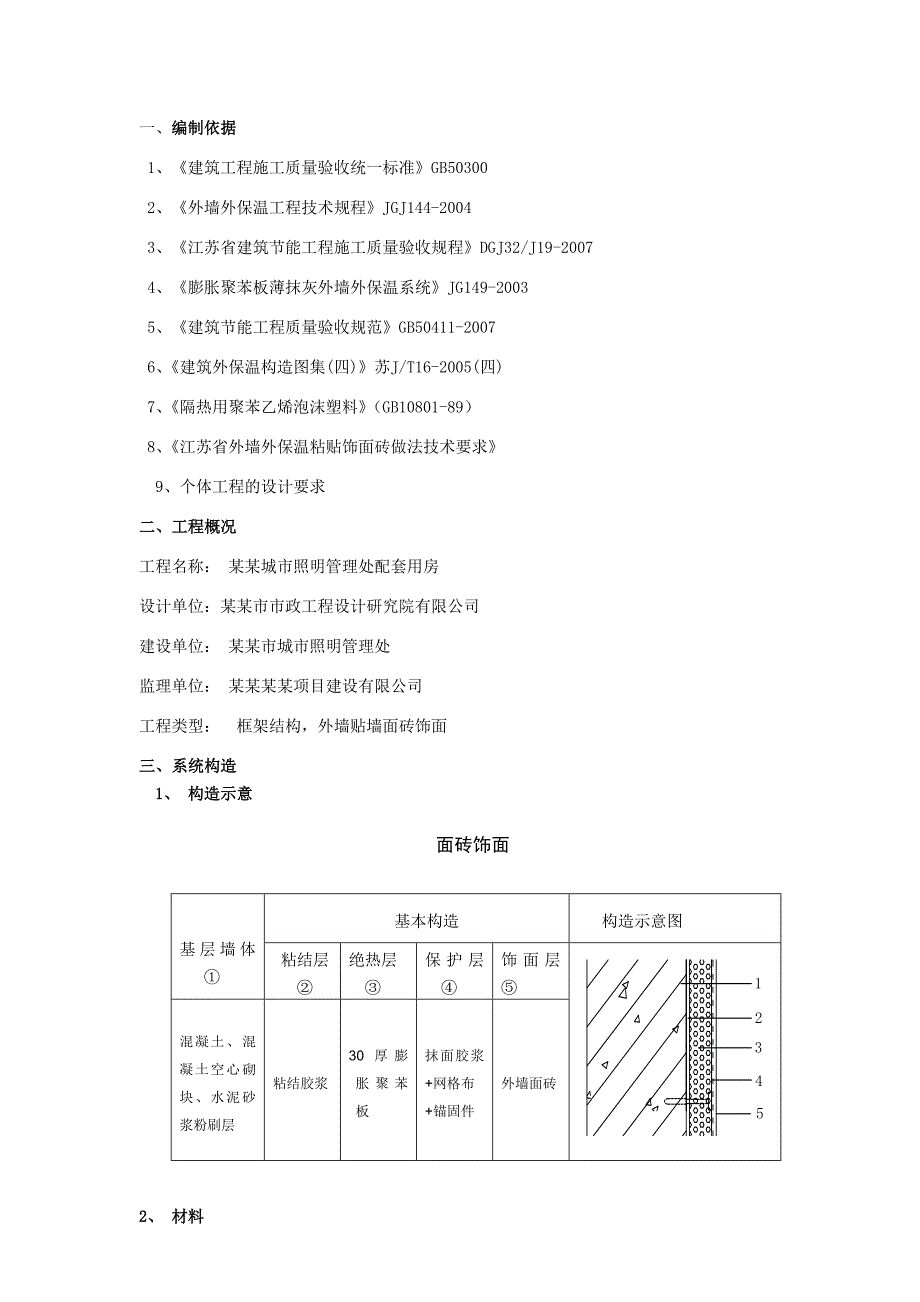
1、膨胀聚苯乙烯泡沫板外墙保温施工方案目 录一、编制依据二、工程概况三、系统构造四、施工程序 五、施工方法七、安全施工措施八、文明施工及成品保护九、成本降低措施十、环境保护措施十一、质量验收标准十二、质量保障措施十三、工期保障措施十四、雷雨及高温季节施工质量、安全生产的保障措施一、编制依据1、建筑工程施工质量验收统一标准GB503002、外墙外保温工程技术规程JGJ144-20043、江苏省建筑节能工程施工质量验收规程DGJ32/J19-20074、膨胀聚苯板薄抹灰外墙外保温系统JG149-20035、建筑节能工程质量验收规范GB50411-20076、建筑外保温构造图集(四)苏J/T16-200

2、5(四)7、隔热用聚苯乙烯泡沫塑料(GB10801-89)8、江苏省外墙外保温粘贴饰面砖做法技术要求9、个体工程的设计要求二、工程概况工程名称: 某某城市照明管理处配套用房 设计单位:某某市市政工程设计研究院有限公司建设单位: 某某市城市照明管理处 监理单位: 某某某某项目建设有限公司工程类型: 框架结构,外墙贴墙面砖饰面三、系统构造 1、 构造示意面砖饰面基层墙体基本构造构造示意图粘结层 绝热层保护层饰面层混凝土、混凝土空心砌块、水泥砂浆粉刷层粘结胶浆30厚膨胀聚苯板抹面胶浆+网格布+锚固件外墙面砖2、 材料()粘结胶浆:粘结胶浆是由无机胶凝材料,高分子聚合物和填料等材料组成。专用于膨胀聚苯

3、板粘结到基层墙体上,具有极强的粘结性能。粘结胶浆性能指标:试验项目性能指标拉伸粘结强度Mpa(与水泥砂浆)原强度0.70耐水0.50拉伸粘结强度Mpa(与膨胀聚苯板)原强度0.20破坏界面在膨胀聚苯板上耐水0.20破坏界面在膨胀聚苯板上可操作时间,h1.5-4.0()聚苯板:为高密度阻燃自熄型聚苯乙烯泡沫塑料板,规格为120060030,平板。膨胀聚苯板性能指标:试验项目性能指标导热系数 ,m.km.k)0.041表观密度, Kg/m325 垂直于板面方向的抗拉强度,Mpa0.20尺寸稳定性,%0.30()抹面胶浆:抹面胶浆是由无机胶凝材料,高分子聚合物和填料等材料组成。薄抹在粘贴好的膨胀聚苯

4、板外表面,用以保证薄抹灰外保温系统的机械强度和耐久性。粘结胶浆性能指标:试验项目性能指标拉伸粘结强度MPa原强度0.20破坏界面在膨胀聚苯板上耐水0.20破坏界面在膨胀聚苯板上柔韧性抗压强度抗折强度(水泥基)0.30开裂应变(非水泥基),1.5可操作时间,h1.5-4.0(4)耐碱玻璃纤维网格布耐碱型玻璃纤维网格布,由表面涂覆耐碱防水材料的玻璃纤维网格布制成,埋入抹面胶浆中,形成薄抹灰增强防护层,用以提高防护层的机械强度的抗裂性。试验项目性能指标单位面积质量g/m2300耐碱断裂强力(经、纬向)(N/500mm)1500耐碱断裂强力保留率(经、纬向)/%90断裂应变(经、纬向)/%0.50(6

5、)膨胀锚栓膨胀锚栓由螺钉和带圆盘的塑料膨胀套管两部分组成。金属螺钉应采用不锈钢或经防腐蚀处理的金属制成,塑料锚栓有效锚固深度不小于25mm,塑料圆盘直径不小于50mm,管套外径710mm。锚栓性能指标:试验项目性能指标单个塑料锚栓抗拉承载力(C25混凝土基层),KN0.8单个锚栓对系统传热增加值W(m2.k)0.004四、施工程序面砖饰面基层墙体处理 工具准备材料准备 弹 线 配粘结胶浆基层墙体干燥粘贴聚苯板 清理嵌缝 配抹面胶浆 聚苯板打磨找平钻孔安装锚固件涂抹面胶浆铺设网格布涂抹面胶浆 找平修补 验收 面 砖 五、 施工方法1、施工条件施工现场应做到通水通电,并保持工作环境的清洁。外墙、外

6、门窗口、屋面排水、雨落水管预埋件施工验收完毕。操作地点环境温度和基层墙体表面温度均不得低于5(连续24小时),风力不大于5级。为保证施工质量,施工面应避免阳光直射,必要时,应在脚手架上搭设遮阳棚遮挡施工墙面。雨天施工时应采取有效措施,防止雨水冲刷墙面。墙体系统在施工过程中所采取的保护措施,应待泛水,密封胶等永久性保护按设计要求施工完毕后方可拆除。2、主要施工工具抹子、搓抹子、角抹子、靠尺、7001000r/min电动搅拌器(或可调速电钻加搅拌器)、刷子、多用刀、灰浆托板、拉线、涂料滚筒、皮尺、粘有20粒度粗纱纸的打磨抹子。3、施工要点 基层墙体处理a. 基层墙体必须清理干净,使墙表面没有油、浮

7、尘、污垢、脱模剂、风化物、涂料、蜡、防水剂、潮气、霜、泥土等污染物或其他妨碍粘结的材料,墙表面的凸出物、空鼓和疏松部位应剔除并找平,找平层应与墙体粘结牢固,不得有脱层、空鼓、裂缝,面层不得有粉化、起皮、爆灰现象。墙体需清洁平整,必要时用水清洁墙面。经过清洗的墙面必须晾干后,方可进行施工。基层墙体干燥应达到90。b. 清除基层墙体中空鼓及松动的部分,并用水泥砂浆填实后找平。c. 基层墙体的平整度要求2m靠尺检测不大于4mm,立面垂直度符合国家标准对外墙抹灰垂直度的要求。 d. 如对基层附着力有疑问,可按如下方法检验:l 用中性的洗涤剂清洗基层墙面,用清水冲洗后晾干;l 按要求配制少量的粘结胶浆,

8、准备一小块75*75*50mm的聚苯板,抹上粘结胶浆,厚度为10mm;l 将该小块聚苯板粘贴到需检验的基层墙面上,养护3天;材料的准备a. 聚合物粘结砂浆 施工时用手持式电动搅拌机搅拌,拌制的聚合物粘结砂浆、聚合物面层砂浆重量比为水:砂浆=1:5,边加水边搅拌;搅拌5-7分钟,搅拌必须充分、均匀、稠度适中,并有一定黏度。 砂浆调制完毕后,须静置 5分钟,使用前再次进行搅拌,拌制好的砂浆应在1小时内用完。b. 聚苯板的切割:应尽量使用标准尺寸的聚苯板,需使用非标准尺寸的聚苯板时应采用电热切割器进行切割,也可以用多用途刀。c. 玻纤网的准备:应根据工作面的要求剪裁玻纤网,留出搭接长度(上下100m

9、m,左右80mm)。 d. 抹面胶浆的配置和要求,均同粘结胶浆。预粘板端翻包网格布在飘窗板、挑檐、阳台、伸缩缝等位置预先粘贴板边翻包网格布,其宽度约200mm,翻包部分宽度约80mm用专用粘结胶浆牢固粘贴在基面上(粘结胶浆厚度不得超过2mm)后期粘贴保温板时再将剩余网格布翻包过来,翻包网格布本身不得出现搭接(目的是避免面层大面施工时在此部位出现三层网格布搭接导致面层施工后露网)。聚苯板的粘贴a. 根据图纸的要求,首先沿着外墙画出立面变形缝的布置图,散水的标高弹好散水水平线;需设置系统的变形缝处,则应在墙面弹出变形缝及变形缝宽度线。b. 聚苯板的粘贴可采用以下方法: 点粘法:用不锈钢抹子,沿聚苯

10、板的四周涂抹配制好的粘结胶浆,其宽度为50mm,厚10mm。当采用标准尺寸聚苯板时,应在板的中间部分均匀设置8个点,每点直径为150mm,厚10mm,中心距200mm。当采用非标准尺寸板时,涂抹粘结胶浆的涂抹面积不得小于聚苯板的面积40%。 c . 聚苯板抹完粘结胶浆后,应立即将板平贴在基层墙体上滑动就位,粘贴时应轻揉,均匀挤压,不得拍打。为了保证板面的平整度,应随时用一根长度不小于2.0m的靠尺进行压平操作。d. 聚苯板应自下而上沿水平方向横向铺贴,每排聚苯板应错缝1/2板长,见下图:聚苯板的排列图 在墙角处,聚苯板应垂直交错连接,保证拐角处板材安装的垂直度,并将印有板厂名称的板边露在外侧,

11、见下页图。聚苯板转角排板示意图e. 聚苯板粘贴24小时后,可用专用的搓抹子将板边的不平之处搓平,或用砂皮纸打抹平,消除板间接缝的高低差,当板缝间隙大于2mm,板间高差大于1.5mm时,应用聚苯板条填实后磨平。f. 在墙角处,聚苯板应垂直交错连接,保证拐角处板材粘贴的垂直度。g. 聚苯板表面不平整处应用专用打磨抹子磨平,然后将整个墙面打磨一遍。打磨时散落的聚苯屑应随时用刷子、扫把或压缩空气清理干净,操作工人应戴防护口罩。h. 粘贴聚苯板时应注意以下事项:l 操作应迅速,在聚苯板安装就位以前,粘结胶浆不得有结皮;l 聚苯板的接缝应紧密,且平齐:仅在聚苯板需翻包网格布(翻包做法见下文),才可以在聚苯

12、板的侧面抹粘结胶浆,其他情况下均不得在聚苯板侧面涂抹粘结胶浆,或挤入粘结胶浆(包括嵌缝用的长板条),以免引起开裂;l 门窗洞口角部的聚苯板,应采用整块聚苯板裁出洞口,不得拼接;l 打磨墙面的动作应是轻柔的圆周运动,不得沿着与聚苯板接缝平行的方向打磨;l 聚苯板施工完毕后,至少需要静置24h才能进行打磨,以防止聚苯板移动,减弱板材与基层墙体的粘结强度。洞口板排列安装专用锚固件a.施工固定时宜由两人配合,其中1人按住玻纤网,另一人用与膨胀钉直径相同的冲击钻头成梅花形从玻纤网中钻孔并安装锚固件,锚固件锚固于基层的深度不小于25mm。玻纤网平面搭接长度不应小于(上下100mm,左右80mm)。 b.锚

13、固件个数按照要求放置(横向位置居中、竖向位置均分)任何面积大于0.1的单块板必须加固定件,且每块板添加数量不小于4个。c.操作时,自攻螺栓需拧紧,使用根部带切割刀片的冲击钻,切割刀片的大小、切入深度与钉帽相一致,将工程塑料膨胀钉的钉帽比挤塑板边表面略拧紧一些;如此才可保证聚苯板表面平整,利于面层施工;同时方可确保膨胀钉尾部膨胀部分因受力回拧膨胀使之与基体充分挤紧。d. 固定件加密:阳角、孔洞边缘及窗四周在水平、垂直方向2m范围内需加密,间距不大于300mm,距基层边缘60mm。抹面胶浆施工l 用抹面胶浆刮糙3-4mm,使玻纤网处于抹面胶浆中间,固化后再抹第二遍抹面胶浆3-4mm,用大杠刮平后,用木抹搓平并拉毛。l 全部抹面胶浆施工完毕后,至少静置养护150h,方可进行下一道工序的施工。在阴冷和潮湿的气候条件下,还应适当延长养护时间;l 保护已完工的部分,免受雨水的渗透和冲刷。特殊部位需用标准网格布进行处理a.标准网格布应在下列系统终端部位进行翻包:l 门窗洞口、管道或其他设备需穿墙的洞口处;l 勒角,阳台,雨蓬等系统的尽端部位;l 变形缝等需要终止系统的部位;l 女儿墙顶部的装饰构

展开阅读全文
相关资源
猜你喜欢
相关搜索

当前位置:首页 > 建筑/环境 > 设计及方案

copyright@ 2008-2023 1wenmi网站版权所有

经营许可证编号:宁ICP备2022001189号-1

本站为文档C2C交易模式,即用户上传的文档直接被用户下载,本站只是中间服务平台,本站所有文档下载所得的收益归上传人(含作者)所有。第壹文秘仅提供信息存储空间,仅对用户上传内容的表现方式做保护处理,对上载内容本身不做任何修改或编辑。若文档所含内容侵犯了您的版权或隐私,请立即通知第壹文秘网,我们立即给予删除!