DWQ1计算书.docx

上传人:p** 文档编号:983643 上传时间:2024-06-06 格式:DOCX 页数:8 大小:61.32KB
下载 相关 举报
DWQ1计算书.docx_第1页
第1页 / 共8页
DWQ1计算书.docx_第2页
第2页 / 共8页
DWQ1计算书.docx_第3页
第3页 / 共8页
DWQ1计算书.docx_第4页
第4页 / 共8页
DWQ1计算书.docx_第5页
第5页 / 共8页
DWQ1计算书.docx_第6页
第6页 / 共8页
DWQ1计算书.docx_第7页
第7页 / 共8页
DWQ1计算书.docx_第8页
第8页 / 共8页
亲,该文档总共8页,全部预览完了,如果喜欢就下载吧!
资源描述

《DWQ1计算书.docx》由会员分享,可在线阅读,更多相关《DWQ1计算书.docx(8页珍藏版)》请在第壹文秘上搜索。

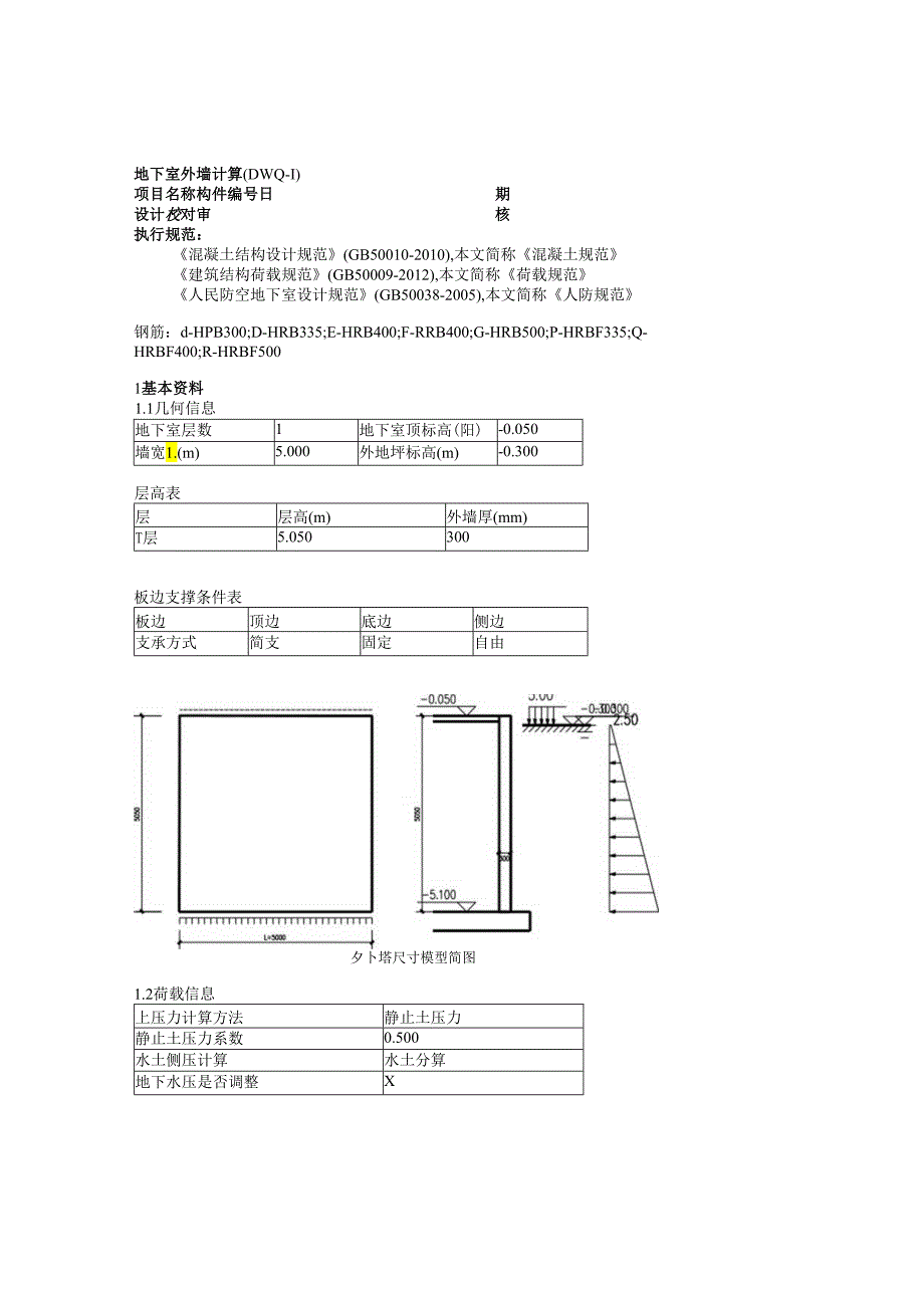
1、地下室外墙计算(DWQ-I)项目名称构件编号日期设计校对审核执行规范:混凝土结构设计规范(GB50010-2010),本文简称混凝土规范建筑结构荷载规范(GB50009-2012),本文简称荷载规范人民防空地下室设计规范(GB50038-2005),本文简称人防规范钢筋:d-HPB300;D-HRB335;E-HRB400;F-RRB400;G-HRB500;P-HRBF335;Q-HRBF400;R-HRBF5001基本资料1.1几何信息地下室层数1地下室顶标高(阳)-0.050墙宽1.(m)5.000外地坪标高(m)-0.300层高表层层高(m)外墙厚(mm)T层5.050300板边支撑条

2、件表板边顶边底边侧边支承方式简支固定自由夕卜塔尺寸模型简图1.2荷载信息上压力计算方法静止土压力静止土压力系数0.500水土侧压计算水土分算地下水压是否调整X地下水埋深(III)0.000土天然容重(kM113)20.00土饱和容重(kNm3)21.00上部恒载-平时(kNm)0.00上部活载-平时(kNm)0.00上部恒载-战时(kNm)地面活载-平时(kPa)5.001.3配筋信息碎强度等级C35配筋调整系数1.0钢筋级别HRB400竖向配筋方法按纯弯外纵筋保护层(mm)50竖向配筋方式内纵筋保护层(mm)25裂缝限值(mm)0.20泊松比0.20裂缝控制配筋1.4计算选项信息竖向弯矩计算

3、方法连续梁板计算类型平时组合弹性板支座弯矩调幅幅度(%)0.()塑性板B一活载准永久值系数0.50水压准永久值系数0.50活载调整系数1.002计算(1)荷载计算(2)内力计算(3)配筋计算(4)裂缝验算荷载说明:永久荷载:土压力荷载,上部恒载平时,可变荷载:地下水压力,地面活载,上部活载-平时平时组合:平时荷载基本组合战时组合:战时荷载基本组合准永久组合:平时荷载准永久组合(用于裂缝计算)2.1 荷载计算2.1.1 墙上竖向压力平时组合(kNm):1.3000.000+1.5000.000=0.000准永久组合(kNm):0.000+0.5000.000=0.0002.1.2 侧压荷教计算(

4、1)土压力标准值(kPa)水土分算,土侧压按静止土压力计算,静止土压力系数k=0.500地下室顶面,标高-0.050,在地面(-0.300)以上P=OPW=O土压力起算位置,标高-0.300P=OPW=O-1层底,标高-5.100,总埋深4.800,地下水位以上0.000,地下水位以下4.800p=kzI+k(,sal-w)2=0520O+0.5(21-10)4.8=26.4Pw=rw=14.8=48地下水位处,标高0.300,埋深0.000P=OPW=式中:p土压力(kN11?)pw水压力(kN/n?)k土压力系数r土的天然容重(kN/n?)Fsat土的饱和容重(kN11)rw水的重度(kN

5、n)hi地下水位以上的土层厚度(m)h2地下水位以下的土层厚度(m)地面上活载等效土压力(标准值,kPa):p=kGk=0.5005.000=2.500(3)荷载组合系数表组合土压力水压力平时地面活载上部恒载上部活载平时组合1.301.501.501.301.50(4)侧压力荷载组合计算(kPa):位置标高土压力水压力地面活载等效平时组合准永久组合T层顶-0.050.000.000.000.000.00外地坪顶-0.300.000.002.503.751.25地下水位-0.300.000.002.503.751.25T层底-5.1026.4048.002.50110.0751.65土侧压水侧压

6、地面琳娟-0.0502.500荷载图(5)侧压荷载分解结果表(kPa):平时组合准永久组合地下室层号均布荷载三角荷载均布荷载三角荷载-10.000110.0700.00051.650注:表中所列三角荷载值是对应于各层底的荷载值(最大)2.2内力计算按连续梁计算竖向弯矩按连续梁模型计算,水平向弯矩仍按板块模型计算调幅前(kN.mm)层部位平时组合准永久组合水平向必左边0.000.00跨中0.000.00右边0.000.00竖向Ib顶边0.000.00跨中81.9537.94底边-184.45-85.76结果不进行调幅平时组合弯矩图81.948竖向弯矩图一平时组令(kN.mm)竖向弯矩图一睢永久组

7、贺kN.mm)准永久组合弯矩图OoOo5000弯矩图-平时(kN.mm)2.3配筋及配筋成果表2.3.1 配筋说明:(1)配筋方法水平按纯弯配筋,竖向按纯弯配筋(2)单位说明:以下各表格中单位除说明外,配筋面积单位:mm2m,裂缝宽度单位:mm,弯矩单位kN.mm,轴力单位kNm,配筋率:2.3.2平时组合计算配筋表部位M(kN.mm)N(kNm)As(mmm)配筋率先T层水平向左边-内侧0.006000.20左边-外侧0.006000.20跨中-内侧0.006000.20跨中-外侧0.006000.20右边-内侧0.006000.20右边-外侧0.006000.20竖向顶边-内侧0.000.

8、06000.20顶边-外侧0.000.06000.20跨中-内侧81.950.08910.30跨中-外侧81.950.06000.20底边-内侧-184.450.06000.202.3.3控制情况计算配筋表层部位计算AS选筋实配AS实配筋率控制组合T层水平向左边-内侧600E121806280.21平时组合左边-外侧600E121806280.21平时组合跨中-内侧600E121806280.21平时组合跨中-外侧600E121806280.21平时组合右边-内侧600E121806280.21平时组合右边-外侧600E121806280.21平时组合竖向顶边-内侧600E12(三)I8O62

9、80.21平时组合顶边-外侧600E121806280.21平时组合跨中-内侧891E141709060.30平时组合跨中-外侧600E121806280.21平时组合底边-内侧600E12180628().21平时组合底边-外侧2392E18l002545().85平时组合注:表中卜算As”取平时乡工合与战时组合计算配筋的较大值2.4裂缝验算按实际配筋,及相应于准永久组合的弹性内力进行计算裂缝宽度限值020Omm层部位MqNq选筋实配AS裂缝(mm)结论T层水平向左边-内侧0.0EI21806280.0(X)满足左边-外侧0.0E121806280.000满足跨中-内侧0.0E1218062

10、80.000满足跨中-外侧0.0E121806280.000满足右边-内侧0.0E121806280.000满足右边-外侧0.0E121806280.000满足竖向顶边-内侧0.00.0E12(g)1806280.000满足顶边-外侧0.00.0EI21806280.000满足跨中-内侧37.90.0E141709060.086满足跨中-外侧37.90.0E121806280.000满足底边-内侧-85.80.0E121806280.000满足底边-外侧-85.80.0E181(X)25450.159满足最大裂缝宽度:0.159=0.200,满足要求。I底边-外侧卜184.450.012392

11、10.802.5实际配筋表I层I部位I选筋I实配面积I配筋率I配筋控制IT层水平向左边-内侧E121806280.21平时组合左边-外侧E121806280.21平时组合跨中-内侧E121806280.21平时组合跨中-外侧E121806280.21平时组合右边-内侧E121806280.21平时组合右边-外侧E121806280.21平时组合竖向顶边-内侧E121806280.21平时组合顶边-外侧E121806280.21平时组合跨中-内侧E141709060.30平时组合跨中-外侧E121806280.21平时组合底边-内侧E121806280.21平时组合底边-外侧E1810025450.85平时组合实际配筋简图600600O9O9600g9600C5SS600600计算配筋面积筒图一平时组合(mm2m)【理正结构设计工具箱软件6.5PB3计算口期:2022-11-0210:31:35

展开阅读全文
相关资源
猜你喜欢
相关搜索

当前位置:首页 > 建筑/环境 > 绿化工程

copyright@ 2008-2023 1wenmi网站版权所有

经营许可证编号:宁ICP备2022001189号-1

本站为文档C2C交易模式,即用户上传的文档直接被用户下载,本站只是中间服务平台,本站所有文档下载所得的收益归上传人(含作者)所有。第壹文秘仅提供信息存储空间,仅对用户上传内容的表现方式做保护处理,对上载内容本身不做任何修改或编辑。若文档所含内容侵犯了您的版权或隐私,请立即通知第壹文秘网,我们立即给予删除!