防雷装置竣工验收.docx

上传人:p** 文档编号:98606 上传时间:2022-12-21 格式:DOCX 页数:4 大小:21.57KB
下载 相关 举报
防雷装置竣工验收.docx_第1页
第1页 / 共4页
防雷装置竣工验收.docx_第2页
第2页 / 共4页
防雷装置竣工验收.docx_第3页
第3页 / 共4页
防雷装置竣工验收.docx_第4页
第4页 / 共4页
亲,该文档总共4页,全部预览完了,如果喜欢就下载吧!
资源描述

《防雷装置竣工验收.docx》由会员分享,可在线阅读,更多相关《防雷装置竣工验收.docx(4页珍藏版)》请在第壹文秘上搜索。

1、防雷装置竣工验收申请书申请单位(公章):申请项目:1#车间、2#车间、仓库申请时间:XXXX年XX月XX日建设项目名称1#车间、2#车间、仓库防雷装置设计核准意见书编号(荆)雷审字XXXXJ第X号防雷装置检测报告编号(荆州)雷检字第XXXXXXXX号开工时间XXXX年XX月竣工时间XXXX年XX月建设单位名称XX公司土也址XX路XX号邮政编码XXXXXX联系人张三联系电话13XXXXXXXXX设计单位名称XX设计院地址XX路XX号邮政编码XXXXXX联系人李四联系电话13XXXXXXXXX资质证编号Axxxxxxxxx资质等级甲级监理名称XX公司M1.址XX路XX号邮政编码XXXXXX现场负责

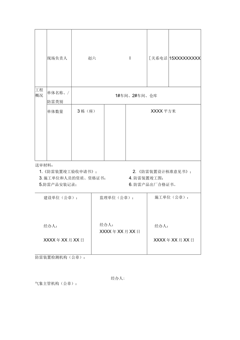
2、人王五联系电话13XXXXXXXXX施工单位名称XX公司地址XX路XX号邮政编码XXXXXX资质证编号XXXXXXXXXXXXXX-X/X资质等级贰级资格证编号XXXXXXXXX建设项目地址XX路XX号现场负责人赵六I关系电话15XXXXXXXXX工程概况单体名称、/防雷类别1#车间、2#车间、仓库单体数量3栋(座)XXXX平方米送审材料:1.防雷装置竣工验收申请书;2.防雷装置设计核准意见书;3.施工单位和人员的资质、资格证书;4.防雷装置竣工图;5.防雷产品安装记录;6.防雷产品出厂合格证书。建设单位(公章):经办人:XXXX年XX月XX日监理单位(公章):经办人:XXXX年XX月XX日施工单位(公章):经办人:XXXX年XX月XX日防雷装置检测机构(公章):经办人:气象主管机构(公章):经办人:年月日办理结果:经办人:年月日

展开阅读全文
相关资源
猜你喜欢
相关搜索

当前位置:首页 > 建筑/环境 > 人防工程

copyright@ 2008-2023 1wenmi网站版权所有

经营许可证编号:宁ICP备2022001189号-1

本站为文档C2C交易模式,即用户上传的文档直接被用户下载,本站只是中间服务平台,本站所有文档下载所得的收益归上传人(含作者)所有。第壹文秘仅提供信息存储空间,仅对用户上传内容的表现方式做保护处理,对上载内容本身不做任何修改或编辑。若文档所含内容侵犯了您的版权或隐私,请立即通知第壹文秘网,我们立即给予删除!