墙体模板工程施工技术交底(含示意图) .doc

上传人:p** 文档编号:993969 上传时间:2024-06-09 格式:DOC 页数:5 大小:90KB
下载 相关 举报
墙体模板工程施工技术交底(含示意图) .doc_第1页
第1页 / 共5页
墙体模板工程施工技术交底(含示意图) .doc_第2页
第2页 / 共5页
墙体模板工程施工技术交底(含示意图) .doc_第3页
第3页 / 共5页
墙体模板工程施工技术交底(含示意图) .doc_第4页
第4页 / 共5页
墙体模板工程施工技术交底(含示意图) .doc_第5页
第5页 / 共5页
亲,该文档总共5页,全部预览完了,如果喜欢就下载吧!
资源描述

《墙体模板工程施工技术交底(含示意图) .doc》由会员分享,可在线阅读,更多相关《墙体模板工程施工技术交底(含示意图) .doc(5页珍藏版)》请在第壹文秘上搜索。

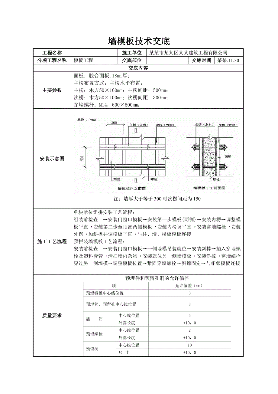
1、墙模板技术交底工程名称施工单位某某市某某区某某建筑工程有限公司分项工程名称模板工程交底部位交底时间某某.11.30交底内容主要参数面板:胶合面板,18mm厚;主楞布置方式:主楞水平布置;主楞:木方50100mm;主楞间距:500mm;次楞:木方50100mm;次楞间距:300mm;穿墙螺杆:M14,600500mm;安装示意图注:墙厚大于等于300时次楞间距为150施工工艺流程单块就位组拼安装工艺流程:组装前检查安装门窗口模板安装第一步模板(两侧)安装内楞调整模板平直安装第二步至顶部两侧模板安装内楞调平直安装穿墙螺栓安装外楞加斜撑并调模板平直与柱、墙、楼板模板连接预拼装墙模板工艺流程:安装前检

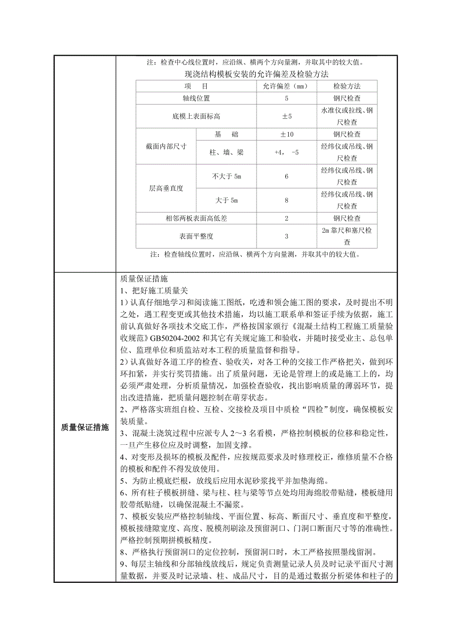
2、查安装门窗口模板一侧墙模吊装就位安装斜撑插入穿墙螺栓及塑料套管清扫墙内杂物安装就位另一侧墙模板安装斜撑穿墙螺栓穿过另一侧墙模调整模板位置紧固穿墙螺栓斜撑固定与相邻模板连接质量要求预埋件和预留孔洞的允许偏差项目允许偏差(mm)预埋钢板中心线位置3预埋管、预留孔中心线位置3插 筋中心线位置5外露长度+10,0预埋螺栓中心线位置2外露长度+10,0预留洞中心线位置10尺 寸+10,0注:检查中心线位置时,应沿纵、横两个方向量测,并取其中的较大值。现浇结构模板安装的允许偏差及检验方法项 目允许偏差(mm)检验方法轴线位置5钢尺检查底模上表面标高5水准仪或拉线、钢尺检查截面内部尺寸基 础10钢尺检查柱、

3、墙、梁+4, -5经纬仪或吊线、钢尺检查层高垂直度不大于5m6经纬仪或吊线、钢尺检查大于5m8经纬仪或吊线、钢尺检查相邻两板表面高低差2钢尺检查表面平整度32m靠尺和塞尺检查注:检查轴线位置时,应沿纵、横两个方向量测,并取其中的较大值。质量保证措施质量保证措施1、把好施工质量关1)认真仔细地学习和阅读施工图纸,吃透和领会施工图的要求,及时提出不明之处,遇工程变更或其他技术措施,均以施工联系单和签证手续为依据,施工前认真做好各项技术交底工作,严格按国家颁行混凝土结构工程施工质量验收规范GB50204-2002和其它有关规定施工和验收,并随时接受业主、总包单位、监理单位和质监站对本工程的质量监督和

4、指导。2)认真做好各道工序的检查、验收关,对各工种的交接工作严格把关,做到环环扣紧,并实行奖罚措施。出了质量问题,无论是管理上的或是施工上的,均必须严肃处理,分析质量情况,加强检查验收,找出影响质量的薄弱环节,提出改进措施,把质量问题控制在萌芽状态。2、严格落实班组自检、互检、交接检及项目中质检“四检”制度,确保模板安装质量。3、混凝土浇筑过程中应派专人23名看模,严格控制模板的位移和稳定性,一旦产生移位应及时调整,加固支撑。4、对变形及损坏的模板及配件,应按规范要求及时修理校正,维修质量不合格的模板和配件不得发放使用。5、为防止模底烂根,放线后应用水泥砂浆找平并加垫海绵。6、所有柱子模板拼缝

5、、梁与柱、柱与梁等节点处均用海绵胶带贴缝,楼板缝用胶带纸贴缝,以确保混凝土不漏浆。7、模板安装应严格控制轴线、平面位置、标高、断面尺寸、垂直度和平整度,模板接缝隙宽度、高度、脱模剂刷涂及预留洞口、门洞口断面尺寸等的准确性。严格控制预期拼模板精度。8、严格执行预留洞口的定位控制,预留洞口时,木工严格按照墨线留洞。9、每层主轴线和分部轴线放线后,规定负责测量记录人员及时记录平面尺寸测量数据,并要及时记录墙、柱、成品尺寸,目的是通过数据分析梁体和柱子的垂直度误差。并根据数据分析原因,将问题及时反馈到有关生产负责人,及时进行整改和纠正。10、所有竖向结构的阴、阳角均须加设橡胶海绵条于拼缝中,拼缝要牢固

6、。11、阴、阳角模必须严格按照模板设计图进行加固处理。12、为防止梁模板安装出现梁身不平直、梁底不平下挠、梁侧模胀模等质量问题,支模时应将侧模包底模,梁模与柱模连接处,下料尺寸应略为缩短等。安全保证措施安全保证措施1、应遵守高处作业安全技术规范的有关规定。2、模板及其支撑系统在安装过程中必须设置防倾覆的可靠临时设施。施工现场应搭设工作梯,工作人员不得爬模上下。3、登高作业时,各种配件应放在工具箱或工具袋中严禁放在模板或脚手架上,各种工具应系挂在操作人员身上或放在工具袋中,不得吊落。4、装拆模板时,上下要有人接应,随拆随运,并应把活动的部件固定牢靠,严禁堆放在脚手板上和抛掷。5、装拆模板时,必须

7、搭设脚手架。装拆施工时, 除操作人员外,下面不得站人。高处作业时,操作人员要扣上安全带。6、安装墙、柱模板时,要随时支设固定,防止倾覆。7、对于预拼模板,当垂直吊运时,应采取两个以上的吊点,水平吊运应采取四个吊点。吊点要合理布置。8、对于预拼模板应整体拆除。拆除时,先挂好吊索,然后拆除支撑及拼装两片模板的配件,待模板离开结构表面再起吊。起吊时,下面不准站人。9、在支撑搭设、拆除和浇筑混凝土时,无关人员不得进入支模底下,应在适当位置挂设警示标志,并指定专人监护。10、在架空输电线路下安装板时,应停电作业。当不能停电时,应有隔离防护措施。11、搭设应由专业持证人员安装;安全责任人应向作业人员进行安

8、全技术交底,并做好记录及签证。12、模板拆除时,混凝土强度必须达到规定的要求,严禁混凝土未达到设计强度的规定要求时拆除模板。注意事项模板工程安装前准备工作1、模板拼装模板组装要严格按照模板图尺寸拼装成整体,并控制模板的偏差在规范允许的范围内,拼装好模板后要求逐块检查其背楞是否符合模板设计,模板的编号与所用的部位是否一致。2、模板的基准定位工作首先引测建筑的边柱或者墙轴线,并以该轴线为起点,引出每条轴线,并根据轴线与施工图用墨线弹出模板的内线、边线以及外侧控制线,施工前5线必须到位,以便于模板的安装和校正。3、标高测量利用水准仪将建筑物水平标高根据实际要求,直接引测到模板的安装位置。4、竖向模板

9、的支设应根据模板支设图。5、已经破损或者不符合模板设计图的零配件以及面板不得投入使用。6、支模前对前一道工序的标高、尺寸预留孔等位置按设计图纸做好技术复核工作。应注意的质量问题1、墙身超厚防治方法:模板就位后调整要认真,穿墙螺栓要全部穿齐、拧紧。2、混凝土墙体表面粘连。防治方法:模板支撑前必须清理干净,脱模剂涂刷均匀,不得漏刷,拆模时混凝土强度必须达到1.2MPa。3、模板缝隙处跑浆。防治方法:模板安装时连接固定要牢,缝隙堵塞严密,并应加强检查。4、门窗洞口混凝土变形。防治方法:门窗洞口模板的组装,必须墙身模板固定牢固。5、严格控制模板上口标高,使梁、板与墙拼缝减少,控制构件标高。6、模板接槎

10、部位处理及防止漏浆的措施1)墙体施工缝防止漏浆处理:墙体模板下压2cm,下压部位混凝土上粘贴海绵条。所有模板体系在预制拼装时,边线平直,四角归方,接缝平整;梁底边、二次模板接头处和转角处均加垫10mm厚海绵条以防止漏浆。2)框架柱施工缝防止漏浆处理:框架柱与底(顶)板模板接槎处防止漏浆方法与外墙内侧模板处防止漏浆方法相同,模板就位后抹水泥砂浆堵缝;框架柱与框架梁接缝处沿接缝贴2厘米宽海绵条,由模板下压及柱箍锁紧以防止漏浆。3)梁、板施工缝防止漏浆处理:梁、板模板转角、接缝处应尽量拼接密实,并粘贴塑料胶带或填塞水泥腻子用以防止漏浆。4)地下室施工缝的留置及防水处理:地下室外墙第一道水平施工缝留设

11、在-5.9m标高处。第二道水平施工缝设于顶板板底往上20mm左右处,水平施工缝防水采用BW型膨胀橡胶止水条。基础底板后浇带处、外墙竖向施工缝采用预埋钢板止水带进行止水。5)后浇带模板:在底板设有“后浇带”的地方,均采用双层网眼为55(或33)mm钢板网(靠里再加一层铁砂网),并用扎丝绑于同向水平钢筋,再支设竖向附加短钢筋支挡钢板网。后浇带处剪力墙堵头板采用长条模板支挡,并用短木方支撑牢固。地下室剪力墙部分竖向施工缝还需预埋竖向钢板止水带。模板拆除:1、侧模,在混凝土强度能保证其表面及棱角不因拆除模板而受损坏后,方可拆除。 2、底模,应在同一部位同条件养护的混凝土试块强度达到要求时方可拆除(见表

12、1)。 注:本表中设计的混凝土强度标准值系指与设计混凝土强度等级相应的混凝土立方体抗压强度标准值。 3、拆除高度在5m以上的模板时,应搭脚手架,并设防护栏杆,防止上下在同一垂直面操作。 4、模板支撑拆除前,混凝土强度必须达到设计要求,并经申报批准后,才能进行。拆除模板一般用长撬棒,人不许站在正在拆除的模板上。在拆除楼板模板时,要注意整块模板掉下,尤其是用定型模板做平台模板时,更要注意,防止模板突然全部掉落伤人。 5、拆模时必须设置警戒区域,并派人监护。拆模必须拆除干净彻底,不得保留有悬空模板。拆下的模板要及时清理,堆放整齐。高处拆下的模板及支撑应用垂直升降设备运至地面,不得乱抛乱扔。 6、拆模

13、时,临时脚手架必须牢固,不得用拆下的模板做脚手板。 7、脚手板搁至必须牢固平整,不得有空头板,以防踏空坠落。 8、拆除的钢模作平台底模时,不得一次将顶撑全部拆除,应分批拆下顶撑,然后按顺序拆下搁栅,底模,以免发生钢模在自重荷载下一次性大面积脱落。 9、预应力混凝土结构构件模板的拆除,除应符合规范GB50204-92第2.4.1条或2.4.2条的规定外,侧模应在预应力张拉前拆除;底模应在结构构件建立预应力后拆除。 10、已拆除模板及其支架的结构,在混凝土强度符合设计混凝土的强度等级的要求后,方可承受全部使用荷载;当施工荷载所产生的效应比使用荷载的效应更为不利时,必须经过核算,加设临时支撑。 11

14、、预制构件模板拆除时的混凝土强度,应符合设计要求;当设计无具体要求时,应符合下列规定: 1)侧模,在混凝土强度能保证构件不变形、棱角完整时,方可拆除; 2)芯模或预留孔洞的内模,在混凝土强度能保证构件和孔洞表面不发生塌陷和裂缝后,方可拆除; 3)底模,当构件跨度不大于4m时,在混凝土强度符合设计的混凝土标准值50的要求后,方可拆除;当构件跨度大4m时,在混凝土强度符合设计的混凝土强度标准值的75的要求后,方可拆除。文明施工支模过程中应遵守安全操作规程,应将就位的支顶、模板联结稳固,不得空架浮搁。进入现场,必须戴安全帽;有高空作业的,必须系好安全带,并正确使用个人劳动保护用品。二人抬运模板时,要互相配合,协调工作。传递模板时,工具应用运输工具或绳子系牢后升降,不得乱扔。现场模板加工产生的垃圾要及时清理,并存放进指定的垃圾站,做到模板工程施工“工完场清”。交底人被交底人

展开阅读全文
相关资源
猜你喜欢
相关搜索

当前位置:首页 > 建筑/环境 > 设计及方案

copyright@ 2008-2023 1wenmi网站版权所有

经营许可证编号:宁ICP备2022001189号-1

本站为文档C2C交易模式,即用户上传的文档直接被用户下载,本站只是中间服务平台,本站所有文档下载所得的收益归上传人(含作者)所有。第壹文秘仅提供信息存储空间,仅对用户上传内容的表现方式做保护处理,对上载内容本身不做任何修改或编辑。若文档所含内容侵犯了您的版权或隐私,请立即通知第壹文秘网,我们立即给予删除!